ASTM D6088-06(2022)
(Practice)Standard Practice for Installation of Geocomposite Pavement Drains
Standard Practice for Installation of Geocomposite Pavement Drains
SIGNIFICANCE AND USE
5.1 This practice is intended to provide installation guidance for designers, specifiers, installation contractors, regulatory agencies, owners, and inspectors who are involved in the planning and installation of geocomposite pavement edgedrains and underdrains. As with any standard practice, modification may be required for specific project conditions or for special local or regional conditions. Fig. 1 shows the proper horizontal alignment of the drain based on various trench conditions outlined in 9.2, and the vertical depth of placement of the drain needed for a geocomposite edge drain to function most effectively as both a collector and conduit.
FIG. 1 Typical Type and Arrangement of Drain
5.2 Fig. 2 shows the typical type and arrangement of equipment used to install geocomposite highway edgedrains. The combination of these recommended installation conditions, techniques, and equipment are critical to the satisfactory long-term performance of these products.
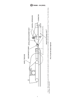
FIG. 2 Proper Horizontal Alignment
Note 1: Drain positioning gate should be located and adjusted to position, and hold the geocomposite drain against the trench wall, to prevent possible “J”-ing or “C”-ing of the drain during backfilling and compaction.
SCOPE
1.1 This practice covers recommendations and identifies pertinent areas of consideration for the installation of buried geocomposite drains used for highway edgedrains, under-drains, or other pavement drainage applications meeting the requirements of Specification D7001. These recommendations are intended as guidelines for developing a satisfactory construction and installation method to minimize installation-caused deformation or damage and to provide long-term performance of these products. It is also intended as a guideline for ensuring a stable underground environment for these materials under a wide range of service conditions. Because of the numerous and diverse product designs available and the inherent variability of natural ground conditions, achieving satisfactory performance of any one product may require review by the engineer and modification to provisions contained herein to meet specific project requirements.
1.2 The scope of this practice necessarily excludes product performance criteria such as compressibility in any plane, flow capacity, inlet capacity, or geotextile selection and use. It is, therefore, incumbent upon the product manufacturer, specifier, and project engineer to verify that the product specified for an intended application, when installed according to procedures outlined in this practice, will provide satisfactory long-term performance according to criteria established by the owner for that application. A commentary of product performance and installation factors important in achieving a satisfactory installation is included in Appendix X1.
1.3 The values stated in SI units are to be regarded as the standard. The inch-pound units given in parentheses are for information only.
1.4 This standard does not purport to address all of the safety concerns, if any, associated with its use. It is the responsibility of the user of this standard to establish appropriate safety, health, and environmental practices and determine the applicability of regulatory limitations prior to use.
1.5 This international standard was developed in accordance with internationally recognized principles on standardization established in the Decision on Principles for the Development of International Standards, Guides and Recommendations issued by the World Trade Organization Technical Barriers to Trade (TBT) Committee.
General Information
- Status
- Published
- Publication Date
- 30-Apr-2022
- Technical Committee
- D35 - Geosynthetics
- Drafting Committee
- D35.03 - Permeability and Filtration
Relations
- Effective Date
- 01-Feb-2024
- Effective Date
- 01-Apr-2020
- Effective Date
- 15-Mar-2020
- Effective Date
- 01-Jan-2020
- Effective Date
- 01-Aug-2019
- Effective Date
- 01-Aug-2019
- Effective Date
- 01-Jan-2019
- Effective Date
- 15-Dec-2018
- Effective Date
- 15-Aug-2018
- Effective Date
- 01-Jul-2018
- Effective Date
- 15-Apr-2018
- Effective Date
- 01-Mar-2018
- Effective Date
- 01-Feb-2018
- Effective Date
- 01-Feb-2018
- Effective Date
- 15-Dec-2017
Overview
ASTM D6088-06(2022), developed by ASTM International, establishes standardized practices for the installation of geocomposite pavement drains. This guidance is essential for designers, specifiers, installation contractors, regulatory agencies, owners, and inspectors involved in the planning, construction, and inspection of highway edgedrains and underdrains. By following this standard, stakeholders can ensure effective installation, maximize long-term performance, and minimize risks of installation-related damage to geocomposite drainage systems.
Key Topics
- Installation Guidance: ASTM D6088 outlines critical considerations for proper installation of geocomposite pavement drains, including trench excavation, backfill selection, compaction practices, and joint assembly.
- Backfill Materials: The standard defines types and classes of suitable backfill and embedment materials (such as natural, manufactured, and processed aggregates), providing recommendations for their use to achieve adequate support and permeability.
- Trench Preparation: Guidance is provided on trench width, depth, and sidewall conditions to prevent damage to the drain during installation and to ensure optimal function as a collector and conduit.
- Handling and Inspection: Inspection, handling, and storage of geocomposite drains and related materials are addressed to prevent product damage before and during installation.
- Product Positioning: Requirements for maintaining correct alignment and support during backfilling and compaction, including use of drain positioning gates to prevent distortion (“C”-ing and “J”-ing) that could impair drainage efficiency.
- Outlet Connections: Recommendations for properly connecting geocomposite drainage products to outlet pipes and ensuring soil-tight joints.
- Performance Considerations: The practice highlights the need to adapt installation methods based on specific project conditions and encourages consultation with engineering experts to account for variations in site soils and product designs.
Applications
The ASTM D6088 standard applies broadly across pavement and highway construction projects where efficient subsurface drainage is required. Key application areas include:
- Highway Pavement Edgedrains: Ensures removal of water from pavement structures, reducing damage from freeze-thaw cycles and prolonging pavement life.
- Underdrains: Supports overall pavement drainage systems in new and rehabilitation projects, helping manage groundwater and surface infiltration.
- Other Pavement Drainage Installations: Suitable wherever Specification D7001-compliant geocomposite products are used for high-flow drainage applications beneath or adjacent to pavements.
By adhering to the recommended practices in ASTM D6088, project teams can achieve:
- Enhanced pavement durability and reduced maintenance costs
- Efficient water management, minimizing the risk of pavement distress
- Optimal performance of geocomposite drainage materials by preventing deformation or damage during installation
Related Standards
Implementing ASTM D6088 often involves referencing several complementary standards to ensure material compatibility and correct installation. These related standards include:
- ASTM D7001: Specification for Geocomposites for Pavement Edge Drains and Other High-Flow Applications
- ASTM D420: Guide for Site Characterization for Engineering Design and Construction Purposes
- ASTM D698: Test Methods for Laboratory Compaction Characteristics of Soil Using Standard Effort
- ASTM D2487: Practice for Classification of Soils for Engineering Purposes
- ASTM D4439: Terminology for Geosynthetics
- ASTM D2321: Practice for Underground Installation of Thermoplastic Pipe for Sewers and Other Gravity-Flow Applications
Practical Value
Following ASTM D6088-06(2022) offers significant benefits, such as compliance with international standardization requirements, increased reliability of pavement drainage systems, and improved overall project performance. By leveraging this standard, stakeholders in highway construction and maintenance can consistently deliver quality drainage solutions that meet evolving infrastructure needs and regulatory expectations.
Keywords: ASTM D6088, geocomposite pavement drains, underdrain installation, highway edgedrains, backfill materials, drainage system construction, standard practice, pavement drainage, geosynthetics.
Buy Documents
ASTM D6088-06(2022) - Standard Practice for Installation of Geocomposite Pavement Drains
Get Certified
Connect with accredited certification bodies for this standard
Zavod za gradbeništvo Slovenije (ZAG) - Inšpekcija
ZAG inspection body for construction products, structures, and materials.
Sponsored listings
Frequently Asked Questions
ASTM D6088-06(2022) is a standard published by ASTM International. Its full title is "Standard Practice for Installation of Geocomposite Pavement Drains". This standard covers: SIGNIFICANCE AND USE 5.1 This practice is intended to provide installation guidance for designers, specifiers, installation contractors, regulatory agencies, owners, and inspectors who are involved in the planning and installation of geocomposite pavement edgedrains and underdrains. As with any standard practice, modification may be required for specific project conditions or for special local or regional conditions. Fig. 1 shows the proper horizontal alignment of the drain based on various trench conditions outlined in 9.2, and the vertical depth of placement of the drain needed for a geocomposite edge drain to function most effectively as both a collector and conduit. FIG. 1 Typical Type and Arrangement of Drain 5.2 Fig. 2 shows the typical type and arrangement of equipment used to install geocomposite highway edgedrains. The combination of these recommended installation conditions, techniques, and equipment are critical to the satisfactory long-term performance of these products. FIG. 2 Proper Horizontal Alignment Note 1: Drain positioning gate should be located and adjusted to position, and hold the geocomposite drain against the trench wall, to prevent possible “J”-ing or “C”-ing of the drain during backfilling and compaction. SCOPE 1.1 This practice covers recommendations and identifies pertinent areas of consideration for the installation of buried geocomposite drains used for highway edgedrains, under-drains, or other pavement drainage applications meeting the requirements of Specification D7001. These recommendations are intended as guidelines for developing a satisfactory construction and installation method to minimize installation-caused deformation or damage and to provide long-term performance of these products. It is also intended as a guideline for ensuring a stable underground environment for these materials under a wide range of service conditions. Because of the numerous and diverse product designs available and the inherent variability of natural ground conditions, achieving satisfactory performance of any one product may require review by the engineer and modification to provisions contained herein to meet specific project requirements. 1.2 The scope of this practice necessarily excludes product performance criteria such as compressibility in any plane, flow capacity, inlet capacity, or geotextile selection and use. It is, therefore, incumbent upon the product manufacturer, specifier, and project engineer to verify that the product specified for an intended application, when installed according to procedures outlined in this practice, will provide satisfactory long-term performance according to criteria established by the owner for that application. A commentary of product performance and installation factors important in achieving a satisfactory installation is included in Appendix X1. 1.3 The values stated in SI units are to be regarded as the standard. The inch-pound units given in parentheses are for information only. 1.4 This standard does not purport to address all of the safety concerns, if any, associated with its use. It is the responsibility of the user of this standard to establish appropriate safety, health, and environmental practices and determine the applicability of regulatory limitations prior to use. 1.5 This international standard was developed in accordance with internationally recognized principles on standardization established in the Decision on Principles for the Development of International Standards, Guides and Recommendations issued by the World Trade Organization Technical Barriers to Trade (TBT) Committee.
SIGNIFICANCE AND USE 5.1 This practice is intended to provide installation guidance for designers, specifiers, installation contractors, regulatory agencies, owners, and inspectors who are involved in the planning and installation of geocomposite pavement edgedrains and underdrains. As with any standard practice, modification may be required for specific project conditions or for special local or regional conditions. Fig. 1 shows the proper horizontal alignment of the drain based on various trench conditions outlined in 9.2, and the vertical depth of placement of the drain needed for a geocomposite edge drain to function most effectively as both a collector and conduit. FIG. 1 Typical Type and Arrangement of Drain 5.2 Fig. 2 shows the typical type and arrangement of equipment used to install geocomposite highway edgedrains. The combination of these recommended installation conditions, techniques, and equipment are critical to the satisfactory long-term performance of these products. FIG. 2 Proper Horizontal Alignment Note 1: Drain positioning gate should be located and adjusted to position, and hold the geocomposite drain against the trench wall, to prevent possible “J”-ing or “C”-ing of the drain during backfilling and compaction. SCOPE 1.1 This practice covers recommendations and identifies pertinent areas of consideration for the installation of buried geocomposite drains used for highway edgedrains, under-drains, or other pavement drainage applications meeting the requirements of Specification D7001. These recommendations are intended as guidelines for developing a satisfactory construction and installation method to minimize installation-caused deformation or damage and to provide long-term performance of these products. It is also intended as a guideline for ensuring a stable underground environment for these materials under a wide range of service conditions. Because of the numerous and diverse product designs available and the inherent variability of natural ground conditions, achieving satisfactory performance of any one product may require review by the engineer and modification to provisions contained herein to meet specific project requirements. 1.2 The scope of this practice necessarily excludes product performance criteria such as compressibility in any plane, flow capacity, inlet capacity, or geotextile selection and use. It is, therefore, incumbent upon the product manufacturer, specifier, and project engineer to verify that the product specified for an intended application, when installed according to procedures outlined in this practice, will provide satisfactory long-term performance according to criteria established by the owner for that application. A commentary of product performance and installation factors important in achieving a satisfactory installation is included in Appendix X1. 1.3 The values stated in SI units are to be regarded as the standard. The inch-pound units given in parentheses are for information only. 1.4 This standard does not purport to address all of the safety concerns, if any, associated with its use. It is the responsibility of the user of this standard to establish appropriate safety, health, and environmental practices and determine the applicability of regulatory limitations prior to use. 1.5 This international standard was developed in accordance with internationally recognized principles on standardization established in the Decision on Principles for the Development of International Standards, Guides and Recommendations issued by the World Trade Organization Technical Barriers to Trade (TBT) Committee.
ASTM D6088-06(2022) is classified under the following ICS (International Classification for Standards) categories: 93.080.20 - Road construction materials. The ICS classification helps identify the subject area and facilitates finding related standards.
ASTM D6088-06(2022) has the following relationships with other standards: It is inter standard links to ASTM D4439-24, ASTM F412-20, ASTM D2321-20, ASTM D7001-20, ASTM D8-19, ASTM D3839-14(2019), ASTM F412-19, ASTM D8-18c, ASTM D8-18b, ASTM D8-18a, ASTM D4439-18, ASTM D2321-18, ASTM D8-18, ASTM D420-18, ASTM D2487-17e1. Understanding these relationships helps ensure you are using the most current and applicable version of the standard.
ASTM D6088-06(2022) is available in PDF format for immediate download after purchase. The document can be added to your cart and obtained through the secure checkout process. Digital delivery ensures instant access to the complete standard document.
Standards Content (Sample)
This international standard was developed in accordance with internationally recognized principles on standardization established in the Decision on Principles for the
Development of International Standards, Guides and Recommendations issued by the World Trade Organization Technical Barriers to Trade (TBT) Committee.
Designation: D6088 − 06 (Reapproved 2022)
Standard Practice for
Installation of Geocomposite Pavement Drains
This standard is issued under the fixed designation D6088; the number immediately following the designation indicates the year of
original adoption or, in the case of revision, the year of last revision. A number in parentheses indicates the year of last reapproval. A
superscript epsilon (´) indicates an editorial change since the last revision or reapproval.
1. Scope 1.5 This international standard was developed in accor-
dance with internationally recognized principles on standard-
1.1 This practice covers recommendations and identifies
ization established in the Decision on Principles for the
pertinent areas of consideration for the installation of buried
Development of International Standards, Guides and Recom-
geocomposite drains used for highway edgedrains, under-
mendations issued by the World Trade Organization Technical
drains, or other pavement drainage applications meeting the
Barriers to Trade (TBT) Committee.
requirements of Specification D7001. These recommendations
are intended as guidelines for developing a satisfactory con-
2. Referenced Documents
struction and installation method to minimize installation-
2.1 ASTM Standards:
caused deformation or damage and to provide long-term
D8 Terminology Relating to Materials for Roads and Pave-
performanceoftheseproducts.Itisalsointendedasaguideline
ments
for ensuring a stable underground environment for these
D420 Guide for Site Characterization for Engineering De-
materials under a wide range of service conditions. Because of
sign and Construction Purposes
the numerous and diverse product designs available and the
D653 Terminology Relating to Soil, Rock, and Contained
inherent variability of natural ground conditions, achieving
Fluids
satisfactory performance of any one product may require
D698 Test Methods for Laboratory Compaction Character-
review by the engineer and modification to provisions con-
istics of Soil Using Standard Effort (12,400 ft-lbf/ft (600
tained herein to meet specific project requirements.
kN-m/m ))
1.2 The scope of this practice necessarily excludes product
D2321 PracticeforUndergroundInstallationofThermoplas-
performance criteria such as compressibility in any plane, flow
tic Pipe for Sewers and Other Gravity-Flow Applications
capacity, inlet capacity, or geotextile selection and use. It is,
D2487 Practice for Classification of Soils for Engineering
therefore, incumbent upon the product manufacturer, specifier,
Purposes (Unified Soil Classification System)
and project engineer to verify that the product specified for an
D3839 Guide for Underground Installation of “Fiberglass”
intended application, when installed according to procedures
(Glass-Fiber Reinforced Thermosetting-Resin) Pipe
outlined in this practice, will provide satisfactory long-term
D4318 Test Methods for Liquid Limit, Plastic Limit, and
performance according to criteria established by the owner for
Plasticity Index of Soils
that application. A commentary of product performance and
D4439 Terminology for Geosynthetics
installation factors important in achieving a satisfactory instal-
D7001 Specification for Geocomposites for Pavement Edge
lation is included in Appendix X1.
Drains and Other High-Flow Applications
1.3 The values stated in SI units are to be regarded as the
F412 Terminology Relating to Plastic Piping Systems
standard. The inch-pound units given in parentheses are for
3. Terminology
information only.
1.4 This standard does not purport to address all of the 3.1 Definitions:
safety concerns, if any, associated with its use. It is the 3.1.1 Definitionsusedinthispracticeareinaccordancewith
responsibility of the user of this standard to establish appro- Terminologies F412, D8, and D653 unless otherwise indicated.
priate safety, health, and environmental practices and deter- 3.2 Definitions:
mine the applicability of regulatory limitations prior to use. 3.2.1 aggregate—a granular material of mineral composi-
tion such as sand, gravel, shell, slag or crushed stone (see
Terminology D8).
This practice is under the jurisdiction of ASTM Committee D35 on Geosyn-
thetics and is the direct responsibility of Subcommittee D35.03 on Permeability and
Filtration. For referenced ASTM standards, visit the ASTM website, www.astm.org, or
Current edition approved May 1, 2022. Published May 2022. Originally contact ASTM Customer Service at service@astm.org. For Annual Book of ASTM
approved in 1997. Last previous edition approved in 2016 as D6088 – 06 (2016). Standards volume information, refer to the standard’s Document Summary page on
DOI: 10.1520/D6088-06R22. the ASTM website.
Copyright © ASTM International, 100 Barr Harbor Drive, PO Box C700, West Conshohocken, PA 19428-2959. United States
D6088 − 06 (2022)
3.2.2 dense-graded aggregate—an aggregate that has a 5. Significance and Use
particle size distribution such that, when it is compacted, the
5.1 Thispracticeisintendedtoprovideinstallationguidance
resulting voids between the aggregate particles, expressed as a
for designers, specifiers, installation contractors, regulatory
percentage of the total space occupied by the material, are
agencies, owners, and inspectors who are involved in the
relatively small.
planning and installation of geocomposite pavement edge-
3.2.3 engineer—the individual in responsible charge of the
drains and underdrains. As with any standard practice, modi-
work or his duly recognized or authorized representative.
fication may be required for specific project conditions or for
special local or regional conditions. Fig. 1 shows the proper
3.2.4 geocomposite, n—a product fabricated from any com-
horizontal alignment of the drain based on various trench
bination of geosynthetics with geotechnical materials or other
conditions outlined in 9.2, and the vertical depth of placement
synthetics which is used in a geotechnical application.
of the drain needed for a geocomposite edge drain to function
3.2.5 geosynthetic, n—a planar product manufactured from
most effectively as both a collector and conduit.
polymeric material used with foundation, soil, rock, earth, or
5.2 Fig. 2 shows the typical type and arrangement of
any other geotechnical engineering related material as an
equipment used to install geocomposite highway edgedrains.
integral part of a man-made project, structure, or system. (See
The combination of these recommended installation
Terminology D4439.)
conditions, techniques, and equipment are critical to the
3.2.6 geotextile, n—any permeable geosynthetic comprised
satisfactory long-term performance of these products.
solely of textiles. (See Terminology D4439.)
3.2.7 manufactured aggregates—aggregates such as slag
6. Inspection, Handling, and Storage
that are products or byproducts of a manufacturing process, or
6.1 Inspection—Upon receipt, inspect each shipment of
natural aggregates that are reduced to their final form by a
pipe, geocomposite, and fittings for conformance to product
manufacturing process such as crushing.
specifications and contract documents, and check for damage.
3.2.8 open-graded aggregate—an aggregate that has a par-
The engineer should reject damaged, deformed, crushed, or
ticlesizedistributionsuchthat,whenitiscompacted,thevoids
nonconforming material and remove from the project.
between the aggregate particles, expressed as a percentage of
6.2 Handling and Storage—Handleandstorethematerialin
the total space occupied by the material, remain relatively
such a way as to prevent damage. Protect all geotextile
large.
materials from sunlight exposure until immediately before
3.2.9 optimum moisture content—The moisture content of
installation.
soil at which its maximum density is obtained (see Test
Methods D698).
7. Backfill Materials
3.2.10 permeability, n—the rate of flow of a liquid under a
7.1 Backfill material selection and placement method
differential pressure through a material.
should be based primarily on achieving adequate compaction
3.2.11 permeability, n—of geotextiles, hydraulic conductiv- without damaging the drainage panel, while also achieving
intimate contact with the trench wall or backfill material, or
ity.
–1
both. Excessive compaction efforts may damage geocomposite
3.2.12 permittivity, (γ), (T ), n—geotextiles, the volumetric
drainage materials and should be avoided. Skid vibratory
flow rate of water per unit cross-sectional area per unit head
compactors that are used in the trench adjacent to the panel can
under laminar flow conditions, in the normal direction through
damage the panel if not properly aligned and operated. Free-
a geotextile. (See Terminology D4439.)
flowing materials, such as pea-sized crushed stone and dry or
3.2.13 processed aggregates—aggregates that are screened,
moist sand is suitable in most cases and should be placed in
washed, mixed, or blended to produce a specific particle size
150 mm (6 in.) lifts. Placement of sand backfill can be done by
distribution.
flushing or puddling, but this should be used only when
3.2.14 standard proctor density—the maximum dry unit approved by the engineer. Post-installation settlement in the
weight of soil compacted at optimum moisture content, as
backfill will occur if the backfill is not properly densified.
obtained by laboratory test in accordance with Test Methods Significant settlement can cause shoulder drop-off settlement
D698.
and other pavement distress problems and structure damage to
the panels. Permeability of the backfill material must also be
4. Summary of Practice
considered; open-graded backfills will promote higher ground
waterflowtothedrainagesystem,willprovidealargersinkfor
4.1 This practice outlines the key installation criteria that
collecting water, and will also provide additional flow area
should be addressed for proper installation and maximum
during maximum rainfall events. Soil migration from adjacent
performance of geocomposite edge or underdrain materials, or
soils (trench walls) must be considered when using open-
both. The engineer should review the specifics of the system.
graded backfills.
Geocomposite drainage materials in this practice are products
meeting Specification D7001. Trench excavation, the depth of 7.2 Classification—Materials for potential use as embed-
drain placement, type of backfill, backfill placement, compac- ment and backfill of various components of subsurface drain-
tion of backfill, product fittings, and equipment used during age systems are classified in Fig. 3. They include natural,
installation are addressed in this practice. manufactured, and processed aggregates and the soil types
D6088 − 06 (2022)
FIG. 1 Typical Type and Arrangement of Drain
classified according to Practice D2487. Processed materials 7.4.1 Class IA Materials—Class IAmaterials provide maxi-
produced for highway construction (including coarse
mum stability and support for a given density due to angular
aggregate, base, subbase, and surface course materials) when interlockofparticles.Withminimumeffort,thesematerialscan
used for embedment and backfill, should be classified in
be installed in relatively high densities over a wide range of
accordance with this section and Fig. 3 according to particle
moisture contents. The high permeability of Class IAmaterials
size, shape, and gradation.
can aid in the performance of these drainage systems.
However, careful consideration must be given to the potential
7.3 Installation and Use—Fig. 4 provides recommendations
for migration of fines from adjacent materials into the open-
on installation and use based on class of soil or aggregates.
graded Class IA materials.
7.3.1 Use of Class III Soils and Aggregates—These materi-
als may be used as recommended in Fig. 4, provided the 7.4.2 Class IB Materials—Class IB materials are processed
permeability of the material is adequate and approved by the by mixing Class IA and natural or processed sands to produce
engineer. a particle size distribution that minimizes migration from
7.3.2 Use of Class IVA, Class IVB and Class V Soils and adjacent materials that contain fines. They are more densely
Frozen Materials—These materials are not recommended for
graded than Class IAmaterials and thus require more compac-
backfill and shall be excluded from the final backfill except
tive effort to achieve the minimum density specified. When
where approved by the engineer.
properly compacted, Class IB materials offer high stiffness and
strength.ClassIBmaterialsmayberelativelyfreedraining,but
7.4 Description of Backfill Material—Paragraphs 7.4.1 –
the amount and gradation of fines must be controlled.
7.4.5 describe characteristics of materials recommended for
backfill. Consideration must be given to the potential for 7.4.3 Class II Materials—Class II materials provide a rela-
migration of fines from adjacent materials into the backfill (see tively high level of structural support. Open-graded groups
Appendix X1). may allow migration and gradations shall be checked for
D6088 − 06 (2022)
NOTE 1—Drain positioning gate should be located and adjusted to position, and hold the geocomposite drain against the trench wall, to prevent possible “J”-ing or “C”-ing of the drain during
backfilling and compaction.
FIG. 2 Proper Horizontal Alignment
D6088 − 06 (2022)
NOTE 1—The Attenberg Limits shown in this figure are determined per Test Methods D4318.
FIG. 3 Classification of Materials for Potential Use as Embedment and Backfill of Various Components of Subsurface Drainage Systems
compatibility with adjacent material. Typically, Class II mate- vide satisfactory levels of structural support once proper
rials consist of rounded particles and are less stable than density is achieved. Fines content should be minimized for
angular materials unless they are confined and compacted. optimum permeability.
7.4.4 Class III Materials—Class III materials provide less 7.4.5 Class IVA Materials—Class IVA materials require a
support for a given density than Class I or Class II materials. geotechnical evaluation prior to use. These materials may not
Higher levels of compactive effort may be required unless be appropriate due to poor permeability or water caused
moisture content is carefully controlled. These materials pro- instability, particularly under wheel loads.
D6088 − 06 (2022)
FIG. 4 Recommendations for Installation and Use of Soils and Aggregrate for Foundation, Embedment, and Backfill
7.5 Moisture Content of Embedment Material—The mois- 8.3 Trench Width—Trench width must be sufficient to pro-
ture content of embedment materials must be within suitable vide adequate space for compaction of the backfill using
limits to permit placement and compaction to required density compaction equipment without damaging the geocomposite
levels with reasonable effort. drainage panel. Specially designed equipment or premium
backfill material (such as IA,
...




Questions, Comments and Discussion
Ask us and Technical Secretary will try to provide an answer. You can facilitate discussion about the standard in here.
Loading comments...