ISO 45:1990
(Main)Aircraft — Pressure refuelling connections
Aircraft — Pressure refuelling connections
Specifies the basic dimensions and access clearance. The basic dimensions shall be as specified in figure 1. The clearance allowed around the connector shall be in accordance with figure 2.
Aéronefs — Raccords de remplissage sous pression en combustible
General Information
- Status
- Published
- Publication Date
- 05-Dec-1990
- Technical Committee
- ISO/TC 20/SC 9 - Air cargo and ground equipment
- Drafting Committee
- ISO/TC 20/SC 9 - Air cargo and ground equipment
- Current Stage
- 9093 - International Standard confirmed
- Start Date
- 05-Sep-2024
- Completion Date
- 14-Feb-2026
Relations
- Effective Date
- 15-Apr-2008
Overview
ISO 45:1990 - Aircraft - Pressure refuelling connections - defines the mechanical interface for aircraft pressure refuelling connectors. The standard specifies the basic dimensions of the connector and the required access clearance around it so that hose units, bayonet lugs and refuelling equipment are interchangeable and operable in typical ground- and flight-line conditions.
Keywords: ISO 45:1990, aircraft pressure refuelling connections, refuelling connectors, dimensions, access clearance, aviation fuel handling.
Key topics and technical requirements
- Basic dimensions: The standard sets the connector geometry (referenced as figure 1 and table 1 in the document) to ensure consistent fit between aircraft inlets and refuelling hose assemblies. Example nominal values included in the standard are diameter A = 57.2 mm (2.25 in).
- Bayonet lug arrangement: Connectors use three bayonet lugs and corresponding slots, spaced so each lug centreline is 60° ± 2° from adjacent slot centrelines to ensure reliable mechanical engagement.
- Valve face and travel: The valve face must be flat within the specified diameter and no part of the valve may extend below this face. The valve is spring-loaded; the document specifies valve travel and a maximum load - e.g., 36.52 mm (1.438 in) travel with loading not to exceed 222 N (50 lbf) at that travel.
- Mounting orientation notes: When fitted on an overhead horizontal surface (for example under a wing), one bayonet lug must be centrally located towards the normal approach of the operator. For other mountings, one lug should be at the lowest point of the connection.
- Access clearance and side-by-side installation: Clearance around the connector is defined (see figure 2). The standard also provides minimum centre spacing for side-by-side installations - permitting 355.6 mm (14 in) centres where required - and assumes a hose of 76.2 mm (3 in) outside diameter with a minimum bend radius of 304.8 mm (12 in).
Applications and users
ISO 45:1990 is used to ensure mechanical compatibility, safety and ease of operation for pressure refuelling across the aviation industry:
- Aircraft manufacturers (OEMs) designing refuelling inlets
- Ground-support and refuelling equipment manufacturers (nozzles, couplings, hoses)
- Airport fuel service operators and maintenance engineers
- Regulators and certification authorities concerned with fuel handling and ground operations
Related standards
- Standards and specifications from ISO technical committee ISO/TC 20 (Aircraft and space vehicles) and national aviation fuel-handling regulations complement ISO 45:1990. Use this standard together with applicable national/regulatory fuel-safety requirements and airworthiness guidance for full compliance.
This standard promotes interoperability, operator safety and predictable installation layout for pressure refuelling systems in aviation.
Buy Documents
ISO 45:1990 - Aircraft -- Pressure refuelling connections
ISO 45:1990 - Aéronefs -- Raccords de remplissage sous pression en combustible
ISO 45:1990 - Aéronefs -- Raccords de remplissage sous pression en combustible
Get Certified
Connect with accredited certification bodies for this standard

DEKRA North America
DEKRA certification services in North America.
Eagle Registrations Inc.
American certification body for aerospace and defense.

Element Materials Technology
Materials testing and product certification.
Sponsored listings
Frequently Asked Questions
ISO 45:1990 is a standard published by the International Organization for Standardization (ISO). Its full title is "Aircraft — Pressure refuelling connections". This standard covers: Specifies the basic dimensions and access clearance. The basic dimensions shall be as specified in figure 1. The clearance allowed around the connector shall be in accordance with figure 2.
Specifies the basic dimensions and access clearance. The basic dimensions shall be as specified in figure 1. The clearance allowed around the connector shall be in accordance with figure 2.
ISO 45:1990 is classified under the following ICS (International Classification for Standards) categories: 49.050 - Aerospace engines and propulsion systems; 49.080 - Aerospace fluid systems and components; 49.100 - Ground service and maintenance equipment. The ICS classification helps identify the subject area and facilitates finding related standards.
ISO 45:1990 has the following relationships with other standards: It is inter standard links to ISO 45:1980. Understanding these relationships helps ensure you are using the most current and applicable version of the standard.
ISO 45:1990 is available in PDF format for immediate download after purchase. The document can be added to your cart and obtained through the secure checkout process. Digital delivery ensures instant access to the complete standard document.
Standards Content (Sample)
INTERNATIONAL
STANDARD
Second edition
1990-12-01
Pressure refuelling connections
Aircraft -
Akronefs - Raccor-ds de remplissage sous pression en combustible
--
-------
-----.-- - _-.--- -e-.-------- -----em--. ----
Reference number
IS0 45: 1990(E)
IS0 45:1990(E)
Foreword
IS0 (the International Organization for Standardization) is a worldwide
federation of national standards bodies (IS0 member bodies). The work
of preparing International Standards is normally carried out through IS0
technical committees. Each member body interested in a subject for
which a technical committee has been established has the right to be
represented on that committee. International organizations, govern-
mental and non-governmental, in liaison with ISO, also take part in the
work. IS0 collaborates closely with the International Electrotechnical
Commission (IEC) on all matters of electrotechnical standardization.
Draft International Standards adopted by the technical committees are
circulated to the member bodies for voting. Publication as an Interna-
tional Standard requires approval by at least 75 % of the member bodies
casting a vote.
International Standard IS0 45 was prepared by Technical Committee
ISO/TC 20, Aircraft and space vehicles.
This second edition cancels and replaces the first edition
(IS0 45:1980), of which it constitutes a minor revision.
0 IS0 1990
All rights reserved. No part of this publication may be reproduced or utilized in any form
or by any means, electronic or mechanical, including photocopying and microfilm, without
permission in writing from the publisher.
International Organization for Standardization
Case Postale 56 l Cl-l-121 1 Gen&e 20 * Switzerland
Printed in Switzerland
ii
IS0 45:1990(E)
INTERNATIONAL STANDARD
Aircraft - Pressure refuelling connections
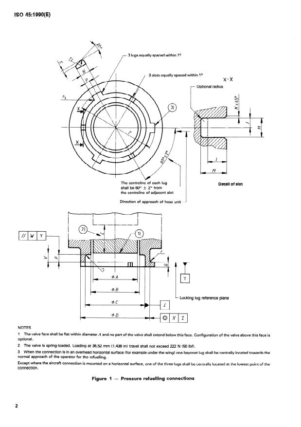
1 Scope
This International Standard specifies the basic dimensions and access clearance for aircraft pressure refuelling
connections.
2 Requirements
2.1 Basic dimensions
The basic dimensions for aircraft pressure refuelling connections shall be in accordance with those shown in
.
figure 1 and given in table 1.
2.2 Access clearance
The clearance allowed around the connector shall be in accordance with figure2.
IS0 45:1990(E)
3 lugs equally spaced within 1 O
3 slots equally spaced within 1 O
Optional radius
The centreline of each lug
Detail of slot
-I
shall be 60° f 2O from
the centreline of adjacent slot
J
Direction of approach of hose unit
- Locking lug reference plane
z
--cl
J--plx~z~
NOTES
1 The v
...
NORME
INTERNATIONALE
Deuxième édition
1990-l 2-01
Aéronefs - Raccords de remplissage sous
pression en combustible
Aircraft - Pressure refuellinq connections
w
Numéro de référence
ISO 45: 1990(F)
Avant-propos
L’ISO (Organisation internationale de normalisation) est une fédération
mondiale d’organismes nationaux de normalisation (comités membres
de I’ISO). L’élaboration des Normes internationales est en général
confiée aux comités techniques de I’ISO. Chaque comité membre inté-
ressé par une étude a le droit de faire partie du comité technique créé
à cet effet. Les organisations internationales, gouvernementales et non
gouvernementales, en liaison avec I’ISO participent également aux tra-
vaux. L’ISO collabore étroitement avec la Commission électrotechnique
internationale (CEI) en ce qui concerne la normalisation électrotech-
nique.
Les projets de Normes internationales adoptés par les comités techni-
ques sont soumis aux comités membres pour vote. Leur publication
comme Normes internationales requiert l’approbation de 75 O/o au moins
des comités membres votants.
La Norme internationale ISO 45 a été élaborée par le -comité technique
iSO/TC 20, Aéronautique et espace.
Cette deuxième édition annule et remplace la première édition
(ISO 45:1980), dont elle constitue une révision technique.
0 ISO 1990
Droits de reproduction réservés. Aucune partie de cette publication ne peut être repro-
duite ni utilisée sous quelque forme que ce soit et par aucun procédé, électronique ou
mécanique, y compris la photocopie et les microfilms, sans l’accord écrit de l’éditeur.
Organisation inter nationale de normalisation
Case Postale 56 * CH-1211 Genéve 20 l Suisse
Imprimé en Suisse
ii
- Raccords de remplissage sows pression en
Aéronefs
combustible
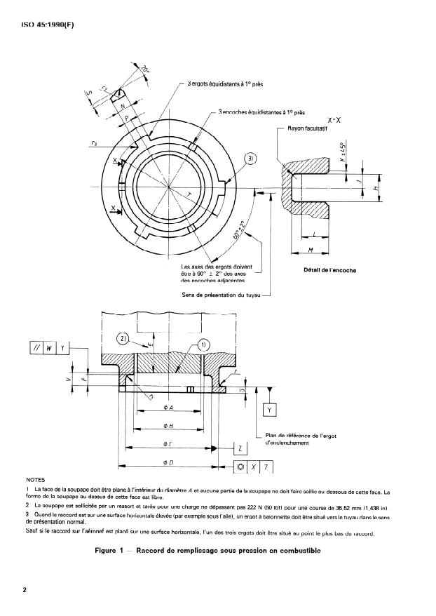
1 Domaine d’application
La présente Norme internationale prescrit les dimensions de base et l’espace d’accès pour les raccords de
remplissage sous pression en combustible à bord des aéronefs.
2 Spécifications
2.1 Dimensions de base
Les dimensions de base pour les raccords de remplissage sous pression en combustible à bord des aéronefs
doivent être conformes aux dimensions indiquées à la figure 1 et données dans le tableau 1.
2.2 Espace d’accès
L’espace permis autour du raccord doit être conforme à la figure 2.
3 ergots équidistants à 1 O prés
encoches équidistantes à 1 O prés
x-x
Rayon facultatif
r
m I
I
3)
P
L
M
“1
I
v
Les axes des ergots doivent
D6tail de l’encoche
i
être à 60° + 2O des axes
des encoches adjacentes
Sens de présentation du tuyau -
Plan de refér
...
NORME
INTERNATIONALE
Deuxième édition
1990-l 2-01
Aéronefs - Raccords de remplissage sous
pression en combustible
Aircraft - Pressure refuellinq connections
w
Numéro de référence
ISO 45: 1990(F)
Avant-propos
L’ISO (Organisation internationale de normalisation) est une fédération
mondiale d’organismes nationaux de normalisation (comités membres
de I’ISO). L’élaboration des Normes internationales est en général
confiée aux comités techniques de I’ISO. Chaque comité membre inté-
ressé par une étude a le droit de faire partie du comité technique créé
à cet effet. Les organisations internationales, gouvernementales et non
gouvernementales, en liaison avec I’ISO participent également aux tra-
vaux. L’ISO collabore étroitement avec la Commission électrotechnique
internationale (CEI) en ce qui concerne la normalisation électrotech-
nique.
Les projets de Normes internationales adoptés par les comités techni-
ques sont soumis aux comités membres pour vote. Leur publication
comme Normes internationales requiert l’approbation de 75 O/o au moins
des comités membres votants.
La Norme internationale ISO 45 a été élaborée par le -comité technique
iSO/TC 20, Aéronautique et espace.
Cette deuxième édition annule et remplace la première édition
(ISO 45:1980), dont elle constitue une révision technique.
0 ISO 1990
Droits de reproduction réservés. Aucune partie de cette publication ne peut être repro-
duite ni utilisée sous quelque forme que ce soit et par aucun procédé, électronique ou
mécanique, y compris la photocopie et les microfilms, sans l’accord écrit de l’éditeur.
Organisation inter nationale de normalisation
Case Postale 56 * CH-1211 Genéve 20 l Suisse
Imprimé en Suisse
ii
- Raccords de remplissage sows pression en
Aéronefs
combustible
1 Domaine d’application
La présente Norme internationale prescrit les dimensions de base et l’espace d’accès pour les raccords de
remplissage sous pression en combustible à bord des aéronefs.
2 Spécifications
2.1 Dimensions de base
Les dimensions de base pour les raccords de remplissage sous pression en combustible à bord des aéronefs
doivent être conformes aux dimensions indiquées à la figure 1 et données dans le tableau 1.
2.2 Espace d’accès
L’espace permis autour du raccord doit être conforme à la figure 2.
3 ergots équidistants à 1 O prés
encoches équidistantes à 1 O prés
x-x
Rayon facultatif
r
m I
I
3)
P
L
M
“1
I
v
Les axes des ergots doivent
D6tail de l’encoche
i
être à 60° + 2O des axes
des encoches adjacentes
Sens de présentation du tuyau -
Plan de refér
...












Questions, Comments and Discussion
Ask us and Technical Secretary will try to provide an answer. You can facilitate discussion about the standard in here.
Loading comments...