ISO 45:1980
(Main)Aircraft — Pressure refuelling connections
Aircraft — Pressure refuelling connections
Aéronefs — Raccords de remplissage sous pression en combustible à bord des aéronefs
General Information
- Status
- Withdrawn
- Publication Date
- 30-Apr-1980
- Withdrawal Date
- 30-Apr-1980
- Technical Committee
- ISO/TC 20/SC 10 - Aerospace fluid systems and components
- Drafting Committee
- ISO/TC 20/SC 10 - Aerospace fluid systems and components
- Current Stage
- 9599 - Withdrawal of International Standard
- Start Date
- 01-Dec-1990
- Completion Date
- 14-Feb-2026
Relations
- Effective Date
- 15-Apr-2008
Get Certified
Connect with accredited certification bodies for this standard

DEKRA North America
DEKRA certification services in North America.
Eagle Registrations Inc.
American certification body for aerospace and defense.

Element Materials Technology
Materials testing and product certification.
Sponsored listings
Frequently Asked Questions
ISO 45:1980 is a standard published by the International Organization for Standardization (ISO). Its full title is "Aircraft — Pressure refuelling connections". This standard covers: Aircraft — Pressure refuelling connections
Aircraft — Pressure refuelling connections
ISO 45:1980 is classified under the following ICS (International Classification for Standards) categories: 49.050 - Aerospace engines and propulsion systems; 49.100 - Ground service and maintenance equipment. The ICS classification helps identify the subject area and facilitates finding related standards.
ISO 45:1980 has the following relationships with other standards: It is inter standard links to ISO 45:1990. Understanding these relationships helps ensure you are using the most current and applicable version of the standard.
ISO 45:1980 is available in PDF format for immediate download after purchase. The document can be added to your cart and obtained through the secure checkout process. Digital delivery ensures instant access to the complete standard document.
Standards Content (Sample)
International Standard @
INTERNATIONAL ORGANIZATION FOR STANDARDIZATION*MEXPYHAPOLlHAR OPrAHM3AUMR fl0 CTAHPAPTM3AUMM*ORGANlSATlON INTERNATIONALE DE NORMALISATION
Aircraft - Pressure refuelling connections
~
-
Aéronefs - Raccords de remplissage sous pression en combustible à bord des aéronefs
First edition - 1980-05-01
UDC 629.7.063.6 : 621 .W.415 Ref. No. IS0 45-1980 (E)
I
w
Descriptors : aircraft, refuelling, filling devices, pipe fittings, dimensions, dimensional tolerances
Price based on 4 payes
Foreword
IS0 (the International Organization for Standardization) is a worldwide federation of
national standards institutes (IS0 member bodies). The work of developing Inter-
national Standards is carried out through IS0 technical committees. Every member
body interested in a subject for which a technical committee has been set up has the
right to be represented on that committee. International organizations, governmental
and non-governmental, in liaison with ISO, also take part in the work.
Draft International Standards adopted by the technical committees are circulated to
the member bodies for approval before their acceptance as International Standards by
the IS0 Council.
International Standard IS0 45 was developed by Technical Committee ISOiTC 20,
Aircraft and space vehicles, and was circulated to the member bodies in December
1978.
It has been approved by the member bodies of the following countries :
Austria Ireland R orna nia
Belgium Italy South Africa, Rep. of
Canada Japan Spain
Chile Korea, Rep. of Turkey
Czechoslovakia Netherlands USA
France Poland USSR
Germany, F. R.
The member body of the following country expressed disapproval of the document on
technical grounds :
United Kingdom
This International Standard cancels and replaces IS0 Recommendation R 45-1957, of
which it constitutes a technical revision.
O International Organization for Standardization, 1980 O
Printed in Switzerland
INTERNATIONAL STANDARD IS0 45-1980 (E)
Aircraft - Pressure refuelling connections
(Revision of ISOIR 45-1957)
1 Scope and field of application 3 Requirements
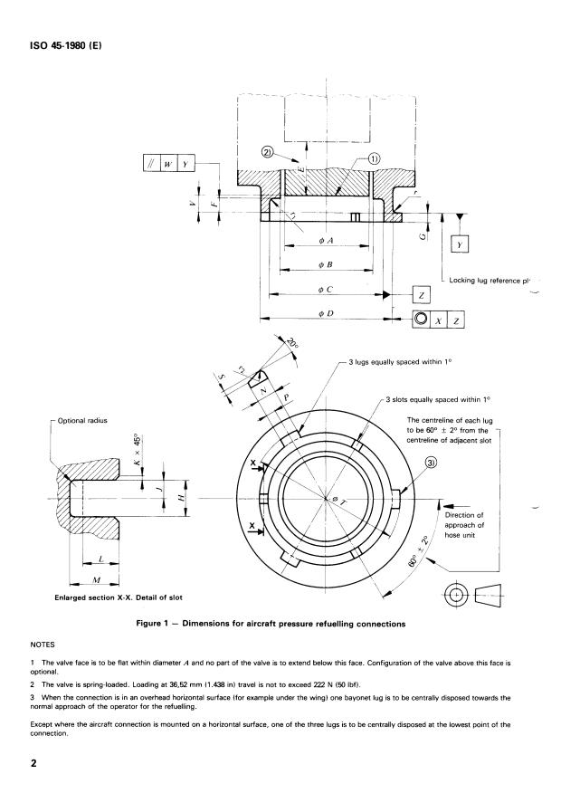
This International Standard specifies the basic dimensions and
3.1 Basic dimensions
access clearance for aircraft pressure refuelling connections.
The basic dimensions for aircraft pressure refuelling connec-
tions shall be as specified in figure 1,
2 Reference
3.2 Access clearance
ISOIR 1101/1, Technical drawings - Tolerances of form and
- Part 1 : Generalities, symbols, indications on draw- The clearance allowed around the connector
...
Norme internationale @
INTERNATIONAL ORGANIZATION FOR STANDARDIZATION*ME)KAKnYHAPO~HAR OPrAHM3AUMR no CTAHnAPTM3AUMM.ORGANlSATlON INTERNATIONALE DE NORMALISATION
Aéronefs - Raccords de remplissage sous pression en
i
combustible à bord des aéronefs
Aircraft - Pressure refuelling connections
Première édition - 1980-05-01
CDU 629.7.063.6 : 621.643.415
Réf. no : IS0 45-1980 (FI
Descripteurs : aéronef, ravitaillement en combustible, dispositif de remplissage, raccord de tuyauterie, dimension, tolérance de dimension
Prix basé sur 4 pages
Avant-propos
L'ISO (Organisation internationale de normalisation) est une fédération mondiale
d'organismes nationaux de normalisation (comités membres de I'ISO). L'élaboration
des Normes internationales est confiée aux comités techniques de I'ISO. Chaque
comité membre intéressé par une étude a le droit de faire partie du comité technique
correspondant. Les organisations internationales, gouvernementales et non gouverne-
mentales, en !iaison avec I'ISO, participent également aux travaux.
Les projets de Normes internationales adoptés par les comités techniques sont soumis
aux comités membres pour approbation, avant leur acceptation comme Normes inter-
nationales par le Conseil de I'ISO.
La Norme internationale IS0 45 a été élaborée par le comité technique ISO/TC 20,
Abronautique et espace, et a été soumise aux comités membres en décembre 1978.
Les comités membres des pays suivants l'ont approuvée :
Afrique du Sud, Rép. d' Espagne Pologne
Allemagne, R. F. France Roumanie
Autriche Irlande Tchécoslovaquie
Belgique Italie Turquie
Canada Japon URSS
Chili Pays-Bas USA
Corée, Rép. de
Le comité membre du pays suivant l'a désapprouvée pour des raisons techniques :
Royaume-Uni
Cette Norme internationale annule et remplace la Recommandation ISO/R 45.1957,
dont elle constitue une revision technique.
0 Organisation internationale de normalisation, 1980 O
Imprimé en Suisse
NORME INTERNATIONALE IS0 45-1980 (F)
Aéronefs - Raccords de remplissage sous pression en
combustible à bord des aéronefs
(Révision de I’ISO/R 45-1957)
3 Spécifications
1 Objet et domaine d’application
La présente Norme internationale spécifie les dimensions de
3.1 Dimensions de base
base et l‘espace d’accès pour les raccords de remplissage sous
pression en combustible à bord des aéronefs.
Les dimensions de base pour les raccords de remplissage sous
pression à bord des aéronefs doivent être conformes à la
figure 1.
2 Référence
3.2 Espace d’accès
ISOIR 110111, Dessins techniques - Tolérances de forme et
tolérances de position - Partie 1 : Généralités, symboles, indi- L‘espace permis autour du raccord doit être conforme à la
cations sur les dessins. figure 2.
...








Questions, Comments and Discussion
Ask us and Technical Secretary will try to provide an answer. You can facilitate discussion about the standard in here.
Loading comments...