ISO 4147:1982
(Main)Title missing - Legacy paper document
Title missing - Legacy paper document
General Information
- Status
- Withdrawn
- Publication Date
- 31-Dec-1981
- Technical Committee
- ISO/TMBG - Technical Management Board - groups
- Drafting Committee
- ISO/TMBG - Technical Management Board - groups
- Current Stage
- 9599 - Withdrawal of International Standard
- Start Date
- 01-Jan-1987
- Completion Date
- 14-Feb-2026
Relations
- Consolidated By
ISO 14324:2003 - Resistance spot welding — Destructive tests of welds — Method for the fatigue testing of spot welded joints - Effective Date
- 28-Feb-2023
Frequently Asked Questions
ISO 4147:1982 is a standard published by the International Organization for Standardization (ISO). Its full title is "Title missing - Legacy paper document". This standard covers: Title missing - Legacy paper document
Title missing - Legacy paper document
ISO 4147:1982 has the following relationships with other standards: It is inter standard links to ISO 14324:2003. Understanding these relationships helps ensure you are using the most current and applicable version of the standard.
ISO 4147:1982 is available in PDF format for immediate download after purchase. The document can be added to your cart and obtained through the secure checkout process. Digital delivery ensures instant access to the complete standard document.
Standards Content (Sample)
International Standard @ 4147
~~~~~
INTERNATIONAL ORGANIZATION FOR STANDARDIZATION*MEW.AYHAPOnHAR OPTAHH3AUHR no CTAH/lAPTH3AUMH.ORGANlSATlON INTERNATIONALE DE NORMALISATION
Metric fasteners for aerospace construction - Hexagon
slotted (castellated) nuts - Strength classification
1 300 MPa - Maximum operating temperature 235 OC
Béments de fixation métriques pour les constructions aérospatiales - Ecrous hexagonaux, à créneaux - Classe de résistance
1 100 MPa - Température maximale d'utilisation 235 OC
First edition - 1982-11-15
UDC 621.882.31 : 629.7 Ref. No. IS0 4147-1982 (E)
-
N
Descriptors : aircraft industry, fasteners, nuts (fasteners), hexagonal nuts, castle nuts, specifications, dimensions.
P
G
Price based on 3 pages
!?
i
1 Foreword
IS0 (the International Organization for Standardization) is a worldwide federation of
national standards institutes (IS0 member bodies). The work of developing Inter-
national Standards is carried out through IS0 technical committees. Every member
body interested in a subject for which a technical committee has been set up has the
right to be represented on that committee. International organizations, governmental
and non-governmental, in liaison with ISO, also take part in the work.
Draft International Standards adopted by the technical committees are circulated to
the member bodies for approval before their acceptance as International Standards by
I the IS0 Council.
IS0 4147 was developed by Technical Committee ISO/TC 20,
International Standard
Aircraft and space vehicles, and was circulated to the member bodies in March 1981.
It has been approved by the member bodies of the following countries :
Austria France Spain
Belgium Germany, F.R. Sweden
Brazil Korea, Rep. of United Kingdom
Canada Netherlands USA
Czechoslovakia Romania
Egypt, Arab Rep. of South Africa, Rep. of
The member bodies of the following countries expressed disapproval of the document
on technical grounds :
Italy
USSR
O International Organization for Standardization, 1982 O
Printed in Switzerland
INTERNATIONAL STANDARD IS0 4147-1982 (E)
Metric fasteners for aerospace construction - Hexagon
slotted (castellated) nuts - Strength classification
I 100 MPa - Maximum operating temperature 235 OC
IS0 585511, Aerospace construction - MJ threads - Part 1 :
O Introduction
Basic profile.
This International Standard is confined to those dimensional
IS0 585512, Aerospace construction - MJ threads - Part 2 :
characteristics accepted to date. Sub-clauses 4.5, 4.6 and 4.7
Dimensions for bolts and nuts.
will be completed when the relevant International Standards
become available. Sub-clauses relating to "Designation" and
"Marking" will be added later.
4 Required characteristics
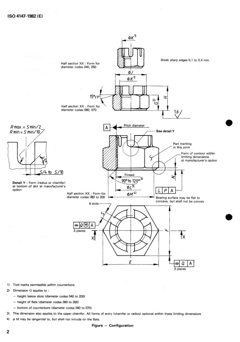
4.1 Configuration
1 Scope
This International Standard specifies requirements for hexagon
Configuration shall be in accordance with the figure, which is
nuts with the upper portion slotted to receive a split pin.
presented in conformity with IS0 128.
2 Field of application 4.2 Dimensions
These nuts are intended for use in air
...
Norme internationale @ 4147
INTFRNATlnNAI
ORGANIZATION FOR STANDARDIZATlONOME~YHAPOilHAR OPrAHMBAUMR fl0 CTAHllAPTM3AUMMOORGANlSATlON INTERNATIONALE DE NORMALISATION
I
Éléments de fixation métriques pour les constructions
e
aérospatiales - Écrous hexagonaux, à créneaux - Classe
de résistance 1100 MPa - Température maximale
d'utilisation 235 OC
Metric fasteners for aerospace construction - Hexagon slotted (castellated) nuts - Strength classification 1 100 MPa -
Maximum operating temperature 235 OC
Première édition - 1982-11-15
G CDU 621.882.31 : 629.7 Réf. no : IS0 4147-1982 (FI
-
N
Descripteurs : industrie aéronautique, élément de fixation, écrou, écrou hexagonal, écrou crénelé, spécification, dimension.
P
d:
Prix basé sur 3 pages
Avant-propos
L’ISO (Organisation internationale de normalisation) est une fédération mondiale
d’organismes nationaux de normalisation (comités membres de I‘ISOI. L’élaboration
des Normes internationales est confiée aux comités techniques de 1‘60. Chaque
comité membre intéressé par une étude a le droit de faire partie du comité technique
correspondant. Les organisations internationales, gouvernementales et non gouverne-
mentales, en liaison avec 1’60, participent également aux travaux.
Les projets de Normes internationales adoptés par les comités techniques sont soumis
aux comités membres pour approbation, avant leur acceptation comme Normes inter-
nationales par le Conseil de I‘ISO.
La Norme internationale IS0 4147 a été élaborée par le comité technique ISO/TC 20,
Aéronautique et espace, et a été soumise aux comités en mars 1981.
Les comités membres des pays suivants l‘ont approuvée
Afrique du Sud, Rép. d’ Corée, Rép. de Royaume-Uni
R.F. Égypte, Rép. arabe d’ Suède
Allemagne,
Autriche
Espagne Tchécoslovaquie
Be I g i q u e
France USA
Brésil
Pays-Bas
Canada
Roumanie
Les comités membres des pays suivants l’ont désapprouvée pour des raisons
techniques :
Italie
URSS
0 Organisation internationale de normalisation, 1982 0
imprimé en Suisse
NORME INTERNATIONALE IS0 4147-1982 (F)
Éléments de fixation métriques pour les constructions
aérospatiales - Écrous hexagonaux, à créneaux - Classe
de résistance 1 I00 MPa - Température maximale
d'utilisation 235 OC
O Introduction IS0 1302, Dessins techniques - Indication des états de sur-
face sur les dessins.
La présente Norme internationale se limite aux caractéristiques
IS0 2692, Dessins techniques - Tolérancement géométri-
dimensionnelles acceptées jusqu'à ce jour. Les paragraphes
que - Principe du maximum de matière. 2)
4.5, 4.6 et 4.7 seront complétés lorsque les Normes internatio-
nales les concernant seront disponibles. Les chapitres (( Déno-
IS0 585511. Constructions aérospatiales - Filetage MJ -
mination et codification )) et ((Marquage)) seront introduits ulté-
Partie 1 : Profil de base.
rieurement.
IS0 585512, Constructions aérospatiales - Filetage MJ -
Partie 2 : Dimensions pour vis et écrous.
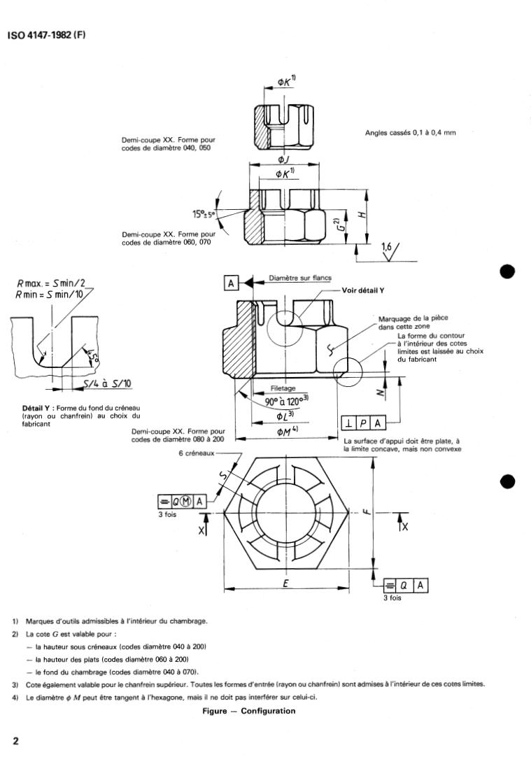
1 Objet
La présente Norme internationale spécifie les caractéristiques
4 Caractéristiques requises
des écrous hexagonaux, dont la partie supérieure est crénelée
pour permettre le passage d'une goupille fendue.
...








Questions, Comments and Discussion
Ask us and Technical Secretary will try to provide an answer. You can facilitate discussion about the standard in here.
Loading comments...