ISO 3647:1976
(Main)Cinematography — Spindles for 16 mm motion-picture camera spools and projector reels — Dimensions
Cinematography — Spindles for 16 mm motion-picture camera spools and projector reels — Dimensions
This International Standard specifies the dimensions and characteristics of 16 mm Camera and projector reel spindles.
Cinématographie — Axes pour bobines de caméra et de projecteur 16 mm — Dimensions
La présente Norme Internationale spécifie les dimensions et les caractéristiques des axes pour bobines de caméras et de projecteurs 16 mm.
General Information
- Status
- Published
- Publication Date
- 30-Apr-1976
- Technical Committee
- ISO/TC 36 - Cinematography
- Drafting Committee
- ISO/TC 36 - Cinematography
- Current Stage
- 9093 - International Standard confirmed
- Start Date
- 10-Jul-2023
- Completion Date
- 14-Feb-2026
Overview
ISO 3647:1976 is an International Standard developed by ISO Technical Committee ISO/TC 36, focused on cinematography. This standard specifies the precise dimensions and characteristics of spindles used for 16 mm motion-picture camera spools and projector reels. Established in 1976, its purpose is to ensure compatibility and interchangeability between various manufacturers' 16 mm camera and projector components worldwide. The spindle dimensions detailed in ISO 3647 optimize film handling, spool stability, and reel alignment in motion-picture equipment.
Key Topics
Spindle Dimensions:
- Defines minimum and maximum measurements for spindle shafts used in 16 mm cameras and projectors.
- Includes critical parameters such as diameters, square shaft portions, and edge radii.
Functional Zones:
- Specifies particular shaft zones (dimensions Q, R, S, T) that support spools or reels to ensure snug fitment and prevent spool tilt or noise.
Design Considerations:
- Recommends rounded edges on the square portion of spindles to assist ease of reel positioning.
- Allows flexibility for locking mechanisms outside spool-supporting areas.
- Dimensions correlate with complementary standards ISO 1019 (16 mm camera spools) and ISO 1793 (16 mm projector reels).
Interchangeability:
- Enables worldwide standardized manufacturing to ensure spindles and spools from different sources fit reliably.
- Facilitates maintenance, replacement, and upgrading of filming equipment without compatibility issues.
Applications
Motion-Picture Cameras:
- Standardized spindles allow consistent spool loading and film transport in 16 mm motion-picture camera systems.
Film Projectors:
- Ensures projector reels properly secure 16 mm film spools, aiding smooth playback with minimal film vibration or noise.
Film Processing Equipment:
- Utilized in automated and manual film handling devices where consistent spindle dimensions are critical.
Film Archiving and Restoration:
- Compatibility with original equipment and modern devices helps preserve and project historical 16 mm films.
Related Standards
ISO 1019:
- Defines spool types and dimensions for 16 mm motion-picture cameras, complementing spindle specifications.
ISO 1793:
- Covers reel specifications for 16 mm motion-picture projectors, working alongside spindle dimension standards to ensure total system compatibility.
Additional Cinematography Standards:
- Various ISO standards provide guidelines on film formats, handling, and equipment design, creating a comprehensive framework supporting consistent film production and exhibition.
By adhering to ISO 3647:1976, manufacturers and professionals in the cinematography industry benefit from a unified dimensional standard that promotes reliability, quality, and interoperability in 16 mm motion-picture equipment. This standard remains fundamental for anyone involved in the design, manufacture, or use of camera spools and projector reels, supporting the global motion-picture community with tried-and-tested engineering precision.
Buy Documents
ISO 3647:1976 - Cinematography -- Spindles for 16 mm motion-picture camera spools and projector reels -- Dimensions
ISO 3647:1976 - Cinématographie -- Axes pour bobines de caméra et de projecteur 16 mm -- Dimensions
ISO 3647:1976 - Cinématographie -- Axes pour bobines de caméra et de projecteur 16 mm -- Dimensions
Frequently Asked Questions
ISO 3647:1976 is a standard published by the International Organization for Standardization (ISO). Its full title is "Cinematography — Spindles for 16 mm motion-picture camera spools and projector reels — Dimensions". This standard covers: This International Standard specifies the dimensions and characteristics of 16 mm Camera and projector reel spindles.
This International Standard specifies the dimensions and characteristics of 16 mm Camera and projector reel spindles.
ISO 3647:1976 is classified under the following ICS (International Classification for Standards) categories: 37.060.10 - Motion picture equipment. The ICS classification helps identify the subject area and facilitates finding related standards.
ISO 3647:1976 is available in PDF format for immediate download after purchase. The document can be added to your cart and obtained through the secure checkout process. Digital delivery ensures instant access to the complete standard document.
Standards Content (Sample)
INTERNATIONAL S
INTERNATIONAL ORGANIZATION FOR STANDARDIZATION l MEXi2YHAPOJHAII OPI-AHM3AUMR I-IO Cl-AHLIAPTM3AUMW~ORGANISATION INTERNATIONALE DE NORMALISATION
Cinematography - Spindles for 16 mm motion-picture
Camera spools and projector reels - Dimensions
Cinema tographie - Axes pour bobines de Camera et de projecteur 16 mm - Dimensions
First edition - 1976-05-01
UDC 771.531.352 : 778.533 Red. Mo. ISO 3647-1976 (IE)
Descriptors :
cinematography, motion-picture cameras, motion-picture projectors, motion-picture film-l 6 mm, bobbins, spindies, dimen-
sions-
Price based on 3 pages
lSO (the International Organization for Standardization) is a worldwide federation
of national Standards institutes (ISO Member Bodies). The work sf developing
International Standards is carried out through ISO Technical Committee. Every
idlember Body interested in a subject for which a Technical Committee has been set
up has the right to be represented on that Committee. International organizations,
gowernmental and non-governmental, in liaison with ISO, also take part in the work.
Draft International Standards adopted by the Technical Committees are circulated
to the Member Bodies for approval before their acceptance as International
tandards by the ISO Council.
International Standard ISO 3647 was drawn up by Technical Committee
ISO/TC 36, Cinematography, and circulated to the Member Bodies in March 1975.
It has been approved by the Member Bodies sf the following countries :
Austria
Italy Switzerland
Belgium Japan
Turkey
Canada Netherlands United Kingdom
Czechoslowakia Poland
U.S.A.
Denmark Romania U.S.S. R.
France South Africa, Rep. of Yugoslavia
Germany Spain
lndia Sweden
No Member Body expressed disapproval of the document.
0 International Organkation for Standardkation, 1976 l
Printed in Switzerland
INTERNATIONAL STANDARD ISO 36474976 (E)
Cinematography - Spindles for 16 mm motion-picture
Camera spools and projector reels - Dimensions
ISO 1793, Cinematography - Reels for 16 mm motion-
1 SCOPE AND FIELD OF APPLICATION
picture projectors (up to and including 120 m capacity :
This International Standard specifies the dimensions and
78 cm size) - Dimensions.
characteristics of 16 mm Camera and projector reel spindles.
3 DIMENSIONS
2 REFERENCES
- Spools, da ylight loading The dimensions shall be as shown in the figure and given
ISO 1019, Cinematography
in the table.
type for 16 mm motion-picture cameras - Dimensions.
0 3647-1976 (E)
- See note 2
FIGURE - 16 mm Camera and projector spindles
TABLE - Dimensions
Camera spindles Projector spindles
Dimension minimum max mum minimum maximum
I
mm in mm in
0.315 0.310””
1 C” (sec note 1) 8,00 7,87*‘”
- -
0,25 0.010
\ E (see A-1)
; iG”
...
NORME INTEMATIONALE
INTERNATIONAL ()RGANlfATION F()R STANDARDIZATION .ME&JyHAPOaHAfi OPrAHM3ALWifl i-l0 CTAHLIAPTM3AUMM .ORGANISATION INTERNATIONALE DE NORMALISATION
Cinématographie -
Axes pour bobines de caméra et de
projecteur 16 mm - Dimensions
Cinema tograph y - Spindles for 16 mm mo tion-picture camera spools and projector reels - Dimensions
Première édition - 1976-05-01
L
CDU 771.531.352 : 778.533
Réf. no : ISO 3647-1976 (F)
g
n
Descripteurs : cinématographie, caméra, projecteur cinématographique,
film cinématographique 16 mm, bobine, broche tournante, dimen-
sion.
Prix basé sur 3 pages
AVANT-PROPOS
L’ISO (Organisation Internationale de Normalisation) est une fédération mondiale
d’organismes nationaux de normalisation (Comités Membres ISO). L’élaboration
des Normes Internationales est confiée aux Comités Techniques ISO. Chaque
Comité Membre intéressé par une étude a le droit de faire partie du Comité
Technique correspondant. Les organisations internationales, gouvernementales et
non gouvernementales, en laison avec I’ISO, participent également aux travaux.
Les Projets de Normes Internationales adoptés par les Comités Techniques sont
soumis aux Comités Membres pour approbation, avant leur acceptation comme
Normes Internationales par le Conseil de I’ISO.
La Norme Internationale ISO 3647 a été établie par le Comité Technique
ISO/TC 36, Cinématographie, et soumise aux Comités Membres en mars 1975.
Elle a été approuvée par les Comités Membres des pays suivants :
Inde Suisse
Afrique du Sud, Rép. d’
Allemagne Italie Tchécoslovaquie
Autriche Japon Turquie
Belgique Pays-Bas U.R.S.S.
U.S.A.
Canada Pologne
Danemark Roumanie Yougoslavie
Espagne Royaume-Uni
France Suède
Aucun Comité Membre n’a désapprouvé le document.
0 Organisation Internationale de Normalisation, 1976 l
Imprimé en Suisse
NORME INTERNATIONALE ISO 36474976 (F)
Cinématographie - Axes pour bobines de caméra et de
projecteur 16 mm - Dimensions
1 OBJET ET DOMAINE D’APPLICATION ISO 1793, Cinématographie - Bobines de projection pour
film cinématographique 16 mm (capacité maximale : 120 m
La présente Norme Internationale spécifie les dimensions et
pour le format 18 cm) - Dimensions.
les caractéristiques des axes pour bobines de caméras et de
projecteurs 16 mm.
2 RÉFÉRENCES 3 DIMENSIONS
ISO 10 19, Cinématographie - Bobines pour chargement en Les dimensions sont indiquées dans le tableau et la figure
plein jour pour caméras 16 mm - Dimensions. ci-après.
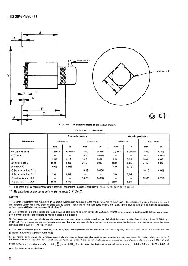
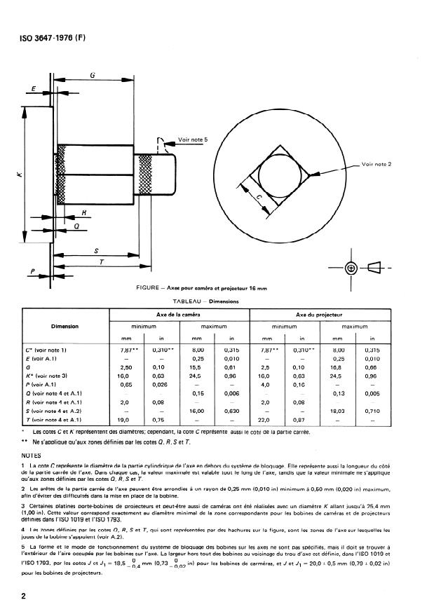
ISO3647-1976 (F)
Y---
Voir note 2
S
T
P
FI GU R E - Axes pour caméra et projecteur 16 mm
TABLEAU - Dimensions
Axe de la caméra Axe du projecteur
T-
minimum maximum minimum maximum
I
mm in mm in mm in mm in
I
A.
C* (voir note 1) 7,87** 0,310”” 8,00 0,315 7,87** 0,310”” 8,00 0,315
- - - -
E (voir A.1 )
0,25 0,010 0,25 0,010
2,50 0,lO OJO
G 15,5 0,61 16,8 0,66
2,5
K* (voir note 3) 16,O 0,63 24,5 0,96 16,O
0,63 24,5 0,96
- -
-
...
NORME INTEMATIONALE
INTERNATIONAL ()RGANlfATION F()R STANDARDIZATION .ME&JyHAPOaHAfi OPrAHM3ALWifl i-l0 CTAHLIAPTM3AUMM .ORGANISATION INTERNATIONALE DE NORMALISATION
Cinématographie -
Axes pour bobines de caméra et de
projecteur 16 mm - Dimensions
Cinema tograph y - Spindles for 16 mm mo tion-picture camera spools and projector reels - Dimensions
Première édition - 1976-05-01
L
CDU 771.531.352 : 778.533
Réf. no : ISO 3647-1976 (F)
g
AVANT-PROPOS
L’ISO (Organisation Internationale de Normalisation) est une fédération mondiale
d’organismes nationaux de normalisation (Comités Membres ISO). L’élaboration
des Normes Internationales est confiée aux Comités Techniques ISO. Chaque
Comité Membre intéressé par une étude a le droit de faire partie du Comité
Technique correspondant. Les organisations internationales, gouvernementales et
non gouvernementales, en laison avec I’ISO, participent également aux travaux.
Les Projets de Normes Internationales adoptés par les Comités Techniques sont
soumis aux Comités Membres pour approbation, avant leur acceptation comme
Normes Internationales par le Conseil de I’ISO.
La Norme Internationale ISO 3647 a été établie par le Comité Technique
ISO/TC 36, Cinématographie, et soumise aux Comités Membres en mars 1975.
Elle a été approuvée par les Comités Membres des pays suivants :
Inde Suisse
Afrique du Sud, Rép. d’
Allemagne Italie Tchécoslovaquie
Autriche Japon Turquie
Belgique Pays-Bas U.R.S.S.
U.S.A.
Canada Pologne
Danemark Roumanie Yougoslavie
Espagne Royaume-Uni
France Suède
Aucun Comité Membre n’a désapprouvé le document.
0 Organisation Internationale de Normalisation, 1976 l
Imprimé en Suisse
NORME INTERNATIONALE ISO 36474976 (F)
Cinématographie - Axes pour bobines de caméra et de
projecteur 16 mm - Dimensions
1 OBJET ET DOMAINE D’APPLICATION ISO 1793, Cinématographie - Bobines de projection pour
film cinématographique 16 mm (capacité maximale : 120 m
La présente Norme Internationale spécifie les dimensions et
pour le format 18 cm) - Dimensions.
les caractéristiques des axes pour bobines de caméras et de
projecteurs 16 mm.
2 RÉFÉRENCES 3 DIMENSIONS
ISO 10 19, Cinématographie - Bobines pour chargement en Les dimensions sont indiquées dans le tableau et la figure
plein jour pour caméras 16 mm - Dimensions. ci-après.
ISO3647-1976 (F)
Y---
Voir note 2
s
T
P
FI GU R E - Axes pour caméra et projecteur 16 mm
TABLEAU - Dimensions
Axe de la caméra Axe du projecteur
T-
minimum maximum minimum maximum
I
mm in mm in mm in mm in
I
A.
C* (voir note 1) 7,87** 0,310”” 8,00 0,315 7,87** 0,310”” 8,00 0,315
- - - -
E (voir A.1 )
0,25 0,010 0,25 0,010
2,50 0,lO OJO
G 15,5 0,61 16,8 0,66
2,5
K* (voir note 3) 16,O 0,63 24,5 0,96 16,O
0,63 24,5 0,96
- -
- -
P (voir A.1 ) 0,65 0,026 0,16
4,O
- - - -
Q (voir note 4 et A.1 ) 0,15 0,006
...












Questions, Comments and Discussion
Ask us and Technical Secretary will try to provide an answer. You can facilitate discussion about the standard in here.
Loading comments...