ISO 5760:1980
(Main)Cinematography — Sound motion-picture camera cartridge, 8 mm Type S, Model 1 — Aperture opening, pressure pad and film position — Dimensions and specifications
Cinematography — Sound motion-picture camera cartridge, 8 mm Type S, Model 1 — Aperture opening, pressure pad and film position — Dimensions and specifications
Cinématographie — Chargeur, modèle 1, pour caméra sonore 8 mm type S — Fenêtre, presseur et position du film — Dimensions et spécifications
General Information
- Status
- Withdrawn
- Publication Date
- 30-Sep-1980
- Withdrawal Date
- 30-Sep-1980
- Technical Committee
- ISO/TC 36 - Cinematography
- Drafting Committee
- ISO/TC 36 - Cinematography
- Current Stage
- 9599 - Withdrawal of International Standard
- Start Date
- 01-Nov-1984
- Completion Date
- 12-Feb-2026
Relations
- Effective Date
- 15-Apr-2008
ISO 5760:1980 - Cinematography -- Sound motion-picture camera cartridge, 8 mm Type S, Model 1 -- Aperture opening, pressure pad and film position -- Dimensions and specifications
ISO 5760:1980 - Cinematography — Sound motion-picture camera cartridge, 8 mm Type S, Model 1 — Aperture opening, pressure pad and film position — Dimensions and specifications Released:10/1/1980
Frequently Asked Questions
ISO 5760:1980 is a standard published by the International Organization for Standardization (ISO). Its full title is "Cinematography — Sound motion-picture camera cartridge, 8 mm Type S, Model 1 — Aperture opening, pressure pad and film position — Dimensions and specifications". This standard covers: Cinematography — Sound motion-picture camera cartridge, 8 mm Type S, Model 1 — Aperture opening, pressure pad and film position — Dimensions and specifications
Cinematography — Sound motion-picture camera cartridge, 8 mm Type S, Model 1 — Aperture opening, pressure pad and film position — Dimensions and specifications
ISO 5760:1980 is classified under the following ICS (International Classification for Standards) categories: 37.060.10 - Motion picture equipment. The ICS classification helps identify the subject area and facilitates finding related standards.
ISO 5760:1980 has the following relationships with other standards: It is inter standard links to ISO 1780:1984. Understanding these relationships helps ensure you are using the most current and applicable version of the standard.
ISO 5760:1980 is available in PDF format for immediate download after purchase. The document can be added to your cart and obtained through the secure checkout process. Digital delivery ensures instant access to the complete standard document.
Standards Content (Sample)
International Standard @ 5760
INTERNATIONAL ORGANIZATION FOR STANDARDIZATION*MEXL1YHAPOAHAR OPrAHHBAUMfl no CTAHAAPTl43AUMH~RGANlSATlON INTERNATIONALE DE NORMALISATION
Cinematography - Sound motion-picture camera
L
cartridge, 8 mm Type S, Model I - Aperture opening,
pressure pad and film position - Dimensions and
specifications
Cinematographie - Chargeur, modèle 1, pour caméra sonore 8 mm type S - Fenêtre, presseur et position du film -
Dimensions et spécifications
First editiôn - 1980-10-15
- UDC 778.533.4 Ref. No. IS0 5760-1980 (E)
Descriptors : cinematography, motion picture film, motion picture film 8 mm, cameras, openings, position (location), dimensions,
$ specifications.
5;
O
i!?
Price based on 5 pages
Foreword
IS0 (the International Organization for Standardization) is a worldwide federation of
national standards institutes (IS0 member bodies). The work of developing Inter-
national Standards is carried out through IS0 technical committees. Every member
body interested in a subject for which a technical committee has been set up has the
right to be represented on that committee. International organizations, governmental
and non-governmental, in liaison with ISO, also take part in the work.
Draft International Standards adopted by the technical committees are circulated to
the member bodies for approval before their acceptance as International Standards by
the IS0 Council.
International Standard IS0 57ôû was developed by Technical Committee ISO/TC 36,
Cinematography, and -was circulated to the member bodies in October 1979.
It has been approved by the member bodies of the following countries :
Austria Germany, F. R. Switzerland
Belgium Italy United Kingdom
Canada Japan USA
Czechoslovakia Mexico USSR
Denmark South Africa, Rep. of Yugoslavia
Egypt, Arab Rep. of Spain
France Sweden
No member body expressed disapproval of the document.
O International Organization for Standardization, 1980 0
Printed in Switzerland
~ ~~ ~~~ ~
INTERNATIONAL STANDARD
Cinematography - Sound motion-picture camera
cartridge, 8 mm Type S, Model 1 - Aperture opening,
pressure pad and film position - Dimensions and
specifications
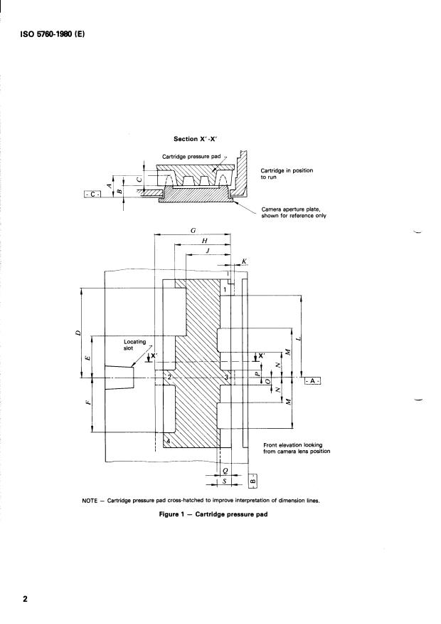
3 Dimensions
1 Scope and field of application
This International Standard lays down the dimensions and 3.1 The dimensions shall be as shown in the figures and
location of the cartridge aperture opening and pressure pad, as
given in the tables.
well as the position of 8 mm Type S motion-picture film in the
aperture of the cartridge.
3.2 The dimensions apply to a cartridge assembled with a
film load at the time of manufacture.
3.3 The datum planes and ~@WJI features used for dimen-
2 References sioning cz;:n ::O 5759, P .I .I .,
-
IS0 1787, Cinematography - Camera usage of 8 mm motion-
picture film perforated Type S.
3.4 Dimensions T and U denote the lateral location of the
film in the cartridge before insertion in the camera. After inser-
tion, dimension T becomes 1,52 mm (0.060 in) mimm and
IS0 3027, Cinematography - Magnetic stripes and recording
dimension U becomes 1,27 mm (0.050 in) min-.
head gaps for sound record on 8 mm Type S motion-picture
prints - Positions and width dimensions.
3.5 All dimensions in table 1, except dimensionSA and C,
apply at the front surface of the pressure pad. A draft of 5' to
IS0 3067, Cinematography - Motion-picture camera car-
the recess area is permitted as well as an inside or outside
tridge, 8 mm Type s, Model 1 - Notches for film speed, film
radius of 0.13 mm (0.005 in) at all corners to provide satisfac-
identification and colour-balancing filter - Dimensions and
tory mold release.
positions.
3.6 Dimension A denotes the space available, from datum
IS0 5759, Cinematography - Sound motion-picture camera
plane C, for penetration of the camera film alignment guide
cartridge, 8 mm Type S, Model 1 - Cartridge-camera inter-
wings or the camera claw into the recessed area of the cartridge
face and take-up core drive - Dimensions and specifications.
pressure pad.
IS0 5761
...
Norme internationale @ 5760
INTERNATIONAL ORGANIZATION FOR STANDARDlZATI0NOME)KAYHAPOAHAR OPrAHH3AUMfl no CTAHAAPTM3AUMM.ORGANlSATlON INTERNATIONALE DE NOflMALlSATlON
Cinématographie - Chargeur, modèle 1, pour caméra
L sonore 8 mm type S - Fenêtre, presseur et position du
film - Dimensions et spécifications
Cinematography - Sound motion-picture camera cartridge, 8 mm Type S, Model I - Aperture opening, pressure pad and film
position - Dimensions and specifications
Première édition - 1980-10-15
- CDU778.533.4 Réf. no : IS0 5760-1980 (FI
Descripteurs : cinématographie, film cinématographique, film cinématographique 8 mm, appareil photographique, ouverture, position,
Q
& dimension, spécification.
C
O
E Prix basé sur 5 pages
Avant-propos
L‘ISO (Organisation internationale de normalisation) est une fédération mondiale
I’ISO). L‘élaboration
d’organismes nationaux de normalisation (comités membres de
des Normes internationales est confiée aux comités techniques de I‘ISO. Chaque
comité membre intéressé par une étude a le droit de faire partie du comité technique
correspondant. Les organisations internationales, gouvernementales et non gouverne-
mentales, en liaison avec I’ISO, participent également aux travaux.
Les projets de Normes internationales adoptés par les comités techniques sont soumis
aux comités membres pour approbation, avant leur acceptation comme Normes inter-
nationales par le Conseil de I’ISO.
La Norme internationale IS0 5760 a été élaborée par le comité technique ISO/TC 36,
Cinémafographie, et a été soumise aux comités membres en octobre 1979.
Les comités membres des pays suivants l’ont approuvée
Suisse
Afrique du Sud, Rép. d’ Espagne
Allemagne, R. F. France Tchécoslovaquie
Autriche Italie URSS
Belgique Japon USA
Canada Mexique Yougoslavie
Danemark Royaume-Uni
Égypte, Rép. arabe d‘ Suède
Aucun comité membre ne l’a désapprouvée.
O Organisation internationale de normalisation, 1980
Imprimé en Suisse
NORME INTERNATIONALE IS0 R60-1980 (F)
Cinématographie - Chargeur, modèle 1, pour caméra
sonore 8 mm type S - Fenêtre, presseur et position du
film - Dimensions et spécifications
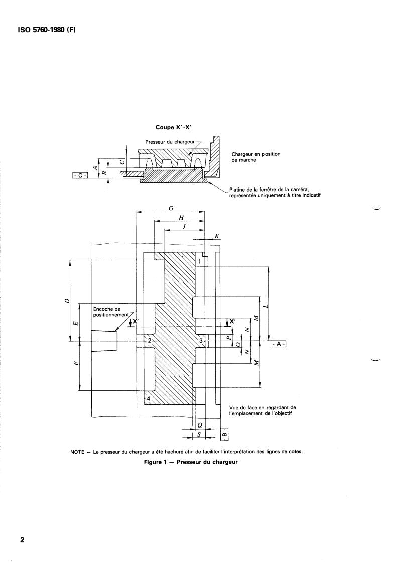
1 Objet et domaine d'application 3 Dimensions
La présente Norme internationale fixe les dimensions et
3.1 Les dimensions doivent être telles qu'elles sont indiquées
l'emplacement de la fenêtre du chargeur et du presseur ainsi
sur les figures et données dans les tableaux.
que l'emplacement du film cinématographique 8 mm type S
dans l'ouverture du chargeur.
3.2 Les dimensions s'appliquent à un chargeur assemblé et
chargé de film au moment de la fabrication.
3.3 Les plans et éléments de référence utilisés pour la cota-
2 Références VISO 5759, paragraphes 3.3,
tion sont tels que définis dans
3.3.1, 3.4, 3.4.1 et 3.4.2.
IS0 1787, Cinématographie - Position du film 8 mm perforé,
type S, dans le couloir de la caméra.
3.4 Les cotes T et U définissent la position latérale du film
dans le chargeur avant son introduction dans la caméra. Après
IS0 3027, Cinématographie - Pistes magnétiques et entrefers introduction, la cote Tsera de 1,52 mm (0,060 in) minimum et
la cote U, de 1,27 mm (0,050 in) minimum.
de têtes d'enregistrement du son sur copies cinématographi-
ques 8 mm type S - Emplacements et dimensions en largeur.
3.5 Toutes les dimensions du tableau 1, sauf les cotes A et
C, s'appliquent à la surface frontale du presseur. Afin de facili-
IS0 3067, Cinématographie - Chargeurs, modèle 1, pour
ter le démoulage, on autorise une pente de 5O vers la partie en
8 mm type S - Encoches de sensibilité du film,
caméras
mm
retrait, ainsi qu'un rayon interne ou externe de 0,13
d'identification du film et filtre de correction de couleur -
(0,005 in) pour tous les angles.
Dimensions et positions.
3.6 La cote A définit l'espace disponible, mesuré à partir du
IS0 5759, Cinématographie - Chargeur, modèle 1, pour
plan de référence C, pour la pénétration des guides latéraux de
caméra sonore 8 mm type S - Ajustement du chargeur dans
centrage du film ou de la griffe d'entraînement de la caméra
la caméra et entraînement du noyau récepteur - Dimensions
dans la partie en retrait du presseur du chargeur.
et spécifica
...








Questions, Comments and Discussion
Ask us and Technical Secretary will try to provide an answer. You can facilitate discussion about the standard in here.
Loading comments...