ISO 1793:1975
(Main)Cinematography — Reels for 16 mm motion-picture projectors (up to and including 120 m capacity : 18 cm size) — Dimensions
Cinematography — Reels for 16 mm motion-picture projectors (up to and including 120 m capacity : 18 cm size) — Dimensions
Cinématographie — Bobines de projection pour film cinématographique 16 mm (capacité maximale : 120 m pour le format 18 cm) — Dimensions
General Information
- Status
- Withdrawn
- Publication Date
- 30-Jun-1975
- Withdrawal Date
- 30-Jun-1975
- Technical Committee
- ISO/TC 36 - Cinematography
- Drafting Committee
- ISO/TC 36 - Cinematography
- Current Stage
- 9599 - Withdrawal of International Standard
- Start Date
- 05-Jan-2005
- Completion Date
- 12-Feb-2026
Relations
- Effective Date
- 15-Apr-2008
ISO 1793:1975 - Cinematography -- Reels for 16 mm motion-picture projectors (up to and including 120 m capacity : 18 cm size) -- Dimensions
ISO 1793:1975 - Cinématographie -- Bobines de projection pour film cinématographique 16 mm (capacité maximale : 120 m pour le format 18 cm) -- Dimensions
ISO 1793:1975 - Cinématographie -- Bobines de projection pour film cinématographique 16 mm (capacité maximale : 120 m pour le format 18 cm) -- Dimensions
Frequently Asked Questions
ISO 1793:1975 is a standard published by the International Organization for Standardization (ISO). Its full title is "Cinematography — Reels for 16 mm motion-picture projectors (up to and including 120 m capacity : 18 cm size) — Dimensions". This standard covers: Cinematography — Reels for 16 mm motion-picture projectors (up to and including 120 m capacity : 18 cm size) — Dimensions
Cinematography — Reels for 16 mm motion-picture projectors (up to and including 120 m capacity : 18 cm size) — Dimensions
ISO 1793:1975 is classified under the following ICS (International Classification for Standards) categories: 37.060.10 - Motion picture equipment. The ICS classification helps identify the subject area and facilitates finding related standards.
ISO 1793:1975 has the following relationships with other standards: It is inter standard links to ISO 1793:2005. Understanding these relationships helps ensure you are using the most current and applicable version of the standard.
ISO 1793:1975 is available in PDF format for immediate download after purchase. The document can be added to your cart and obtained through the secure checkout process. Digital delivery ensures instant access to the complete standard document.
Standards Content (Sample)
INTERNATIONAL STANDARD.
INTERNATIONAL ORGANIZATION FOR STANDARDIZATION l MEXJIYHAPOAHAII OPI-AHFi3AW-i~ I-IO CTAHAAPT~3AWti.ORGANISATION INTERNATIONALE DE NORMALISATION
Reels for 16 mm motion-picture projectors
Cinematography -
(up to and including 120 m capacity : 18 cm size) -
Dimensions
Cinkma tographie - Bobines de projection pour film cikmatographique 16 mm (capacith maximale : 120 m pour Ie
format 18 cm) - Dimensions
First edition - 1975-07-01
Ref. No. ISO 17934975 (E)
UDC 778.553.4 : 771.531.352
Descriptors : cinematography, motion-picture film - 16 mm, bobbins, motion-picture projectors, dimensions.
Price based on 4 pages
ISO (the International Organization for Standardization) is a worldwide federation
of national Standards institutes (ISO Member Bodies). The work of developing
International Standards is carried out through ISO Technical Committees. Every
Member Body interested in a subject for which a Technical Committee has been set
up has the right to be represented on that Committee. International organizations,
governmental and non-governmental, in liaison with ISO, also take part in the work.
Draft International Standards adopted by the Technical Committees are circulated
to the Member Bodies for approval before their acceptance as International
Standards by the ISO Council.
International Standard ISO 1793 was drawn up by Technical Committee
ISO/TC 36, Cinematography, and circulated to the Member Bodies in August 1974.
lt has been approved by the Member Bodies of the following countries :
Austra I ia Germany Sweden
Austria India Switzerland
Belgium Italy Thailand
Bulgaria Netherlands United Kingdom
Czechoslova kia Poland U.S.S.R.
Denmark Romania Yugoslavia
France South Africa, Rep. of
The Member Body of the following of the document
country expressed disapproval
on technical grounds :
U.S.A.
0 International Organization fot Standardkation, 1975 l
Printed in Switzerland
INTERNATIONAL STANDARD
ISO 1793-1975 (E)
Cinematography - Reels for 16 mm motion-picture projectors
(up to and including 120 m capacity : 18 cm size) -
Dimensions
outside the zone of diameter K when the reel is rotated on
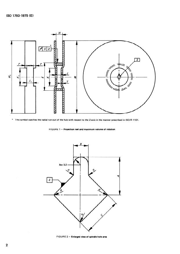
1 SCOPE AND FIELD OF APPLICATION
an accurate, tight-fitting spindle. This includes rivets or
This International Standard specifies the dimensions and
other fastening devices, variations in flange th ickness,
characteristics of 16 mm motion-picture film projection
flatness and lateral run-out of the flanges.
reels with nominal flange diameters of 7 cm (3 in), 10 cm
The reference plane of rotation for each flange is defined as
(4 in), 13 cm (5 in) and 18 cm (7 in).
a plane perpendicular to the axis of the spindle and
coincident with the surface of a flat 15,0 mm (0.59 in)
2 REFERENCES
diameter support which is in contact with the flange and
centred on the spindle hole axis of the flange.
- Spools, daylight loading type
ISO 1019, Cinematography
for 16 mm motion-picture cameras - Dimensions.
NOTE - The reference plane from which P is measured is not
necessarily coincident with all Points within the zone of diameter K,
35 mm and 16 mm micro films,
ISO 1116, Microcopying -
but only needs to be coincident with those which are in contact
spools and reels - Specifications. with the reference support which has a diameter smaller than K.
ISO 3647, Cinematography - Spindles for 16 mm
mo tion-picture Camera spools and projector reels -
Dimensions.
4 CHARACTERISTICS
ßeels for 16mm
ISO . . ., Cinema tograph y -
motion-picture pro jectors (0 ver 120 m capacity) -
4.1 Esch flange, preferably, shall have a Square spindle
Dimensions. 1)
hole with corner keyway with dimensions as illustrated;
alternatively, one flange may have a round spindie hole
with a diameter of C (and no keyway).
3 DIMENSIONS
3.1 The dimensions shall be as shown in the figures and
4.2 If Square spindle holes with corner keyways are used
given in the tables.
in each flange, the holes shall be aligned so that a Square
test bar 8 mm X 8 mm (0.315 in X 0.315 in) may be passed
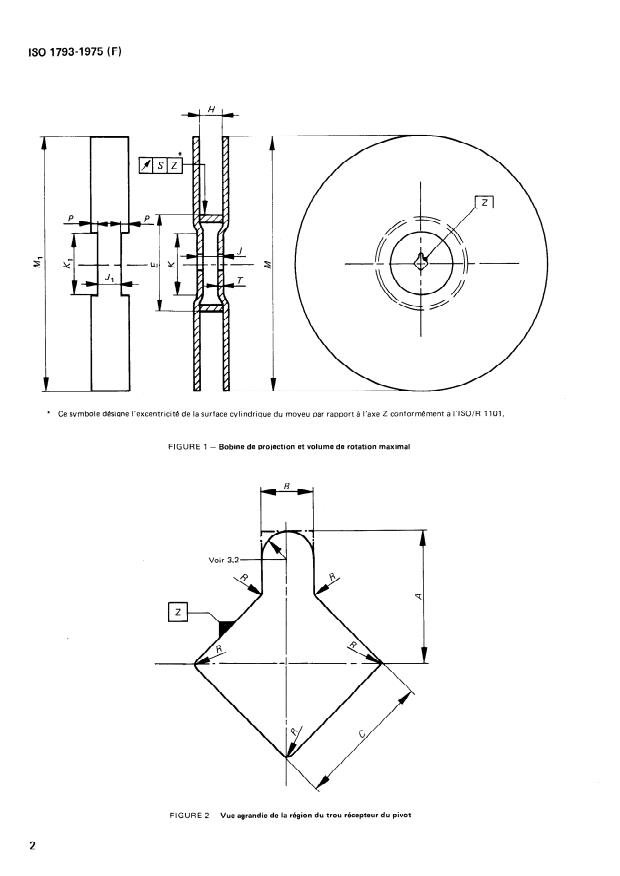
3.2 The tip of the keyway, if rounded as shown in figure
completely through the reel. (lt is also preferable that the
2, may have a minimum radius of B/2. If, instead, the tip of
keyways be aligned.) If a Square spindle hole in one flange
the keyway is made Square as illustrated by the chain line,
and a round spindle hole in the other flange are used, the
the Square tip still shall observe the limits of A.
holes shall be aligned so that a cylindrical test bar of 8 mm
diameter may be passed completely through the reel.
3.3 Dimension J, applies within the zone of diameter K
which is centred on the spindle hol
...
NORME INTERNATIONALE 1793
INTERNATIONAL ORGANIZATION FOR STANDARDIZATION .MEXflYHAPOAHAJl OPlYAHM3ALWl l-l0 CTAHAAPTM3ALU-i .ORGANISATION INTERNATIONALE DE NORMALISATION
Cinématographie - Bobines de projection pour film
cinématographique 16 mm (capacité maximale : 120 m
pour le format 18 cm) - Dimensions
Cinema tograph y - Reels for 16 mm motion-picture projectors (up to and including 120 m capacity : 18 cm
sire) - Dimensions
Première édition - 1975-07-01
CDU 778.553.4 : 771.531.352 Réf. no : ISO 1793-1975 (F)
bobine, projecteur cinématographique, dimension.
Descripteurs : cinématographie, film cinématographique - 16 mm,
Prix basé sur 4 pages
AVANT-PROPOS
L’ISO (Organisation Internationale de Normalisation) est une fédération mondiale
d’organismes nationaux de normalisation (Comités Membres KO). L’élaboration de
Normes Internationales est confiée aux Comités Techniques KO. Chaque Comité
Membre intéressé par une étude a le droit de faire partie du Comité Technique
correspondant. Les organisations internationales, gouvernementales et non
gouvernementales, en liaison avec I’ISO, participent également aux travaux.
Les Projets de Normes Internationales adoptés par les Comités Techniques sont
soumis aux Comités Membres pour approbation, avant leur acceptation comme
Normes Internationales par le Conseil de I’ISO.
La Norme Internationale ISO 1793 a été établie par le Comité Technique
ISO/TC 36, Cinématographie, et soumise aux Comités Membres en août 1974.
Elle a été approuvée par les Comités Membres des pays suivants :
Afrique du Sud, Rép. d’ Suède
France
Allemagne Suisse
Inde
Austra I ie Tchécoslovaquie
Italie
Autriche Thaïlande
Pays-Bas
Belgique U.R.S.S.
Pologne
Bulgarie Roumanie Yougoslavie
Danemark Royaume-Uni
Le Comité Membre du pays suivant a désapprouvé le document pour des raisons
techniques :
U.S.A.
0 Organisation Internationale de Normalisation, 1975 l
Imprimé en Suisse
ISO 17934975 (F)
NORME INTERNATIONALE
Bobines de projection pour film
Cinématographie -
cinématographique 16 mm (capacité maximale : 120 m
pour le format 18 cm) - Dimensions
excentrique (plus éloigné de l’axe de la bobine) sur la joue
1 OBJET ET DOMAINE D’APPLICATION
en dehors de la zone de diamètre K lorsqu’on fait tourner la
La présente Norme Internationale spécifie les dimensions et
bobine sur un pivot de précision à ajustement serré. Cela
les caractéristiques des bobines de projection pour film
inclut les rivets et autres organes d’assemblage, les variations
cinématographique 16 mm ayant un diamètre nominal de
d’épaisseur des joues, leur planéité et leur voile latéral.
joue de 7 cm (3 in), 10 cm (4 in), 13 cm (5 in) et 18 cm
Le plan de rotation de référence pour chaque joue est défini
(7 in).
par un plan perpendiculaire à l’axe du pivot, co’incidant
avec la surface d’un disque plan de diamètre 15,0 mm
2 RÉFÉRENCES
(0,59 in) en contact avec la joue et centré sur l’axe du trou
récepteur du pivot de la joue.
l SO 1019, Cinématographie - Bobines pour chargement en
plein jour pour caméras 16 mm - Dimensions.
NOTE - II y a lieu de noter que le plan de référence à partir duquel
on mesure P ne coïncide pas nécessairement avec tous les points de
ISO Il 16, Microcopie - Microfilms de 16 mm et de
la zone de diamètre K, mais doit seulement contenir ceux qui sont
35 mm, bobines d’approvisionnement et de lecture -
en contact avec le disque de référence dont le diamètre est inférieur
Spécifications.
à K.
EO 3647, Cinématographie - Axes pour bobines de
chargement et de projection pour film cinématographique
16 mm - Dimensions.
4 CARACTÉRISTIQUES
ISO , . ., Cinématographie - Bobines de projection pour
4.1 Chaque joue doit, de préférence, comporter un trou
film cinématographique 16 mm (capacité supérieure à
récepteur du pivot carré avec logement d’ergot en coin,
120 m) - Dimensions. 1)
ayant les dimensions indiquées; en variante, l’une des joues
peut comporter un trou récepteur du pivot rond de
3 DIMENSIONS
diamètre C (sans logement d’ergot).
3.1 Les dimensions doivent être telles qu’elles sont
4.2 Si les deux joues comportent des trous récepteurs du
spécifiées dans les figures et les tableaux.
pivot carrés avec logements d’ergot en coin, les trous
doivent être alignés de sorte qu’une tige carrée calibrée de
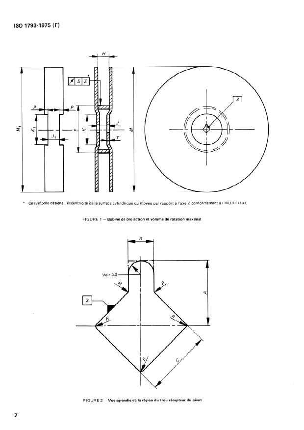
3.2 Si le fond du logement d’ergot est arrondi comme
8 mm X 8 mm (0,315 in X 0,315 in) puisse traverser
indiqué sur la figure 2, le rayon minimal de l’arrondi doit
complètement la bobine. (II est également préférable que
il est à angle droit, comme
être B/2. Si, au contraire,
les logements d’ergot soient en regard.) Si une joue
indiqué en trait mixte, il doit respecter les limites de la
comporte un trou carré et l’autre un trou rond, les trous
cote A.
doivent être alignés de sorte qu’une tige cylindrique calibrée
de diamètre 8 mm puisse traverser complètement la bobine.
3.3 La cote J, est valable dans la zone de diamètre K
centrée sur l’axe du trou. Cela n’implique pas, cependant,
4.3 II convient de prévoir un dispositif de fixation de
que cette zone doive ê
...
NORME INTERNATIONALE 1793
INTERNATIONAL ORGANIZATION FOR STANDARDIZATION .MEXflYHAPOAHAJl OPlYAHM3ALWl l-l0 CTAHAAPTM3ALU-i .ORGANISATION INTERNATIONALE DE NORMALISATION
Cinématographie - Bobines de projection pour film
cinématographique 16 mm (capacité maximale : 120 m
pour le format 18 cm) - Dimensions
Cinema tograph y - Reels for 16 mm motion-picture projectors (up to and including 120 m capacity : 18 cm
sire) - Dimensions
Première édition - 1975-07-01
CDU 778.553.4 : 771.531.352 Réf. no : ISO 1793-1975 (F)
bobine, projecteur cinématographique, dimension.
Descripteurs : cinématographie, film cinématographique - 16 mm,
Prix basé sur 4 pages
AVANT-PROPOS
L’ISO (Organisation Internationale de Normalisation) est une fédération mondiale
d’organismes nationaux de normalisation (Comités Membres KO). L’élaboration de
Normes Internationales est confiée aux Comités Techniques KO. Chaque Comité
Membre intéressé par une étude a le droit de faire partie du Comité Technique
correspondant. Les organisations internationales, gouvernementales et non
gouvernementales, en liaison avec I’ISO, participent également aux travaux.
Les Projets de Normes Internationales adoptés par les Comités Techniques sont
soumis aux Comités Membres pour approbation, avant leur acceptation comme
Normes Internationales par le Conseil de I’ISO.
La Norme Internationale ISO 1793 a été établie par le Comité Technique
ISO/TC 36, Cinématographie, et soumise aux Comités Membres en août 1974.
Elle a été approuvée par les Comités Membres des pays suivants :
Afrique du Sud, Rép. d’ Suède
France
Allemagne Suisse
Inde
Austra I ie Tchécoslovaquie
Italie
Autriche Thaïlande
Pays-Bas
Belgique U.R.S.S.
Pologne
Bulgarie Roumanie Yougoslavie
Danemark Royaume-Uni
Le Comité Membre du pays suivant a désapprouvé le document pour des raisons
techniques :
U.S.A.
0 Organisation Internationale de Normalisation, 1975 l
Imprimé en Suisse
ISO 17934975 (F)
NORME INTERNATIONALE
Bobines de projection pour film
Cinématographie -
cinématographique 16 mm (capacité maximale : 120 m
pour le format 18 cm) - Dimensions
excentrique (plus éloigné de l’axe de la bobine) sur la joue
1 OBJET ET DOMAINE D’APPLICATION
en dehors de la zone de diamètre K lorsqu’on fait tourner la
La présente Norme Internationale spécifie les dimensions et
bobine sur un pivot de précision à ajustement serré. Cela
les caractéristiques des bobines de projection pour film
inclut les rivets et autres organes d’assemblage, les variations
cinématographique 16 mm ayant un diamètre nominal de
d’épaisseur des joues, leur planéité et leur voile latéral.
joue de 7 cm (3 in), 10 cm (4 in), 13 cm (5 in) et 18 cm
Le plan de rotation de référence pour chaque joue est défini
(7 in).
par un plan perpendiculaire à l’axe du pivot, co’incidant
avec la surface d’un disque plan de diamètre 15,0 mm
2 RÉFÉRENCES
(0,59 in) en contact avec la joue et centré sur l’axe du trou
récepteur du pivot de la joue.
l SO 1019, Cinématographie - Bobines pour chargement en
plein jour pour caméras 16 mm - Dimensions.
NOTE - II y a lieu de noter que le plan de référence à partir duquel
on mesure P ne coïncide pas nécessairement avec tous les points de
ISO Il 16, Microcopie - Microfilms de 16 mm et de
la zone de diamètre K, mais doit seulement contenir ceux qui sont
35 mm, bobines d’approvisionnement et de lecture -
en contact avec le disque de référence dont le diamètre est inférieur
Spécifications.
à K.
EO 3647, Cinématographie - Axes pour bobines de
chargement et de projection pour film cinématographique
16 mm - Dimensions.
4 CARACTÉRISTIQUES
ISO , . ., Cinématographie - Bobines de projection pour
4.1 Chaque joue doit, de préférence, comporter un trou
film cinématographique 16 mm (capacité supérieure à
récepteur du pivot carré avec logement d’ergot en coin,
120 m) - Dimensions. 1)
ayant les dimensions indiquées; en variante, l’une des joues
peut comporter un trou récepteur du pivot rond de
3 DIMENSIONS
diamètre C (sans logement d’ergot).
3.1 Les dimensions doivent être telles qu’elles sont
4.2 Si les deux joues comportent des trous récepteurs du
spécifiées dans les figures et les tableaux.
pivot carrés avec logements d’ergot en coin, les trous
doivent être alignés de sorte qu’une tige carrée calibrée de
3.2 Si le fond du logement d’ergot est arrondi comme
8 mm X 8 mm (0,315 in X 0,315 in) puisse traverser
indiqué sur la figure 2, le rayon minimal de l’arrondi doit
complètement la bobine. (II est également préférable que
il est à angle droit, comme
être B/2. Si, au contraire,
les logements d’ergot soient en regard.) Si une joue
indiqué en trait mixte, il doit respecter les limites de la
comporte un trou carré et l’autre un trou rond, les trous
cote A.
doivent être alignés de sorte qu’une tige cylindrique calibrée
de diamètre 8 mm puisse traverser complètement la bobine.
3.3 La cote J, est valable dans la zone de diamètre K
centrée sur l’axe du trou. Cela n’implique pas, cependant,
4.3 II convient de prévoir un dispositif de fixation de
que cette zone doive ê
...












Questions, Comments and Discussion
Ask us and Technical Secretary will try to provide an answer. You can facilitate discussion about the standard in here.
Loading comments...