ASTM A1045-10(2021)
(Specification)Standard Specification for Flexible Poly (Vinyl Chloride) (PVC) Gaskets Used in Connection of Vitreous China Plumbing Fixtures to Sanitary Drainage Systems
Standard Specification for Flexible Poly (Vinyl Chloride) (PVC) Gaskets Used in Connection of Vitreous China Plumbing Fixtures to Sanitary Drainage Systems
SCOPE
1.1 This specification covers material and performance requirements for plasticized PVC compression gaskets used in the connection of residential and commercial vitreous china plumbing fixtures to 2-, 3-, and 4-in. sanitary drain lines. These type gaskets are inserted into and compress against the inside diameter of the sewer pipe, closet or urinal flange while attaching to the vitreous china plumbing fixture with a flexible adhesive. The result is a gas- and watertight seal.
1.2 The values stated in inch-pound units are to be regarded as standard. The values given in parentheses are mathematical conversions to SI units that are provided for information only and are not considered standard.
1.3 This standard does not purport to address all of the safety concerns, if any, associated with its use. It is the responsibility of the user of this standard to establish appropriate safety, health, and environmental practices and determine the applicability of regulatory limitations prior to use.
1.4 This international standard was developed in accordance with internationally recognized principles on standardization established in the Decision on Principles for the Development of International Standards, Guides and Recommendations issued by the World Trade Organization Technical Barriers to Trade (TBT) Committee.
General Information
- Status
- Published
- Publication Date
- 30-Sep-2021
- Technical Committee
- A04 - Iron Castings
- Drafting Committee
- A04.75 - Gaskets and Coupling for Plumbing and Sewer Piping
Relations
- Effective Date
- 01-Nov-2017
- Effective Date
- 01-Oct-2014
- Effective Date
- 01-May-2013
- Effective Date
- 01-Aug-2011
- Effective Date
- 01-Sep-2009
- Effective Date
- 01-Jul-2009
- Effective Date
- 01-Jun-2009
- Effective Date
- 01-Nov-2005
- Effective Date
- 01-Oct-2004
- Effective Date
- 10-Nov-2001
- Effective Date
- 10-Nov-2001
- Effective Date
- 10-Dec-1998
Overview
ASTM A1045-10(2021) defines the material and performance requirements for flexible poly (vinyl chloride) (PVC) gaskets used in connecting vitreous china plumbing fixtures to sanitary drainage systems. This specification is crucial for ensuring water- and gas-tight seals in both residential and commercial plumbing installations, particularly for toilets (water closets) and urinals. The standard provides guidance on physical properties, testing methods, dimensions, workmanship, and product marking to ensure consistent gasket quality and reliable performance.
Key Topics
- Material Requirements: Gaskets must be made primarily from virgin injection-grade plasticized PVC compounds, with the possibility of using recycled materials as specified.
- Performance Criteria: The gaskets are required to form a gas- and watertight seal when installed between the plumbing fixture and sanitary drain lines. They must comply with referenced ASTM and ASME standards relevant to plumbing applications.
- Testing and Inspection: Gaskets must undergo hydrostatic joint tightness testing to confirm sealing capability. Random sampling from manufactured lots and retesting procedures are specified to ensure quality control.
- Dimensional Tolerance: Gaskets must be designed to fit 2-, 3-, and 4-inch sanitary drain lines and be compatible with various industry-standard fixture and flange dimensions.
- Workmanship and Appearance: Finished gaskets should be free from manufacturing imperfections such as pits, cracks, or contaminants that could impact adhesive bonding or overall performance.
- Marking: Each gasket must be marked with the manufacturer’s name or trademark, pipe size, and show compliance via the ASTM A1045 designation.
Applications
Gaskets conforming to ASTM A1045-10(2021) are widely used in:
- Residential Installations: For securing toilets and urinals to floor flanges or wall outlets, creating a lasting watertight and gastight seal to prevent sewer gas leaks.
- Commercial Buildings: In multi-unit dwellings, public restrooms, and institutional settings where consistent plumbing performance and code compliance are essential.
- New Construction and Replacement: Both original installations and replacement scenarios where reliable sealing between vitreous china fixtures and drain pipes is required.
- Various Pipe Materials: The gaskets are designed to compress against the inside diameter of standard sanitary drain pipes, accommodating dimensional variations found in common piping materials.
By ensuring a dependable seal, these flexible PVC gaskets play a crucial role in preventing water damage, mitigating odor issues, and maintaining hygienic plumbing systems.
Related Standards
Compliance with ASTM A1045 often requires reference to additional standards for materials and dimensions, including:
- ASTM D5926: Specification for Poly (Vinyl Chloride) (PVC) Gaskets for Drain, Waste, and Vent (DWV), Sewer, Sanitary, and Storm Plumbing Systems.
- ASTM A644: Terminology Relating to Iron Castings, relevant for understanding key terms used in the specification.
- ASME A112.19.2M: Standard covering vitreous china plumbing fixtures, ensuring compatibility with fixture designs in the marketplace.
- World Trade Organization TBT Principles: The standard is developed following internationally recognized practices for reducing technical barriers to trade.
Practical Value
Adhering to ASTM A1045-10(2021) allows manufacturers, installers, and inspectors to ensure the safety, reliability, and compliance of plumbing connections involving vitreous china fixtures. Using certified flexible PVC gaskets reduces the risk of leaks, promotes code compliance across regions, and guarantees product performance in demanding building environments.
Keywords: flexible PVC gaskets, sanitary drainage systems, ASTM A1045, plumbing fixture gaskets, water closet seals, urinal flange gaskets, vitreous china connection, watertight seal, gas-tight seal, plumbing standards, performance testing.
Buy Documents
ASTM A1045-10(2021) - Standard Specification for Flexible Poly (Vinyl Chloride) (PVC) Gaskets Used in Connection of Vitreous China Plumbing Fixtures to Sanitary Drainage Systems
Get Certified
Connect with accredited certification bodies for this standard

ICC Evaluation Service
Building products evaluation and certification.

QAI Laboratories
Building and construction product testing and certification.

Aboma Certification B.V.
Specialized in construction, metal, and transport sectors.
Sponsored listings
Frequently Asked Questions
ASTM A1045-10(2021) is a technical specification published by ASTM International. Its full title is "Standard Specification for Flexible Poly (Vinyl Chloride) (PVC) Gaskets Used in Connection of Vitreous China Plumbing Fixtures to Sanitary Drainage Systems". This standard covers: SCOPE 1.1 This specification covers material and performance requirements for plasticized PVC compression gaskets used in the connection of residential and commercial vitreous china plumbing fixtures to 2-, 3-, and 4-in. sanitary drain lines. These type gaskets are inserted into and compress against the inside diameter of the sewer pipe, closet or urinal flange while attaching to the vitreous china plumbing fixture with a flexible adhesive. The result is a gas- and watertight seal. 1.2 The values stated in inch-pound units are to be regarded as standard. The values given in parentheses are mathematical conversions to SI units that are provided for information only and are not considered standard. 1.3 This standard does not purport to address all of the safety concerns, if any, associated with its use. It is the responsibility of the user of this standard to establish appropriate safety, health, and environmental practices and determine the applicability of regulatory limitations prior to use. 1.4 This international standard was developed in accordance with internationally recognized principles on standardization established in the Decision on Principles for the Development of International Standards, Guides and Recommendations issued by the World Trade Organization Technical Barriers to Trade (TBT) Committee.
SCOPE 1.1 This specification covers material and performance requirements for plasticized PVC compression gaskets used in the connection of residential and commercial vitreous china plumbing fixtures to 2-, 3-, and 4-in. sanitary drain lines. These type gaskets are inserted into and compress against the inside diameter of the sewer pipe, closet or urinal flange while attaching to the vitreous china plumbing fixture with a flexible adhesive. The result is a gas- and watertight seal. 1.2 The values stated in inch-pound units are to be regarded as standard. The values given in parentheses are mathematical conversions to SI units that are provided for information only and are not considered standard. 1.3 This standard does not purport to address all of the safety concerns, if any, associated with its use. It is the responsibility of the user of this standard to establish appropriate safety, health, and environmental practices and determine the applicability of regulatory limitations prior to use. 1.4 This international standard was developed in accordance with internationally recognized principles on standardization established in the Decision on Principles for the Development of International Standards, Guides and Recommendations issued by the World Trade Organization Technical Barriers to Trade (TBT) Committee.
ASTM A1045-10(2021) is classified under the following ICS (International Classification for Standards) categories: 21.140 - Seals, glands; 91.140.70 - Sanitary installations. The ICS classification helps identify the subject area and facilitates finding related standards.
ASTM A1045-10(2021) has the following relationships with other standards: It is inter standard links to ASTM A644-17, ASTM A644-14, ASTM A644-13, ASTM D5926-11, ASTM D5926-09, ASTM A644-09a, ASTM A644-09, ASTM A644-05, ASTM D5926-04, ASTM D5926-96, ASTM D5926-01, ASTM A644-98(2003). Understanding these relationships helps ensure you are using the most current and applicable version of the standard.
ASTM A1045-10(2021) is available in PDF format for immediate download after purchase. The document can be added to your cart and obtained through the secure checkout process. Digital delivery ensures instant access to the complete standard document.
Standards Content (Sample)
This international standard was developed in accordance with internationally recognized principles on standardization established in the Decision on Principles for the
Development of International Standards, Guides and Recommendations issued by the World Trade Organization Technical Barriers to Trade (TBT) Committee.
Designation:A1045 −10 (Reapproved 2021)
Standard Specification for
Flexible Poly (Vinyl Chloride) (PVC) Gaskets Used in
Connection of Vitreous China Plumbing Fixtures to Sanitary
Drainage Systems
This standard is issued under the fixed designation A1045; the number immediately following the designation indicates the year of
original adoption or, in the case of revision, the year of last revision. A number in parentheses indicates the year of last reapproval. A
superscript epsilon (´) indicates an editorial change since the last revision or reapproval.
1. Scope 2.2 ASME Standards:
ASME A112.19.2M Vitreous China Plumbing Fixtures
1.1 This specification covers material and performance
requirements for plasticized PVC compression gaskets used in
3. Terminology
the connection of residential and commercial vitreous china
3.1 Definitions—For definitions of terms in this
plumbing fixtures to 2-, 3-, and 4-in. sanitary drain lines.These
specification, refer to Terminology A644.
type gaskets are inserted into and compress against the inside
diameter of the sewer pipe, closet or urinal flange while 3.2 Definitions of Terms Specific to This Standard:
attaching to the vitreous china plumbing fixture with a flexible 3.2.1 closet flange, n—a pipe fitting that secures the water
adhesive. The result is a gas- and watertight seal. closet to the floor and the sanitary drain line.
3.2.2 urinal, n—a plumbing fixture that receives only liquid
1.2 The values stated in inch-pound units are to be regarded
body waste and, on demand, conveys the waste through a trap
as standard. The values given in parentheses are mathematical
seal into a gravity drainage system.
conversions to SI units that are provided for information only
and are not considered standard.
3.2.3 urinal flange, n—a pipe fitting that secures a rear
outlet wall-mounted urinal to the sanitary drain line.
1.3 This standard does not purport to address all of the
safety concerns, if any, associated with its use. It is the
3.2.4 vitreous china plumbing fixture, n—urinal, water
responsibility of the user of this standard to establish appro-
closet, or both.
priate safety, health, and environmental practices and deter-
3.2.5 water closet, n—a plumbing fixture having a water-
mine the applicability of regulatory limitations prior to use.
containing receptor which receives liquid and solid body waste
1.4 This international standard was developed in accor-
and upon actuation conveys the waste through an exposed
dance with internationally recognized principles on standard-
integral trap seal into a gravity drainage system.
ization established in the Decision on Principles for the
Development of International Standards, Guides and Recom-
4. Materials and Manufacture
mendations issued by the World Trade Organization Technical
4.1 These type gaskets are manufactured principally from
Barriers to Trade (TBT) Committee.
virgin injection-grade plasticized PVC compounds. Recycled
materials may be used in this product in accordance with
2. Referenced Documents
Section 5.
2.1 ASTM Standards:
4.2 Adhesives used in the attachment of vitreous china
A644 Terminology Relating to Iron Castings
plumbing fixture gaskets shall be compatible with the compo-
D5926 Specification for Poly (Vinyl Chloride) (PVC) Gas-
nent gasket material and the sanitary drain system. Butyl
kets for Drain, Waste, and Vent (DWV), Sewer, Sanitary,
rubber-based adhesives are known to have such characteristics.
and Storm Plumbing Systems
5. Gasket Requirements
This specification is under the jurisdiction of ASTM Committee A04 on Iron
5.1 Physical and mechanical properties of plasticized PVC
Castings and is the direct responsibility of Subcommittee A04.75 on Gaskets and
gaskets for the connection of vitreous china plumbing fixtures
Coupling for Plumbing and Sewer Piping.
to the sanitary drainage system shall comply with Specification
Current edition approved Oct. 1, 2021. Published October 2021. Originally
approved in 2005. Last previous edition approved in 2017 as A1045 – 10 (2017).
D5926.
DOI: 10.1520/A1045-10R21.
For referenced ASTM standards, visit the ASTM website, www.astm.org, or
contact ASTM Customer Service at service@astm.org. For Annual Book of ASTM Available from American Society of Mechanical Engineers (ASME), ASME
Standards volume information, refer to the standard’s Document Summary page on International Headquarters, Two Park Ave., New York, NY 10016-5990, http://
the ASTM website. www.asme.org.
Copyright © ASTM International, 100 Barr Harbor Drive, PO Box C700, West Conshohocken, PA 19428-2959. United States
A1045−10 (2021)
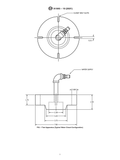
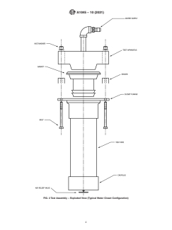
5.2 Gaskets shall be tested in accordance with Section 9 on The test apparatus shall be constructed of clear acrylic with
pipe samples complying with applicable industry standards of a polished finish.
maximum and minimum dimensions. It shall be permissible to
9.2 Significance and Use—This test method is useful in
machine pipe samples to attain maximum or minimum
determining the ability of the gasket assembly to provide a
dimensions, or both.
permanent seal against water, sewer, sewer gas, and the like in
vitreous china plumbing fixture to sanitary drain line
...




Questions, Comments and Discussion
Ask us and Technical Secretary will try to provide an answer. You can facilitate discussion about the standard in here.
Loading comments...