ASTM B831-22
(Test Method)Standard Test Method for Shear Testing of Thin Aluminum Alloy Products
Standard Test Method for Shear Testing of Thin Aluminum Alloy Products
SIGNIFICANCE AND USE
5.1 The intent of this test method is to provide a means of measuring the ultimate shear strength of thin aluminum alloy wrought and cast products. It is recognized that the loading conditions developed by this test method, and by most others, are not ideal in that they do not strictly satisfy the definitions of pure shear. However, rarely do pure shear conditions exist in structures.
Note 1: Results from this test method are not interchangeable with results from Test Methods B565 and B769. Shear strengths obtained by this test method have been shown to differ from values determined with other methods.3
SCOPE
1.1 This test method covers single shear testing of thin wrought and cast aluminum alloy products to determine shear ultimate strengths. It is intended for products that are too thin to be tested according to Test Method B769.
1.2 The values stated in inch-pound units are to be regarded as standard. The values given in parentheses are mathematical conversions to SI units that are provided for information only and are not considered standard.
1.3 This standard does not purport to address all of the safety concerns, if any, associated with its use. It is the responsibility of the user of this standard to establish appropriate safety, health, and environmental practices and determine the applicability of regulatory limitations prior to use.
1.4 This international standard was developed in accordance with internationally recognized principles on standardization established in the Decision on Principles for the Development of International Standards, Guides and Recommendations issued by the World Trade Organization Technical Barriers to Trade (TBT) Committee.
General Information
- Status
- Published
- Publication Date
- 30-Sep-2022
- Technical Committee
- B07 - Light Metals and Alloys
- Drafting Committee
- B07.05 - Testing
Relations
- Effective Date
- 01-May-2018
- Effective Date
- 01-Jun-2014
- Effective Date
- 01-May-2014
- Effective Date
- 01-May-2013
- Effective Date
- 01-May-2013
- Effective Date
- 01-Nov-2011
- Effective Date
- 01-Nov-2011
- Effective Date
- 01-Nov-2010
- Effective Date
- 01-Nov-2010
- Effective Date
- 01-Oct-2010
- Effective Date
- 01-Jun-2010
- Effective Date
- 01-May-2010
- Effective Date
- 01-Nov-2009
- Effective Date
- 15-May-2009
- Effective Date
- 15-May-2009
Overview
ASTM B831-22, Standard Test Method for Shear Testing of Thin Aluminum Alloy Products, is a widely recognized standard developed by ASTM International. This standard outlines the procedures for determining the ultimate shear strength of thin wrought and cast aluminum alloy products through single shear tests. It is specifically designed for aluminum materials that are too thin to be tested using other methods, such as ASTM B769.
This test method applies to both wrought and cast aluminum alloy products and establishes a consistent approach for measuring shear strength, which is a key mechanical property for evaluating material performance in various applications. While the test does not simulate pure shear conditions, it offers practical results relevant to real-world structural scenarios.
Key Topics
Ultimate Shear Strength Measurement
Provides a reliable means to assess the maximum shear force aluminum alloys can withstand before fracture.Applicability for Thin Products
Targets aluminum products with thicknesses that are unsuitable for alternative shear testing standards.Specimen Preparation and Testing Conditions
Defines specimen dimensions, surface finish requirements, and orientation codes, ensuring standardized sample preparation and testing alignment.Test Procedure
Details the single shear test methodology using a tension testing machine and standardized clevis fixtures, including speed constraints and alignment considerations.Reporting and Reproducibility
Specifies required test results, including shear strength calculations, specimen details, and orientation, to enhance comparability between laboratories.Precision and Bias
Outlines repeatability and reproducibility based on interlaboratory studies, supporting industry confidence in the standard’s reliability.
Applications
ASTM B831-22 is highly relevant in industries where thin aluminum alloys are used, including:
Aerospace Manufacturing
Ensures aluminum sheets and castings used in aircraft components meet stringent mechanical performance requirements.Automotive Industry
Supports the reliable assessment of body panels, thermal shields, or brackets made from thin aluminum products.Construction and Architecture
Validates the integrity of structural elements such as facades or lightweight panels relying on thin aluminum sections.Quality Control and Material Certification
Serves manufacturers and quality assurance teams needing verified data on the shear strength of thin aluminum alloys for certification, product development, or safety compliance.
By following this standard, organizations can achieve consistent and comparable shear strength data, critical for design validation, product approvals, and meeting customer or regulatory specifications.
Related Standards
ASTM B831-22 functions in concert with several other ASTM standards relevant to aluminum alloys and mechanical testing, such as:
- ASTM B565: Test Method for Shear Testing of Aluminum and Aluminum-Alloy Rivets and Cold-Heading Wire and Rods
- ASTM B769: Test Method for Shear Testing of Aluminum Alloys (for thicker products)
- ASTM E4: Practices for Force Calibration and Verification of Testing Machines
- ASTM E6: Terminology Relating to Methods of Mechanical Testing
- ASTM E177: Practice for Use of the Terms Precision and Bias in ASTM Test Methods
- ASTM E691: Practice for Conducting an Interlaboratory Study to Determine the Precision of a Test Method
- ASTM E2208: Guide for Evaluating Non-Contacting Optical Strain Measurement Systems
When assessing the shear strength of thin aluminum alloys, it is essential to select the appropriate standard based on product dimensions and requirements. Results obtained from ASTM B831-22 are not interchangeable with those from ASTM B565 or B769, as each test method yields unique data tailored for specific product types and thickness ranges.
By using ASTM B831-22, organizations in the aluminum industry ensure rigorous and standardized material shear testing, supporting product safety, performance, and global compliance.
Buy Documents
ASTM B831-22 - Standard Test Method for Shear Testing of Thin Aluminum Alloy Products
REDLINE ASTM B831-22 - Standard Test Method for Shear Testing of Thin Aluminum Alloy Products
Get Certified
Connect with accredited certification bodies for this standard

Element Materials Technology
Materials testing and product certification.
Inštitut za kovinske materiale in tehnologije
Institute of Metals and Technology. Materials testing, metallurgical analysis, NDT.
Sponsored listings
Frequently Asked Questions
ASTM B831-22 is a standard published by ASTM International. Its full title is "Standard Test Method for Shear Testing of Thin Aluminum Alloy Products". This standard covers: SIGNIFICANCE AND USE 5.1 The intent of this test method is to provide a means of measuring the ultimate shear strength of thin aluminum alloy wrought and cast products. It is recognized that the loading conditions developed by this test method, and by most others, are not ideal in that they do not strictly satisfy the definitions of pure shear. However, rarely do pure shear conditions exist in structures. Note 1: Results from this test method are not interchangeable with results from Test Methods B565 and B769. Shear strengths obtained by this test method have been shown to differ from values determined with other methods.3 SCOPE 1.1 This test method covers single shear testing of thin wrought and cast aluminum alloy products to determine shear ultimate strengths. It is intended for products that are too thin to be tested according to Test Method B769. 1.2 The values stated in inch-pound units are to be regarded as standard. The values given in parentheses are mathematical conversions to SI units that are provided for information only and are not considered standard. 1.3 This standard does not purport to address all of the safety concerns, if any, associated with its use. It is the responsibility of the user of this standard to establish appropriate safety, health, and environmental practices and determine the applicability of regulatory limitations prior to use. 1.4 This international standard was developed in accordance with internationally recognized principles on standardization established in the Decision on Principles for the Development of International Standards, Guides and Recommendations issued by the World Trade Organization Technical Barriers to Trade (TBT) Committee.
SIGNIFICANCE AND USE 5.1 The intent of this test method is to provide a means of measuring the ultimate shear strength of thin aluminum alloy wrought and cast products. It is recognized that the loading conditions developed by this test method, and by most others, are not ideal in that they do not strictly satisfy the definitions of pure shear. However, rarely do pure shear conditions exist in structures. Note 1: Results from this test method are not interchangeable with results from Test Methods B565 and B769. Shear strengths obtained by this test method have been shown to differ from values determined with other methods.3 SCOPE 1.1 This test method covers single shear testing of thin wrought and cast aluminum alloy products to determine shear ultimate strengths. It is intended for products that are too thin to be tested according to Test Method B769. 1.2 The values stated in inch-pound units are to be regarded as standard. The values given in parentheses are mathematical conversions to SI units that are provided for information only and are not considered standard. 1.3 This standard does not purport to address all of the safety concerns, if any, associated with its use. It is the responsibility of the user of this standard to establish appropriate safety, health, and environmental practices and determine the applicability of regulatory limitations prior to use. 1.4 This international standard was developed in accordance with internationally recognized principles on standardization established in the Decision on Principles for the Development of International Standards, Guides and Recommendations issued by the World Trade Organization Technical Barriers to Trade (TBT) Committee.
ASTM B831-22 is classified under the following ICS (International Classification for Standards) categories: 77.040.10 - Mechanical testing of metals; 77.150.10 - Aluminium products. The ICS classification helps identify the subject area and facilitates finding related standards.
ASTM B831-22 has the following relationships with other standards: It is inter standard links to ASTM E2208-02(2018)e1, ASTM E4-14, ASTM E177-14, ASTM E177-13, ASTM E691-13, ASTM E691-11, ASTM B769-11, ASTM E2208-02(2010), ASTM E2208-02(2010)e1, ASTM E177-10, ASTM E4-10, ASTM B565-04(2010), ASTM E4-09a, ASTM E6-09b, ASTM E6-09be1. Understanding these relationships helps ensure you are using the most current and applicable version of the standard.
ASTM B831-22 is available in PDF format for immediate download after purchase. The document can be added to your cart and obtained through the secure checkout process. Digital delivery ensures instant access to the complete standard document.
Standards Content (Sample)
This international standard was developed in accordance with internationally recognized principles on standardization established in the Decision on Principles for the
Development of International Standards, Guides and Recommendations issued by the World Trade Organization Technical Barriers to Trade (TBT) Committee.
Designation: B831 − 22
Standard Test Method for
Shear Testing of Thin Aluminum Alloy Products
This standard is issued under the fixed designation B831; the number immediately following the designation indicates the year of
original adoption or, in the case of revision, the year of last revision. A number in parentheses indicates the year of last reapproval. A
superscript epsilon (´) indicates an editorial change since the last revision or reapproval.
1. Scope* E177 Practice for Use of the Terms Precision and Bias in
ASTM Test Methods
1.1 This test method covers single shear testing of thin
E691 Practice for Conducting an Interlaboratory Study to
wrought and cast aluminum alloy products to determine shear
Determine the Precision of a Test Method
ultimate strengths. It is intended for products that are too thin
E2208 Guide for Evaluating Non-Contacting Optical Strain
to be tested according to Test Method B769.
Measurement Systems
1.2 The values stated in inch-pound units are to be regarded
as standard. The values given in parentheses are mathematical
3. Terminology
conversions to SI units that are provided for information only
3.1 Definitions—The definitions of terms relating to me-
and are not considered standard.
chanical testing in Terminology E6 are applicable to the terms
1.3 This standard does not purport to address all of the
used in this test method.
safety concerns, if any, associated with its use. It is the
responsibility of the user of this standard to establish appro-
4. Summary of Test Method
priate safety, health, and environmental practices and deter-
4.1 This test method consists of subjecting a full thickness
mine the applicability of regulatory limitations prior to use.
or machined rectangular test specimen to single shear force to
1.4 This international standard was developed in accor-
failure in a test fixture using a tension testing machine. The
dance with internationally recognized principles on standard-
shear strength is calculated from the maximum force required
ization established in the Decision on Principles for the
to fracture the specimen.
Development of International Standards, Guides and Recom-
mendations issued by the World Trade Organization Technical
5. Significance and Use
Barriers to Trade (TBT) Committee.
5.1 The intent of this test method is to provide a means of
2. Referenced Documents
measuring the ultimate shear strength of thin aluminum alloy
wrought and cast products. It is recognized that the loading
2.1 The following documents of the issue in effect on the
conditions developed by this test method, and by most others,
date of material purchase, unless otherwise noted, form a part
are not ideal in that they do not strictly satisfy the definitions
of this specification to the extent referenced herein:
ofpureshear.However,rarelydopureshearconditionsexistin
2.2 ASTM Standards:
structures.
B565 Test Method for Shear Testing of Aluminum and
NOTE 1—Results from this test method are not interchangeable with
Aluminum-Alloy Rivets and Cold-Heading Wire and
results from Test Methods B565 and B769. Shear strengths obtained by
Rods
this test method have been shown to differ from values determined with
B769 Test Method for Shear Testing of Aluminum Alloys
other methods.
E4 Practices for Force Calibration and Verification of Test-
ing Machines
6. Apparatus
E6 Terminology Relating to Methods of Mechanical Testing
6.1 Testing Machines—The testing machines shall conform
totherequirementsofPracticeE4.Themaximumforceusedto
determine the shear strength shall be within the verified range
This test method is under the jurisdiction of ASTM Committee B07 on Light
Metals and Alloys and is the direct responsibility of Subcommittee B07.05 on
of forces of the testing machine as defined in Practice E4.
Testing.
6.2 Loading Device:
Current edition approved Oct. 1, 2022. Published January 2023. Originally
approved in 1993. Last previous edition approved in 2019 as B831 – 19. DOI:
10.1520/B0831-22.
For referenced ASTM standards, visit the ASTM website, www.astm.org, or
contact ASTM Customer Service at service@astm.org. For Annual Book of ASTM Davies, R. E., and Kaufman, J. G., “Effects of Test Method and Specimen
Standards volume information, refer to the standard’s Document Summary page on Orientation on Shear Strengths ofAluminumAlloys,” Proceedings,ASTM, Vol 64,
the ASTM website. 1964.
*A Summary of Changes section appears at the end of this standard
Copyright © ASTM International, 100 Barr Harbor Drive, PO Box C700, West Conshohocken, PA 19428-2959. United States
B831 − 22
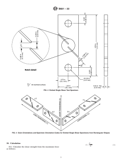
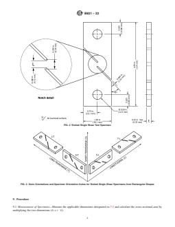
6.2.1 The device for applying force to the specimen from 7.3.1 Measurement of the specimen thickness shall be made
the testing machine shall be a clevis of the type shown in Fig. atalocationbetweenthetwoslotsmachinedintothespecimen.
1 and shall be made of a hardened steel. Measurement of the length of the shear area shall be between
the ends of the slots machined into the specimen, Fig. 2. For
7. Test Specimens
dimensions0.200in.(5.1mm)andover,measuretothenearest
0.001 in. (0.025 mm). For dimensions less than 0.200 in. (5.1
7.1 The specimen size shall be 1.5 in. (38.1 mm) wide by
mm) and not less than 0.100 in. (2.5 mm), measure to the
4.5in.(114mm)long.ThespecimengeometryisshowninFig.
nearest 0.0005 in. (0.013 mm). For dimensions less than 0.100
2. The specimen thickness shall be the full product thickness
in. (2.5 mm), measure to the nearest 0.0001 in. (0.0025 mm).
for a product thickness of 0.250 in. (6.35 mm) or less. For a
product thickness greater than 0.250 in. (6.35 mm), the
7.4 All machined surfaces in the test area shall have a
specimen shall be machined to a thickness of 0.250 in. (6.35
surface finish of 32 µin. (0.80 µm) R or less.
a
mm) by machining equal amounts from each side of the
product.
8. Specimen Orientation and Direction
NOTE 2—The minimum specimen thickness that can be reasonably
8.1 The specimen orientation and the loading direction
tested will be dictated by the material’s ability to resist buckling around
should be identified by the following systems.
the pin hole area during testing.
NOTE 3—The shear strength of wrought aluminum materials usually
7.2 The test area to be sheared shall be centered within
depends on the specimen orientation and the direction in which the load
0.001 in. (0.025 mm) of the load line of the specimen.
is applied relative to the grain flow in the specimen.
7.3 Measure and record the thickness (t) and length (L)of
8.1.1 The reference directions for rectangular shapes are
theareatobesheared.Measurementsshallbemadeasfollows:
indicated in Fig. 3. These are suitable for sheet, plate,
extrusions, forgings, and other shapes having nonsymmetrical
grain flow.
8.2 The two-letter code is used in Fig. 3 to describe the
specimen orientations and loading directions.
NOTE 4—The first letter designates the normal to the expected shear
plane. The second letter designates the direction of force application or
expected fracture direction. The most commonly used specimen orienta-
tions and loading directions are T-Land L-T for in-plane shear strength of
thin products.This orientation code is identical to that used for cylindrical
shear specimens in Test Method B769.
NOTE 5—These orientation codes are analagous to those used for
fracture specimens if the first letter is interpreted as the normal to the
fracture plane and the second letter is the direction of fracture.
NOTE 6—Typically, cast aluminum products do not exhibit the direc-
tionality of wrought products; therefore, the orientation codes are not
applicable to castings.
9. Procedure
9.1 Measurement of Specimens—Measure the applicable
dimensions designated in 7.3 and calculate the cross-sectional
area by multiplying the two dimensions (A = t · L).
9.2 Testing—Mount the specimen in the test fixture as
shown in Fig. 1. The specimen should not be restrained by
clamping of the load pin area during the test.
9.2.1 When assembling the loading train (clevises and their
attachments to the testing machine), take care to minimize
eccentricity of loadin
...
This document is not an ASTM standard and is intended only to provide the user of an ASTM standard an indication of what changes have been made to the previous version. Because
it may not be technically possible to adequately depict all changes accurately, ASTM recommends that users consult prior editions as appropriate. In all cases only the current version
of the standard as published by ASTM is to be considered the official document.
Designation: B831 − 19 B831 − 22
Standard Test Method for
Shear Testing of Thin Aluminum Alloy Products
This standard is issued under the fixed designation B831; the number immediately following the designation indicates the year of
original adoption or, in the case of revision, the year of last revision. A number in parentheses indicates the year of last reapproval. A
superscript epsilon (´) indicates an editorial change since the last revision or reapproval.
1. Scope*
1.1 This test method covers single shear testing of thin wrought and cast aluminum alloy products to determine shear ultimate
strengths. It is intended for products that are too thin to be tested according to Test Method B769.
1.2 The values stated in inch-pound units are to be regarded as standard. The values given in parentheses are mathematical
conversions to SI units that are provided for information only and are not considered standard.
1.3 This standard does not purport to address all of the safety concerns, if any, associated with its use. It is the responsibility
of the user of this standard to establish appropriate safety, health, and environmental practices and determine the applicability of
regulatory limitations prior to use.
1.4 This international standard was developed in accordance with internationally recognized principles on standardization
established in the Decision on Principles for the Development of International Standards, Guides and Recommendations issued
by the World Trade Organization Technical Barriers to Trade (TBT) Committee.
2. Referenced Documents
2.1 The following documents of the issue in effect on the date of material purchase, unless otherwise noted, form a part of this
specification to the extent referenced herein:
2.2 ASTM Standards:
B565 Test Method for Shear Testing of Aluminum and Aluminum-Alloy Rivets and Cold-Heading Wire and Rods
B769 Test Method for Shear Testing of Aluminum Alloys
E4 Practices for Force Calibration and Verification of Testing Machines
E6 Terminology Relating to Methods of Mechanical Testing
E177 Practice for Use of the Terms Precision and Bias in ASTM Test Methods
E691 Practice for Conducting an Interlaboratory Study to Determine the Precision of a Test Method
E2208 Guide for Evaluating Non-Contacting Optical Strain Measurement Systems
3. Terminology
3.1 Definitions—The definitions of terms relating to shearmechanical testing in Terminology E6 are applicable to the terms used
in this test method.
This test method is under the jurisdiction of ASTM Committee B07 on Light Metals and Alloys and is the direct responsibility of Subcommittee B07.05 on Testing.
Current edition approved May 1, 2019Oct. 1, 2022. Published July 2019January 2023. Originally approved in 1993. Last previous edition approved in 20142019 as
B831 – 14.B831 – 19. DOI: 10.1520/B0831-19.10.1520/B0831-22.
For referenced ASTM standards, visit the ASTM website, www.astm.org, or contact ASTM Customer Service at service@astm.org. For Annual Book of ASTM Standards
volume information, refer to the standard’s Document Summary page on the ASTM website.
*A Summary of Changes section appears at the end of this standard
Copyright © ASTM International, 100 Barr Harbor Drive, PO Box C700, West Conshohocken, PA 19428-2959. United States
B831 − 22
4. Summary of Test Method
4.1 This test method consists of subjecting a full thickness or machined rectangular test specimen to single shear force to failure
in a test fixture using a tension testing machine. The shear strength is calculated from the maximum force required to fracture the
specimen.
5. Significance and Use
5.1 The intent of this test method is to provide a means of measuring the ultimate shear strength of thin aluminum alloy wrought
and cast products. It is recognized that the loading conditions developed by this test method, and by most others, are not ideal in
that they do not strictly satisfy the definitions of pure shear. However, rarely do pure shear conditions exist in structures.
NOTE 1—Results from this test method are not interchangeable with results from Test Methods B565 and B769. Shear strengths obtained by this test
method have been shown to differ from values determined with other methods.
6. Apparatus
6.1 Testing Machines—The testing machines shall conform to the requirements of Practice E4. The maximum force used to
determine the shear strength shall be within the verified force range of forces of the testing machine as defined in Practice E4.
6.2 Loading Device:
6.2.1 The device for applying force to the specimen from the testing machine shall be a clevis of the type shown in Fig. 1 and
shall be made of a hardened steel.
7. Test Specimens
7.1 The specimen size shall be 1.5 in. (38.1 mm) wide by 4.5 in. (114 mm) long. The specimen geometry is shown in Fig. 2. The
specimen thickness shall be the full product thickness for a product thickness of 0.250 in. (6.35 mm) or less. For a product
thickness greater than 0.250 in. (6.35 mm), the specimen shall be machined to a thickness of 0.250 in. (6.35 mm) by machining
equal amounts from each side of the product.
NOTE 2—The minimum specimen thickness that can be reasonably tested will be dictated by the material’s ability to resist buckling around the pin hole
area during testing.The minimum specimen thickness that can be reasonably tested will be dictated by the material’s ability to resist
buckling around the pin hole area during testing.
7.2 The test area to be sheared shall be centered within 0.001 in. (0.025 mm) of the load line of the specimen.
7.3 Measure and record the thickness (t) and length (L) of the area to be sheared. Measurements shall be made as follows:
7.3.1 Measurement of the specimen thickness shall be made at a location between the two slots machined into the specimen.
Measurement of the length of the shear area shall be between the ends of the slots machined into the specimen, Fig. 2. For
dimensions 0.200 in. (5.1 mm) and over, measure to the nearest 0.001 in. (0.025 mm). For dimensions less than 0.200 in. (5.1 mm)
and not less than 0.100 in. (2.5 mm), measure to the nearest 0.0005 in. (0.013 mm). For dimensions less than 0.100 in. (2.5 mm),
measure to the nearest 0.0001 in. (0.0025 mm).
7.4 All machined surfaces in the test area shall have a surface finish of 32 μin. (0.80 μm) R or less.
a
8. Specimen Orientation and Direction
8.1 The shear strength of wrought aluminum materials usually depends on the specimen orientation and the direction in which the
load is applied relative to the grain flow in the specimen. The specimen orientation and the loading direction should be identified
by the following systems.
Davies, R. E., and Kaufman, J. G., “Effects of Test Method and Specimen Orientation on Shear Strengths of Aluminum Alloys,” Proceedings, ASTM, Vol 64, 1964.
B831 − 22
FIG. 1 Slotted Single Shear Test Fixture
NOTE 3—The shear strength of wrought aluminum materials usually depends on the specimen orientation and the direction in which the load is applied
relative to the grain flow in the specimen.
8.1.1 The reference directions for rectangular shapes are indicated in Fig. 3. These are suitable for sheet, plate, extrusions,
forgings, and other shapes having nonsymmetrical grain flow.
8.2 The two-letter code is used in Fig. 3 to describe the specimen orientations and loading directions. The first letter designates
the normal to the expected shear plane. The second letter designates the direction of force application or expected fracture
direction. The most commonly used specimen orientations and loading directions are T-L and L-T for in-plane shear strength of
thin products. This orientation code is identical to that used for cylindrical shear specimens in Test Method B769.
NOTE 4—The first letter designates the normal to the expected shear plane. The second letter designates the direction of force application or expected
fracture direction. The most commonly used specimen orientations and loading directions are T-L and L-T for in-plane shear strength of thin products.
This orientation code is identical to that used for cylindrical shear specimens in Test Method B769.
NOTE 5—These orientation codes are analagous to those used for fracture specimens if the first letter is interpreted as the normal to the fracture plane
and the second letter is the direction of fracture.
NOTE 6—Typically, cast aluminum products do not exhibit the directionality of wrought products; therefore, the orientation codes are not applicable to
castings.
...








Questions, Comments and Discussion
Ask us and Technical Secretary will try to provide an answer. You can facilitate discussion about the standard in here.
Loading comments...