ASTM E499/E499M-11(2017)
(Practice)Standard Practice for Leaks Using the Mass Spectrometer Leak Detector in the Detector Probe Mode
Standard Practice for Leaks Using the Mass Spectrometer Leak Detector in the Detector Probe Mode<rangeref></rangeref >
SIGNIFICANCE AND USE
6.1 Test Method A is frequently used to test large systems and complex piping installations that can be filled with a trace gas. Helium is normally used. The test method is used to locate leaks but cannot be used to quantify except for approximation. Care must be taken to provide sufficient ventilation to prevent increasing the helium background at the test site. Results are limited by the helium background and the percentage of the leaking trace gas captured by the probe.
6.2 Test Method B is used to increase the concentration of trace gas coming through the leak by capturing it within an enclosure until the signal above the helium background can be detected. By introducing a calibrated leak into the same volume for a recorded time interval, leak rates can be measured.
SCOPE
1.1 This practice covers procedures for testing and locating the sources of gas leaking at the rate of 1 × 10 −7 Pa m3/s (1 × 10−8 Std cm3/s)3 or greater. The test may be conducted on any device or component across which a pressure differential of helium or other suitable tracer gas may be created, and on which the effluent side of the leak to be tested is accessible for probing with the mass spectrometer sampling probe.
1.2 Two test methods are described:
1.2.1 Test Method A—Direct probing, and
1.2.2 Test Method B—Accumulation.
1.3 Units—The values stated in either SI or std-cc/sec units are to be regarded separately as standard. The values stated in each system may not be exact equivalents: therefore, each system shall be used independently of the other. Combining values from the two systems may result in non-conformance with the standard.
1.4 This standard does not purport to address all of the safety concerns, if any, associated with its use. It is the responsibility of the user of this standard to establish appropriate safety and health practices and determine the applicability of regulatory limitations prior to use.
1.5 This international standard was developed in accordance with internationally recognized principles on standardization established in the Decision on Principles for the Development of International Standards, Guides and Recommendations issued by the World Trade Organization Technical Barriers to Trade (TBT) Committee.
General Information
- Status
- Published
- Publication Date
- 31-May-2017
- Technical Committee
- E07 - Nondestructive Testing
- Drafting Committee
- E07.08 - Leak Testing Method
Relations
- Effective Date
- 01-Jun-2017
- Effective Date
- 01-Feb-2024
- Effective Date
- 01-Dec-2019
- Effective Date
- 01-Mar-2019
- Effective Date
- 01-Jan-2018
- Effective Date
- 15-Jun-2017
- Effective Date
- 01-Feb-2017
- Effective Date
- 01-Aug-2016
- Effective Date
- 01-Feb-2016
- Effective Date
- 01-Dec-2015
- Effective Date
- 01-Sep-2015
- Effective Date
- 01-Jun-2014
- Effective Date
- 01-Jun-2014
- Effective Date
- 01-Dec-2013
- Effective Date
- 15-Jun-2013
Overview
ASTM E499/E499M-11(2017), Standard Practice for Leaks Using the Mass Spectrometer Leak Detector in the Detector Probe Mode, provides detailed procedures for detecting and locating gas leaks utilizing mass spectrometer leak detectors operating in probe mode. This standard is vital for industries tasked with ensuring the integrity and reliability of equipment, piping, and components where gas leakage can pose risks to safety, quality, or performance. Using primarily helium or suitable tracer gases, this practice allows for sensitive leak detection across a wide range of systems, facilitating maintenance, verification, and compliance with safety requirements.
Key Topics
Test Methods:
- Method A: Direct Probing
Involves probing accessible surfaces of devices or components where a pressure differential exists, making it possible to detect and locate leaks by monitoring the presence of tracer gas on the atmospheric side. - Method B: Accumulation
Utilizes an enclosure to capture and measure tracer gas (such as helium) that accumulates over time, increasing test sensitivity and enabling the quantification of leak rates by comparing against a calibrated leak standard.
- Method A: Direct Probing
Helium Leak Detection:
Helium is frequently used as a tracer gas due to its inert, non-toxic nature and low natural background presence, which supports high sensitivity in mass spectrometric methods.Sensitivity and Calibration:
The practice outlines requirements for instrument sensitivity-capable of detecting leaks at or above 1 x 10⁻⁷ Pa m³/s (1 x 10⁻⁸ Std cm³/s)-and emphasizes the importance of regular system calibration with a helium leak standard to ensure accurate and reliable results.Interferences and Limitations:
Factors such as background atmospheric helium levels, outgassing from nonmetallic materials, and cleanliness of tested components can affect test effectiveness and must be managed to avoid false readings or reduced sensitivity.
Applications
ASTM E499/E499M-11(2017) is applied broadly across various sectors, including:
- Industrial Manufacturing:
Leak detection in pressure vessels, pipelines, valve assemblies, and welded systems during fabrication and routine maintenance. - Aerospace and Defense:
Validating the integrity of fuel lines, tanks, and sealed components where leaks could compromise safety or performance. - Automotive and Transportation:
Ensuring leak-tightness of critical systems in vehicles and support equipment. - Utilities and Energy:
Verifying gas containment in power generation equipment and transmission infrastructure. - Semiconductor and Pharmaceutical Industries:
Maintaining stringent atmospheric and process integrity in high-vacuum and cleanroom environments.
Regular use of mass spectrometer leak detection, as outlined in this standard, supports preventative maintenance, regulatory compliance, and operational safety by quickly identifying and allowing remediation of even minute leaks.
Related Standards
For comprehensive leak detection and nondestructive testing programs, consider these related standards:
- ASTM E1316:
Terminology for Nondestructive Examinations – Key reference for understanding terms used in leak detection. - Guide E432:
Covers mechanisms and applications for detector probe mode in leak testing. - ANSI/ASNT CP-189 and SNT-TC-1A:
Guidelines for the qualification and certification of nondestructive testing personnel. - Additional Leak Test Standards:
Other ASTM E07 Committee standards address various tracer gases, test environments, and component-specific leak testing requirements.
By following ASTM E499/E499M-11(2017), organizations enhance their leak testing reliability, extend equipment life, and ensure compliance with industry best practices and safety regulations.
Buy Documents
ASTM E499/E499M-11(2017) - Standard Practice for Leaks Using the Mass Spectrometer Leak Detector in the Detector Probe Mode<rangeref></rangeref >
Get Certified
Connect with accredited certification bodies for this standard

ECOCERT
Organic and sustainability certification.

Eurofins Food Testing Global
Global leader in food, environment, and pharmaceutical product testing.

Intertek Bangladesh
Intertek certification and testing services in Bangladesh.
Sponsored listings
Frequently Asked Questions
ASTM E499/E499M-11(2017) is a standard published by ASTM International. Its full title is "Standard Practice for Leaks Using the Mass Spectrometer Leak Detector in the Detector Probe Mode<rangeref></rangeref >". This standard covers: SIGNIFICANCE AND USE 6.1 Test Method A is frequently used to test large systems and complex piping installations that can be filled with a trace gas. Helium is normally used. The test method is used to locate leaks but cannot be used to quantify except for approximation. Care must be taken to provide sufficient ventilation to prevent increasing the helium background at the test site. Results are limited by the helium background and the percentage of the leaking trace gas captured by the probe. 6.2 Test Method B is used to increase the concentration of trace gas coming through the leak by capturing it within an enclosure until the signal above the helium background can be detected. By introducing a calibrated leak into the same volume for a recorded time interval, leak rates can be measured. SCOPE 1.1 This practice covers procedures for testing and locating the sources of gas leaking at the rate of 1 × 10 −7 Pa m3/s (1 × 10−8 Std cm3/s)3 or greater. The test may be conducted on any device or component across which a pressure differential of helium or other suitable tracer gas may be created, and on which the effluent side of the leak to be tested is accessible for probing with the mass spectrometer sampling probe. 1.2 Two test methods are described: 1.2.1 Test Method A—Direct probing, and 1.2.2 Test Method B—Accumulation. 1.3 Units—The values stated in either SI or std-cc/sec units are to be regarded separately as standard. The values stated in each system may not be exact equivalents: therefore, each system shall be used independently of the other. Combining values from the two systems may result in non-conformance with the standard. 1.4 This standard does not purport to address all of the safety concerns, if any, associated with its use. It is the responsibility of the user of this standard to establish appropriate safety and health practices and determine the applicability of regulatory limitations prior to use. 1.5 This international standard was developed in accordance with internationally recognized principles on standardization established in the Decision on Principles for the Development of International Standards, Guides and Recommendations issued by the World Trade Organization Technical Barriers to Trade (TBT) Committee.
SIGNIFICANCE AND USE 6.1 Test Method A is frequently used to test large systems and complex piping installations that can be filled with a trace gas. Helium is normally used. The test method is used to locate leaks but cannot be used to quantify except for approximation. Care must be taken to provide sufficient ventilation to prevent increasing the helium background at the test site. Results are limited by the helium background and the percentage of the leaking trace gas captured by the probe. 6.2 Test Method B is used to increase the concentration of trace gas coming through the leak by capturing it within an enclosure until the signal above the helium background can be detected. By introducing a calibrated leak into the same volume for a recorded time interval, leak rates can be measured. SCOPE 1.1 This practice covers procedures for testing and locating the sources of gas leaking at the rate of 1 × 10 −7 Pa m3/s (1 × 10−8 Std cm3/s)3 or greater. The test may be conducted on any device or component across which a pressure differential of helium or other suitable tracer gas may be created, and on which the effluent side of the leak to be tested is accessible for probing with the mass spectrometer sampling probe. 1.2 Two test methods are described: 1.2.1 Test Method A—Direct probing, and 1.2.2 Test Method B—Accumulation. 1.3 Units—The values stated in either SI or std-cc/sec units are to be regarded separately as standard. The values stated in each system may not be exact equivalents: therefore, each system shall be used independently of the other. Combining values from the two systems may result in non-conformance with the standard. 1.4 This standard does not purport to address all of the safety concerns, if any, associated with its use. It is the responsibility of the user of this standard to establish appropriate safety and health practices and determine the applicability of regulatory limitations prior to use. 1.5 This international standard was developed in accordance with internationally recognized principles on standardization established in the Decision on Principles for the Development of International Standards, Guides and Recommendations issued by the World Trade Organization Technical Barriers to Trade (TBT) Committee.
ASTM E499/E499M-11(2017) is classified under the following ICS (International Classification for Standards) categories: 71.060.01 - Inorganic chemicals in general. The ICS classification helps identify the subject area and facilitates finding related standards.
ASTM E499/E499M-11(2017) has the following relationships with other standards: It is inter standard links to ASTM E499/E499M-11, ASTM E1316-24, ASTM E1316-19b, ASTM E1316-19, ASTM E1316-18, ASTM E1316-17a, ASTM E1316-17, ASTM E1316-16a, ASTM E1316-16, ASTM E1316-15a, ASTM E1316-15, ASTM E1316-14e1, ASTM E1316-14, ASTM E1316-13d, ASTM E1316-13c. Understanding these relationships helps ensure you are using the most current and applicable version of the standard.
ASTM E499/E499M-11(2017) is available in PDF format for immediate download after purchase. The document can be added to your cart and obtained through the secure checkout process. Digital delivery ensures instant access to the complete standard document.
Standards Content (Sample)
This international standard was developed in accordance with internationally recognized principles on standardization established in the Decision on Principles for the
Development of International Standards, Guides and Recommendations issued by the World Trade Organization Technical Barriers to Trade (TBT) Committee.
Designation: E499/E499M − 11 (Reapproved 2017)
Standard Practice for
Leaks Using the Mass Spectrometer Leak Detector in the
1,2
Detector Probe Mode
This standard is issued under the fixed designation E499/E499M; the number immediately following the designation indicates the year
of original adoption or, in the case of revision, the year of last revision.Anumber in parentheses indicates the year of last reapproval.
A superscript epsilon (´) indicates an editorial change since the last revision or reapproval.
This standard has been approved for use by agencies of the U.S. Department of Defense.
1. Scope 2. Referenced Documents
2.1 ASTM Standards:
1.1 This practice covers procedures for testing and locating
−7 3
E1316Terminology for Nondestructive Examinations
the sources of gas leaking at the rate of 1×10 Pa m /s
−8
3 3
2.2 Other Documents:
(1×10 Std cm /s) or greater. The test may be conducted on
SNT-TC-1A Recommended Practice for Personnel Qualifi-
any device or component across which a pressure differential
cation and Certification in Nondestructive Testing
of helium or other suitable tracer gas may be created, and on
ANSI/ASNT CP-189ASNT Standard for Qualification and
which the effluent side of the leak to be tested is accessible for
Certification of Nondestructive Testing Personnel
probing with the mass spectrometer sampling probe.
1.2 Two test methods are described:
3. Terminology
1.2.1 Test Method A—Direct probing, and
3.1 Definitions—For definitions of terms used in this
1.2.2 Test Method B—Accumulation. standard, see Terminology E1316, Section E.
1.3 Units—The values stated in either SI or std-cc/sec units
4. Summary of Practice
are to be regarded separately as standard. The values stated in
4.1 Section1.8oftheLeakageTestingHandbook willbeof
each system may not be exact equivalents: therefore, each
value to some users in determining which leak test method to
system shall be used independently of the other. Combining
use.
values from the two systems may result in non-conformance
4.2 The test methods covered in this practice require a leak
with the standard.
−6 3
detector with a full-scale readout of at least 1×10 Pa m /s
−7
1.4 This standard does not purport to address all of the
3 3
(1×10 Std cm /s) on the most sensitive range, a maximum
safety concerns, if any, associated with its use. It is the
1-mindriftofzeroandsensitivityof 65%offullscaleonthis
responsibility of the user of this standard to establish appro-
range, and 62% or less on others (see 7.1). The above
priate safety and health practices and determine the applica-
sensitivities are those obtained by probing an actual standard
bility of regulatory limitations prior to use.
leak in atmosphere with the detector, or sampling, probe, and
1.5 This international standard was developed in accor-
not the sensitivity of the detector to a standard leak attached
dance with internationally recognized principles on standard-
directly to the vacuum system.
ization established in the Decision on Principles for the
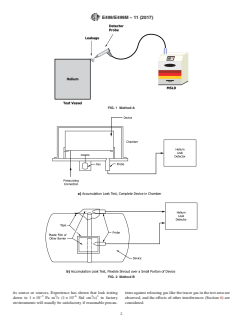
4.3 Test Method A, Direct Probing (see Fig. 1), is the
Development of International Standards, Guides and Recom-
simplest test, and may be used in parts of any size, requiring
mendations issued by the World Trade Organization Technical
only that a tracer gas pressure be created across the area to be
Barriers to Trade (TBT) Committee.
tested, and the searching of the atmospheric side of the area be
with the detector probe. This test method detects leakage and
This practice is under the jurisdiction of ASTM Committee E07 on Nonde-
structive Testing and is the direct responsibility of Subcommittee E07.08 on Leak For referenced ASTM standards, visit the ASTM website, www.astm.org, or
Testing Method. contact ASTM Customer Service at service@astm.org. For Annual Book of ASTM
CurrenteditionapprovedJune1,2017.PublishedJuly2017.Originallyapproved Standards volume information, refer to the standard’s Document Summary page on
in 1973. Last previous edition approved in 2011 as E499-11. DOI: 10.1520/E0499 the ASTM website.
_E0499M-11R17. AvailablefromAmericanSocietyforNondestructiveTesting(ASNT),P.O.Box
(Atmospheric pressure external, pressure above atmospheric internal). This 28518, 1711 Arlingate Ln., Columbus, OH 43228-0518, http://www.asnt.org.
document covers the Detector Probe Mode described in Guide E432. Marr,J.William,“LeakageTestingHandbook,”preparedforLiquidPropulsion
The gas temperature is referenced to 0°C. To convert to another gas reference Section,JetPropulsionLaboratory,NationalAeronauticsandSpaceAdministration,
temperature, T , multiply the leak rate by (T +273) ⁄273. Pasadena, CA, Contract NAS 7-396, June 1961.
ref ref
Copyright © ASTM International, 100 Barr Harbor Drive, PO Box C700, West Conshohocken, PA 19428-2959. United States
E499/E499M − 11 (2017)
FIG. 1 Method A
FIG. 2 Method B
its source or sources. Experience has shown that leak testing tionsagainstreleasinggaslikethetracergasinthetestareaare
−5 3 −6 3 3
down to 1×10 Pa m /s (1×10 Std cm /s) in factory observed, and the effects of other interferences (Section 6) are
environments will usually be satisfactory if reasonable precau- considered.
E499/E499M − 11 (2017)
4.4 Test Method B, Accumulation Testing (see Fig. 2), plastics) may be released during the test. If the rate and
provides for the testing of parts up to several cubic metres in magnitude of the amount released approaches the amount
volumeasinFig.2(a)orinportionsoflargerdevicesasinFig. released from the leak, the reliability of the test is decreased.
2(b). This is accomplished by allowing the leakage to accu- Theamountofsuchmaterialsortheirexposuretoheliummust
mulate in the chamber for a fixed period, while keeping it well then be reduced to obtain a meaningful test.
mixed with a fan, and then testing the internal atmosphere for
7.3 Pressurizing with Test Gas—Inordertoevaluateleakage
an increase in tracer gas content with the detector probe. The
accurately, the test gas in all parts of the device must contain
practical sensitivity attainable with this method depends pri-
substantially the same amount of tracer gas. When the device
marilyontwothings:first,onthevolumebetweenthechamber
contains air prior to the introduction of test gas, or when an
and the object; and second, on the amount of outgassing of
inert gas and a tracer gas are added separately, this may not be
tracer gas produced by the object. Thus, a part having consid-
true.Devicesinwhichtheeffectivediameterandlengtharenot
erable exposed rubber, plastic, blind cavities or threads cannot
greatly different (such as tanks) may be tested satisfactorily by
be tested with the sensitivity of a smooth metallic part. The
simply adding tracer gas. However, when long or restricted
time in which a leak can be detected is directly proportional to
systems are to be tested, more uniform tracer distribution will
the leak rate and inversely proportional to the volume between
be obtained by first evacuating to less than 100 Pa (a few torr),
the chamber and the part. In theory, extremely small leaks can
and then filling with the test gas. The latter must be premixed
bedetectedbythistestmethod;however,thetimerequiredand
if not 100% tracer.
the effects of other interferences limit the practical sensitivity
−7 3 −8
7.4 Dirt and Liquids—As the orifice in the detector probe is
of this test method to about 1×10 Pa m /s (1×10 Std
3 3
very small, the parts being tested should be clean and dry to
cm /s) for small parts.
avoid plugging. Reference should be frequently made to a
5. Personnel Qualification standard leak to ascertain that this has not happened.
5.1 It is recommended that personnel performing leak test-
8. Apparatus,
ing attend a dedicated training course on the subject and pass
a written examination.The training course should be appropri-
8.1 Helium Leak Detector, equipped with atmospheric de-
ate for NDT level II qualification according to Recommended
tector probe. To perform tests as specified in this standard, the
Practice No. SNT-TC-1A of theAmerican Society for Nonde-
detector should be adjusted for testing with helium and should
structive Testing or ANSI/ASNT Standard CP-189.
have the following minimum features:
8.1.1 Sensor Mass Analyzer.
6. Significance and Use
8.1.2 Readout, analog or digital.
−5
6.1 Test Method A is frequently used to test large systems
8.1.3 Range (linear)—A signal equivalent to 1×10 Pa
3 −6 3 3
and complex piping installations that can be filled with a trace
m /s (1×10 Std cm /s) or larger must be detectable.
gas.Heliumisnormallyused.Thetestmethodisusedtolocate
8.1.4 Response time, 3 s or less.
leaks but cannot be used to quantify except for approximation.
8.1.5 Stability of Zero and Sensitivity— A maximum varia-
Care must be taken to provide sufficient ventilation to prevent
tionof 65%offullscaleonthemostsensitiverangewhilethe
increasing the helium background at the test site. Results are
probe is active; a maximum variation of 62% of full scale on
limited by the helium background and the percentage of the
other ranges for a period of 1 min.
leaking trace gas captured by the probe.
NOTE 1—Variations may be a function of environmental interferences
6.2 Test Method B is used to increase the concentration of
rather than equipment limitations.
trace gas coming through the leak by capturing it within an
8.1.6 Controls:
enclosure until the signal above the helium background can be
8.1.6.1 Range, preferable in scale steps of 10×.
detected. By introducing a calibrated leak into the same
8.1.6.2 Zero, having sufficient range to null out atmospheric
volume for a recorded time interval, leak rates can be mea-
helium.
sured.
8.2 Helium Leak Standard—To perform leak tests as speci-
7. Interferences,
fied in this standard (system calibration), the leak standard
should meet the following minimum requirements:
7.1 Atmospheric Helium—The atmosphere contains about
−2 −6 3 −3 −7
8.2.1 Ranges—1×10 to 1×10 Pa m /s (10 to 10
five parts per million (ppm) of helium, which is being
3 3
Std cm /s) full scale calibrated for discharge to atmosphere.
continuously drawn in by the detector probe. This background
8.2.2 Adjustability—Adjustable leak standards are a conve-
must be “zeroed out” before leak testing using helium can
nience but are not mandatory.
proceed. Successful leak testing is contingent on the ability of
8.2.3 Accuracy, 615% of full-scale value or better.
the detector to discriminate between normal atmospheric
8.2.4 Temperature Coeffıcient, shall be stated by manufac-
helium, which is very constant, and an increase in helium due
to a leak. If the normally stable atmospheric helium level is turer.
increased by release of helium in the test area, the reference
8.3 Helium Leak Standard, as in 8.2 but with ranges of
level becomes unstable, and leak testing more difficult. −5 3 −8 3 −6 −9 3
1×10 Pa m /s or 1×10 Pa m /s (10 or 10 Std cm /s)
7.2 Helium Outgassed from Absorbent Materials—Helium full scale calibrated for discharge to vacuum shall be used for
absorbed in various nonmetallic materials (such as rubber or instrument calibration.
E499/E499M − 11 (2017)
8.4 Other Apparatus—Fixtures or other equipment specific 11.1.2 Safety Factor—Where feasible, it should be ascer-
to one test method are listed under that test method. tainedthatareasonablesafetyfactorhasbeenallowedbetween
the actual operational requirements of the device and the
9. Material
maximum specified for testing. Experience indicates that a
factor of at least 10 should be used when possible. For
9.1 Test Gas Requirements:
example, if a maximum total leak rate for satisfactory opera-
9.1.1 To be satisfactory, the test gas shall be nontoxic,
−5 3 −6 3 3
tion of a device is 5×10 Pa m /s (5×10 Std cm /s) , the
nonflammable, not detrimental to common materials, and
−6 3 −7
test requirement
...




Questions, Comments and Discussion
Ask us and Technical Secretary will try to provide an answer. You can facilitate discussion about the standard in here.
Loading comments...