ISO 1708:1989
(Main)Acceptance conditions for general purpose parallel lathes - Testing of the accuracy
Acceptance conditions for general purpose parallel lathes - Testing of the accuracy
Specifies both geometrical and practical tests on these parallel lathes, and gives the corresponding permissible dviations which apply. It deals only with verification of the accuracy of the machine. It does not apply tothe testing of the running of the machine (vibrations, abnormal noises, stick-slip motion of components, etc.), or to characteristics (speeds, feeds, etc.), which shall generally be checked before the accuracy is tested. This fourth edition cancels and replaces the third edition (ISO 1708: 1983).
Conditions de réception des tours parallèles d'usage général — Contrôle de la précision
La présente Norme internationale prescrit, par référence à l'ISO 230-1, les vérifications géométriques et les épreuves pratiques des tours parallèles d'usage général, ainsi que les écarts tolérés correspondants. Elle ne traite que du contrôle de la précision de la machine. Elle ne concerne ni l'examen de son fonctionnement (vibrations, bruits anormaux, points durs dans les déplacements d'organes, etc.), ni celui de ses caractéristiques (vitesses, avances, etc.), examens qui doivent, en général, précéder celui de la précision.
General Information
- Status
- Published
- Publication Date
- 18-Oct-1989
- Technical Committee
- ISO/TC 39/SC 2 - Test conditions for metal cutting machine tools
- Drafting Committee
- ISO/TC 39/SC 2 - Test conditions for metal cutting machine tools
- Current Stage
- 9093 - International Standard confirmed
- Start Date
- 17-May-2022
- Completion Date
- 13-Dec-2025
Relations
- Revises
ISO 1708:1983 - Acceptance conditions for general purpose parallel lathes - Testing of the accuracy - Effective Date
- 15-Apr-2008
Overview
ISO 1708:1989 - Acceptance conditions for general purpose parallel lathes - Testing of the accuracy defines the procedures and permissible deviations for verifying the geometric and practical accuracy of general-purpose parallel lathes. It addresses only accuracy verification (geometrical and machining performance under finishing cuts) and explicitly excludes dynamic running checks (vibrations, abnormal noises, stick‑slip) and checks of speeds/feeds. The standard references ISO 230‑1 for machine installation, warm‑up, measuring methods and testing equipment accuracy.
Key topics and requirements
- Scope and purpose: Specifies which geometrical and practical tests apply to general purpose and precision lathes and gives corresponding permissible deviations.
- Geometrical tests: Straightness and level of bed/slideways, carriage straightness, parallelism of tailstock and spindle axis to carriage movement, squareness of slides, run‑out of spindle nose and centres, and lead‑screw pitch error.
- Practical (machining) tests: Machining of test pieces (finishing cuts) to check circularity, diameter variation and consistency of machined diameters; tests are performed under finishing conditions to avoid cutting‑force errors.
- Permissible deviations: Tolerances are given for precision and other lathes; many specified deviations fall in the order of 0.005–0.05 mm (0.0002–0.002 in) depending on the test, machine class and measuring length.
- Measuring methods and instruments: Use of dial gauges, levels, mandrels, optical or microscope methods, straightedges and length bars - with measurement lengths and local tolerances defined. The standard allows users and manufacturers to agree on a subset of tests and measurement sequencing.
- Reference requirements: Tests and acceptance codes reference ISO 230‑1 (machine tool accuracy under no‑load/finishing conditions) and ISO 1101 for related geometric tolerancing where applicable.
Applications and users
ISO 1708:1989 is used for:
- Acceptance testing of new or repaired parallel lathes at factory or on site
- Quality control and inspection during procurement or handover
- Calibration and verification by machine‑tool test laboratories
- Maintenance and periodic accuracy checks to support process capability
Primary users include machine tool manufacturers, quality/inspection engineers, test laboratories, procurement specialists and maintenance teams who require standardized, repeatable accuracy verification and clear permissible deviation limits.
Related standards
- ISO 230‑1 - Acceptance code for machine tools: geometric accuracy (referenced for installation, warm‑up and measuring methods)
- ISO 1101 - Geometrical product specifications (for tolerance interpretation and geometric tolerancing)
Keywords: ISO 1708:1989, parallel lathes, testing of the accuracy, geometrical tests, practical tests, permissible deviations, ISO 230-1, machine tool acceptance.
ISO 1708:1989 - Acceptance conditions for general purpose parallel lathes -- Testing of the accuracy
ISO 1708:1989 - Conditions de réception des tours paralleles d'usage général -- Contrôle de la précision
ISO 1708:1989 - Conditions de réception des tours paralleles d'usage général -- Contrôle de la précision
Frequently Asked Questions
ISO 1708:1989 is a standard published by the International Organization for Standardization (ISO). Its full title is "Acceptance conditions for general purpose parallel lathes - Testing of the accuracy". This standard covers: Specifies both geometrical and practical tests on these parallel lathes, and gives the corresponding permissible dviations which apply. It deals only with verification of the accuracy of the machine. It does not apply tothe testing of the running of the machine (vibrations, abnormal noises, stick-slip motion of components, etc.), or to characteristics (speeds, feeds, etc.), which shall generally be checked before the accuracy is tested. This fourth edition cancels and replaces the third edition (ISO 1708: 1983).
Specifies both geometrical and practical tests on these parallel lathes, and gives the corresponding permissible dviations which apply. It deals only with verification of the accuracy of the machine. It does not apply tothe testing of the running of the machine (vibrations, abnormal noises, stick-slip motion of components, etc.), or to characteristics (speeds, feeds, etc.), which shall generally be checked before the accuracy is tested. This fourth edition cancels and replaces the third edition (ISO 1708: 1983).
ISO 1708:1989 is classified under the following ICS (International Classification for Standards) categories: 25.080.10 - Lathes. The ICS classification helps identify the subject area and facilitates finding related standards.
ISO 1708:1989 has the following relationships with other standards: It is inter standard links to ISO 1708:1983. Understanding these relationships helps ensure you are using the most current and applicable version of the standard.
You can purchase ISO 1708:1989 directly from iTeh Standards. The document is available in PDF format and is delivered instantly after payment. Add the standard to your cart and complete the secure checkout process. iTeh Standards is an authorized distributor of ISO standards.
Standards Content (Sample)
INTERNATIONAL
STANDARD
Fourth edition
1989-l l-01
Acceptance conditions for general purpose
parallel lathes - Testing of the accuracy
Conditions de r&eption des tours parall&les d/usage g&&al - Contr6le de la
p f~cision
Reference number
IS0 1708 : 1989 (E)
IS0 1708 : 1989 (El
Foreword
IS0 (the International Organization for Standardization) is a worldwide federation of
national standards bodies (IS0 member bodies). The work of preparing International
Standards is normally carried out through IS0 technical committees. Each member
body interested in a subject for which a technical committee has been established has
the right to be represented on that committee. International organizations, govern-
mental and non-governmental, in liaison with ISO, also take part in the work. IS0
collaborates closely with the International Electrotechnical Commission (IEC) on all
matters of electrotechnical standardization.
Draft International Standards adopted by the technical committees are circulated to
the member bodies for approval before their acceptance as InternationalStandards by
the IS0 Council. They are approved in accordance with IS0 procedures requiring at
least 75 % approval by the member bodies voting.
International Standard IS0 1708 was prepared by Technical Committee ISO/TC 39,
Machine tools.
This fourth edition cancels and replaces the third edition (IS0 1708 : 1983), of which it
constitutes a minor revision.
Annex A of this International Standard is for information only.
0 IS0 1989
All rights reserved. No part of this publication may be reproduced or utilized in any form or by any
means, electronic or mechanical, including photocopying and microfilm, without permission in
writing from the publisher.
International Organization for Standardization
Case postale 56 l CH-1211 Geneve 20 l Switzerland
Printed in Switzerland
INTERNATIONAL STANDARD IS0 1708 : 1989 (E)
Acceptance conditions for general purpose parallel
lathes - Testing of the accuracy
3.2 To apply this International Standard, reference shall be
1 Scope
made to IS0 230-1, especially for the installation of the
This International Standard specifies, with reference to machine before testing, warming up of spindles and other mov-
IS0 230-1, both geometrical and practical tests on general pur-
ing parts, description of measuring methods and recommended
pose parallel lathes, and gives the corresponding permissible accuracy of testing equipment.
deviations which apply.
It deals only with the verification of the accuracy of the
3.3 The sequence in which the geometrical tests are given is
machine. It does not apply to the testing of the running of the
related to the sub-assemblies of the machine, and this in no
machine (vibrations, abnormal noises, stick-slip motion of com-
way defines the practical order of testing. In order to make the
ponents, etc.), or to the checking of machine characteristics
mounting of instruments or gauging easier, tests may be
(speeds, feeds, etc.,) which shall generally be checked before
applied in any order.
the accuracy is tested.
3.4 When inspecting a machine, it is not always necessary to
2 Normative reference
carry out all the tests given in this International Standard. It is
The following standard contains provisions which, through up to the user to choose, in agreement with the manufacturer,
reference in this text, constitute provisions of this International those tests relating to the properties which are of interest to
Standard. At the time of publication, the edition indicated was
him, but the agreed tests shall be clearly stated when ordering a
valid. All standards are subject to revision, and parties to machine.
agreements based on this International Standard are encour-
aged to investigate the possibility of applying the most recent
edition of the standard indicated below. Members of IEC and
3.5 Practical tests shall be made with finishing cuts [for in-
IS0 maintain registers of currently valid International Standards.
stance, depth = 0,l mm (0,004 in); feed = 0,l mm (0,004 in)
per revolution] and not with roughing cuts, which are liable to
IS0 230-l : 1986, Acceptance code for machine tools - Part 7:
generate appreciable cutting forces.
Geometric accuracy of machines operating under no-load or
finishing conditions.
3.6 When establishing the tolerance for a measuring range
3 Preliminary remarks
different from that indicated in this International Standard (see
IS0 230-l : 1986, 2.311) it should be taken into consideration
3.1 In this International Standard, all dimensions and devia- that the minimum value of tolerance is 0,005 mm (0,000 2 in)
for precision lathes and 0,Ol mm (0,000 4 in) for other lathes.
tions are expressed in millimetres and in inches.
IS0 1708 : 1989 (E)
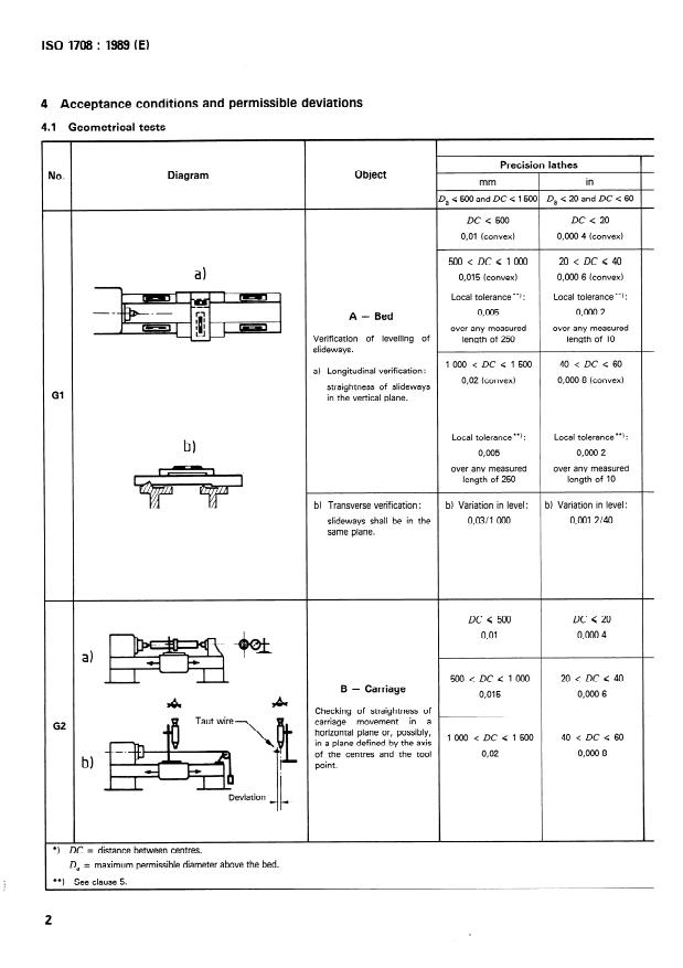
4 Acceptance conditions and permissible deviations
4.1 Geometrical tests
Precision lathes
Object
Diagram
No.
mm in
Da < 20 and DC < 60
Ia < 500 and DC < 1500
DC < 500 DC < 20
0,Ol (convex) 0,000 4 (convex)
500 < DC Q 1 000 20 < DC 4 40
a)
0,015 (convex) 0,000 6 (convex)
Local tolerance **I : Local tolerance **I :
0,005 0,000 2
A - Bed
over any measured over any measured
Verification of levelling of length of 250 length of 10
slideways.
40 < DC Q 60
1 000 < DC < 1 500
a) Longitudinal verification :
0,02 (convex) 0,000 8 (convex)
straightness of slideways
Gl
in the vertical plane.
Local tolerance **I : Local tolerance **) :
b)
0,005 0,000 2
over any measured over any measured
length of 250 length of 10
b) Variation in level :
b) Transverse verification : b) Variation in level:
slideways shall be in the 0,03/ 1 000 0,001 2/40
same plane.
DC < 500 DC < 20
0,Ol 0,000 4
a)
500 < DC < 1 000 20 < DC < 40
B - Carriage
0,015 0,000 6
A A
Checking of straightness of
carriage movement in a
G2
horizontal plane or, possibly,
1000 < DC < 1 500 40 < DC 4 60
in a plane defined by the axis
of the centres and the tool 0,02 0,000 8
b) point.
*) DC= distance between centres.
= maximum permissible diameter above the bed.
Da
**I See clause 5.
IS0 1708 : 1989 (E)
Permissible deviation “1
Observations and references
Other lathes
T
T
Measuring
to the IS0 230-l : 1986
instruments
mm in
acceptance code
Da < 800 800 < D, < 1600 Da < 32 32 < Da < 64
DC < 500 DC < 20
0,Ol (convex) 0,015 (convex)
0,000 4 (convex) 0,000 6 (convex)
I
500 < Db < 1000 20 < DC < 40
0,02 (convex) 0,03 (convex) 0,001 2 (convex)
0,000 8 (convex)
Local tolerance **I : Local tolerance l *I :
0,007 5 0,Ol 0,000 3 0,000 4
over any measured length of 250
over any measured length of IO
Precision
levels, optical
or other
DC >’ 1 000 DC > 40 a) Subclauses 3.11,3.21,5.212.21
methods
I
and 5.21222
For each I 000 i&rease in distance For each 40 increase in distance between
between centres beyond 1 000, add to centres beyond 40, add to the
Take measurements at a number of pos-
the corresponding preceding tolerance :
corresponding preceding tolerance :
itions equally spaced along the length of
the bed.
0,Ol 0,02 0,000 8
0,000 4
The levels may be placed on the
Local tolerance **) : Local tolerance **I :
transverse slide.
0,015
0,02 0,000 6 0,000 8
When the slideways are not horizontal,
use a special straightedge as mentioned
over any measured length of 500 over any measured length of 20
in subclause 5.212.21 (2O), figure 12.
I
I
I
b) Variatiorl in level : b) Variation in level :
b) Subclause 5.412.7
0,04/l 000 0,001 6/40 Place a level transversely on the
slideways and take measurements at a
Precision
number of positions equally spaced
levels
along the length of the slideways.
The variation in level measured at any
position shall not exceed the permissible
deviation.
DC < 500 DC < 20
a) For DC a) Subclause 5.232.3 a) or 5.232.1
< 15OOmm
0,015 0,02 0,000 6 0,000 8
Touch the front generatrix of the mandrel
( < 60 in) : dial
(instead of the mandrel, a straightedge
gauge and
with parallel faces may be used).
mandrel
between
The length of the mandrel between
500 < DC < 1000 20 < DC < 40
centres or
centres shall be as nearly as possible
0,02 0,025 0,000 8
0,001
straight-
equal to the value of DC.
edge
DC > 1000 DC > 40
b) Whatever b) Subclauses 5.212.3 and 5.232.3 b)
the value of
For each 1 000 increase in distance be-
For each 40 increase in distance between
The deviation in straightness of carriage
DC, taut
tween centres beyond 1 000, add to the centres beyond 40, add to the corre-
movement shall, other than in excep-
wire and
corresponding preceding tolerance :
sponding preceding tolerance :
tional cases, be concave relative to the
microscope
axis of the centres.
0,005 0,000 2
or optical
methods
I
Maximum permissible deviation : Maximum permissible deviation :
0,03
0,05 0,0012 0,002
IS0 1708 : 1989 (El
Precision lathes
Object
Diagram
mm in
D, < 20 and DC < 60
!Ia < 500 and DC < 1500
Checking of parallelism of
tailstock movement to car-
0,02 0,000 8
bl a) a)
riage movement:
Local tolerance : Local tolerance :
a) in the horizontal plane;
0,Ol 0,000 4
.--m-m.-
-.
al
over any measured over any measured
length of 500 length of 20
G3
0,001 2
b) in the vertical plane. b) 0,03 b)
h -
:
Local tolerance : Local tolerance :
I
0,000 8
0,02
over any measured over any measured
length of 500 length of 20
- Headstock spindle
C
0,005 * 0,000 2
a) Measurement of periodic a) a)
axial slip.
G4
b) Measurement of camming b) 0,Ol b) 0,000 4
of the face plate resting
including periodic including periodic
surface.
axial slip axial slip
F
--.
Measurement of run-out of
0,007 0,000 3
G5
spindle nose centring sleeve.
Es%
Measurement of run-out of
axis of centre:
a) at the spindle nose of the 0,005 0,000 2
a) a)
housing;
b) at a distance from the b) 0,015 b) 0,000 6
al b)
I I
spindle nose equal to 0,/Z
for a measuring length for a measuring length
or not more than 300 mm
of 300 of 12
(12 in) 1).
G6
0,Ol 0,ooo 4
for a measuring length
for a measuring length
of 200 of 8
0,005 0,000 2
for a measuring length
for a measuring length
of 100 of 4
“) DC= distance between centres.
= maximum permissible diameter above the bed.
*a
**I F = constant pressure on headstock spindle to eliminate axial bearing end play.
IS0 1708 : 1989 (El
Permissible deviation “1
Observations and references
Other lathes
Measuring
to the IS0 230-I : 1986
instruments
in
mm
acceptance code
D, < 32 32 < Da < 64
D, < 800 800 < Da < 1600
DC I< 60
DC < 1500
a) and b) 0,04 a) and b) 0,001 2 a) and b) 0,001 6
a) and b) 0,03
Local tolerance : Local tolerance :
0,02 0,000 8 Subclause 5.422.5
over any measured length of 20
over any measured length of 500
With the tailstock as close as possible to
the carriage take the readings when both
Dial gauge
are moved together; keep the tailstock
DC > 60
DC > 1500
sleeve locked so that the dial gauge fixed
a) and b) 0,001 6
a) and b) 0,04 on the carriage always touches the same
point.
Local tolerance : Local tolerance :
0,0012
0,03
over any measured length of 20
over any measured length of 500
Subclauses 5.62, 5.621.2, 5.622.2
and 5.632
Dial gauge
For the position of the dial gauge, see
0,000 6
0,Ol a) 0,015 a) 0,000 4 a)
a)
and, possibly,
subclauses 5.62, 5.622 and 5.623, figures
a special
59 to 64 and 67.
device
0,02 0,02 b) 0,000 8 b) 0,000 8
b) b)
The value of force F to be applied for the
tests a) and b) shall be specified by the
bdic axial slip
including periodic axial slip including per
manufacturer.
Subclauses 5.612.2 and 5.621.2
The value of force F to be applied shall
be specified by the manufacturer.
0,Ol 0,015 0,000 4 0,000 6 Dial gauge
In the case of a tapered spindle nose, fix
the dial gauge perpendicular to the
generating line of the taper.
0,Ol a) 0,015 a) 0,000 4 a) 0,000 6
a)
b) 0,02 b) 0,05 b) 0,000 8 b) 0,002
for a m
...
NORME ISO
INTERNATIONALE
Quatrième édition
1989-1 l-01
Conditions de réception des tours parallèles
d’usage général - Contrôle de la précision
Acceptance conditions for general purpose para/// lathes - Testing of the accuracy
Numéro de référence
ISO 1708: 1989 (FI
ISO 1708 :1989(F)
Avant-propos
L’ISO (Organisation internationale de normalisation) est une fédération mondiale
d’organismes nationaux de normalisation (comités membres de I’ISO). L’élaboration
des Normes internationales est en général confiée aux comités techniques de I’ISO.
Chaque comité membre intéressé par une étude a le droit de faire partie du comité
technique créé à cet effet. Les organisations internationales, gouvernementales et non
gouvernementales, en liaison avec I’ISO participent également aux travaux. L’ISO col-
labore étroitement avec la Commission électrotechnique internationale (CEI) en ce qui
concerne la normalisation électrotechnique.
Les projets de Normes internationales adoptés par les comités techniques sont soumis
aux comités membres pour approbation, avant leur acceptation comme Normes inter-
nationales par le Conseil de I’ISO. Les Normes internationales sont approuvées confor-
mément aux procédures de I’ISO qui requièrent l’approbation de 75 % au moins des
comités membres votants.
La Norme internationale ISO 1708 a été élaborée par le comité technique ISO/TC 39,
Machines-outils.
Cette quatrième édition annule et remplace la troisième édition (ISO 1708 : 19831, dont
elle constitue une révision mineure.
L’annexe A de la présente Norme internationale est donnée uniquement à titre d’infor-
mation.
0 ISO 1989
Droits de reproduction réservés. Aucune partie de cette publication ne peut être reproduite ni
utilisée sous quelque forme que ce soit et par aucun procédé, électronique ou mécanique,
y compris la photocopie et les microfilms, sans l’accord écrit de l’éditeur.
Organisation internationale de normalisation
Case postale 56 l CH-1211 Genève 20 l Suisse
Imprimé en Suisse
ISO 1708 : 1989 (F)
NORME INTERNATIONALE
Conditions de réception des tours parallèles d’usage
général - Contrôle de la précision
3.2 Pour l’application de la présente Norme internationale, il
1 Domaine d’application
y a lieu de se reporter à I’ISO 230-1, notamment en ce qui con-
La présente Norme internationale prescrit, par référence à cerne l’installation de la machine avant essais, la mise en tem-
I’ISO 230-1, les vérifications géométriques et les épreuves prati- pérature de la broche et autres organes mobiles, la description
ques des tours parallèles d’usage général, ainsi que les écarts des méthodes de mesurage, ainsi que la précision recomman-
tolérés correspondants.
dée pour les appareils de contrôle.
Elle ne traite que du contrôle de la précision de la machine. Elle
3.3 En ce qui concerne l’ordre dans lequel les opérations de
ne concerne ni l’examen de son fonctionnement (vibrations,
contrôle géométrique sont énumérées, il correspond aux
bruits anormaux, points durs dans les déplacements d’organes,
ensembles constitutifs de la machine et ne définit nullement
etc.), ni celui de ses caractéristiques (vitesses, avances, etc.),
l’ordre pratique de succession des opérations de mesurage. II
examens qui doivent, en général, précéder celui de la précision.
peut être procédé aux contrôles, notamment pour des ques-
tions de facilité de contrôle ou de montage des appareils de
vérification, dans un ordre entièrement différent.
2 Référence normative
La norme suivante contient des dispositions qui, par suite de la
3.4 II n’est pas toujours nécessaire, lors de l’examen d’une
référence qui en est faite, constituent des dispositions valables
machine, d’effectuer la totalité des essais figurant dans la pré-
pour la présente Norme internationale. Au moment de la publi-
sente Norme internationale. II appartient à l’utilisateur de choi-
cation, l’édition indiquée était en vigueur. Toute norme est
sir, en accord avec le constructeur, les seules épreuves qui cor-
sujette à révision et les parties prenantes des accords fondés
respondent aux propriétés qui l’intéressent et qui auront été
sur la présente Norme internationale sont invitées à rechercher
clairement précisées lors de la passation de la commande.
la possibilité d’appliquer l’édition la plus récente de la norme
indiquée ci-après. Les membres de la CEI et de I’ISO possèdent
3.5 Les épreuves pratiques doivent être réalisées avec des
le registre des Normes internationales en vigueur à un moment
passes de finition - par exemple : profondeur = 0,l mm
donné.
(0,004 in); avance par tour = 0,l mm (0,004 in) - et non à
partir de passes d’ébauche, qui feraient intervenir des efforts de
ISO 230-l : 1986, Code de réception des machines-outils -
coupe trop importants.
Partie 7: Précision géométrique des machines fonctionnant à
vide ou dans des conditions de finition.
3.6 Lorsque la tolérance est déterminée pour une étendue de
mesurage différente de celle indiquée dans la présente Norme
3 Observations préliminaires
internationale (voir paragraphe 2.311 de I’ISO 230-l : 19861, il y
a lieu de tenir compte de ce que la valeur minimale de la tolé-
3.1 Dans la présente Norme internationale, toutes les dimen- rance à retenir est 0,005 mm (0,000 2 in) dans le cas des tours
de précision et 0,Ol mm (0,000 4 in) dans celui des autres
sions et tous les écarts sont exprimés en millimètres et en
inches. tours.
ISO 1708 : 1989 (F)
4 Conditions de réception et écarts tolérés
4.1 Vérifications géométriques
-
Tours de récision T-
Objet
Jo Schéma
mm in
$ < 500et EP < 1500 D, < 20 et EP< 60
c
EP < 20
EP < 500
0,Ol (convexe) 0,000 4 (convexe)
500 < EP < 1000 20 < EP < 40
0,015 (convexe) 0,000 6 (convexe)
a)
Tolérance locale **) : Tolérance locale *Y :
0,000 2
0,005
Banc
A-
sur toute longueur sur toute longueur
krification du nivellement et mesurée de 10
mesurée de 250
les glissières :
1000 < EP < 1500 40 < EP a 60
I) Vérification longitudinale :
0,000 8 (convexe)
0,02 (convexe)
rectitude des glissières
GI
dans un plan vertical.
Tolérance locale **) : Tolérance locale **) :
0,000 2
0,005
sur toute longueur sur toute longueur
mesurée de 10
mesurée de 250
1) Variation de niveau 1) Variation de niveau
1) Vérification transversale :
0,03/ 1 000 0,001 2/40
les glissières doivent être
dans un même plan.
EP < 500 EP < 20
0,000 4
0,Ol
20 < EP < 40
500 < EP < 1000
B- Chariot
0,015 0,000 6
Vérification de la rectitude du
A
A
déplacement du chariot dans
GZ
un plan horizontal ou, éven-
1000 < EP < 1500 40 < EP < 60
tuellement, dans un plan
0,000 8
0,02
défini par la ligne des pointes
et la pointe de l’outil.
b)
*c) EP = distance entre pointes.
D, = diamètre maximal admissible au-dessus du banc.
**) Voir article 5, page 12.
IsO1708:1989 (FI
Écart toléré “1
T
Appareils Observations et références
-r Autres tours 1
au code de réception
de
mm in
mesurage ISO 230-i : 1986
D, Q 800 800 < D, a 1 600 D, G 32 32 < D, < 64
EP < 500 EP G 20
0,000 4 (convexe) 0,000 6 (convexe)
0,Ol (convexe) 0,015 (convexe)
I
20 < EP < 40
500 < EP Q 1000
0,02 (convexe) 0,03 (convexe) 0,000 8 (convexe) 0,001 2 (convexe)
Tolérance locale **) :
Tolérance locale **) :
0,007 5 0,Ol 0,000 3 0,000 4
sur toute longueur mesurée de 250 sur toute longueur mesurée de 10
Niveaux de
!
précision, pro-
I
cédés optiques
EP > 40 a) Paragraphes 3.11,3.21, 5.212.21
EP > 1000
I ou autres
I
et 5.21222
Pour chaque 1 000 mm supplémentaire Pour chaque 40 in supplémentaire de dis-
de distance entre pointes au-delà de tance entre pointes au-delà de 40 in,
Les mesurages doivent être effectués en
1 000 mm, majorer la tolérance précé- majorer la tolérance précédente corres-
différents points également espacés sur
dente correspondante de pondante de
toute la longueur du banc.
0,Ol 0,02 0,000 4 0,000 8
Les niveaux peuvent être placés sur la
coulisse transversale.
Tolérance locale **) : Tolérance locale **) :
Lorsque les glissières ne sont pas hori-
0,015 0,02 0,000 6 0,000 8
zontales, utiliser une traverse spéciale
sur toute longueur mesurée de 20 comme indiqué sur la figure 12 du para-
sur toute longueur mesurée de 500
graphe 5.212.21 (2’).
l l
I
I
Variation de niveau : b) Variation de niveau : b) Paragraphe 5.412.7
b)
0,001’ 6/40
0,04;1 000 Un niveau disposé transversalement ne
Niveaux de
doit pas indiquer de variation de pente
précision
excédant la tolérance, en tous les points
de mesurage répartis le long du banc.
EP < 500 EP Q 20 a) Pour EP a) Paragraphe 5.232.3 a) ou 5.232.1
< 1500 mm
0,000 6 1 0,000 8
0,015 0,02
Palper la génératrice avant du cylindre (à
( < 60 in),
la place du cylindre, il est possible d’utili-
compara-
ser une règle à faces parallèles).
teur et
cylindre
La longueur du cylindre entre pointes
500 < EP G 1000 20 < EP < 40
entre
doit être le plus possible voisine de EP.
0,02 0,025
pointes ou
règle
<
I
EP > 1000 EP > 40 b) Quel que b) Paragraphes 5.212.3 et 5.232.3 b)
soit EP, fil
Pour chaque 1 000 mm supplémentaire Pour chaque 40 in supplémentaire de
L’écart de rectitude du déplacement du
tendu et
de distance entre pointes au-delà de distance entre pointes au-delà de 40 in,
chariot doit, sauf cas exceptionnel, cor-
microscope
1 000 mm, majorer la tolérance précé- majorer la tolérance précédente corres-
respondre à une ligne concave par rap-
ou procé-
dente correspondante de pondante de
port à la ligne des pointes.
dés
0,005 0,000 2
optiques
I I
Écart maximal toléré :
Écart maximal toléré :
0,03 0,05 0,001 2 0,002
ISO1708:1989 (FI
-
Tours dt récision
-T
-
Objet
No Schéma
in
mm
-
la < 500et EP < 150C D, < 20 et EP < 60
Vérification du parallélisme
du déplacement de la contre-
0,02 a) 0,000 8
a)
poupée à celui du chariot:
b)
Tolérance locale : Tolérance locale :
a) dans le plan horizontal;
0,000 4
0,Ol
sur toute longueur sur toute longueur
a1
-L
mesurée de 500 mesurée de 20
i
G3
b) 0,001 2
b) dans le plan vertical. b) 0,03
Tolérance locale : Tolérance locale :
e
0,02 0,000 8
sur toute longueur sur toute longueur
mesurée de 500 mesurée de 20
-
C - Broche de poupée
0,000 2
a) Mesurage du déplacement a) 0,005 a)
axial périodique.
G4
b) Mesurage du voile de la 0,Ol b) 0,000 4
b)
face d’appui du plateau.
y compris le déplace- y compris le déplace
ment axial périodique ment axial périodique
-
t
Mesurage du faux-rond de
rotation de la portée de cen- 0,007 0,000 3
G5
trage sur le nez de broche.
-
Mesurage du faux-rond de
rotation de l’axe du logement
de la pointe vive:
a) à la sortie du logement; a) 0,005 a) 0,000 2
a) b) à une distance de sortie 0,015 0,000 6
I I b) b) b)
égale à D,/2 ou au
pour une longueur pour une longueur
maximum égale à 300 mm
mesurée de 300 mesurée de 12
(12 in)l) .
G6
0,Ol 0,000 4
pour une longueur pour une longueur
mesurée de 200 mesurée de 8
0,005 0,000 2
pour une longueur pour une longueur
mesurée de 100 mesurée de 4
>
“) = distance entre pointes.
= diamètre maximal admissible au-dessus du banc.
Dl3
**) F = poussée constante sur la broche de poupée pour éliminer le jeu axial.
ISO 1708 : 1989 (FI
Écart toléré “1
Appareils Observations et références
Autres tours
de au code de réception
in
mesurage ISO 230-l : 1986
D, < 800 1 800 < D, a 1600 D, < 32 32 < D, < 64
EP a' 1500 EP G 60
a) et b) 0,001 6
a) et b) 0,03 a) et b) 0,04 a) et b) 0,001 2
Tolérance locale :
Tolérance locale :
Paragraphe 5.422.5
0,02 0,000 8
Les lectures doivent être faites lorsque
sur toute longueur mesurée de 500 sur toute longueur mesurée de 20
chariot et contre-poupée ont été dépla-
I
cés de la même quantité. Le fourreau
Comparateur
l
doit rester bloqué de facon que le com-
EP > 1500 EP > 60
parateur fixé sur le chariot palpe toujours
a) et b) 0,04 a) et b) 0,001 6
le même point. La contre-poupée doit
être placée le plus près possible du cha-
Tolérance locale : Tolérance locale :
riot.
0,03 0,001 2
sur toute longueur mesurée de 500 sur toute longueur mesurée de 20
Paragraphes 5.62, 5.621.2, 5.622.2
et 5.632
Comparateur
Pour la position du comparateur, voir les
a) 0,Ol a) 0,015 a) 0,000 4 a) 0,000 6
et, éventuelle-
figures 59 à 64 et 67 des paragraphes
ment, dispo-
5.62, 5.622 et 5.632.
sitif spécial
b) 0,02 b) 0,02 b) 0,000 8 b) 0,0008
La valeur de la force F à appliquer au
ent axial périodique y compris le déplace ent axial périodique cours des contrôles a) et b) doit être pré-
y compris le déplace
cisée par le constructeur.
Paragraphes 5.612.2 et 5.621.2
La valeur de la force F à appliquer doit
être précisée par le constructeur.
0,Ol 0,015 0,000 4 0,000 6
Dans le cas d’un nez de broche conique,
le comparate
...
NORME ISO
INTERNATIONALE
Quatrième édition
1989-1 l-01
Conditions de réception des tours parallèles
d’usage général - Contrôle de la précision
Acceptance conditions for general purpose para/// lathes - Testing of the accuracy
Numéro de référence
ISO 1708: 1989 (FI
ISO 1708 :1989(F)
Avant-propos
L’ISO (Organisation internationale de normalisation) est une fédération mondiale
d’organismes nationaux de normalisation (comités membres de I’ISO). L’élaboration
des Normes internationales est en général confiée aux comités techniques de I’ISO.
Chaque comité membre intéressé par une étude a le droit de faire partie du comité
technique créé à cet effet. Les organisations internationales, gouvernementales et non
gouvernementales, en liaison avec I’ISO participent également aux travaux. L’ISO col-
labore étroitement avec la Commission électrotechnique internationale (CEI) en ce qui
concerne la normalisation électrotechnique.
Les projets de Normes internationales adoptés par les comités techniques sont soumis
aux comités membres pour approbation, avant leur acceptation comme Normes inter-
nationales par le Conseil de I’ISO. Les Normes internationales sont approuvées confor-
mément aux procédures de I’ISO qui requièrent l’approbation de 75 % au moins des
comités membres votants.
La Norme internationale ISO 1708 a été élaborée par le comité technique ISO/TC 39,
Machines-outils.
Cette quatrième édition annule et remplace la troisième édition (ISO 1708 : 19831, dont
elle constitue une révision mineure.
L’annexe A de la présente Norme internationale est donnée uniquement à titre d’infor-
mation.
0 ISO 1989
Droits de reproduction réservés. Aucune partie de cette publication ne peut être reproduite ni
utilisée sous quelque forme que ce soit et par aucun procédé, électronique ou mécanique,
y compris la photocopie et les microfilms, sans l’accord écrit de l’éditeur.
Organisation internationale de normalisation
Case postale 56 l CH-1211 Genève 20 l Suisse
Imprimé en Suisse
ISO 1708 : 1989 (F)
NORME INTERNATIONALE
Conditions de réception des tours parallèles d’usage
général - Contrôle de la précision
3.2 Pour l’application de la présente Norme internationale, il
1 Domaine d’application
y a lieu de se reporter à I’ISO 230-1, notamment en ce qui con-
La présente Norme internationale prescrit, par référence à cerne l’installation de la machine avant essais, la mise en tem-
I’ISO 230-1, les vérifications géométriques et les épreuves prati- pérature de la broche et autres organes mobiles, la description
ques des tours parallèles d’usage général, ainsi que les écarts des méthodes de mesurage, ainsi que la précision recomman-
tolérés correspondants.
dée pour les appareils de contrôle.
Elle ne traite que du contrôle de la précision de la machine. Elle
3.3 En ce qui concerne l’ordre dans lequel les opérations de
ne concerne ni l’examen de son fonctionnement (vibrations,
contrôle géométrique sont énumérées, il correspond aux
bruits anormaux, points durs dans les déplacements d’organes,
ensembles constitutifs de la machine et ne définit nullement
etc.), ni celui de ses caractéristiques (vitesses, avances, etc.),
l’ordre pratique de succession des opérations de mesurage. II
examens qui doivent, en général, précéder celui de la précision.
peut être procédé aux contrôles, notamment pour des ques-
tions de facilité de contrôle ou de montage des appareils de
vérification, dans un ordre entièrement différent.
2 Référence normative
La norme suivante contient des dispositions qui, par suite de la
3.4 II n’est pas toujours nécessaire, lors de l’examen d’une
référence qui en est faite, constituent des dispositions valables
machine, d’effectuer la totalité des essais figurant dans la pré-
pour la présente Norme internationale. Au moment de la publi-
sente Norme internationale. II appartient à l’utilisateur de choi-
cation, l’édition indiquée était en vigueur. Toute norme est
sir, en accord avec le constructeur, les seules épreuves qui cor-
sujette à révision et les parties prenantes des accords fondés
respondent aux propriétés qui l’intéressent et qui auront été
sur la présente Norme internationale sont invitées à rechercher
clairement précisées lors de la passation de la commande.
la possibilité d’appliquer l’édition la plus récente de la norme
indiquée ci-après. Les membres de la CEI et de I’ISO possèdent
3.5 Les épreuves pratiques doivent être réalisées avec des
le registre des Normes internationales en vigueur à un moment
passes de finition - par exemple : profondeur = 0,l mm
donné.
(0,004 in); avance par tour = 0,l mm (0,004 in) - et non à
partir de passes d’ébauche, qui feraient intervenir des efforts de
ISO 230-l : 1986, Code de réception des machines-outils -
coupe trop importants.
Partie 7: Précision géométrique des machines fonctionnant à
vide ou dans des conditions de finition.
3.6 Lorsque la tolérance est déterminée pour une étendue de
mesurage différente de celle indiquée dans la présente Norme
3 Observations préliminaires
internationale (voir paragraphe 2.311 de I’ISO 230-l : 19861, il y
a lieu de tenir compte de ce que la valeur minimale de la tolé-
3.1 Dans la présente Norme internationale, toutes les dimen- rance à retenir est 0,005 mm (0,000 2 in) dans le cas des tours
de précision et 0,Ol mm (0,000 4 in) dans celui des autres
sions et tous les écarts sont exprimés en millimètres et en
inches. tours.
ISO 1708 : 1989 (F)
4 Conditions de réception et écarts tolérés
4.1 Vérifications géométriques
-
Tours de récision T-
Objet
Jo Schéma
mm in
$ < 500et EP < 1500 D, < 20 et EP< 60
c
EP < 20
EP < 500
0,Ol (convexe) 0,000 4 (convexe)
500 < EP < 1000 20 < EP < 40
0,015 (convexe) 0,000 6 (convexe)
a)
Tolérance locale **) : Tolérance locale *Y :
0,000 2
0,005
Banc
A-
sur toute longueur sur toute longueur
krification du nivellement et mesurée de 10
mesurée de 250
les glissières :
1000 < EP < 1500 40 < EP a 60
I) Vérification longitudinale :
0,000 8 (convexe)
0,02 (convexe)
rectitude des glissières
GI
dans un plan vertical.
Tolérance locale **) : Tolérance locale **) :
0,000 2
0,005
sur toute longueur sur toute longueur
mesurée de 10
mesurée de 250
1) Variation de niveau 1) Variation de niveau
1) Vérification transversale :
0,03/ 1 000 0,001 2/40
les glissières doivent être
dans un même plan.
EP < 500 EP < 20
0,000 4
0,Ol
20 < EP < 40
500 < EP < 1000
B- Chariot
0,015 0,000 6
Vérification de la rectitude du
A
A
déplacement du chariot dans
GZ
un plan horizontal ou, éven-
1000 < EP < 1500 40 < EP < 60
tuellement, dans un plan
0,000 8
0,02
défini par la ligne des pointes
et la pointe de l’outil.
b)
*c) EP = distance entre pointes.
D, = diamètre maximal admissible au-dessus du banc.
**) Voir article 5, page 12.
IsO1708:1989 (FI
Écart toléré “1
T
Appareils Observations et références
-r Autres tours 1
au code de réception
de
mm in
mesurage ISO 230-i : 1986
D, Q 800 800 < D, a 1 600 D, G 32 32 < D, < 64
EP < 500 EP G 20
0,000 4 (convexe) 0,000 6 (convexe)
0,Ol (convexe) 0,015 (convexe)
I
20 < EP < 40
500 < EP Q 1000
0,02 (convexe) 0,03 (convexe) 0,000 8 (convexe) 0,001 2 (convexe)
Tolérance locale **) :
Tolérance locale **) :
0,007 5 0,Ol 0,000 3 0,000 4
sur toute longueur mesurée de 250 sur toute longueur mesurée de 10
Niveaux de
!
précision, pro-
I
cédés optiques
EP > 40 a) Paragraphes 3.11,3.21, 5.212.21
EP > 1000
I ou autres
I
et 5.21222
Pour chaque 1 000 mm supplémentaire Pour chaque 40 in supplémentaire de dis-
de distance entre pointes au-delà de tance entre pointes au-delà de 40 in,
Les mesurages doivent être effectués en
1 000 mm, majorer la tolérance précé- majorer la tolérance précédente corres-
différents points également espacés sur
dente correspondante de pondante de
toute la longueur du banc.
0,Ol 0,02 0,000 4 0,000 8
Les niveaux peuvent être placés sur la
coulisse transversale.
Tolérance locale **) : Tolérance locale **) :
Lorsque les glissières ne sont pas hori-
0,015 0,02 0,000 6 0,000 8
zontales, utiliser une traverse spéciale
sur toute longueur mesurée de 20 comme indiqué sur la figure 12 du para-
sur toute longueur mesurée de 500
graphe 5.212.21 (2’).
l l
I
I
Variation de niveau : b) Variation de niveau : b) Paragraphe 5.412.7
b)
0,001’ 6/40
0,04;1 000 Un niveau disposé transversalement ne
Niveaux de
doit pas indiquer de variation de pente
précision
excédant la tolérance, en tous les points
de mesurage répartis le long du banc.
EP < 500 EP Q 20 a) Pour EP a) Paragraphe 5.232.3 a) ou 5.232.1
< 1500 mm
0,000 6 1 0,000 8
0,015 0,02
Palper la génératrice avant du cylindre (à
( < 60 in),
la place du cylindre, il est possible d’utili-
compara-
ser une règle à faces parallèles).
teur et
cylindre
La longueur du cylindre entre pointes
500 < EP G 1000 20 < EP < 40
entre
doit être le plus possible voisine de EP.
0,02 0,025
pointes ou
règle
<
I
EP > 1000 EP > 40 b) Quel que b) Paragraphes 5.212.3 et 5.232.3 b)
soit EP, fil
Pour chaque 1 000 mm supplémentaire Pour chaque 40 in supplémentaire de
L’écart de rectitude du déplacement du
tendu et
de distance entre pointes au-delà de distance entre pointes au-delà de 40 in,
chariot doit, sauf cas exceptionnel, cor-
microscope
1 000 mm, majorer la tolérance précé- majorer la tolérance précédente corres-
respondre à une ligne concave par rap-
ou procé-
dente correspondante de pondante de
port à la ligne des pointes.
dés
0,005 0,000 2
optiques
I I
Écart maximal toléré :
Écart maximal toléré :
0,03 0,05 0,001 2 0,002
ISO1708:1989 (FI
-
Tours dt récision
-T
-
Objet
No Schéma
in
mm
-
la < 500et EP < 150C D, < 20 et EP < 60
Vérification du parallélisme
du déplacement de la contre-
0,02 a) 0,000 8
a)
poupée à celui du chariot:
b)
Tolérance locale : Tolérance locale :
a) dans le plan horizontal;
0,000 4
0,Ol
sur toute longueur sur toute longueur
a1
-L
mesurée de 500 mesurée de 20
i
G3
b) 0,001 2
b) dans le plan vertical. b) 0,03
Tolérance locale : Tolérance locale :
e
0,02 0,000 8
sur toute longueur sur toute longueur
mesurée de 500 mesurée de 20
-
C - Broche de poupée
0,000 2
a) Mesurage du déplacement a) 0,005 a)
axial périodique.
G4
b) Mesurage du voile de la 0,Ol b) 0,000 4
b)
face d’appui du plateau.
y compris le déplace- y compris le déplace
ment axial périodique ment axial périodique
-
t
Mesurage du faux-rond de
rotation de la portée de cen- 0,007 0,000 3
G5
trage sur le nez de broche.
-
Mesurage du faux-rond de
rotation de l’axe du logement
de la pointe vive:
a) à la sortie du logement; a) 0,005 a) 0,000 2
a) b) à une distance de sortie 0,015 0,000 6
I I b) b) b)
égale à D,/2 ou au
pour une longueur pour une longueur
maximum égale à 300 mm
mesurée de 300 mesurée de 12
(12 in)l) .
G6
0,Ol 0,000 4
pour une longueur pour une longueur
mesurée de 200 mesurée de 8
0,005 0,000 2
pour une longueur pour une longueur
mesurée de 100 mesurée de 4
>
“) = distance entre pointes.
= diamètre maximal admissible au-dessus du banc.
Dl3
**) F = poussée constante sur la broche de poupée pour éliminer le jeu axial.
ISO 1708 : 1989 (FI
Écart toléré “1
Appareils Observations et références
Autres tours
de au code de réception
in
mesurage ISO 230-l : 1986
D, < 800 1 800 < D, a 1600 D, < 32 32 < D, < 64
EP a' 1500 EP G 60
a) et b) 0,001 6
a) et b) 0,03 a) et b) 0,04 a) et b) 0,001 2
Tolérance locale :
Tolérance locale :
Paragraphe 5.422.5
0,02 0,000 8
Les lectures doivent être faites lorsque
sur toute longueur mesurée de 500 sur toute longueur mesurée de 20
chariot et contre-poupée ont été dépla-
I
cés de la même quantité. Le fourreau
Comparateur
l
doit rester bloqué de facon que le com-
EP > 1500 EP > 60
parateur fixé sur le chariot palpe toujours
a) et b) 0,04 a) et b) 0,001 6
le même point. La contre-poupée doit
être placée le plus près possible du cha-
Tolérance locale : Tolérance locale :
riot.
0,03 0,001 2
sur toute longueur mesurée de 500 sur toute longueur mesurée de 20
Paragraphes 5.62, 5.621.2, 5.622.2
et 5.632
Comparateur
Pour la position du comparateur, voir les
a) 0,Ol a) 0,015 a) 0,000 4 a) 0,000 6
et, éventuelle-
figures 59 à 64 et 67 des paragraphes
ment, dispo-
5.62, 5.622 et 5.632.
sitif spécial
b) 0,02 b) 0,02 b) 0,000 8 b) 0,0008
La valeur de la force F à appliquer au
ent axial périodique y compris le déplace ent axial périodique cours des contrôles a) et b) doit être pré-
y compris le déplace
cisée par le constructeur.
Paragraphes 5.612.2 et 5.621.2
La valeur de la force F à appliquer doit
être précisée par le constructeur.
0,Ol 0,015 0,000 4 0,000 6
Dans le cas d’un nez de broche conique,
le comparate
...
ISO 1708:1989 is a standard that outlines the acceptance conditions for general purpose parallel lathes. The standard specifies both geometrical and practical tests that need to be conducted on these lathes to ensure their accuracy. It also provides the permissible deviations that are acceptable. However, it only focuses on verifying the accuracy of the machine and does not cover testing for running issues such as vibrations or abnormal noises. This fourth edition of the standard replaces the previous edition from 1983.
記事タイトル:ISO 1708:1989 - 一般用並列旋盤の受け入れ条件 - 精度のテスト 記事内容:この記事では、一般用の並列旋盤に対する受け入れ条件であるISO 1708:1989について説明しています。この規格は、これらの並列旋盤の幾何学的および実用的なテストを規定し、適用可能な許容偏差を示しています。この規格は、機械の精度の検証にのみ対応しており、機械の稼働テスト(振動、異常な音、コンポーネントのスティックスリップ運動など)や特性(速度、送り量など)には一般的に精度のテストの前にチェックが必要です。この第4版は、1983年の第3版(ISO 1708:1983)を取り消して入れ替えます。
The article discusses ISO 1708:1989, which provides acceptance conditions for general-purpose parallel lathes. It outlines the geometrical and practical tests that need to be performed and the corresponding permissible deviations. The standard specifically focuses on verifying the accuracy of the machine and does not cover testing for other factors like vibrations or abnormal noises. The fourth edition of ISO 1708:1989 replaces the previous edition from 1983.
제목: ISO 1708:1989 - 일반 병렬 선반용 수용 조건 - 정확도 검사 내용: 이 기사에서는 병렬 선반에 대한 수용 조건인 ISO 1708:1989에 대해 다루고 있다. 이 표준은 이러한 병렬 선반에 대한 기하학적 및 실용적 테스트를 명시하며 적용 가능한 허용 편차를 제시한다. 이는 기계의 정확도 확인에만 관여하며 기계의 작동 테스트(진동, 이상한 소리, 컴포넌트의 스틱-슬립 운동 등)나 특성(속도, 공급량 등)은 일반적으로 정확도 검사 전에 확인되어야 한다. 이 표준은 제 3판인 ISO 1708:1983을 취소하고 대체한다.
記事のタイトル:ISO 1708:1989 - 汎用並列旋盤の受け入れ条件-精度のテスト 記事の内容:この規格は、汎用並列旋盤に対する幾何学的および実用的なテストを規定し、許容される偏差も示しています。この規格は、機械の精度の検証にのみ適用されます。機械の運転(振動、異常な音、スティックスリップ運動など)のテストや特性(速度、供給など)のテストは、一般的に精度のテストの前に確認する必要があります。この第4版は、第3版(ISO 1708: 1983)を取り消し、置き換えます。
제목: ISO 1708:1989 - 일반용 평행 선반의 인정 조건 - 정확도 테스트 내용: 이 표준은 평행 선반에 대한 기하학적 및 실용적인 테스트를 규정하며, 해당하는 허용 오차도 제시합니다. 이는 기계의 정확도를 검증하는 것에만 적용됩니다. 기계의 작동 (진동, 비정상적인 소음, 구성 요소의 점멸 운동 등)에 대한 테스트나 특성 (속도, 공급 등)에 대한 테스트는 일반적으로 정확도 테스트 이전에 확인해야 합니다. 이 표준의 제4판은 제3판 (ISO 1708:1983)을 취소하고 대체합니다.


















Questions, Comments and Discussion
Ask us and Technical Secretary will try to provide an answer. You can facilitate discussion about the standard in here.
Loading comments...