ASTM E2023-22
(Practice)Standard Practice for Fabrication of Neutron Radiographic Sensitivity Indicators
Standard Practice for Fabrication of Neutron Radiographic Sensitivity Indicators
SIGNIFICANCE AND USE
5.1 The only truly valid image quality indicator is a material or component, equivalent to the part being neutron radiographed, with a known standard discontinuity, inclusion, omission, or flaw (reference standard comparison part). The SI is designed to substitute for the reference standard, providing qualitative information on hole and gap sensitivity in a single unit. Fabrication in accordance with this practice is vital for accurate and consistent measurements.
5.2 This practice shall be followed for the fabrication of all SIs to be used with Test Method E545 to determine image quality in direct thermal neutron radiography. Devices constructed to previous versions of this practice, or Test Method E545 for devices built between 1981 and 1991, can also be used.
SCOPE
1.1 This practice covers the fabrication of Sensitivity Indicators (SI), which can be used to determine the relative quality of film radiographic images produced by direct, thermal neutron radiographic examination.
1.2 Units—The values stated in inch-pound units are to be regarded as standard.
1.3 This standard does not purport to address all of the safety concerns, if any, associated with its use. It is the responsibility of the user of this standard to establish appropriate safety, health, and environmental practices and determine the applicability of regulatory limitations prior to use.
1.4 This international standard was developed in accordance with internationally recognized principles on standardization established in the Decision on Principles for the Development of International Standards, Guides and Recommendations issued by the World Trade Organization Technical Barriers to Trade (TBT) Committee.
General Information
- Status
- Published
- Publication Date
- 30-Nov-2022
- Technical Committee
- E07 - Nondestructive Testing
- Drafting Committee
- E07.05 - Radiology (Neutron) Method
Relations
- Effective Date
- 01-Feb-2024
- Effective Date
- 01-Dec-2019
- Effective Date
- 01-May-2019
- Effective Date
- 01-May-2019
- Effective Date
- 01-Mar-2019
- Effective Date
- 01-Jan-2018
- Effective Date
- 15-Jun-2017
- Effective Date
- 01-Feb-2017
- Effective Date
- 01-Aug-2016
- Effective Date
- 15-Feb-2016
- Effective Date
- 01-Feb-2016
- Effective Date
- 01-Dec-2015
- Effective Date
- 01-Sep-2015
- Effective Date
- 01-Jun-2014
- Effective Date
- 01-Jun-2014
Overview
ASTM E2023-22 is the Standard Practice for Fabrication of Neutron Radiographic Sensitivity Indicators, published by ASTM International. This standard specifies the procedures and requirements for manufacturing Sensitivity Indicators (SIs), which are essential tools in assessing the image quality of film radiographs created by direct, thermal neutron radiographic examination. Accurate and consistent fabrication of these indicators is crucial for effective nondestructive testing, especially in industries where evaluating the integrity of components is critical.
This practice is fundamentally linked to the reliability of neutron radiography, providing a means to determine the qualitative sensitivity of radiographs, particularly in terms of detecting holes, gaps, and other discontinuities within materials or components.
Key Topics
Purpose of Sensitivity Indicators (SI):
- SIs serve as a substitute for reference standards, offering qualitative information on the detectability of holes and gaps in neutron radiographic images.
- Their proper fabrication ensures that the radiographic process consistently meets specified quality criteria.
Material and Construction:
- SIs are constructed from cast acrylic resin (methylmethacrylate) and high-purity aluminum.
- The assembly involves precise layering and machining of various shims and strips to create gaps and holes of known dimensions.
Fabrication Process:
- Stepwise instructions outline milling channels, inserting shims, and assembling the SI to exact dimensional tolerances.
- Careful certification, including measurement verification and thermal neutron radiograph comparisons, ensures the SIs meet rigorous standards.
Usage with ASTM E545:
- SIs fabricated to this standard are used in accordance with ASTM E545, which outlines the procedure for determining image quality in direct thermal neutron radiography.
Quality and Certification:
- Manufacturers must document and maintain fabrication and measurement records.
- Certification procedures verify that each SI matches reference standards and meets all specified tolerances.
Applications
Nondestructive Examination (NDE):
SIs are primarily used with direct thermal neutron radiography for nondestructive testing of materials and components. They help determine the relative image quality and sensitivity of radiographs, which is especially valuable in applications where internal features, flaws, or inclusions must be reliably detected.Reference Standard Substitution:
In scenarios where direct reference standards of the test material are impractical, SIs fabricated per ASTM E2023-22 provide consistent and reproducible indicators of radiographic sensitivity.Quality Assurance in Manufacturing and Maintenance:
Industries such as aerospace, nuclear, defense, and advanced manufacturing implement SIs to ensure that neutron radiographs used in quality control and maintenance detect critical flaws and maintain high safety standards.Regulatory and Certification Processes:
The standardized methodology for SI fabrication supports compliance with international regulations on nondestructive examination and helps fulfill contractual requirements in supply chains.
Related Standards
- ASTM E545: Test Method for Determining Image Quality in Direct Thermal Neutron Radiographic Examination. Specifies how to use SIs for assessing radiograph quality.
- ASTM E748: Guide for Thermal Neutron Radiography of Materials. Provides general guidance on neutron radiography methodologies.
- ASTM E543: Specification for Agencies Performing Nondestructive Testing. Sets qualification requirements for agencies performing NDT.
- ASTM E1316: Terminology for Nondestructive Examinations. Standard definitions used throughout nondestructive examination standards.
Keywords: neutron radiography, sensitivity indicators, nondestructive testing, image quality, ASTM E2023, fabrication, reference standard, film radiography, quality control
Buy Documents
ASTM E2023-22 - Standard Practice for Fabrication of Neutron Radiographic Sensitivity Indicators
REDLINE ASTM E2023-22 - Standard Practice for Fabrication of Neutron Radiographic Sensitivity Indicators
Frequently Asked Questions
ASTM E2023-22 is a standard published by ASTM International. Its full title is "Standard Practice for Fabrication of Neutron Radiographic Sensitivity Indicators". This standard covers: SIGNIFICANCE AND USE 5.1 The only truly valid image quality indicator is a material or component, equivalent to the part being neutron radiographed, with a known standard discontinuity, inclusion, omission, or flaw (reference standard comparison part). The SI is designed to substitute for the reference standard, providing qualitative information on hole and gap sensitivity in a single unit. Fabrication in accordance with this practice is vital for accurate and consistent measurements. 5.2 This practice shall be followed for the fabrication of all SIs to be used with Test Method E545 to determine image quality in direct thermal neutron radiography. Devices constructed to previous versions of this practice, or Test Method E545 for devices built between 1981 and 1991, can also be used. SCOPE 1.1 This practice covers the fabrication of Sensitivity Indicators (SI), which can be used to determine the relative quality of film radiographic images produced by direct, thermal neutron radiographic examination. 1.2 Units—The values stated in inch-pound units are to be regarded as standard. 1.3 This standard does not purport to address all of the safety concerns, if any, associated with its use. It is the responsibility of the user of this standard to establish appropriate safety, health, and environmental practices and determine the applicability of regulatory limitations prior to use. 1.4 This international standard was developed in accordance with internationally recognized principles on standardization established in the Decision on Principles for the Development of International Standards, Guides and Recommendations issued by the World Trade Organization Technical Barriers to Trade (TBT) Committee.
SIGNIFICANCE AND USE 5.1 The only truly valid image quality indicator is a material or component, equivalent to the part being neutron radiographed, with a known standard discontinuity, inclusion, omission, or flaw (reference standard comparison part). The SI is designed to substitute for the reference standard, providing qualitative information on hole and gap sensitivity in a single unit. Fabrication in accordance with this practice is vital for accurate and consistent measurements. 5.2 This practice shall be followed for the fabrication of all SIs to be used with Test Method E545 to determine image quality in direct thermal neutron radiography. Devices constructed to previous versions of this practice, or Test Method E545 for devices built between 1981 and 1991, can also be used. SCOPE 1.1 This practice covers the fabrication of Sensitivity Indicators (SI), which can be used to determine the relative quality of film radiographic images produced by direct, thermal neutron radiographic examination. 1.2 Units—The values stated in inch-pound units are to be regarded as standard. 1.3 This standard does not purport to address all of the safety concerns, if any, associated with its use. It is the responsibility of the user of this standard to establish appropriate safety, health, and environmental practices and determine the applicability of regulatory limitations prior to use. 1.4 This international standard was developed in accordance with internationally recognized principles on standardization established in the Decision on Principles for the Development of International Standards, Guides and Recommendations issued by the World Trade Organization Technical Barriers to Trade (TBT) Committee.
ASTM E2023-22 is classified under the following ICS (International Classification for Standards) categories: 37.040.25 - Radiographic films. The ICS classification helps identify the subject area and facilitates finding related standards.
ASTM E2023-22 has the following relationships with other standards: It is inter standard links to ASTM E1316-24, ASTM E1316-19b, ASTM E545-19, ASTM E748-19, ASTM E1316-19, ASTM E1316-18, ASTM E1316-17a, ASTM E1316-17, ASTM E1316-16a, ASTM E748-16, ASTM E1316-16, ASTM E1316-15a, ASTM E1316-15, ASTM E545-14, ASTM E1316-14. Understanding these relationships helps ensure you are using the most current and applicable version of the standard.
ASTM E2023-22 is available in PDF format for immediate download after purchase. The document can be added to your cart and obtained through the secure checkout process. Digital delivery ensures instant access to the complete standard document.
Standards Content (Sample)
This international standard was developed in accordance with internationally recognized principles on standardization established in the Decision on Principles for the
Development of International Standards, Guides and Recommendations issued by the World Trade Organization Technical Barriers to Trade (TBT) Committee.
Designation: E2023 − 22
Standard Practice for
Fabrication of Neutron Radiographic Sensitivity Indicators
This standard is issued under the fixed designation E2023; the number immediately following the designation indicates the year of
original adoption or, in the case of revision, the year of last revision. A number in parentheses indicates the year of last reapproval. A
superscript epsilon (´) indicates an editorial change since the last revision or reapproval.
1. Scope radiograph. It consists of a step wedge containing gaps and
holes of known dimensions. Visual inspection of the image of
1.1 This practice covers the fabrication of Sensitivity Indi-
this device provides subjective information regarding total
cators (SI), which can be used to determine the relative quality
radiographic sensitivity with respect to the step-block material.
of film radiographic images produced by direct, thermal
neutron radiographic examination.
4.2 Neutron radiography practices are discussed in Guide
E748. The neutron radiograph used to determine image quality
1.2 Units—The values stated in inch-pound units are to be
using the SI shall meet the requirements of Test Method E545.
regarded as standard.
1.3 This standard does not purport to address all of the
5. Significance and Use
safety concerns, if any, associated with its use. It is the
5.1 Theonlytrulyvalidimagequalityindicatorisamaterial
responsibility of the user of this standard to establish appro-
or component, equivalent to the part being neutron
priate safety, health, and environmental practices and deter-
radiographed, with a known standard discontinuity, inclusion,
mine the applicability of regulatory limitations prior to use.
omission, or flaw (reference standard comparison part). The SI
1.4 This international standard was developed in accor-
is designed to substitute for the reference standard, providing
dance with internationally recognized principles on standard-
qualitative information on hole and gap sensitivity in a single
ization established in the Decision on Principles for the
unit. Fabrication in accordance with this practice is vital for
Development of International Standards, Guides and Recom-
accurate and consistent measurements.
mendations issued by the World Trade Organization Technical
Barriers to Trade (TBT) Committee.
5.2 This practice shall be followed for the fabrication of all
SIs to be used with Test Method E545 to determine image
2. Referenced Documents
quality in direct thermal neutron radiography. Devices con-
2.1 ASTM Standards:
structed to previous versions of this practice, or Test Method
E543 Specification forAgencies Performing Nondestructive
E545 for devices built between 1981 and 1991, can also be
Testing
used.
E545 Test Method for Determining Image Quality in Direct
Thermal Neutron Radiographic Examination
6. Basis of Application
E748 Guide for Thermal Neutron Radiography of Materials
6.1 Qualification of Nondestructive Agencies—If specified
E1316 Terminology for Nondestructive Examinations
in the contractual agreement, NDT agencies shall be qualified
3. Terminology
and evaluated as described in Specification E543. The appli-
cable edition of Specification E543 shall be specified in the
3.1 Definitions—For definitions of terms used in this
contractual agreement.
practice, see Terminology E1316, Section H.
6.2 Procedures and Techniques—The procedures and tech-
4. Summary of Practice
niquestobeutilizedshallbeasdescribedinthispracticeunless
4.1 The Sensitivity Indicator (SI) is used for qualitative
otherwisespecified.Specifictechniquesmaybespecifiedinthe
determination of the sensitivity of detail visible on the neutron
contractual agreement.
6.3 Reporting Criteria/Acceptance Criteria—Reporting cri-
This practice is under the jurisdiction of ASTM Committee E07 on Nonde-
teria for the examination results shall be in accordance with
structive Testing and is the direct responsibility of Subcommittee E07.05 on
Radiology (Neutron) Method.
Sections 9 and 10, unless otherwise specified. Acceptance
Current edition approved Dec. 1, 2022. Published December 2022. Originally
criteria, for example, reference radiographs, shall be specified
approved in 1999. Last previous edition approved in 2021 as E2023 – 21. DOI:
in the contractual agreement.
10.1520/E2023-22.
For referenced ASTM standards, visit the ASTM website, www.astm.org, or
6.4 Re-examination of repaired/reworked items is not ad-
contact ASTM Customer Service at service@astm.org. For Annual Book of ASTM
dressedinthispracticeand,ifrequired,shallbespecifiedinthe
Standards volume information, refer to the standard’s Document Summary page on
the ASTM website. contractual document.
Copyright ©ASTM International, 100 Barr Harbor Drive, PO Box C700, West Conshohocken, PA19428-2959. United States
E2023 − 22
Material — Methylmethacrylate
Shim Section Thickness Hole Diameter
A 0.005 0.005
B 0.010 0.010
C 0.020 0.020
NOTE 1—All dimensions are in inches.
FIG. 1 Sensitivity Indicator
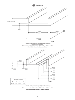
7. Sensitivity Indicator (SI) 8.1.2 Mill the A Channel (see Fig. 1), within this channel,
0.125 in.wideby0.005 in.deepforthelengthofthealuminum
7.1 The Sensitivity Indicator (SI) shall be constructed of
block. The near edge of channelAshall be 0.450 in. from edge
cast acrylic resin and aluminum. The construction and dimen-
A (see Fig. 3).
sions are shown in Fig. 1.
8.1.3 Mill the B Channel, adjacent to the A channel,
7.2 The acrylic resin shall be methylmethacrylate.
0.125 in.wideby0.010 in.deepforthelengthofthealuminum
7.3 All dimensional tolerances are as noted on the figures.
block.The near edge of channel B shall be 0.325 in. from edge
7.4 Aluminum shims and strips shall be 99.9 % pure el-
A (see Fig. 3).
emental material.
8.1.4 Mill the C Channel, adjacent to the B channel,
7.5 The SI may be encased in a 6061 aluminum dust cover,
0.125 in.wideby0.020 in.deepforthelengthofthealuminum
0.012 in. thick.
block.The near edge of channel C shall be 0.200 in. from edge
A (see Fig. 3).
8. Fabrication
8.1.5 Mill into the D channel space to receive the tab
8.1 Components:
depictedinFig.4,toadepthof0.020 in.atappropriatespacing
8.1.1 Mill a Channel, 0.850 in. wide from an aluminum
if multiple devices are being constructed.
block, 1 in. wide by at least 0.303 in. high. The length of this
8.1.6 Prepare five methylmethacrylate strips, 0.060 in. thick
channel establishes how many SI indicators can be fabricated
by at least 0.200 in. wide by the aluminum block length.These
simultaneously. 6.5 in. is common (to produce 6 SI) but other
strips will be used in 8.2.8.
lengths may be used. The channel begins 0.075 in. from edge
8.1.7 Preparefourmethylmethacrylatestrips,0.125 in.thick
A and leaves 0.103 in. aluminum in the bottom of the channel
by at least 0.200 in. wide by the aluminum block length.These
(see Fig. 2).
strips will be used in 8.2.2.
8.1.8 Prepare one strip each from aluminum shim stock, at
3 least 0.200 in. by the aluminum block length, with the follow-
The instructions in Section 8 assume the simultaneous fabrication of six units
for practical reasons. Units may be fabricated in other quantities, if desired. ing thicknesses:
E2023 − 22
NOTE 1—Unless otherwise specified, use the following:
Dimensions are in inches.
Tolerances on machined dimensions: .XX = 6.01 .XXX = 6.002.
FIG. 2 Main Channel in Aluminum Block
NOTE 1—Unless otherwise specified, use the following:
Dimensions are in inches.
Tolerances on machined dimensions: .XX = 6.01 .XXX = 6.002.
FIG. 3 Channels A Through D in Main Channel
E2023 − 22
NOTE 1—The tab geometry may vary as needed for machining. The exact size and shape are not relevant to the device’s function.
FIG. 4 Shim
8.2.7 Insert the 0.0005 in. thick aluminum strip next to the
0.0005 in.
0.0010 in.
previously inserted methylmethacrylate st
...
This document is not an ASTM standard and is intended only to provide the user of an ASTM standard an indication of what changes have been made to the previous version. Because
it may not be technically possible to adequately depict all changes accurately, ASTM recommends that users consult prior editions as appropriate. In all cases only the current version
of the standard as published by ASTM is to be considered the official document.
Designation: E2023 − 21 E2023 − 22
Standard Practice for
Fabrication of Neutron Radiographic Sensitivity Indicators
This standard is issued under the fixed designation E2023; the number immediately following the designation indicates the year of
original adoption or, in the case of revision, the year of last revision. A number in parentheses indicates the year of last reapproval. A
superscript epsilon (´) indicates an editorial change since the last revision or reapproval.
1. Scope
1.1 This practice covers the fabrication of Sensitivity Indicators (SI), which can be used to determine the relative quality of film
radiographic images produced by direct, thermal neutron radiographic examination.
1.2 Units—The values stated in inch-pound units are to be regarded as standard.
1.3 This standard does not purport to address all of the safety concerns, if any, associated with its use. It is the responsibility
of the user of this standard to establish appropriate safety, health, and environmental practices and determine the applicability of
regulatory limitations prior to use.
1.4 This international standard was developed in accordance with internationally recognized principles on standardization
established in the Decision on Principles for the Development of International Standards, Guides and Recommendations issued
by the World Trade Organization Technical Barriers to Trade (TBT) Committee.
2. Referenced Documents
2.1 ASTM Standards:
E543 Specification for Agencies Performing Nondestructive Testing
E545 Test Method for Determining Image Quality in Direct Thermal Neutron Radiographic Examination
E748 Guide for Thermal Neutron Radiography of Materials
E1316 Terminology for Nondestructive Examinations
3. Terminology
3.1 Definitions—For definitions of terms used in this practice, see Terminology E1316, Section H.
4. Summary of Practice
4.1 The Sensitivity Indicator (SI) is used for qualitative determination of the sensitivity of detail visible on the neutron radiograph.
It consists of a step wedge containing gaps and holes of known dimensions. Visual inspection of the image of this device provides
subjective information regarding total radiographic sensitivity with respect to the step-block material.
4.2 Neutron radiography practices are discussed in Guide E748. The neutron radiograph used to determine image quality using
the SI shall meet the requirements of Test Method E545.
This practice is under the jurisdiction of ASTM Committee E07 on Nondestructive Testing and is the direct responsibility of Subcommittee E07.05 on Radiology
(Neutron) Method.
Current edition approved Nov. 1, 2021Dec. 1, 2022. Published November 2021December 2022. Originally approved in 1999. Last previous edition approved in 20192021
as E2023 – 19.E2023 – 21. DOI: 10.1520/E2023-21.10.1520/E2023-22.
For referenced ASTM standards, visit the ASTM website, www.astm.org, or contact ASTM Customer Service at service@astm.org. For Annual Book of ASTM Standards
volume information, refer to the standard’s Document Summary page on the ASTM website.
Copyright © ASTM International, 100 Barr Harbor Drive, PO Box C700, West Conshohocken, PA 19428-2959. United States
E2023 − 22
5. Significance and Use
5.1 The only truly valid image quality indicator is a material or component, equivalent to the part being neutron radiographed, with
a known standard discontinuity, inclusion, omission, or flaw (reference standard comparison part). The SI is designed to substitute
for the reference standard, providing qualitative information on hole and gap sensitivity in a single unit. Fabrication in accordance
with this practice is vital for accurate and consistent measurements.
5.2 This practice shall be followed for the fabrication of all SIs to be used with Test Method E545 to determine image quality in
direct thermal neutron radiography. Devices constructed to previous versions of this practice, or Test Method E545 for devices built
between 1981 and 1991, can also be used.
6. Basis of Application
6.1 Qualification of Nondestructive Agencies—If specified in the contractual agreement, NDT agencies shall be qualified and
evaluated as described in Specification E543. The applicable edition of Specification E543 shall be specified in the contractual
agreement.
6.2 Procedures and Techniques—The procedures and techniques to be utilized shall be as described in this practice unless
otherwise specified. Specific techniques may be specified in the contractual agreement.
6.3 Reporting Criteria/Acceptance Criteria—Reporting criteria for the examination results shall be in accordance with Sections
9 and 10, unless otherwise specified. Acceptance criteria, for example, reference radiographs, shall be specified in the contractual
agreement.
6.4 Re-examination of repaired/reworked items is not addressed in this practice and, if required, shall be specified in the
contractual document.
Material — Methylmethacrylate
Shim Section Thickness Hole Diameter
A 0.005 0.005
B 0.010 0.010
C 0.020 0.020
NOTE 1—All dimensions are in inches.
FIG. 1 Sensitivity Indicator
E2023 − 22
7. Sensitivity Indicator (SI)
7.1 The Sensitivity Indicator (SI) shall be constructed of cast acrylic resin and aluminum. The construction and dimensions are
shown in Fig. 1.
7.2 The acrylic resin shall be methylmethacrylate.
7.3 All dimensional tolerances are as noted on the figures.
7.4 Aluminum shims and strips shall be 99.9 % pure elemental material.
7.5 The SI may be encased in a 6061 aluminum dust cover, 0.012 in. thick.
8. Fabrication
8.1 Components:
8.1.1 Mill a Channel, 0.850 in. wide from an aluminum block, 1 in. wide by at least 0.303 in. high. The length of this channel
establishes how many SI indicators can be fabricated simultaneously. 6.5 in. is common (to produce 6 SI) but other lengths may
be used. The channel begins 0.075 in. from edge A and leaves 0.103 in. aluminum in the bottom of the channel (see Fig. 2).
8.1.2 Mill the A Channel (see Fig. 1), within this channel, 0.125 in. wide by 0.005 in. deep for the length of the aluminum block.
The near edge of channel A shall be 0.450 in. from edge A (see Fig. 3).
8.1.3 Mill the B Channel, adjacent to the A channel, 0.125 in. wide by 0.010 in. deep for the length of the aluminum block. The
near edge of channel B shall be 0.325 in. from edge A (see Fig. 3).
NOTE 1—Unless otherwise specified, use the following:
Dimensions are in inches.
Tolerances on machined dimensions: .XX = 6.01 .XXX = 6.002.
FIG. 2 Main Channel in Aluminum Block
The instructions in Section 8 assume the simultaneous fabrication of six units for practical reasons. Units may be fabricated in other quantities, if desired.
E2023 − 22
NOTE 1—Unless otherwise specified, use the following:
Dimensions are in inches.
Tolerances on machined dimensions: .XX = 6.01 .XXX = 6.002.
FIG. 3 Channels A Through D in Main Channel
8.1.4 Mill the C Channel, adjacent to the B channel, 0.125 in. wide by 0.020 in. deep for the length of the aluminum block. The
near edge of channel C shall be 0.200 in. from edge A (see Fig. 3).
8.1.5 Mill into the D channel space to receive the tab depicted in Fig. 4, to a depth of 0.020 in. at appropriate spacing if multiple
devices are being constructed.
8.1.6 Prepare five methylmethacrylate strips, 0.060 in. thick by at least 0.200 in. wide by the aluminum block length. These strips
will be used in 8.2.8.
8.1.7 Prepare four methylmethacrylate strips, 0.125 in. thick by at least 0.200 in. wide by the aluminum block length. These strips
will be used in 8.2.2.
8.1.8 Prepare one strip each from aluminum shim stock, at least 0.200 in. by the aluminum block length, with the following
thicknesses:
0.0005 in.
0.0010 in.
0.0020 in.
0.0030 in.
0.0040 in.
0.0050 in.
0.0100 in.
8.1.9 Prepare methylmethacrylate shims according to Fig. 4.
8.1.10 To verify that the various shims have the proper holes drilled int
...








Questions, Comments and Discussion
Ask us and Technical Secretary will try to provide an answer. You can facilitate discussion about the standard in here.
Loading comments...