ISO 6940:1984/Amd 1:1993
(Amendment)Textile fabrics — Burning behaviour — Determination of ease of ignition of vertically oriented specimens — Amendment 1
Textile fabrics — Burning behaviour — Determination of ease of ignition of vertically oriented specimens — Amendment 1
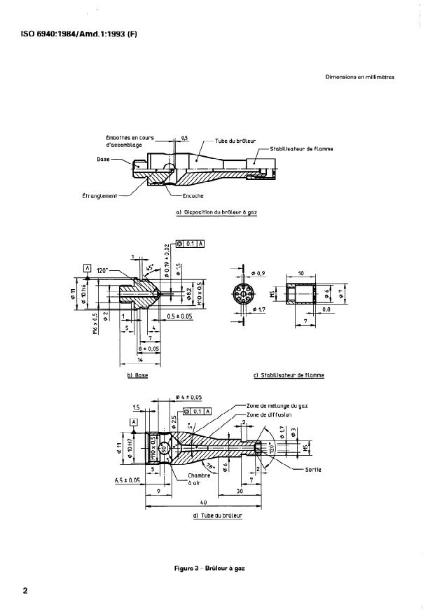
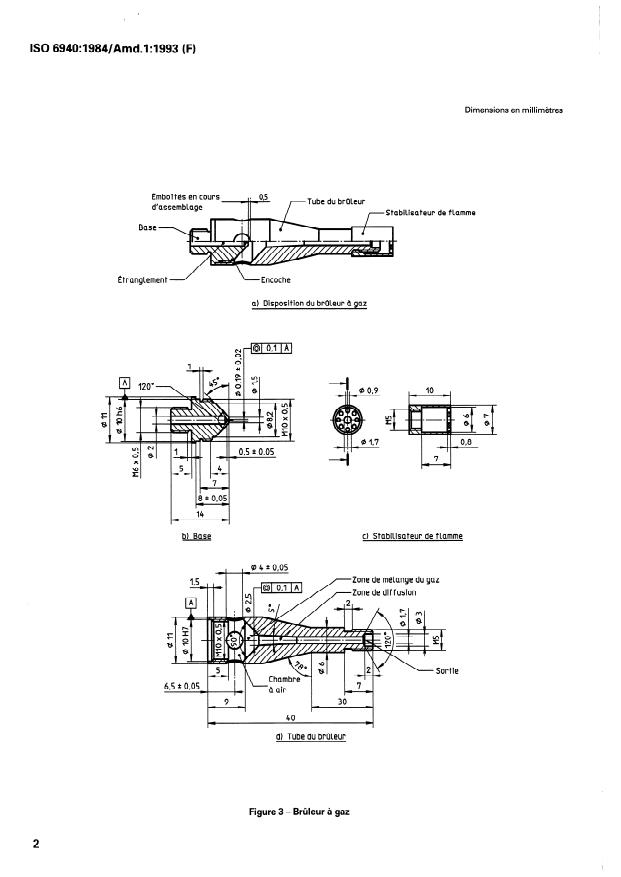
Replaces subclauses 8.3 (English only) and 8.5, item p) of clause 10, first paragraph of subclause A.2.1, and figure 3.
Textiles — Comportement au feu — Détermination de la facilité d'allumage d'éprouvettes orientées verticalement — Amendement 1
General Information
- Status
- Withdrawn
- Publication Date
- 20-Jan-1993
- Withdrawal Date
- 20-Jan-1993
- Technical Committee
- ISO/TC 38 - Textiles
- Drafting Committee
- ISO/TC 38 - Textiles
- Current Stage
- 9599 - Withdrawal of International Standard
- Start Date
- 27-Jan-2004
- Completion Date
- 14-Feb-2026
Relations
- Effective Date
- 06-Jun-2022
- Effective Date
- 06-Jun-2022
- Effective Date
- 15-Apr-2008
- Effective Date
- 15-Apr-2008
Get Certified
Connect with accredited certification bodies for this standard

Control Union Certifications
Global certification for agriculture and sustainability.

NSF International
Global independent organization facilitating standards development and certification.

Bureau Veritas Bangladesh
Bureau Veritas certification services in Bangladesh.
Sponsored listings
Frequently Asked Questions
ISO 6940:1984/Amd 1:1993 is a standard published by the International Organization for Standardization (ISO). Its full title is "Textile fabrics — Burning behaviour — Determination of ease of ignition of vertically oriented specimens — Amendment 1". This standard covers: Replaces subclauses 8.3 (English only) and 8.5, item p) of clause 10, first paragraph of subclause A.2.1, and figure 3.
Replaces subclauses 8.3 (English only) and 8.5, item p) of clause 10, first paragraph of subclause A.2.1, and figure 3.
ISO 6940:1984/Amd 1:1993 is classified under the following ICS (International Classification for Standards) categories: 13.220.40 - Ignitability and burning behaviour of materials and products; 59.080.30 - Textile fabrics. The ICS classification helps identify the subject area and facilitates finding related standards.
ISO 6940:1984/Amd 1:1993 has the following relationships with other standards: It is inter standard links to ISO 4521:2008, ISO 6940:1984, ISO 6940:2004; is excused to ISO 6940:1984. Understanding these relationships helps ensure you are using the most current and applicable version of the standard.
ISO 6940:1984/Amd 1:1993 is available in PDF format for immediate download after purchase. The document can be added to your cart and obtained through the secure checkout process. Digital delivery ensures instant access to the complete standard document.
Standards Content (Sample)
INTERNATIONAL IS0
STANDARD 6940
First edition
1984-09-15
AMENDMENT 1
1993-01-15
Textile fabrics - Burning behaviour - Determination
of ease of ignition of vertically oriented specimens
AMENDMENT ‘I
Textiles - Comportement au feu - De’termination de la facilitb d’ahmage
d’bprouvettes oriente’es vertiicalement
AMENDEMENT 7
Reference number
IS0 6940:1984/Amd.1:1993 (E)
IS0 6940:1984/Amd.1:1993 (E)
Foreword
IS0 (the International Organization for Standardization) is a worldwide federation
of national standards bodies (IS0 member bodies). The work of preparing Inter-
national Standards is normally carried out through IS0 technical committees.
Each member body interested in a subject for which a technical committee has
been established has the right to be represented on that committee. International
organizations, governmental and non-governmental, in liaison with ISO, also take
part in the work. IS0 collaborates closely with the International Electrotechnical
Commission (IEC) on all matters of electrotechnical standardization.
Draft International Standards adopted by the technical committees are circulated
to the member bodies for voting. Publication as an International Standard
requires approval by at least 75 % of the member bodies casting a vote.
Amendment 1 to International Standard IS0 6940:1984 was prepared by
Technical Committee lSO/rC 38, Textiles, Sub-Committee SC 19, Burning
behaviour of textiles and textile products.
0 IS01993
All rights reserved. No part of this publication may be reproduced or utilized in any form or by
any means, electronic or mechanical, including photocopying and microfilm, without
permission in writing from the publisher.
Organization for Standardization
International
1 Gen&ve 20 l Switzerland
Case postale 56 l CH-121
Printed in Switzerland
ii
IS0 6940:1984/Amd.1:1993 (E)
Textile fabrics - B
...
a\ NORME Iso
INTERNATIONALE
Première édition
1984-09-15
AMENDEMENT 1
1993-01-15
Textiles - Comportement au feu - Détermination de
la facilité d’allumage d’éprouvettes orientées
verticalement
AMENDEMENT 1
Textile fabrics - Buming behaviour - Determination of ease of ignition of
vertkally oriented specimens
AMENDMENT I
Numéro de référence
ISO 6940:1984/Amd.l:1993 (F)
ISO 6940:1984/Amd.1:1993 (F)
Avant-propos
L’ISO (Organisation internationale de normalisation) est une fédération mondiale
d’organismes nationaux de normalisation (comités membres de I’ISO).
L’élaboration des Normes internationales est en général confiée aux comités
techniques de I’ISO. Chaque comité membre intéressé par une étude a le droit de
faire partie du comité technique créé à cet effet. Les organisations internatio-
nales, gouvernementales et non gouvernementales, en liaison avec I’ISO parti-
cipent également aux travaux. L’ISO collabore étroitement avec la Commission
électrotechnique internationale (CEI) en ce qui concerne la normalisation élec-
trotechnique.
Les projets de Normes internationales adoptés par les comités techniques sont
soumis aux comités membres pour vote. Leur publication comme Normes
internationales requiert l’approbation de 75 % au moins des comités membres
votants.
L’Amendement 1 à la Norme internationale ISO 6940:1984 a été élaboré par le
comité technique ISOFC 38, Textiles, sous-comité SC 19, Comportement au feu
des textiles et des produits textiles.
Droits de reproduction réservés. Aucune partie de cette publication ne peut être reproduite ni
utilisée sous quelque forme que ce soit et par aucun procédé, électronique ou mécanique, y
compris la photocopie et les microfilms, sans l’accord 6crit de Mditeur.
Organisation internationale de normalisation
l CH-1211 Genève 20 l Suisse
Case postale 56
Imprimé en Suisse
...
a\ NORME Iso
INTERNATIONALE
Première édition
1984-09-15
AMENDEMENT 1
1993-01-15
Textiles - Comportement au feu - Détermination de
la facilité d’allumage d’éprouvettes orientées
verticalement
AMENDEMENT 1
Textile fabrics - Buming behaviour - Determination of ease of ignition of
vertkally oriented specimens
AMENDMENT I
Numéro de référence
ISO 6940:1984/Amd.l:1993 (F)
ISO 6940:1984/Amd.1:1993 (F)
Avant-propos
L’ISO (Organisation internationale de normalisation) est une fédération mondiale
d’organismes nationaux de normalisation (comités membres de I’ISO).
L’élaboration des Normes internationales est en général confiée aux comités
techniques de I’ISO. Chaque comité membre intéressé par une étude a le droit de
faire partie du comité technique créé à cet effet. Les organisations internatio-
nales, gouvernementales et non gouvernementales, en liaison avec I’ISO parti-
cipent également aux travaux. L’ISO collabore étroitement avec la Commission
électrotechnique internationale (CEI) en ce qui concerne la normalisation élec-
trotechnique.
Les projets de Normes internationales adoptés par les comités techniques sont
soumis aux comités membres pour vote. Leur publication comme Normes
internationales requiert l’approbation de 75 % au moins des comités membres
votants.
L’Amendement 1 à la Norme internationale ISO 6940:1984 a été élaboré par le
comité technique ISOFC 38, Textiles, sous-comité SC 19, Comportement au feu
des textiles et des produits textiles.
Droits de reproduction réservés. Aucune partie de cette publication ne peut être reproduite ni
utilisée sous quelque forme que ce soit et par aucun procédé, électronique ou mécanique, y
compris la photocopie et les microfilms, sans l’accord 6crit de Mditeur.
Organisation internationale de normalisation
l CH-1211 Genève 20 l Suisse
Case postale 56
Imprimé en Suisse
...












Questions, Comments and Discussion
Ask us and Technical Secretary will try to provide an answer. You can facilitate discussion about the standard in here.
Loading comments...