ISO 3055:1985
(Main)Kitchen equipment — Coordinating sizes
Kitchen equipment — Coordinating sizes
Defines sizes for components of kitchen equipment in dwellings. Specifies also, in annex A, the sizes of zones for hot and cold water and waste and gas pipes in kitchen cabinets and certain appliances. Applies to all components of kitchen equipment, for example cabinets, work-tops, sink units and appliances.
Équipement de cuisine — Dimensions de coordination
General Information
- Status
- Withdrawn
- Publication Date
- 01-May-1985
- Withdrawal Date
- 01-May-1985
- Technical Committee
- ISO/TC 136 - Furniture
- Drafting Committee
- ISO/TC 136 - Furniture
- Current Stage
- 9599 - Withdrawal of International Standard
- Start Date
- 30-Nov-2021
- Completion Date
- 14-Feb-2026
Relations
- Effective Date
- 03-Jun-2017
- Effective Date
- 15-Apr-2008
Buy Documents
ISO 3055:1985 - Kitchen equipment -- Coordinating sizes
ISO 3055:1985 - Équipement de cuisine -- Dimensions de coordination
ISO 3055:1985 - Équipement de cuisine -- Dimensions de coordination
Frequently Asked Questions
ISO 3055:1985 is a standard published by the International Organization for Standardization (ISO). Its full title is "Kitchen equipment — Coordinating sizes". This standard covers: Defines sizes for components of kitchen equipment in dwellings. Specifies also, in annex A, the sizes of zones for hot and cold water and waste and gas pipes in kitchen cabinets and certain appliances. Applies to all components of kitchen equipment, for example cabinets, work-tops, sink units and appliances.
Defines sizes for components of kitchen equipment in dwellings. Specifies also, in annex A, the sizes of zones for hot and cold water and waste and gas pipes in kitchen cabinets and certain appliances. Applies to all components of kitchen equipment, for example cabinets, work-tops, sink units and appliances.
ISO 3055:1985 is classified under the following ICS (International Classification for Standards) categories: 97.040.01 - Kitchen equipment in general. The ICS classification helps identify the subject area and facilitates finding related standards.
ISO 3055:1985 has the following relationships with other standards: It is inter standard links to ISO 3055:2021, ISO 3055:1974. Understanding these relationships helps ensure you are using the most current and applicable version of the standard.
ISO 3055:1985 is available in PDF format for immediate download after purchase. The document can be added to your cart and obtained through the secure checkout process. Digital delivery ensures instant access to the complete standard document.
Standards Content (Sample)
International Standard
INTERNATIONAL ORGANIZATION FOR STANDARDIZATION.MEXKLJYHAPO&HAR OPrAHM3AL&lfl fl0 CTAH~APTM3ALWWORGANISATION INTERNATIONALE DE NORMALISATION
Kitchen equipment - Coordinating sizes
iquipement de cuisine - Dimensions de Coordination
Second edition - 1985-05-01
UDC 643.31 : 721.013 Ref. No. ISO 3055-1985 (EI
Descriptors : buiidings, kitchens, kitchen equipment, dimensions, modular structures, dimensional Coordination.
Price based on 16 pages
Foreword
ISO (the International Organization for Standardization) is a worldwide federation of
national Standards bodies (ISO member bedies). The work of preparing International
Standards is normally carried out through ISO technical committees. Esch member
body interested in a subject for which a technical committee has been established has
the right to be represented on that committee. International organizations, govern-
mental and non-governmental, in liaison with ISO, also take part in the werk.
Draft International Standards adopted by the technical committees are circulated to
the member bodies for approval before their acceptance as International Standards by
the ISO Council. They are approved in accordance with ISO procedures requiring at
least 75 % approval by the member bodies voting.
International Standard ISO 3055 was prepared by Technical Committee ISO/TC 59,
Building construction .
ISO 3055 was first published in 1974. This second edition cancels and replaces the first
edition, to which new annexes have now been added.
0 International Organkation for Standardization, 1985 l
Printed in Switzerland
INTERNATIONAL STANDARD ISO 30554985 (E)
Kitchen equipment - Coordinating sizes
0 Introduction 3 References
The purpose of standardization of kitchen equipment is to allow ISO 5731, Kitchen equipment - Limit of size.
components to be combined in arrangements which are har-
monious and rational, due account being taken of ergonomic ISO 5732, Kitchen equipment - Sizes of openings for buhlt-in
and economic considerations. appliances.
To this end, the following aspects have to be considered :
4 Coordinating sizes (sec figure 11
-
the sizes of component Parts;
-
the specific areas of each item of equipment, taking into
4.1 Heights
account the possibility of their complete or partial over-
lapping;
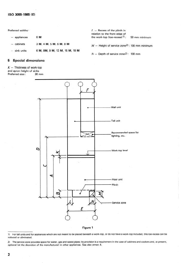
A - Work-top level: 9 M or 8,5 M1)
-
the location of pipes (water, gas, drainage, electricity);
B- Plinth
-
the combinations of components.
- for work-top level 9 M : 1,5 M
This International Standard has been prepared according to the
- for work-top level 8,5 M : IM
principles of modular Coordination in building.
Clear height from
c-
floor to underside of
wall unit2) : 13 M minimum + n x M
1 Scope
D- Height of tall units
and tops of wall units: 19 M minimum + n x M
This International Standard defines sizes for components of kit-
chen equipment in dwellings.
Preferred height: 21 M
lt also specifies, in annex A, the sizes of zones for hot and cold
water and waste and gas pipes in kitchen cabinets and certain
4.2 Depths3)
appliances.
E- Work-tops, floor units
General guidance on the planning of domestic kitchens is
and tall units: 6M
given, for information only, in annex B.
F- Wall units :
3 M or 3,5 M
2 Field of application
4.3 Widths
This International Standard applies, according to the principles
Widths of all components shall be multiples of M.
of modular Coordination in building, to all components of kit-
chen equipment, for example cabinets, work-tops, sink units
Components of different sizes tan be combined.
and appliances.
- Modular Coordination - Basic module, and is equal
1) M is the Symbol for the basic module, defined in ISO 1006, BuIcGng construction
to 100 mm.
2) Reserved zone for lighting or other attachments, if any should be included in the wall unit space.
3) Only handles or switches may project.
ISO 30554985 (El
Preferred widths : L - Recess of the plinth in
relation to the front edge of
-
appliances 6M the work-top (toe-recess) 1) : 50 mm minimum
-
cabinets 3 M, 4 M, 5 M, 6 M, 8 M
M- Height of Service Zone21 : 100 mm minimum
- sink units
6 M, 8M, 9 M, 12 M, 15 M, 18 M
N- Depth of Service zone2) : 100 mm
5 Special dimensions
K - Thickness of work-top
and apron height of sinks
Preferred size :
30 mm
Wall unit
Tal1 unit
Recommended space for
lighting, etc.
Work-top level
l Floor unit
11 Plinth
\ Service zone
Figure 1
1) For tall units and for appliances which are not meant to be placed beneath a work-top, or do not have a work-top included, this toe-recess tan be
reduced or eliminated.
2) The Service zone provides space for water, gas and waste pipes; its Provision is a requirement in the case of cabinets and cookers and, at present,
optional (at the discretion of the manufacturer) in other appliances. See also annex A.
. 2
ISO 3055-1985 (El
Annex A
Service zones
(This annex forms an integral part of the Standard.)
A.0 lntroduction *
The Provision of Service zones in kitchens makes it possible to provide Service runs without the need to make holes either in kitchen
cabinets or appliances or in the fabric of the building. The installation of Service runs is thereby facilitated.
The specifications in this annex apply only to cabinets and cookers, other equipment being excluded for technical reasons. The prob-
lem of providing Service runs is, however, solved for a wide variety of kitchen Plans by the Provision of Service zones in cabinets and
cookers. Other appliances, such as dishwashers, washing machines and refrigerators, may be provided with Service zones at the
manufacturer’s discretion. lt is intended to extend the requirements for Service zones to cover these appliances at a later date.
An example of a Service zone for Service runs from a dishwasher and sink to a vertical Service duct is shown in figure 2.
-Wall
Vertical Service duct
0’
\
\
\
\
Service zone i Service zone Service zone
-m--- -------m
l-
I
Refrigerator Dishvdasher 1
Cabinet
Ca binet
I
Cooker
Figure 2
ISO 30554985 (E)
A.1 Position and size (sec figure 3)
The Service zone shall be placed at floor level at the back of a cabinet or appliance. Its size shall be as follows:
100 + Emrn
- Depth:
- Height : 100 mm (minimum)
Wall unit
Tal1 unit
Recommended space for
lighting, etc.
Work-top level
Floor unit
Figure 3
A.2 Access to Service Zone
Where a connection to Service runs is required, cabinets (for example sink cabinets) shall be designed so that connections tan be
made without the need for making holes.
See, for example, figure 4.
.
Hinged or
remova ble lid
Service zone
Figure 4
. 4
ISO 30554985 (El
A.3 Examples
A.3.1 An example showing the layout of.a Service zone of dimensions 100 mm x 100 mm for one drainage pipe of nominal
diameter 50 mm (no fall necessary for lengths up to 3 000 mm) and two water pipes of diameter d = 12 mm is shown in figure 5.
NOTE - Pipes are installed before the kitchen equipment is fitted.
Dimensions in millimetres
-
TG
.-
z =
E
II
> c
ö
In
L
/ 100
/
/
DV = Outside diameter connection
Figure 5
ISO 3055-1985 (E)
A.3.2 An example showing the layout of a Service zone of dimensions 100 mm x 100 mm for one drainage pipe of nominal
diameter 50 mm (no fall necessary for lengths up to 3 000 mm), two watet-.pipes of diameter d = 12 mm and one gas pipe of nominal
diameter 20 mm is shown in figure 6.
NOTE - Pipes are installed before the kitchen equipment is fitted.
Dimensions in millimetres
DV=35
//
--- --
c4
iz
c
C .-
r\
E
c
>
I
ö
In
\
DV = Outside diameter connection
Figure 6
ISO 30554985 (EI
Annex B
General guidance on the planning of domestic kitchens
(This annex does not form part of the Standard.)
B.0 Introduction
International Standards may be established within this
This annex gives general guidance on the planning of domestic kitchens.
framework, when this is meaningful. Parts of this annex may be incorporated into national planning guides, according to national re-
quirements.
The principles for kitchen layouts and electrical installations are based on ergonomic considerations, analyses of activities and storage
requirements and the influence of household sizes, and take into account general principles concerning the combination of activity
spaces.
The guidance is valid for the majority of households, including those of elderly People and the physically handicapped. Individual re-
quirements for physically handicapped People have to be met for each special case, however, and are, therefore, not dealt with here.
See also ISO publication Needs of disabled People in buildings - Design Guidelines.
kitchen work and eating being considered as unifying and household activities,
Functional requirements are also considered,
Patterns may influence the utilization of the guidelin es.
although national or local cultural and socia
The planning of the kitchen should reflect rational work processes and work sequences and guarantee a’ comfortable, safe and
agreeable environment. Special attention needs to be paid to the safety of children and their natura1 behavioural Patterns, as well as to
elderly People and the physically handicapped.
lt is important to make Provision for subsequent improvements in kitchen equipment and changing kitchen activities. Free space for
additional activities and / or equipment is thus desirable. A high degree of flexibility, adjustable and interchangeable fitments, etc. will
facilitate adaptation to future, and changing, users’ demands.
B.1 Ergonomie requirements
BA.1 General
This basis should be used both for
The planning of a kitchen should be based on a knowledge of the users’ ergonomic requirements.
the design of individual units and for their assembly into Parts of, or whole, kitchens. The design of handles, knobs, switches, hinges,
should also be based on an ergonomic knowledge of the physical, mental and social capacity of the users.
right / left handling, etc.,
See the general layout in figure 7.
ISO 3055-1985 (EI
Heights in millimetres
;l 800
/
P-
\
\
LJ
\
\ -
\
1%
m
.
b 400
-Cl ’
\
\ \
\
\
Figure 7
BA.2 Working heights, standing (0)
The appropriate working heights for different activities when standing are
,
- for food preparation : 850 to 1 000 mm;
900 to 1 050 mm.
- for washing-up:
and activities, a range, at inter-
A work-top level of 850 mm and 900 mm is specified in 4.1. To make allowance for differing statures
heights and other means
vals of 50 mm, up to 1 050 mm is desirable. Adjustments in height tan be made by different plinth
B.1.3 Working heights, sitting (b)
The appropriate working height for different activities when sitting are
- for food preparation: 600 to 800 mm;
- for washing-up: 750 to 850 mm:
is desira ble and, if possible, the working su rface should be adjustable in height. For
If the height is fixed, adjustable seating
chair users, a minimum clear height of 650 mm under work-tops and sink bowls iS required.
BA.4 Vertical resch (4
conven resch. The term “vertical resch” refers to the maximum height
lt should be possible to store frequently used items within
from the an ite Nrn.
floor at which a person tan handle
Many People have difficulties in bending. Pull-out shelves, trays and drawers make it easier to remove and replace items.
ISO 3055-1985 (El
A convenient range of verticai resch for frequently used items is 400 mm (floor unit tray! shelf) to 1 800 mm (Wall unit shelf) from the
floor.
The vertical resch of a wheelchair user is often limited to a height of about 1 200 mm from the floor.
B.l.5 Appliances
Appliances such as dishwashers, ovens, refrigerators and freezers may be free-standing or housed in floor units or tall units.
Location of appliances in tall units
B.l.6
For ovens and dishwashers, a safe and convenient working height is more important than sight lines.
door face or tray - is level with adjacent working surfaces such as work-
Ovens should be located so that the setting-down surface -
tops or pull-out surfaces.
For convenient loading, dishwashers should be located such that the height from the floor to the top of the dishwasher is not more
than 1 100 mm.
For convenient resch, refrigerators and freezers should be located within a zone from 400 mm to 1 800 mm from the floor.
B.1.7 Elbckv room
A minimum of 2 M should be provided on either side of the sink and appliances in Order to ensure adequate working space.
kl.8 Lines of sight (d)
not be obstructed by fixed units or appliances.
The line of sight to the inner edge of the work top should This condition is met if the
bottom of the wall unit is 1 300 mm from the floor.
B.l.9 Lighting (e, f>
See clause B.5.
B.2 Activities
B.2.1 General
Kitchen work tan be considered to comprise the following main activities: food preparation, cooking and washing-up. These ac-
tivities require working areas, equipment and storage space. Requirements also need to be considered for eating as a complementary
activity.
Requirements for secondary activities such as sewing, writing, and hobbies are not considered in this annex.
The provisions for each of the different activities tan be overlapped and should be arranged to ensure convenient working (see
figure 8). To ensure this, particular attention should be given to the location and sizing of work-tops. The most important, between
the sink and cooker/ hobs, is where most work is carried out - its size should always be within the recommended range. If more than
one person is to work regularly in the kitch
...
~~
Norme internationale @ 3055
INTERNATIONAL ORGANIZATION FOR STANDARDIZATIONeMEXflYHAPOflHAfl OPrAHMSAUMfl no CTAHAAPTM3AUMM*ORGANlSATlON INTERNATIONALE DE NORMALISATION
Équipement de cuisine - Dimensions de coordination
Kitchen equipment - Coordinating sizes
Deuxième édition - 1985-05-01
- CDU 643.31 : 721.013 Réf. no : IS0 3055-1985 (FI
LL
Ln
Descripteurs : bâtiment, cuisine, Bquipement de cuisine, dimension, structure modulaire, coordination dimensionnelle.
U-J
‘“0
m
O
v, Prix basé sur 16 pages
Avant-propos
L’ISO (Organisation internationale de normalisation) est une fédération mondiale
d’organismes nationaux de normalisation (comités membres de I’ISO). L’élaboration
des Normes internationales est confiée aux comités techniques de I’ISO. Chaque
comité membre intéressé par une étude a le droit de faire partie du comité technique
créé à cet effet. Les organisations internationales, gouvernementales et non gouverne-
I’ISO, participent également aux travaux.
mentales, en liaison avec
Les projets de Normes internationales adoptés par les comités techniques sont soumis
aux comités membres pour approbation, avant leur acceptation comme Normes inter-
nationales par le Conseil de I‘ISO. Les Normes internationales sont approuvées confor-
mément aux procédures de I’ISO qui requièrent l‘approbation de 75 % au moins des
comités membres votants.
La Norme internationale IS0 3055 a été élaborée par le comité technique ISO/TC 59,
Construction immobilière.
La Norme internationale IS0 3055 a été pour la première fois publiée en 1974. Cette
deixième édition annule et remplace la première édition a laquelle ont éte ajoutées deux
nouvelles annexes.
Organisation internationale de normalisation, 1985
Imprimé en Suisse
NO R M E I NTE R NAT1 O NA LE ISO/DIS 3055-1985 (FI
Ëquipement de cuisine - Dimensions de coordination
O Introduction 3 Références
Le but de la normalisation des équipements de cuisine est de IS0 5731, Equipement de cuisine - Dimensions limites.
parvenir à composer un ensemble harmonieux et rationnel
tenant compte de l’ergonomie, sans que soit perdu de vue IS0 5732, Equipement de cuisine - Dimensions des ouvertu-
l’aspect économique de l’installation. res pour appareils encastrés.
Pour y parvenir, il importe que soient considérés :
4 Dimensions de coordination (voir figure 1)
- les dimensions des éléments d’équipement;
4.1 Hauteurs
- les aires d’utilisation propres à chaque équipement,
compte tenu de la possibilité de les superposer totalement
A - Hauteur du plan
ou partiellement selon le cas:
de travail : 9 M ou 8,5 MI)
- les dispositions des diverses canalisations (eau, gaz,
B - Hauteur du socle
évacuation, électricité);
- pour un plan de travail
- les assemblages des éléments entre eux.
de hauteur 9 M:
,5 M
La présente Norme internationale a été préparée en s’appuyant
- pour un plan de travail
sur les principes de coordination modulaire dans le bâtiment.
M : M
de hauteur 8.5
C - Hauteur libre entre
1 Objet
le sol et la surface inférieure
des éléments murauxz) : 13 M au minimum + n x M
La présente Norme Internationale définit les dimensions de
coordination des éléments d’équipement de cuisine pour habi-
D - Hauteur de la partie
tations.
supérieure des dements hauts
et des éléments muraux : 19 M au minimum + n x M
Elle spécifie également, en annexe A, les dimensions des zones
pour l‘eau chaude et froide, la tuyauterie d’évacuation et de gaz
Hauteur préférentielle : 21 M
dans le meuble de rangement de cuisine et dans certains appa-
reils.
4.2 Profondeurs3)
L‘annexe B donne, à titre d‘information, un guide général pour
E - Plans de travail, éléments
I’établissement des plans des cuisines domestiques.
bas et éléments hauts : 6M
F - Eléments muraux:
3 M ou 3,5 M
2 Domaine d’application
La présente Norme Internationale s‘applique, selon les prin-
4.3 Largeurs
cipes de la coordination modulaire dans le bâtiment, à tous les
éléments d’équipement de cuisine tels que : placards, plans de
Les largeurs de tous les composants doivent être des multiples
travail, blocs-éviers et appareils. M.
de
M est le symbole du module de base défini dans I’ISO 1006, Coordination modulaire - Modu/e de base, et il est égal B 100 mm.
1)
2) La zone réservée pour I’éclairage ou tous autres accessoires, s’il y en a, doit être incluse dans I’élément mural.
3) Seuls les boutons ou poignées peuvent faire saillie.
IS0 3055-1985 (FI
Des composants de dimensions différentes peuvent être com- Dimension prBfBrentielle : 30 mm
binés.
L - Retrait du socle par
Largeurs préférentielles :
rapport au bord avant du
- appareils: 6M
plan de travail, (retrait pour
les pieds) 1) :
50 mm au minimum
- placards: 3 M, 4 M, 5 M, 6 M, 8 M
A4 - Hauteur de la
- blocs-éviers: 6 M, 8M, 9 M, 12 M, 15 M, 18 M
zone de service2) :
100 mm au minimum
5 Dimensions spéciales
N - Profondeur de
K - Epaisseur du plan de travail
la zone de service21 : 100 mm
et hauteur du bandeau des Bviers
Élement mural
Element haut
Zone recommandée pour
eclairage, etc.
C
Niveau du plan de travail
Élement bas
Socle
U -I---,
- Zone de service
F
Figure 1
Pour les armoires et pour les appareils qui sont destines B être places sous un plan de travail ou qui n'ont pas de plan de travail incorpore, ce retrait
1)
peut être reduit ou supprimb.
La prevision des zones de service permet la mise en place de la tuyauterie. La zone est obligatoire dans les placards et les cuisinieres et, B present,
2)
facultative (B la discretion du fabricant) dans les autres appareils. Voir aussi annexe A.
IS0 3055-1985 (FI
Annexe A
Zones de service
(Cette annexe fait partie intégrante de la norme.)
A.0 Introduction
La prévision de zones de service dans les cuisines permet la mise en place de la tuyauterie sans qu’il faille percer des trous dans les
meubles de rangement et appareils de cuisine ou dans la maconnerie. L’installation de la tuyauterie est de ce fait facilitée.
Les spécifications de la présente annexe s’appliquent uniquement aux meubles de rangement et cuisinières, le reste de I’équipement
étant exclu pour des raisons techniques. Le problème de prévision de la tuyauterie est cependant résolu pour une grande variété de
plans de cuisines par la prévision des zones de service dans les meubles de rangement et cuisinières. D’autres appareils, tels que
machines à laver la vaisselle, machines à laver le linge et réfrigérateurs, peuvent être pourvus de zones de service à la discrétion des
fabricants. II est prévu d‘étendre aux autres appareils l’obligation à pourvoir une zone de service à l‘avenir.
Un exem.p!e de zone de service pour tuyauterie allant de la machine à laver la vaisselle et de I’évier au conduit de service vertical est
donné à la figure 2.
-Cloison
Conduit de service vertical
\
Figure 2
IS0 3055-1985 (FI
A.l Emplacement et dimensions (voir figure 31
La zone de service doit être située au niveau du sol derrière un meuble de rangement ou un appareil. Ses dimensions doivent être les
:
suivantes
100 + mm
- Profondeur:
- Hauteur: 100 mm (minimum)
Niveau du plan
t de travail
Socle
Hauteur de la zone de service
Zone de service
Profondeur de la zone de service
Figure 3
A.2 Accès à la zone de service
Quand une connexion avec la tuyauterie est demandée, les meubles de rangement (par exemple meubles sous évier) doivent être con-
CUS de telle sorte que les connexions puissent être faites sans qu’il faille percer des trous.
par exemple, figure 4.
Voir,
Couvercle
charnière ou
amovible
Zone de service
Figure 4
IS0 3055-1985 (FI
A.3 Exemples
A.3.1 Un exemple montrant la disposition d'une zone de service de dimensions 100 mm x 100 mm pour un tuyau d'écoulement
des eaux de diamètre 50 mm (pas de dénivellation nécessaire pour des longueurs jusqu'b 3 O00 rnm) et deux tuyaux d'eau de diamètre
d = 12 rnm est donné à la figure 5.
NOTE - Les tuyaux sont installés avant que I'équipement de cuisine ne soit installé.
Dimensions en millimètres
.-
h d
m C
c
C
.-
c
E
I
O
c
E
O
Ln
>
DV = Diamètre extérieur de connexion
Figure 5
IS0 3055-1985 (F)
A.3.2 Un exemple montrant la disposition d’une zone de service de dimensions 100 mm x 100 mm pour tuyau d‘écoulement des
eaux de diamètre nominal de 50 mm (pas de dénivellation nécessaire pour des longueurs jusqu‘8 3 000 mm), deux tuyaux d’eau de
d = 12 rnm et un tuyau de gaz de diamètre nominal de 20 mm est donné A la figure 6.
diamètre
Note - Les tuyaux sont installbs avant que I’bquipernent de cuisine ne soit installb.
Dimensions en millimètres
,
C
._
E
h A
c
m
c
.-
E
O
c
-
O
ln
DV = Diamètre extérieur de connexion
Figure 6
IS0 3055-1985 (FI
Annexe B
Guide général pour I'établissement des plans des cuisines domestiques
(Cette annexe ne fait pas partie intégrante de la norme.)
B.0 Introduction
La présente annexe constitue un guide général pour la planification des cuisines domestiques. Des Normes internationales peuvent
être établies dans le cadre de cette structure, lorsqu'elle est applicable. Les parties de la présente annexe peuvent être incorporées
dans des guides nationaux d'organisation selon les dispositions nationales préétablies.
Les principes d'établissement de plans de cuisines et d'installation électrique sont fondés sur les conditions ergonomiques, l'analyse
des activités et les exigences de rangement, l'influence de la composition de la famille, et en tenant compte des principes généraux de
combinaison des espaces d'activité.
Le guide convient pour une majorité de ménages, y compris ceux des personnes d'un certain âge et des handicapés physiques. Les
exigences-individuelles pour les handicapés physiques doivent être satisfaites pour chaque cas particulier et par conséquent ne sont
pas traitées ici. Voir aussi la publication IS0 ((Besoins des handicapés dans /es bâtiments - Guide pour la planification)).
Les exigences fonctionnelles sont également prises en considération, en conservant le travail à la cuisine et les repas comme des acti-
vités ménagères plaisantes et unifiantes quoique des ctfacons de faire)) sociales ou culturelles, locales ou nationales puissent influencer
l'utilisation des indications de ce guide.
Le plan de la cuisine devrait refléter le déroulement rationnel des processus et des séquences de travail, et garantir un environnement
confortable, sûr et agréable. II convient d'apporter une attention particulière à la sécurité des enfants età leur comportement naturel,
ainsi qu'aux personnes âgées et aux handicapés physiques.
II est important de prendre des dispositions en ce qui concerne les améliorations ultérieures de I'équipement des cuisines et les activi-
tés dans la cuisine. De l'espace libre pour des activités et / ou des matériels supplémentaires est donc souhaitable. Un haut degré de
flexibilité, des éléments ajustables et interchangeables, etc. faciliteront l'adaptation aux variations des exigences des utilisateurs dans
le futur.
B.l Exigences ergonomiques
B. 1 .I Généralités
La planification d'une cuisine devrait être basée sur la connaissance des exigences ergonomiques des utilisateurs. Cette base devrait
être utilisée pour la conception des éléments individuels et pour leur assemblage dans certaines parties de la cuisine ou dans toute la
cuisine. La conception des poignées, des boutons, des interrupteurs, des charnières des portes, le maniement à droite ou a gauche,
etc. devraient être basés sur une connaissance ergonomique de la capacité physique, mentale et sociale des utilisateurs.
Voir la disposition générale à la figure 7.
IS0 3055-1985 (F)
Hauteurs en millimètres
.-
Figure 7
6.1.2 Hauteurs au travail, station debout (a)
Les hauteurs de travail appropriées pour différentes activités en station debout sont
- pour la préparation des aliments: 850 à 1 O00 mm;
- pour le lavage: 900 à 1 050 mrn.
Une hauteur de plan de travail de 850 mrn et 900 rnm est spécifiée en 4.1, Afin de répondre aux besoins des différentes statures et
activités, une plage de hauteurs allant jusqu‘b 1 050 mm, par intervalles de 50 mm, est souhaitable. Les ajustages en hauteur peuvent
être effectués par différentes hauteurs de socle et par d’autres moyens.
Hauteurs au travail, station assise (b)
6.1.3
Les hauteurs de travail appropriées pour différentes activités en station assise sont
- pour la préparation des aliments: 600 à 800 mm;
- pour le lavage: 750 b 850 mm.
Si la hauteur est fixe, un siège ajustable est désirable et la surface de travail devrait, si possible, être susceptible d’accommodement en
rnm sous les plans du travail et cuves d’évier est
hauteur. Pour les utilisateurs de fauteuils roulants, une hauteur minimale nette de 650
exigée.
6.1.4 Hauteur à portbe de main (cl
II devrait être possible de ranger des objets utilisés fréquemmentà une hauteur convenable. Le terme ((hauteur à portée de main)) cor-
à la hauteur maximale au-dessus du sol à laquelle une personne peut atteindre un objet.
respond
De nombreuses personnes éprouvent des difficultés b se courber. Tirer des tablettes, des plateaux et des tiroirs rend plus aisés le
déplacement et le replacement des objets.
IS0 3055-1985 (FI
Une hauteur à portée de main convenable pour les objets utilisés fréquemment est comprise entre 400 mm (élément bas : plateau
tablette) et 1 800 mm (élément mural : tiroir) au-dessus du sol.
La hauteur à portée de main d’un utilisateur de fauteuil roulant est souvent limitée à environ 1 200 mm au-dessus du sol.
B. 1.5 Appareils
Les appareils tels que les machines à laver la vaisselle, les fours, les réfrigérateurs et les congélateurs peuvent être indépendants ou
encastrés dans les éléments bas ou, les éléments hauts.
B.1.6 Ernplacement des appareils en éléments hauts
Pour les fours et machines à laver la vaisselle, une hauteur permettant un travail convenable en toute sécurité est plus importante que
les plans de vision.
Les fours devraient être situés de telle facon que les surfaces de pose - face de la porte ou tablette - soient au niveau des surfaces
de travail adjacentes, telles que les plans de travail et les plans ajustables à tirer.
La hauteur des dessus des machines à laver la vaisselle devrait, pour permettre de les remplir commodément, ne pas excéder
1 100 mrq au-dessus du sol.
Les réfrigérateurs et congélateurs devraient, pour permettre de les atteindre commodément, être situés dans une zone de 400 à
1 800 mm au-dessus du sol.
B. 1.7 Espace pour les coudes
Un minimum de 2 M doit être prévu de chaque côté de I’évier et des appareils, afin d’assurer un espace de t
...
Norme internationale @ 3055
INTERNATIONAL ORGANIZATION FOR STANDARDIZATION*MEXnYHAPOflHAfl OPTAHHSAUHR fl0 CTAH~APTH3AL(HM*ORGANlSATlON INTERNATIONALE DE NORMALISATION
Équipement de cuisine - Dimensions de coordination
Kitchen equipment - Coordinating sizes
Deuxième édition - 1985-05-01
- CDU 643.31 : 721.013 Réf. no : IS0 3055-1985 (FI
LL
B
Descripteurs : bâtiment, cuisine, équipement de cuisine, dimension, structure modulaire, coordination dimensionnelle
z
O
E Prix basé sur 16 pages
Avant-propos
L'ISO (Organisation internationale de normalisation) est une fédération mondiale
d'organismes nationaux de normalisation (comités membres de I'ISO). L'élaboration
des Normes internationales est 'confiée aux comités techniques de I'ISO. Chaque
comité membre intéressé par une étude a le droit de faire partie du comité technique
créé à cet effet. Les organisations internationales, gouvernementales et non gouverne-
mentales, en liaison avec I'ISO, participent également aux travaux.
Les projets de Normes internationales adoptés par les comités techniques sont soumis
aux comités membres pour approbation, avant leur acceptation comme Normes inter-
nationales par le Conseil de I'ISO. Les Normes internationales sont approuvées confor-
mément aux procédures de I'ISO qui requièrent l'approbation de 75 % au moins des
comités membres votants.
La Norme internationale IS0 3055 a été élaborée par le comité technique ISO/TC 59,
Construction immobihëre.
La Norme internationale IS0 3055 a été pour la première fois publiée en 1974. Cette,
deixième édition annule et remplace la première édition à laquelle ont été ajoutées deux
nouvelles annexes.
O Organisation internationale de normalisation, 1985 0
Imprimé en Suisse
~
ISO/DIS 3055-1985 (FI
NORM E INTER NATIONALE
Équipement de cuisine - Dimensions de coordination
3 Références
O Introduction
IS0 5731, Equipement de cuisine - Dimensions limites.
Le but de la normalisation des équipements de cuisine est de
parvenir à composer un ensemble harmonieux et rationnel
IS0 5732, Equipement de cuisine - Dimensions des ouvertu-
tenant compte de l'ergonomie, sans que soit perdu de vue
res pour appareils encastrés.
l'aspect économique de l'installation.
Pour y parvenir, il importe que soient considérés :
4 Dimensions de coordination (voir figure 1)
- les dimensions des éléments d'équipement;
4.1 Hauteurs
- les aires d'utilisation propres à chaque équipement,
compte tenu de la possibilité de les superposer totalement
A - Hauteur du plan
ou partiellement selon le cas;
de travail : 9 M ou 8,5 MI)
- les dispositions des diverses canalisations (eau, gaz,
B - Hauteur du socle
évacuation, électricité);
- pour un plan de travail
- les assemblages des éléments entre eux
de hauteur 9 M : 1,5 M
La présente Norme internationale a été préparée en s'appuyant
- pour un plan de travail
sur les principes de coordination modulaire dans le bâtiment.
de hauteur 8,5 M : 1M
C - Hauteur libre entre
1 Objet
le sol et la surface inférieure
des éléments muraux2) : 13 M au minimum + n x M
La présente Norme Internationale définit les dimensions de
coordination des éléments d'équipement de cuisine pour habi-
D - Hauteur de la partie
tations.
supérieure des élements hauts
et des éléments muraux : 19 M au minimum + n x M
Elle spécifie également, en annexe A, les dimensions des zones
pour l'eau chaude et froide, la tuyauterie d'évacuation et de gaz
Hauteur préférentielle : 21 M
dans le meuble de rangement de cuisine et dans certains appa-
reils.
4.2 Profondeurss)
L'annexe B donne, à titre d'information, un guide général pour
E - Plans de travail, éléments
I'établissement des plans des cuisines domestiques.
bas et éléments hauts : 6M
F - Éléments muraux : 3 M ou 3.5 M
2 Domaine d'application
La présente Norme Internationale s'applique, selon les prin- 4.3 Largeurs
cipes de la coordination modulaire dans le bâtiment, à tous les
élérnents d'équipement de cuisine tels que : placards, plans de Les largeurs de tous les composants doivent être des multiples
travail, blocs-éviers et appareils. de M.
M est le symbole du module de base défini dans l'lS0 1006, Coordination modulaire - Mod& de base, et il est égal à 100 rnrn.
1)
La zone réservée pour I'éclairage ou tous autres accessoires, s'il y en a, doit Btre incluse dans I'élérnent mural.
2)
3) Seuls les boutons ou poignées peuvent faire saillie
IS0 3055-1985 (FI
Des composants de dimensions différentes peuvent être com-
Dimension préférentielle : 30 mm
binés.
L - Retrait du socle par
Largeurs préférentielles :
rapport au bord avant du
- appareils: 6M
plan de travail, (retrait pour
les pieds) 1) : 50 mm au minimum
- placards:
3 M, 4 M, 5 M, 6 M, 8 M
A4 - Hauteur de la
- blocs-éviers: 6 M, 8M, 9 M, 12 M, 15 M, 18 M
zone de servicez) :
100 mm au minimum
5 Dimensions spbciales
N - Profondeur de
K - Epaisseur du plan de travail
la zone de service21 :
100 mm
et hauteur du bandeau des éviers
I
Element mural
Élement haut
Zone recommandée pour
eclairage, etc.
,I Niveau du plan de travail
0 Élement Élement bas bas
Socle Socle
TZf3 Zone Zone de de service service
O O
Figure 1
Pour les armoires et pour les appareils qui sont destines a être places sous un plan de travail ou qui n’ont pas de plan de travail incorpor6, ce retrait
1)
peut être &duit ou supprime.
La prevision des zones de service permet la mise en place de la tuyauterie. La zone est obligatoire dans les placards et les cuisinieres et, a present,
2)
facultative (A la discretion du fabricant) dans les autres appareils. Voir aussi annexe A.
IS0 3055-1985 (FI
Annexe A
Zones de service
(Cette annexe fait partie intégrante de la norme.)
A.0 Introduction
La prévision de zones de service dans les cuisines permet la mise en place de la tuyauterie sans qu’il faille percer des trous dans les
meubles de rangement et appareils de cuisine ou dans la maconnerie. L’installation de la tuyauterie est de ce fait facilitée.
Les spécifications de la présente annexe s‘appliquent uniquement aux meubles de rangement et cuisinières, le reste de I’équipement
étant exclu pour des raisons techniques. Le problème de prévision de la tuyauterie est cependant résolu pour une grande variété de
plans de cuisines par la prévision des zones de service dans les meubles de rangement et cuisinières. D‘autres appareils, tels que
machines à laver la vaisselle, machines à laver le linge et réfrigérateurs, peuvent être pourvus de zones de service à la discrétion des
fabricants. II est prévu d’étendre aux autres appareils l’obligation à pourvoir une zone de service à l’avenir.
Un exemple de zone de service pour tuyauterie allant de la machine à laver la vaisselle et de I’évier au conduit de service vertical est
donné à la figure 2.
-Cloison
Conduit de service vertical Ir
Zone de service
-----
Placard Réfrigérateur
Figure 2
IS0 3055-1985 (FI
A.l Emplacement et dimensions (voir figure 3)
La zone de service doit être située au niveau du sol derrière un meuble de rangement ou un appareil. Ses dimensions doivent être les
suivantes :
- Profondeur: 100 + mm
- Hauteur: 100 mm (minimum)
pour éclairage, etc.
Niveau du plan
de travail
Element bas
*
-------
Socle
Hauteur de la zone de service
I J
/
Zone de service
A.2 Accès à la zone de service
Quand une connexion avec la tuyauterie est demandée, les meubles de rangement (par exemple meubles sous évier) doivent être con-
cus de telle sorte que les connexions puissent être faites sans qu'il faille percer des trous.
------
Voir, par exemple, figure 4.
in
Couvercle à
II
chardre ou
amovible
Zone de service
Figure 4
IS0 3055-1985 (FI
A.3 Exemples
A.3.1 Un exemple montrant la disposition d’une zone de service de dimensions 100 mm x 100 mm pour un tuyau d’écoulement
des eaux de diamètre 50 mm (pas de dénivellation nécessaire pour des longueurs jusqu’à 3 O00 mm) et deux tuyaux d’eau de diamètre
d = 12 mm est donné à la figure 5.
NOTE ~ Les tuyaux sont installés avant que I‘équipement de cuisine ne soit installé.
Dimensions en millimètres
7 O
-4
hl
A
m
C
c
.-
r
E
I
. O
.
c
Y
C
O
ln
i
-+-
DV = Diamètre extérieur de connexion
Figure 5
IS0 3055-1985 (FI
A.3.2 Un exemple montrant la disposition d'une zone de service de dimensions 100 mrn x 100 rnrn pour tuyau d'écoulernent des
eaux de diamètre nominal de 50 mm (pas de dénivellation nécessaire pour des longueurs jusqu'h 3 O00 mrn), deux tuyaux d'eau de
diamètre d = 12 mm et un tuyau de gaz de diamètre nominal de 20 mm est donné à la figure 6.
Note - Les tuyaux sont installés avant que I'équipement de cuisine ne soit installe
Dimensions en millimètres
DV=35 , fO(nominaj? DV= 35
/
t
fi
DV = Diamètre extérieur de connexion
Figure 6
IS0 3055-1985 (FI
Annexe B
Guide général pour I'établissement des plans des cuisines domestiques
(Cette annexe ne fait pas partie intégrante de la norme.)
B.0 introduction
La présente annexe constitue un guide général pour la planification des cuisines domestiques. Des Normes internationales peuvent
être établies dans le cadre de cette structure, lorsqu'elle est applicable. Les parties de la présente annexe peuvent être incorporées
dans des guides nationaux d'organisation selon les dispositions nationales préétablies.
Les principes d'établissement de plans de cuisines et d'installation électrique sont fondés sur les conditions ergonomiques, l'analyse
des activités et les exigences de rangement, l'influence de la composition de la famille, et en tenant compte des principes généraux de
combinaison des espaces d'activité.
Le guide convient pour une majorité de ménages, y compris ceux des personnes d'un certain âge et des handicapés physiques. Les
exigences individuelles pour les handicapés physiques doivent être satisfaites pour chaque cas particulier et par conséquent ne sont
pas traitées ici. Voir aussi la publication IS0 ((Besoins des handicapés dans les bâtiments - Guide pour la planification)).
Les exigences fonctionnelles sont également prises en considération, en conservant le travail à la cuisine et les repas comme des acti-
vités ménagères plaisantes et unifiantes quoique des ((facons de faire)) sociales ou culturelles, locales ou nationales puissent influencer
l'utilisation des indications de ce guide.
Le plan de la cuisine devrait refléter le déroulement rationnel des processus et des séquences de travail, et garantir un environnement
confortable, sûr et agréable. II convient d'apporter une attention particulière à la sécurité des enfants et à leur comportement naturel,
ainsi qu'aux personnes âgées et aux handicapés physiques.
Il est important de prendre des dispositions en ce qui concerne les améliorations ultérieures de I'équipement des cuisines et les activi-
tés dans la cuisine. De l'espace libre pour des activités et/ou des matériels supplémentaires est donc souhaitable. Un haut degré de
flexibilité, des éléments ajustables et interchangeables, etc. faciliteront l'adaptation aux variations des exigences des utilisateurs dans
le futur.
B.l Exigences ergonomiques
B.l.l Généralités
La planification d'une cuisine devrait être basée sur la connaissance des exigences ergonomiques des utilisateurs. Cette base devrait
être utilisée pour la conception des éléments individuels et pour leur assemblage dans certaines parties de la cuisine ou dans toute la
cuisine. La conception des poignées, des boutons, des interrupteurs, des charnières des portes, le maniement à droite ou à gauche,
etc. devraient être basés sur une connaissance ergonomique de la capacité physique, mentale et sociale des utilisateurs.
Voir la disposition générale à la figure 7.
IS0 3055-1985 (F)
Hauteurs en millimètres
'f I
1 800
Figure 7
Hauteurs au travail, station debout la)
6.1.2
Les hauteurs de travail appropriées pour différentes activités en station debout sont
- pour la préparation des aliments: 850 à 1 O00 mm;
900 à 1 O50 mm.
- pour le lavage:
Une hauteur de plan de travail de 850 mm et 900 rnm est spécifiée en 4.1. Afin de répondre aux besoins des différentes statures et
activités, une plage de hauteurs allant jusqu'à 1 O50 mm, par intervalles de 50 mm, est souhaitable. Les ajustages en hauteur peuvent
être effectués par différentes hauteurs de socle et par d'autres moyens.
6.1.3 Hauteurs au travail, station assise (b)
Les hauteurs de travail appropriées pour différentes activités en station assise sont
- pour la préparation des aliments: 600 à 800 mm;
- pour le lavage: 750 à 850 mm.
Si la hauteur est fixe, un siege ajustable est désirable et la surface de travail devrait, si possible, être susceptible d'accommodement en
hauteur. Pour les utilisateurs de fauteuils roulants, une hauteur minimale nette de 650 mrn sous les plans du travail et cuves d'évier est
exigée.
6.1.4 Hauteur à portée de main (c)
II devrait être possible de ranger des objets utilisés fréquemment à une hauteur convenable. Le terme ((hauteur à portée de main)) cor-
respond à la hauteur maximale au-dessus du sol à laquelle une personne peut atteindre un objet.
De nombreuses personnes éprouvent des difficultés à se courber. Tirer des tablettes, des plateaux et des tiroirs rend plus aisés Je
déplacement et le replacement des objets.
IS0 3055-1985 (FI
Une hauteur à portée de main convenable pour les objets utilisés fréquemment est comprise entre 400 mm (élément bas: plateau
tablette) et 1 800 mm (élément mural : tiroir) au-dessus du sol.
La hauteur à portée de main d'un utilisateur de fauteuil roulant est souvent limitée a environ 1 200 mm au-dessus du sol.
B. 1.5 Appareils
Les appareils tels que les machines à laver la vaisselle, les fours, les réfrigérateurs et les congélateurs peuvent être indépendants ou
encastrés dans les éléments bas ou, les éléments hauts.
B.1.6 Emplacement des appareils en éléments hauts
Pour les fours et machines à laver la vaisselle, une hauteur permettant un travail convenable en toute sécurité est plus importante que
les plans de vision.
Les fours devraient être situés de telle facon que les surfaces de pose - face de la porte ou tablette - soient au niveau des surfaces
de travail adjacentes, telles que les plans de travail et les plans ajustables à tirer.
La hauteur des dessus des machines à laver la vaisselle devrait, pour permettre de les remplir commodément, ne pas excéder
1 100 mm au-dessus du sol.
Les réfrigérateurs et congélateurs devraient, pour permettre de les atteindre commodément, être situés dans une zone de 400 8
1 800 mm au-dessus du sol.
B.1.7 Espace pour les coudes
Un minimum de 2 M doit être prévu de chaque côté de I'évie
...












Questions, Comments and Discussion
Ask us and Technical Secretary will try to provide an answer. You can facilitate discussion about the standard in here.
Loading comments...