ASTM F448-18
(Test Method)Standard Test Method for Measuring Steady-State Primary Photocurrent
Standard Test Method for Measuring Steady-State Primary Photocurrent
SIGNIFICANCE AND USE
5.1 PN Junction Diode—The steady-state photocurrent of a simple p-n junction diode is a directly measurable quantity that can be directly related to device response over a wide range of ionizing radiation. For more complex devices the junction photocurrent may not be directly related to device response.
5.2 Zener Diode—In this device, the effect of the photocurrent on the Zener voltage rather than the photocurrent itself is usually most important. The device is most appropriately tested while biased in the Zener region. In testing Zener diodes or precision voltage regulators, extra precaution must be taken to make certain the photocurrent generated in the device during irradiations does not cause the voltage across the device to change during the test.
5.3 Bipolar Transistor—As device geometries dictate that photocurrent from the base-collector junction be much greater than current from the base-emitter junction, measurements are usually made only on the collector-base junction with emitter open; however, sometimes, to obtain data for computer-aided circuit analysis, the emitter-base junction photocurrent is also measured.
5.4 Junction Field-Effect Device—A proper photocurrent measurement requires that the source be shorted (dc) to the drain during measurement of the gate-channel photocurrent. In tetrode-connected devices, the two gate-channel junctions should be monitored separately.
5.5 Insulated Gate Field-Effect Device—In this type of device, the true photocurrent is between the substrate and the channel, source, and drain regions. A current which can generate voltage that will turn on the device may be measured by the technique used here, but it is due to induced conductivity in the gate insulator and thus is not a junction photocurrent.
SCOPE
1.1 This test method covers the measurement of steady-state primary photocurrent, Ipp, generated in semiconductor devices when these devices are exposed to ionizing radiation. These procedures are intended for the measurement of photocurrents greater than 10−9 A·s/Gy(Si or Ge), in cases for which the relaxation time of the device being measured is less than 25 % of the pulse width of the ionizing source. The validity of these procedures for ionizing dose rates as great as 108Gy(Si or Ge)/s has been established. The procedures may be used for measurements at dose rates as great as 1010Gy(Si or Ge)/s; however, extra care must be taken. Above 108Gy/s, the package response may dominate the device response for any device. Additional precautions are also required when measuring photocurrents of 10−9 A·s/Gy(Si or Ge) or lower.
1.2 Setup, calibration, and test circuit evaluation procedures are also included in this test method.
1.3 Because of the variability between device types and in the requirements of different applications, the dose rate range over which any specific test is to be conducted is not given in this test method but must be specified separately.
1.4 The values stated in SI units are to be regarded as standard. No other units of measurement are included in this standard.
1.5 This standard does not purport to address all of the safety concerns, if any, associated with its use. It is the responsibility of the user of this standard to establish appropriate safety, health, and environmental practices and determine the applicability of regulatory limitations prior to use.
1.6 This international standard was developed in accordance with internationally recognized principles on standardization established in the Decision on Principles for the Development of International Standards, Guides and Recommendations issued by the World Trade Organization Technical Barriers to Trade (TBT) Committee.
General Information
- Status
- Published
- Publication Date
- 28-Feb-2018
- Technical Committee
- E10 - Nuclear Technology and Applications
Relations
- Effective Date
- 01-Jul-2020
- Effective Date
- 01-Jan-2013
- Effective Date
- 01-Jan-2011
- Effective Date
- 01-Jun-2010
- Effective Date
- 01-Jun-2005
- Effective Date
- 10-Jun-2000
- Effective Date
- 10-Dec-1997
- Effective Date
- 01-Jan-1991
Overview
ASTM F448-18: Standard Test Method for Measuring Steady-State Primary Photocurrent is an internationally recognized standard published by ASTM International. This document outlines the procedures for accurately measuring steady-state primary photocurrent (Ipp) generated in semiconductor devices-such as p-n junction diodes, Zener diodes, bipolar transistors, and field-effect transistors-when exposed to ionizing radiation. The standard is essential for characterizing device responses in radiation-rich environments, supporting both research and industrial needs for radiation-hardened electronics.
Key Topics
- Scope of Measurement: Focuses on the measurement of photocurrents greater than 10⁻⁹ A·s/Gy(Si or Ge), where the relaxation time of the device is less than 25% of the radiation source pulse width.
- Device Types Covered:
- P-N junction diodes
- Zener diodes (tested under Zener bias ensuring voltage stability)
- Bipolar transistors (collector-base and sometimes emitter-base junctions)
- Junction field-effect devices (gate-channel current with shorted source-drain)
- Insulated gate field-effect devices (substrate-channel/source/drain photocurrents)
- Test Setup and Calibration: Specifies equipment and test circuits, including regulated DC supplies, oscilloscopes, electron linear accelerators, dosimeters (thermoluminescent, calorimetric), and pulse generators.
- Measurement Procedures: Instructions for test configuration, application of appropriate bias, test execution at various dose rates, and analysis of device relaxation times.
- Variables and Precautions:
- Consideration of air ionization, secondary emission, electrical noise, temperature, and device orientation.
- Emphasis on maintaining test integrity by minimizing non-device related current contributions.
- Requirement for careful dose management to avoid exceeding the failure threshold of the device under test.
Applications
- Radiation-Hardness Assurance: Used to evaluate and compare the radiation response of semiconductor devices, critical in aerospace, defense, nuclear instrumentation, and other applications subject to high radiation.
- Device Characterization: Provides data to support the design of radiation-hardened electronics by enabling accurate measurement of photocurrent under various irradiation conditions.
- Quality Assurance and Lot Testing: Enables consistent, repeatable measurements across batches of devices, supporting manufacturing quality and compliance.
- Research and Development: Assists in model validation and understanding of device physics in the presence of ionizing radiation.
Related Standards
- ASTM E668: Practice for Application of Thermoluminescence-Dosimetry (TLD) Systems in Determining Absorbed Dose in Radiation Testing.
- ASTM F526: Test Method for Using Calorimeters for Total Dose Measurements in Pulsed Linear Accelerator or Flash X-ray Machines.
- General Terminology and Test Methods: For users requiring complementary procedures for device dosimetry or transient current measurement, other ASTM standards and guides may be referenced.
Practical Value
- Versatile Across Device Types: Clearly addresses procedures and considerations for a range of semiconductor components.
- Ensures Device Reliability: By specifying comprehensive photocurrent measurement techniques, this standard helps manufacturers and users ensure their devices perform reliably in harsh radiation environments.
- International Recognition: Developed under WTO Technical Barriers to Trade (TBT) principles, facilitating harmonization and global acceptance.
- Supports Safety and Compliance: Provides structured methodologies for test setup, calibration, and reporting, ensuring results are valid and reproducible.
ASTM F448-18 is an essential reference for engineers, quality assurance professionals, and researchers needing accurate, standardized methods for measuring photocurrent in semiconductor devices exposed to ionizing radiation. The procedures outlined help maintain device performance and compliance in critical applications, supporting advancements in radiation-hardened electronics and robust circuit design.
Buy Documents
ASTM F448-18 - Standard Test Method for Measuring Steady-State Primary Photocurrent
REDLINE ASTM F448-18 - Standard Test Method for Measuring Steady-State Primary Photocurrent
Frequently Asked Questions
ASTM F448-18 is a standard published by ASTM International. Its full title is "Standard Test Method for Measuring Steady-State Primary Photocurrent". This standard covers: SIGNIFICANCE AND USE 5.1 PN Junction Diode—The steady-state photocurrent of a simple p-n junction diode is a directly measurable quantity that can be directly related to device response over a wide range of ionizing radiation. For more complex devices the junction photocurrent may not be directly related to device response. 5.2 Zener Diode—In this device, the effect of the photocurrent on the Zener voltage rather than the photocurrent itself is usually most important. The device is most appropriately tested while biased in the Zener region. In testing Zener diodes or precision voltage regulators, extra precaution must be taken to make certain the photocurrent generated in the device during irradiations does not cause the voltage across the device to change during the test. 5.3 Bipolar Transistor—As device geometries dictate that photocurrent from the base-collector junction be much greater than current from the base-emitter junction, measurements are usually made only on the collector-base junction with emitter open; however, sometimes, to obtain data for computer-aided circuit analysis, the emitter-base junction photocurrent is also measured. 5.4 Junction Field-Effect Device—A proper photocurrent measurement requires that the source be shorted (dc) to the drain during measurement of the gate-channel photocurrent. In tetrode-connected devices, the two gate-channel junctions should be monitored separately. 5.5 Insulated Gate Field-Effect Device—In this type of device, the true photocurrent is between the substrate and the channel, source, and drain regions. A current which can generate voltage that will turn on the device may be measured by the technique used here, but it is due to induced conductivity in the gate insulator and thus is not a junction photocurrent. SCOPE 1.1 This test method covers the measurement of steady-state primary photocurrent, Ipp, generated in semiconductor devices when these devices are exposed to ionizing radiation. These procedures are intended for the measurement of photocurrents greater than 10−9 A·s/Gy(Si or Ge), in cases for which the relaxation time of the device being measured is less than 25 % of the pulse width of the ionizing source. The validity of these procedures for ionizing dose rates as great as 108Gy(Si or Ge)/s has been established. The procedures may be used for measurements at dose rates as great as 1010Gy(Si or Ge)/s; however, extra care must be taken. Above 108Gy/s, the package response may dominate the device response for any device. Additional precautions are also required when measuring photocurrents of 10−9 A·s/Gy(Si or Ge) or lower. 1.2 Setup, calibration, and test circuit evaluation procedures are also included in this test method. 1.3 Because of the variability between device types and in the requirements of different applications, the dose rate range over which any specific test is to be conducted is not given in this test method but must be specified separately. 1.4 The values stated in SI units are to be regarded as standard. No other units of measurement are included in this standard. 1.5 This standard does not purport to address all of the safety concerns, if any, associated with its use. It is the responsibility of the user of this standard to establish appropriate safety, health, and environmental practices and determine the applicability of regulatory limitations prior to use. 1.6 This international standard was developed in accordance with internationally recognized principles on standardization established in the Decision on Principles for the Development of International Standards, Guides and Recommendations issued by the World Trade Organization Technical Barriers to Trade (TBT) Committee.
SIGNIFICANCE AND USE 5.1 PN Junction Diode—The steady-state photocurrent of a simple p-n junction diode is a directly measurable quantity that can be directly related to device response over a wide range of ionizing radiation. For more complex devices the junction photocurrent may not be directly related to device response. 5.2 Zener Diode—In this device, the effect of the photocurrent on the Zener voltage rather than the photocurrent itself is usually most important. The device is most appropriately tested while biased in the Zener region. In testing Zener diodes or precision voltage regulators, extra precaution must be taken to make certain the photocurrent generated in the device during irradiations does not cause the voltage across the device to change during the test. 5.3 Bipolar Transistor—As device geometries dictate that photocurrent from the base-collector junction be much greater than current from the base-emitter junction, measurements are usually made only on the collector-base junction with emitter open; however, sometimes, to obtain data for computer-aided circuit analysis, the emitter-base junction photocurrent is also measured. 5.4 Junction Field-Effect Device—A proper photocurrent measurement requires that the source be shorted (dc) to the drain during measurement of the gate-channel photocurrent. In tetrode-connected devices, the two gate-channel junctions should be monitored separately. 5.5 Insulated Gate Field-Effect Device—In this type of device, the true photocurrent is between the substrate and the channel, source, and drain regions. A current which can generate voltage that will turn on the device may be measured by the technique used here, but it is due to induced conductivity in the gate insulator and thus is not a junction photocurrent. SCOPE 1.1 This test method covers the measurement of steady-state primary photocurrent, Ipp, generated in semiconductor devices when these devices are exposed to ionizing radiation. These procedures are intended for the measurement of photocurrents greater than 10−9 A·s/Gy(Si or Ge), in cases for which the relaxation time of the device being measured is less than 25 % of the pulse width of the ionizing source. The validity of these procedures for ionizing dose rates as great as 108Gy(Si or Ge)/s has been established. The procedures may be used for measurements at dose rates as great as 1010Gy(Si or Ge)/s; however, extra care must be taken. Above 108Gy/s, the package response may dominate the device response for any device. Additional precautions are also required when measuring photocurrents of 10−9 A·s/Gy(Si or Ge) or lower. 1.2 Setup, calibration, and test circuit evaluation procedures are also included in this test method. 1.3 Because of the variability between device types and in the requirements of different applications, the dose rate range over which any specific test is to be conducted is not given in this test method but must be specified separately. 1.4 The values stated in SI units are to be regarded as standard. No other units of measurement are included in this standard. 1.5 This standard does not purport to address all of the safety concerns, if any, associated with its use. It is the responsibility of the user of this standard to establish appropriate safety, health, and environmental practices and determine the applicability of regulatory limitations prior to use. 1.6 This international standard was developed in accordance with internationally recognized principles on standardization established in the Decision on Principles for the Development of International Standards, Guides and Recommendations issued by the World Trade Organization Technical Barriers to Trade (TBT) Committee.
ASTM F448-18 is classified under the following ICS (International Classification for Standards) categories: 31.260 - Optoelectronics. Laser equipment. The ICS classification helps identify the subject area and facilitates finding related standards.
ASTM F448-18 has the following relationships with other standards: It is inter standard links to ASTM E668-20, ASTM E668-13, ASTM F526-11, ASTM E668-10, ASTM E668-05, ASTM E668-00, ASTM F526-97(2003), ASTM F526-97. Understanding these relationships helps ensure you are using the most current and applicable version of the standard.
ASTM F448-18 is available in PDF format for immediate download after purchase. The document can be added to your cart and obtained through the secure checkout process. Digital delivery ensures instant access to the complete standard document.
Standards Content (Sample)
This international standard was developed in accordance with internationally recognized principles on standardization established in the Decision on Principles for the
Development of International Standards, Guides and Recommendations issued by the World Trade Organization Technical Barriers to Trade (TBT) Committee.
Designation: F448 − 18
Standard Test Method for
Measuring Steady-State Primary Photocurrent
This standard is issued under the fixed designation F448; the number immediately following the designation indicates the year of original
adoption or, in the case of revision, the year of last revision. A number in parentheses indicates the year of last reapproval. A superscript
epsilon (´) indicates an editorial change since the last revision or reapproval.
This standard has been approved for use by agencies of the U.S. Department of Defense.
1. Scope 2. Referenced Documents
1.1 This test method covers the measurement of steady-state 2.1 ASTM Standards:
primary photocurrent, I , generated in semiconductor devices E668 Practice for Application of Thermoluminescence-
pp
when these devices are exposed to ionizing radiation. These Dosimetry (TLD) Systems for Determining Absorbed
procedures are intended for the measurement of photocurrents Dose in Radiation-Hardness Testing of Electronic Devices
−9
greater than 10 A·s/Gy(Si or Ge), in cases for which the F526 Test Method for Using Calorimeters for Total Dose
relaxation time of the device being measured is less than 25 % Measurements in Pulsed Linear Accelerator or Flash
of the pulse width of the ionizing source. The validity of these X-ray Machines
procedures for ionizing dose rates as great as 10 Gy(Si or Ge)/s
3. Terminology
has been established. The procedures may be used for mea-
surements at dose rates as great as 10 Gy(Si or Ge)/s; 3.1 Definitions:
however, extra care must be taken. Above 10 Gy/s, the 3.1.1 fall time, n—the time required for a signal pulse to
package response may dominate the device response for any drop from 90 to 10 % of its steady-state value.
device. Additional precautions are also required when measur-
3.1.2 photocurrent relaxation time, n—the time required for
−9
ing photocurrents of 10 A·s/Gy(Si or Ge) or lower.
the radiation induced photocurrent to decrease to 1/e (0.368) of
its initial value. The relaxation time depends upon the
1.2 Setup, calibration, and test circuit evaluation procedures
recombination-controlled photocurrent decay in the media,
are also included in this test method.
which is often a semiconductor. The relaxation time can
1.3 Because of the variability between device types and in
depend upon the temperature and the strength of the
the requirements of different applications, the dose rate range
irradiation/illumination.
over which any specific test is to be conducted is not given in
3.1.3 primary photocurrent, n—the flow of excess charge
this test method but must be specified separately.
carriers across a p-n junction due to ionizing radiation creating
1.4 The values stated in SI units are to be regarded as
electron-hole pairs throughout the device. The charges associ-
standard. No other units of measurement are included in this
ated with this current are only those produced in the junction
standard.
depletion region and in the bulk semiconductor material
1.5 This standard does not purport to address all of the
approximately one diffusion length on either side of the
safety concerns, if any, associated with its use. It is the
depletion region (or to the end of the semiconductor material,
responsibility of the user of this standard to establish appro-
whichever is shorter).
priate safety, health, and environmental practices and deter-
3.1.4 pulse width, n—the time a pulse-amplitude remains
mine the applicability of regulatory limitations prior to use.
above 50 % of its maximum value.
1.6 This international standard was developed in accor-
3.1.5 rise time, n—the time required for a signal pulse to rise
dance with internationally recognized principles on standard-
from 10 to 90 % of its steady-state value.
ization established in the Decision on Principles for the
Development of International Standards, Guides and Recom-
4. Summary of Test Method
mendations issued by the World Trade Organization Technical
4.1 In this test method, the test device is irradiated in the
Barriers to Trade (TBT) Committee.
primary electron beam of a linear accelerator. Both the irradia-
tion pulse and junction current (Fig. 1) are displayed and
This test method is under the jurisdiction of ASTM Committee E10 on Nuclear
Technology and Applications and is the direct responsibility of Subcommittee
E10.07 on Radiation Dosimetry for Radiation Effects on Materials and Devices. For referenced ASTM standards, visit the ASTM website, www.astm.org, or
Current edition approved March 1, 2018. Published April 2018. Originally contact ASTM Customer Service at service@astm.org. For Annual Book of ASTM
approved in 1975 as F448 – 75 T. Last previous edition approved in 2011 as Standards volume information, refer to the standard’s Document Summary page on
F448 – 11. DOI: 10.1520/F0448-18. the ASTM website.
Copyright © ASTM International, 100 Barr Harbor Drive, PO Box C700, West Conshohocken, PA 19428-2959. United States
F448 − 18
FIG. 1 Ionization Radiation Pulse and Typical Primary Photocurrent Response
recorded. Placement of a thin, low atomic number (Z≤13) tetrode-connected devices, the two gate-channel junctions
scattering plate in the beam is recommended to improve beam should be monitored separately.
uniformity; the consequences of the use of a scattering plate
5.5 Insulated Gate Field-Effect Device—In this type of
relating to interference from secondary electrons are described.
device, the true photocurrent is between the substrate and the
The total dose is measured by an auxiliary dosimeter. The
channel, source, and drain regions. A current which can
steady-state values of the dose rate and junction current and the
generate voltage that will turn on the device may be measured
relaxation time of the junction current are determined from the
by the technique used here, but it is due to induced conduc-
data trace and total dose.
tivity in the gate insulator and thus is not a junction photocur-
4.2 In special cases, these parameters may be measured at a rent.
single dose rate under one bias condition if the test is designed
6. Interferences
to generate information for such a narrow application. The
preferred approach, described in this test method, is to char-
6.1 Air Ionization— A spurious component of the current
acterize the radiation response of a device in a way that is
measured during a photocurrent test can result from conduction
useful to many different applications. For this purpose, the
through air ionized by the irradiation pulse. Although this is not
response to pulses at a number of different dose rates is
likely to be a serious problem for photocurrents greater than
−9
required. Because of the bias dependence of the depletion
10 A·s/Gy(Si or Ge), the spurious contribution can easily be
volume, it is possible that more than one bias level will be
checked by measuring the current while irradiating the test
required during the photocurrent measurements.
fixture in the absence of a test device. Air ionization contribu-
tions to the observed signal are proportional to applied field,
5. Significance and Use
while those due to secondary emission effects (see 6.2) are not.
5.1 PN Junction Diode—The steady-state photocurrent of a The effects of air ionization external to the device may be
simple p-n junction diode is a directly measurable quantity that minimized by coating exposed leads with a thick layer of
can be directly related to device response over a wide range of paraffin, silicone rubber, or nonconductive enamel or by
ionizing radiation. For more complex devices the junction making the measurement in vacuum.
photocurrent may not be directly related to device response. 3
6.2 Secondary Emission —Another spurious component of
5.2 Zener Diode— In this device, the effect of the photo- the measured current can result from charge emission from, or
current on the Zener voltage rather than the photocurrent itself charge injection into, the test device and test circuit. This may
is usually most important. The device is most appropriately be minimized by shielding the surrounding circuitry and
tested while biased in the Zener region. In testing Zener diodes
irradiating only the minimum area necessary to ensure irradia-
or precision voltage regulators, extra precaution must be taken tion of the test device. Reasonable estimates of the magnitude
to make certain the photocurrent generated in the device during
to be expected of current resulting from secondary-emission
irradiations does not cause the voltage across the device to effects can be made based on the area of metallic target
−11
change during the test.
materials irradiated. Values generally range between 10 and
−9 2
10 A·s/cm ·Gy, but the use of a scatter plate with an intense
5.3 Bipolar Transistor—As device geometries dictate that
beam may increase this current.
photocurrent from the base-collector junction be much greater
than current from the base-emitter junction, measurements are 6.3 Orientation— The effective dose to a semiconductor
usually made only on the collector-base junction with emitter junction can be altered by changing the orientation of the test
open; however, sometimes, to obtain data for computer-aided unit with respect to the irradiating electron beam. Most
circuit analysis, the emitter-base junction photocurrent is also transistors and diodes may be considered “thin samples’’ (in
measured.
5.4 Junction Field-Effect Device—A proper photocurrent
Sawyer, J. A., and van Lint, V. A. J., “Calculations of High-Energy Secondary
measurement requires that the source be shorted (dc) to the
Electron Emission,” Journal of Applied Physics, JAPIA, Vol 35, No 6, June 1964,
drain during measurement of the gate-channel photocurrent. In pp. 1706–1711.
F448 − 18
terms of the range of the irradiating electrons). However, 6.10 The test must be considered destructive if the photo-
high-power devices may have mounting studs or thick-walled current exceeds the manufacturer’s absolute limit.
cases that can act to scatter the incident beam, thereby reducing
6.11 Parasitic Circuit Effects—Circuit effects due to unin-
the dose received by the semiconductor chip. Care must be
tentional interaction with the circuit topology. Examples of
taken in the mounting of such devices.
parasitic circuit effects would be capacitance, resistance and
6.4 Bias—As the effective volume for the generation of inductance that become part of the circuit performance but are
photocurrent in p-n junction devices includes the space-charge not considered active components placed within the circuit.
region, I may be dependent on applied voltage. As applied
pp
voltages approach the breakdown voltage, I increases sharply
7. Apparatus
pp
due to avalanche multiplication. If the application of the test
7.1 Regulated dc Power Supply, with floating output to
device is known, actual bias values should be used in the test.
produce the voltages required to bias the junction.
If the application is not known, follow the methods for
7.2 Oscilloscopes—digitizing oscilloscopes capable of re-
checking the bias dependence given in Section 10.
cording single transient traces that have adequate bandwidth
6.5 Nonlinearity— Nonlinearities in photocurrent response
capability to ensure that radiation response and peak steady-
result from saturation effects, injection level effects on
state values are accurately displayed.
lifetimes, and, in the case of bipolar transistors, a lateral
7.2.1 Digitizers with Bandwidth, Sampling Interval, and
biasing effect which introduces a component of secondary
Time-base Capabilities, adequate for handling the transient
photocurrent into the primary photocurrent measurement. For
signals with good resolution for all pulse widths utilized in the
these reasons, photocurrent measurements must generally be
test may be used. Hard copy printouts of the recorded signal
made over a wide range of dose rates.
may be a part of the capability of this apparatus.
6.6 Electrical Noise— Since linear accelerator facilities are
7.3 Cabling, to complete adequately the connection of the
inherent sources of r-f electrical noise, good noise-minimizing
test circuit in the exposure area with the power supply and
techniques such as single-point ground, filtered dc supply lines,
oscilloscopes in the data area. Any type of ungrounded wiring
etc., must be used in photocurrent measurements.
may be used to connect the power supply to the bias points of
6.7 Temperature— Device characteristics are dependent on
the test circuit; however, coaxial cables properly terminated at
junction temperature; hence, the temperature of the test should
the oscilloscope input are required for the signal leads.
be controlled. Unless otherwise agreed upon by the parties to
7.4 Test Circuits— One of the following test circuits:
the test, measurements will be made at room temperature (23
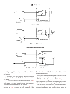
7.4.1 Resistor-Sampling Circuit (Fig. 2)—For most tests, the
6 5°C).
configuration of Fig. 2(a) is appropriate. The resistors R serve
6.8 Beam Homogeneity and Pulse-to-Pulse Repeatability—
as high-frequency isolation and must be at least 20 Ω. The
The intensity of a beam from a linear accelerator is likely to
capacitor C supplies the charge during the current transient; its
vary across its cross section. Since the pulse-shape monitor is
value must be large enough that the decrease in voltage during
placed at a different location from the device under test, the
a current pulse is less than 10 %. Capacitor C should be
measured dose rate may be different from the dose rate to
paralleled by a small (approximately 0.01 μF) low-inductance
which the device was exposed. The spatial distribution and
capacitor to ensure that possible inductive effects of the large
intensity of the beam may also vary from pulse to pulse. The
capacitor are offset. The resistor R is to provide the proper
beam homogeneity and pulse-to-pulse repeatability associated
termination (within 62 %) for the coaxial cable used for the
with a particular linear accelerator should be established by a
signal lead. When the photocurrents are large, it is necessary to
thorough characterization of its electron beam prior to perform-
use a small-value resistor, R , in the configuration of Fig. 2(b)
ing a photocurrent measurement.
to keep the signal small so as to maintain the bias across the
junction within 10 % of its nominal value during the test. The
6.9 Ionizing Dose— Each pulse of the linear accelerator
response characteristics of this circuit must be adequate to
imparts a dose of radiation to both the device under test and the
ensure that the current signal is accurately displayed (see 9.4).
device used for dosimetry. The ionizing dose deposited in a
7.4.2 Current Transformer Circuit (Fig. 3)—In this circuit,
semiconductor device can change its operating characteristics.
R and C have the same significance as in the resistor-sampling
As a result, the photocurrent that is measured after several 2
circuit, but it may be required that the signal cable monitoring
pulses may be different from the photocurrent that is charac-
the current transformer be matched to the characteristic imped-
teristic of an unirradiated device. Care should be exercised to
ance of the transformer, in which case R would have this
ensure that the ionizing dose delivered to the device under
...
This document is not an ASTM standard and is intended only to provide the user of an ASTM standard an indication of what changes have been made to the previous version. Because
it may not be technically possible to adequately depict all changes accurately, ASTM recommends that users consult prior editions as appropriate. In all cases only the current version
of the standard as published by ASTM is to be considered the official document.
Designation: F448 − 11 F448 − 18
Standard Test Method for
Measuring Steady-State Primary Photocurrent
This standard is issued under the fixed designation F448; the number immediately following the designation indicates the year of original
adoption or, in the case of revision, the year of last revision. A number in parentheses indicates the year of last reapproval. A superscript
epsilon (´) indicates an editorial change since the last revision or reapproval.
This standard has been approved for use by agencies of the U.S. Department of Defense.
1. Scope
1.1 This test method covers the measurement of steady-state primary photocurrent, I , generated in semiconductor devices
pp
when these devices are exposed to ionizing radiation. These procedures are intended for the measurement of photocurrents greater
−9
than 10 A·s/Gy(Si or Ge), in cases for which the relaxation time of the device being measured is less than 25 % of the pulse width
of the ionizing source. The validity of these procedures for ionizing dose rates as great as 10 Gy(Si or Ge)/s has been established.
The procedures may be used for measurements at dose rates as great as 10 Gy(Si or Ge)/s; however, extra care must be taken.
Above 10 Gy/s, the package response may dominate the device response for any device. Additional precautions are also required
−9
when measuring photocurrents of 10 A·s/Gy(Si or Ge) or lower.
1.2 Setup, calibration, and test circuit evaluation procedures are also included in this test method.
1.3 Because of the variability between device types and in the requirements of different applications, the dose rate range over
which any specific test is to be conducted is not given in this test method but must be specified separately.
1.4 The values stated in SI units are to be regarded as standard. No other units of measurement are included in this standard.
1.5 This standard does not purport to address all of the safety concerns, if any, associated with its use. It is the responsibility
of the user of this standard to establish appropriate safety safety, health, and healthenvironmental practices and determine the
applicability of regulatory limitations prior to use.
1.6 This international standard was developed in accordance with internationally recognized principles on standardization
established in the Decision on Principles for the Development of International Standards, Guides and Recommendations issued
by the World Trade Organization Technical Barriers to Trade (TBT) Committee.
2. Referenced Documents
2.1 ASTM Standards:
E668 Practice for Application of Thermoluminescence-Dosimetry (TLD) Systems for Determining Absorbed Dose in
Radiation-Hardness Testing of Electronic Devices
F526 Test Method for Using Calorimeters for Total Dose Measurements in Pulsed Linear Accelerator or Flash X-ray Machines
3. Terminology
3.1 Definitions:
3.1.1 fall time, n—the time required for a signal pulse to drop from 90 to 10 % of its steady-state value.
3.1.2 photocurrent relaxation time, n—the time required for the radiation induced photocurrent to decrease to 1/e (0.368) of its
initial value. The relaxation time depends upon the recombination-controlled photocurrent decay in the media, which is often a
semiconductor. The relaxation time can depend upon the temperature and the strength of the irradiation/illumination.
3.1.3 primary photocurrent, n—the flow of excess charge carriers across a p-n junction due to ionizing radiation creating
electron-hole pairs throughout the device. The charges associated with this current are only those produced in the junction
depletion region and in the bulk semiconductor material approximately one diffusion length on either side of the depletion region
(or to the end of the semiconductor material, whichever is shorter).
This test method is under the jurisdiction of ASTM Committee F01 on Electronics and is the direct responsibility of Subcommittee F01.11 on Nuclear and Space
Radiation Effects.
Current edition approved June 1, 2011March 1, 2018. Published July 2011April 2018. Originally approved in 1975 as F448 – 75 T. Last previous edition approved in
20052011 as F448 – 99F448 – 11.(2005). DOI: 10.1520/F0448-11.10.1520/F0448-18.
For referenced ASTM standards, visit the ASTM website, www.astm.org, or contact ASTM Customer Service at service@astm.org. For Annual Book of ASTM Standards
volume information, refer to the standard’s Document Summary page on the ASTM website.
Copyright © ASTM International, 100 Barr Harbor Drive, PO Box C700, West Conshohocken, PA 19428-2959. United States
F448 − 18
3.1.4 pulse width, n—the time a pulse-amplitude remains above 50 % of its maximum value.
3.1.5 rise time, n—the time required for a signal pulse to rise from 10 to 90 % of its steady-state value.
4. Summary of Test Method
4.1 In this test method, the test device is irradiated in the primary electron beam of a linear accelerator. Both the irradiation pulse
and junction current (Fig. 1) are displayed and recorded. Placement of a thin, low atomic number (Z≤13) scattering plate in the
beam is recommended to improve beam uniformity; the consequences of the use of a scattering plate relating to interference from
secondary electrons are described. The total dose is measured by an auxiliary dosimeter. The steady-state values of the dose rate
and junction current and the relaxation time of the junction current are determined from the data trace and total dose.
4.2 In special cases, these parameters may be measured at a single dose rate under one bias condition if the test is designed to
generate information for such a narrow application. The preferred approach, described in this test method, is to characterize the
radiation response of a device in a way that is useful to many different applications. For this purpose, the response to pulses at a
number of different dose rates is required. Because of the bias dependence of the depletion volume, it is possible that more than
one bias level will be required during the photocurrent measurements.
5. Significance and Use
5.1 PN Junction Diode—The steady-state photocurrent of a simple p-n junction diode is a directly measurable quantity that can
be directly related to device response over a wide range of ionizing radiation. For more complex devices the junction photocurrent
may not be directly related to device response.
5.2 Zener Diode— In this device, the effect of the photocurrent on the Zener voltage rather than the photocurrent itself is usually
most important. The device is most appropriately tested while biased in the Zener region. In testing Zener diodes or precision
voltage regulators, extra precaution must be taken to make certain the photocurrent generated in the device during irradiations does
not cause the voltage across the device to change during the test.
5.3 Bipolar Transistor—As device geometries dictate that photocurrent from the base-collector junction be much greater than
current from the base-emitter junction, measurements are usually made only on the collector-base junction with emitter open;
however, sometimes, to obtain data for computer-aided circuit analysis, the emitter-base junction photocurrent is also measured.
5.4 Junction Field-Effect Device—A proper photocurrent measurement requires that the source be shorted (dc) to the drain
during measurement of the gate-channel photocurrent. In tetrode-connected devices, the two gate-channel junctions should be
monitored separately.
5.5 Insulated Gate Field-Effect Device—In this type of device, the true photocurrent is between the substrate and the channel,
source, and drain regions. A current which can generate voltage that will turn on the device may be measured by the technique
used here, but it is due to induced conductivity in the gate insulator and thus is not a junction photocurrent.
6. Interferences
6.1 Air Ionization— A spurious component of the current measured during a photocurrent test can result from conduction
−9
through air ionized by the irradiation pulse. Although this is not likely to be a serious problem for photocurrents greater than 10
A·s/Gy(Si or Ge), the spurious contribution can easily be checked by measuring the current while irradiating the test fixture in the
absence of a test device. Air ionization contributions to the observed signal are proportional to applied field, while those due to
secondary emission effects (see 6.2) are not. The effects of air ionization external to the device may be minimized by coating
exposed leads with a thick layer of paraffin, silicone rubber, or nonconductive enamel or by making the measurement in vacuum.
FIG. 1 Ionization Radiation Pulse and Typical Primary Photocurrent Response
F448 − 18
6.2 Secondary Emission —Another spurious component of the measured current can result from charge emission from, or
charge injection into, the test device and test circuit. This may be minimized by shielding the surrounding circuitry and irradiating
only the minimum area necessary to ensure irradiation of the test device. Reasonable estimates of the magnitude to be expected
of current resulting from secondary-emission effects can be made based on the area of metallic target materials irradiated. Values
−11 −9 2
generally range between 10 and 10 A·s/cm ·Gy, but the use of a scatter plate with an intense beam may increase this current.
6.3 Orientation— The effective dose to a semiconductor junction can be altered by changing the orientation of the test unit with
respect to the irradiating electron beam. Most transistors and diodes may be considered “thin samples’’ (in terms of the range of
the irradiating electrons). However, high-power devices may have mounting studs or thick-walled cases that can act to scatter the
incident beam, thereby reducing the dose received by the semiconductor chip. Care must be taken in the mounting of such devices.
6.4 Bias—As the effective volume for the generation of photocurrent in p-n junction devices includes the space-charge region,
I may be dependent on applied voltage. As applied voltages approach the breakdown voltage, I increases sharply due to
pp pp
avalanche multiplication. If the application of the test device is known, actual bias values should be used in the test. If the
application is not known, follow the methods for checking the bias dependence given in Section 10.
6.5 Nonlinearity— Nonlinearities in photocurrent response result from saturation effects, injection level effects on lifetimes,
and, in the case of bipolar transistors, a lateral biasing effect which introduces a component of secondary photocurrent into the
primary photocurrent measurement. For these reasons, photocurrent measurements must generally be made over a wide range of
dose rates.
6.6 Electrical Noise— Since linear accelerator facilities are inherent sources of r-f electrical noise, good noise-minimizing
techniques such as single-point ground, filtered dc supply lines, etc., must be used in photocurrent measurements.
6.7 Temperature— Device characteristics are dependent on junction temperature; hence, the temperature of the test should be
controlled. Unless otherwise agreed upon by the parties to the test, measurements will be made at room temperature (23 6 5°C).
6.8 Beam Homogeneity and Pulse-to-Pulse Repeatability—The intensity of a beam from a linear accelerator is likely to vary
across its cross section. Since the pulse-shape monitor is placed at a different location from the device under test, the measured
dose rate may be different from the dose rate to which the device was exposed. The spatial distribution and intensity of the beam
may also vary from pulse to pulse. The beam homogeneity and pulse-to-pulse repeatability associated with a particular linear
accelerator should be established by a thorough characterization of its electron beam prior to performing a photocurrent
measurement.
6.9 Ionizing Dose— Each pulse of the linear accelerator imparts a dose of radiation to both the device under test and the device
used for dosimetry. The ionizing dose deposited in a semiconductor device can change its operating characteristics. As a result,
the photocurrent that is measured after several pulses may be different from the photocurrent that is characteristic of an unirradiated
device. Care should be exercised to ensure that the ionizing dose delivered to the device under test is as low as possible consistent
with the requirements for a given dose rate and steady-state conditions. Generally, this is done by minimizing the number of pulses
the device receives. The dose must not exceed 10 % of the failure dose for the device.
6.10 The test must be considered destructive if the photocurrent exceeds the manufacturer’s absolute limit.
6.11 Parasitic Circuit Effects—Circuit effects due to unintentional interaction with the circuit topology. Examples of parasitic
circuit effects would be capacitance, resistance and inductance that become part of the circuit performance but are not considered
active components placed within the circuit.
7. Apparatus
7.1 Regulated dc Power Supply, with floating output to produce the voltages required to bias the junction.
7.2 Oscilloscopes— Either a single dual-beam, or two single-beam oscilloscopes that have adequate bandwidth capability of
both main frames and plug-ins to ensure that radiation response and peak steady-state values are accurately displayed.
7.2.1 Oscilloscope Camera(s) and Film, capable of recording single transient traces at a sweep rate consistent with good
resolution at the pulse widths used in the test.
7.2 Digitizers with Bandwidth, Sampling Interval, and Time-base Capabilities, Oscilloscopes—adequate for handling the
transient signals with good resolution for all pulse widths utilized in the test may be used. Hard copy printouts of the recorded
signal may be a part of the capability of this apparatus.digitizing oscilloscopes capable of recording single transient traces that have
adequate bandwidth capability to ensure that radiation response and peak steady-state values are accurately displayed.
Sawyer, J. A., and van Lint, V. A. J., “Calculations of High-Energy Secondary Electron Emission,” Journal of Applied Physics, JAPIA, Vol 35, No 6, June 1964, pp.
1706–1711.
Habing, D. H., and Wirth, J. L., “Anomalous Photocurrent Generation in Transistor Structures,” IEEE Transactions on Nuclear Science, IETNA, Vol NS-13, No 6,
December 1966, pp. 86–94.
F448 − 18
7.2.1 Digitizers with Bandwidth, Sampling Interval, and Time-base Capabilities, adequate for handling the transient signals with
good resolution for all pulse widths utilized in the test may be used. Hard copy printouts of the recorded signal may be a part of
the capability of this apparatus.
7.3 Cabling, to complete adequately the connection of the test circuit in the exposure area with the power supply and
oscilloscopes in the data area. Any type of ungrounded wiring may be used to connect the power supply to the bias points of the
test circuit; however, coaxial cables properly terminated at the oscilloscope input are required for the signal leads.
7.4 Test Circuits— One of the following test circuits:
7.4.1 Resistor-Sampling Circuit (Fig. 2)—For most tests, the configuration of Fig. 2(a) is appropriate. The resistors R serve as
high-frequency isolation and must be at least 20 Ω. The capacitor C supplies the charge during the current transient; its value must
be large enough that the decrease in voltage during a current pulse is less than 10 %. Capacitor C should be paralleled by a small
(approximately 0.01 μF) low-inductance capacitor
...








Questions, Comments and Discussion
Ask us and Technical Secretary will try to provide an answer. You can facilitate discussion about the standard in here.
Loading comments...