ASTM E1025-18
(Practice)Standard Practice for Design, Manufacture, and Material Grouping Classification of Hole-Type Image Quality Indicators (IQI) Used for Radiography
Standard Practice for Design, Manufacture, and Material Grouping Classification of Hole-Type Image Quality Indicators (IQI) Used for Radiography
ABSTRACT
This practice covers the design, material grouping classification, and manufacture of hole-type image quality indicators (IQI) used to indicate the quality of X-ray and gamma-ray radiologic images.
SCOPE
1.1 This practice2 covers the design, material grouping classification, and manufacture of hole-type image quality indicators (IQI) used to indicate the quality of radiologic images.
1.2 This practice is applicable to X-ray and gamma-ray radiology.
1.3 The values stated in inch-pound units are to be regarded as standard.
1.4 This standard does not purport to address all of the safety concerns, if any, associated with its use. It is the responsibility of the user of this standard to establish appropriate safety, health, and environmental practices and determine the applicability of regulatory limitations prior to use.
1.5 This international standard was developed in accordance with internationally recognized principles on standardization established in the Decision on Principles for the Development of International Standards, Guides and Recommendations issued by the World Trade Organization Technical Barriers to Trade (TBT) Committee.
General Information
- Status
- Published
- Publication Date
- 31-Jan-2018
- Technical Committee
- E07 - Nondestructive Testing
- Drafting Committee
- E07.01 - Radiography (X and Gamma) Method
Relations
- Effective Date
- 01-Feb-2018
- Effective Date
- 01-Apr-2024
- Effective Date
- 01-Feb-2024
- Effective Date
- 01-Dec-2023
- Effective Date
- 01-Dec-2019
- Effective Date
- 01-Apr-2019
- Effective Date
- 01-Apr-2019
- Effective Date
- 01-Apr-2019
- Effective Date
- 01-Mar-2019
- Effective Date
- 01-Feb-2018
- Effective Date
- 01-Jan-2018
- Effective Date
- 01-Nov-2017
- Effective Date
- 15-Jun-2017
- Effective Date
- 01-Apr-2017
- Effective Date
- 01-Apr-2017
Overview
ASTM E1025-18 is the internationally recognized standard practice for the design, manufacture, and material grouping classification of hole-type image quality indicators (IQI) used in radiographic testing. Established by ASTM, this standard ensures consistent quality and performance of IQIs, which are essential tools for assessing the quality of X-ray and gamma-ray images in industrial radiology. The document outlines criteria for the dimensional conformity, identification, and material selection for IQIs, providing a reliable framework for nondestructive testing professionals.
Key Topics
Design and Manufacture
The standard defines specifications for the dimensions and tolerances of rectangular and circular IQIs, including minimum hole sizes and thickness identification requirements. Both standard and modified IQIs, such as those with true T-hole diameter, are addressed.Material Grouping Classification
Materials are classified into nine groups based on radiation absorption characteristics, ranging from non-metals and light metals like magnesium, aluminum, and titanium, to heavy metals such as steel, nickel, and copper-based alloys. This classification helps in selecting the correct IQI for the test specimen.Identification and Traceability
IQIs must be clearly marked for thickness and material group using lead numbers or alternative methods like etching or stamping. Identification aids in correlating the IQI to specific image quality requirements and materials.Image Quality Levels
Image quality is indicated through a two-part expression (e.g., 2-2T), referencing the IQI’s thickness relative to specimen thickness and the required hole diameter. The standard includes guidelines for specifying and selecting the appropriate image quality level for different applications.
Applications
ASTM E1025-18 is widely used in industrial nondestructive testing environments where radiographic (X-ray or gamma-ray) inspection is performed. Key application areas include:
Weld Inspection
Ensuring the integrity of welds in construction, oil & gas pipelines, and pressure vessels through radiographic examination.Aerospace Components
Verifying the internal quality of flat panel composites, sandwich core materials, and critical components to aerospace requirements.Manufacturing Quality Control
Supporting the production process of metal and non-metal components by verifying material homogeneity and detecting defects.Compliance and Certification
Meeting the stringent demands of industry codes and standards such as ASME Boiler and Pressure Vessel Code and relevant ISO standards, all of which often reference IQI practices for quality assurance in radiographic inspection.
Related Standards
For organizations seeking comprehensive compliance and best practices in radiographic testing, the following standards are closely aligned with ASTM E1025-18:
- ASTM E746: Practice for Determining Relative Image Quality Response of Industrial Radiographic Imaging Systems.
- ASTM E747: Practice for Design, Manufacture and Material Grouping Classification of Wire Image Quality Indicators (IQI) Used for Radiology.
- ASTM E1735: Test Method for Determining Relative Image Quality of Industrial Radiographic Film Exposed to X-Radiation.
- ASTM E2662: Practice for Radiographic Examination of Flat Panel Composites and Sandwich Core Materials Used in Aerospace Applications.
- ASME BPVC Section V, Article 2: Nondestructive Examination - Radiographic Examination.
- ISO 19232-2: Non-Destructive Testing – Image Quality of Radiographs – Determination of the Image Quality Value Using Step/Hole-Type Image Quality Indicators.
- ISO 17636-1/2: Non-Destructive Testing of Welds – Radiographic Testing.
By adhering to ASTM E1025-18, industries can ensure accurate, consistent radiographic inspection results, enhance quality assurance programs, and maintain conformity with global nondestructive testing standards.
Buy Documents
ASTM E1025-18 - Standard Practice for Design, Manufacture, and Material Grouping Classification of Hole-Type Image Quality Indicators (IQI) Used for Radiography
REDLINE ASTM E1025-18 - Standard Practice for Design, Manufacture, and Material Grouping Classification of Hole-Type Image Quality Indicators (IQI) Used for Radiography
Get Certified
Connect with accredited certification bodies for this standard
IMP NDT d.o.o.
Non-destructive testing services. Radiography, ultrasonic, magnetic particle, penetrant, visual inspection.
Inštitut za kovinske materiale in tehnologije
Institute of Metals and Technology. Materials testing, metallurgical analysis, NDT.
Q Techna d.o.o.
NDT and quality assurance specialist. 30+ years experience. NDT personnel certification per ISO 9712, nuclear and thermal power plant inspections, QA/
Sponsored listings
Frequently Asked Questions
ASTM E1025-18 is a standard published by ASTM International. Its full title is "Standard Practice for Design, Manufacture, and Material Grouping Classification of Hole-Type Image Quality Indicators (IQI) Used for Radiography". This standard covers: ABSTRACT This practice covers the design, material grouping classification, and manufacture of hole-type image quality indicators (IQI) used to indicate the quality of X-ray and gamma-ray radiologic images. SCOPE 1.1 This practice2 covers the design, material grouping classification, and manufacture of hole-type image quality indicators (IQI) used to indicate the quality of radiologic images. 1.2 This practice is applicable to X-ray and gamma-ray radiology. 1.3 The values stated in inch-pound units are to be regarded as standard. 1.4 This standard does not purport to address all of the safety concerns, if any, associated with its use. It is the responsibility of the user of this standard to establish appropriate safety, health, and environmental practices and determine the applicability of regulatory limitations prior to use. 1.5 This international standard was developed in accordance with internationally recognized principles on standardization established in the Decision on Principles for the Development of International Standards, Guides and Recommendations issued by the World Trade Organization Technical Barriers to Trade (TBT) Committee.
ABSTRACT This practice covers the design, material grouping classification, and manufacture of hole-type image quality indicators (IQI) used to indicate the quality of X-ray and gamma-ray radiologic images. SCOPE 1.1 This practice2 covers the design, material grouping classification, and manufacture of hole-type image quality indicators (IQI) used to indicate the quality of radiologic images. 1.2 This practice is applicable to X-ray and gamma-ray radiology. 1.3 The values stated in inch-pound units are to be regarded as standard. 1.4 This standard does not purport to address all of the safety concerns, if any, associated with its use. It is the responsibility of the user of this standard to establish appropriate safety, health, and environmental practices and determine the applicability of regulatory limitations prior to use. 1.5 This international standard was developed in accordance with internationally recognized principles on standardization established in the Decision on Principles for the Development of International Standards, Guides and Recommendations issued by the World Trade Organization Technical Barriers to Trade (TBT) Committee.
ASTM E1025-18 is classified under the following ICS (International Classification for Standards) categories: 19.100 - Non-destructive testing. The ICS classification helps identify the subject area and facilitates finding related standards.
ASTM E1025-18 has the following relationships with other standards: It is inter standard links to ASTM E1025-11, ASTM B166-24, ASTM E1316-24, ASTM E746-23, ASTM E1316-19b, ASTM B150/B150M-19, ASTM B164-03(2019), ASTM B166-19, ASTM E1316-19, ASTM E746-18, ASTM E1316-18, ASTM E746-17, ASTM E1316-17a, ASTM B150/B150M-12(2017), ASTM B139/B139M-12(2017). Understanding these relationships helps ensure you are using the most current and applicable version of the standard.
ASTM E1025-18 is available in PDF format for immediate download after purchase. The document can be added to your cart and obtained through the secure checkout process. Digital delivery ensures instant access to the complete standard document.
Standards Content (Sample)
This international standard was developed in accordance with internationally recognized principles on standardization established in the Decision on Principles for the
Development of International Standards, Guides and Recommendations issued by the World Trade Organization Technical Barriers to Trade (TBT) Committee.
Designation:E1025 −18
Standard Practice for
Design, Manufacture, and Material Grouping Classification
of Hole-Type Image Quality Indicators (IQI) Used for
Radiography
This standard is issued under the fixed designation E1025; the number immediately following the designation indicates the year of
original adoption or, in the case of revision, the year of last revision.Anumber in parentheses indicates the year of last reapproval.A
superscript epsilon (´) indicates an editorial change since the last revision or reapproval.
1. Scope* B166Specification for Nickel-Chromium-IronAlloys (UNS
N06600, N06601, N06603, N06690, N06693, N06025,
1.1 This practice covers the design, material grouping
N06045, and N06696), Nickel-Chromium-Cobalt-
classification, and manufacture of hole-type image quality
Molybdenum Alloy (UNS N06617), and Nickel-Iron-
indicators (IQI) used to indicate the quality of radiologic
Chromium-TungstenAlloy (UNS N06674) Rod, Bar, and
images.
Wire
1.2 This practice is applicable to X-ray and gamma-ray
E746Practice for Determining Relative Image Quality Re-
radiology.
sponse of Industrial Radiographic Imaging Systems
1.3 Thevaluesstatedininch-poundunitsaretoberegarded
E747Practice for Design, Manufacture and Material Group-
as standard.
ing Classification of Wire Image Quality Indicators (IQI)
Used for Radiology
1.4 This standard does not purport to address all of the
E1735Test Method for Determining Relative Image Quality
safety concerns, if any, associated with its use. It is the
of Industrial Radiographic Film Exposed to X-Radiation
responsibility of the user of this standard to establish appro-
from4to25MeV
priate safety, health, and environmental practices and deter-
E1316Terminology for Nondestructive Examinations
mine the applicability of regulatory limitations prior to use.
E2662Practice for Radiographic Examination of Flat Panel
1.5 This international standard was developed in accor-
dance with internationally recognized principles on standard- Composites and Sandwich Core Materials Used in Aero-
space Applications
ization established in the Decision on Principles for the
Development of International Standards, Guides and Recom-
2.2 Department of Defense (DoD) Documents:
mendations issued by the World Trade Organization Technical
MIL-I-24768Insulation, Plastics, Laminated, Thermoset-
Barriers to Trade (TBT) Committee. 4
ting; General Specification for
2. Referenced Documents 2.3 ISO Documents
ISO 17636-1Non-Destructive Testing of Welds – Radio-
2.1 ASTM Standards:
graphic testing – Part 1: X- and Gamma-Ray Techniques
B139/B139MSpecification for Phosphor Bronze Rod, Bar,
with Film
and Shapes
ISO 17636-2Non-Destructive Testing of Welds – Radio-
B150/B150MSpecification forAluminum Bronze Rod, Bar,
graphic testing – Part 2: X- and Gamma-Ray Techniques
and Shapes
with Digital Detectors
B164Specification for Nickel-Copper Alloy Rod, Bar, and
ISO 19232-2Non-Destructive Testing – Image Quality of
Wire
Radiographs–Part2:DeterminationoftheImageQuality
Value Using Step/Hole-Type Image Quality Indicators
This practice is under the jurisdiction of ASTM Committee E07 on Nonde-
ISO 19232-3Non-Destructive Testing – Image Quality of
structive Testing and is the direct responsibility of Subcommittee E07.01 on
Radiographs – Part 3: Image Quality Classes
Radiology (X and Gamma) Method.
Current edition approved Feb. 1, 2018. Published February 2018. Originally
approved in 1984. Last previous edition approved in 2011 as E1025-11. DOI:
10.1520/E1025-18.
2 4
For ASME Boiler and Pressure Vessel Code applications see related Practice Available from Standardization Documents Order Desk, DODSSP, Bldg. 4,
SE-1025 in Section II of that Code. Section D, 700 Robbins Ave., Philadelphia, PA 19111-5098, http://
For referenced ASTM standards, visit the ASTM website, www.astm.org, or dodssp.daps.dla.mil.
contact ASTM Customer Service at service@astm.org. For Annual Book of ASTM Available from International Organization for Standardization (ISO), ISO
Standards volume information, refer to the standard’s Document Summary page on Central Secretariat, BIBC II, Chemin de Blandonnet 8, CP 401, 1214 Vernier,
the ASTM website. Geneva, Switzerland, http://www.iso.org.
*A Summary of Changes section appears at the end of this standard
Copyright © ASTM International, 100 Barr Harbor Drive, PO Box C700, West Conshohocken, PA 19428-2959. United States
E1025−18
2.4 ASME Documents: 4.1.5.1 Alternative Identification Method—It may be desir-
BPVC (Boiler and Pressure Vessel Code) Section V Non- able for non-film applications to eliminate the lead number
destructive Examination, Article 2 Radiographic Exami- identifiers and replace them with either material addition or
nation material removal methods as stated below:
(1) Material Addition Method—Numbers may be made of
3. Terminology
the same material as that of the IQI and of sufficient thickness
to be clearly discernable within the radiologic image.
3.1 Definitions—The definitions of terms relating to gamma
(2) Material Removal Method—Numbers may be cut into
andX-radiologyinTerminologyE1316,SectionD,shallapply
the IQI in such a manner as to be clearly discernable in the
to the terms used in this practice.
radiologic image. Processes such as laser etching, chemical
4. Hole-Type IQI Requirements
etching, precision stamping, etc., may be used to create the
numbers within the IQI.
4.1 Image quality indicators (IQIs) used to determine
4.1.5.2 Alloy-group identification shall be in accordance
radiologic-image quality levels shall conform to the following
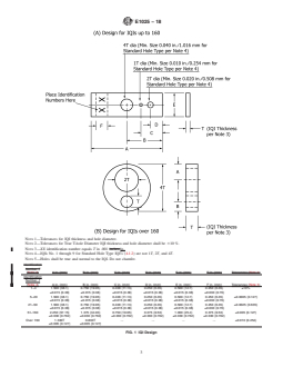
with 7.2. Rectangular IQI’s shall be notched as shown in Fig.
requirements.
2, except the corner notch for Group 001 is at a 45 degree
4.1.1 All image quality indicators (IQIs) shall be fabricated
angle. Round IQI’s shall be vibrotooled or etched as shown in
from materials or alloys identified or listed in accordance with
Fig. 3.
7.3. Other materials may be used in accordance with 7.4.
4.1.5.3 True T-hole diameter IQI identification numbers
4.1.2 Standard Hole-Type IQIs:
shall be rotated 90° as compared to Standard Hole Type IQIs.
4.1.2.1 Standard Hole-Type Image quality indicators (IQIs)
See Fig. 4.
shall dimensionally conform to the requirements of Fig. 1.
NOTE 1—Minimum hole diameters are used for standard hole type IQI
5. IQI Procurement
numbers 1 through 9 where the hole diameters are 0.010 in. for the 1T
hole, 0.020 in. for the 2T hole, and 0.040 in. for the 4T hole.
5.1 When selecting IQI’s for procurement, the following
factors should be considered:
4.1.3 Modified Hole-Type IQI:
5.1.1 Determine the alloy group(s) of the material to be
4.1.3.1 The rectangular IQI may be modified in length and
examined.
width as necessary for special applications, provided the hole
5.1.2 Determine the thickness or thickness range of the
size(s) and IQI thickness conform to Fig. 1 or 4.1.4,as
material(s) to be examined.
applicable.
5.1.3 Determine the Image Quality Level requirements as
4.1.3.2 The IQI’s shall be identified as specified in 4.1.5 to
described in Section 6 and Table 1.
4.1.5.2, as applicable, except that the identification numbers
5.1.4 Select the applicable IQI’s that represent the required
may be placed adjacent to the IQI if placement on the IQI is
IQI thickness and alloy(s).
impractical.
4.1.3.3 When modified IQI’s are used, details of the modi-
NOTE2—ThispracticedoesnotrecommendorsuggestspecificIQIsets
fication shall be documented in the records accompanying the
to be procured. Section 5 is an aid in selecting IQI’s based on specific
examination results. needs.
4.1.4 True T-hole Diameter IQI:
6. Image Quality Levels
4.1.4.1 It may be desirable for non-film applications to use
true T-hole diameter IQI’s for numbers 1 through 9.
6.1 Image quality levels are designated by a two part
4.1.4.2 Hole sizes for true T-hole diameter IQI’s may be
expression; X-YT. The first part of the expression, X, refers to
madebyusinglaseroranelectricdischargemachining(EDM)
the IQI thickness expressed as a percentage of the specimen
process and shall be within 610% of 1T, 2T, and 4T(See Fig.
thickness. The second part of the expression, YT, refers to the
1, Note 3 for T)
diameter of the required hole and is expressed as a multiple of
4.1.4.3 When trueT-hole-diameter IQI’s are used, details of
the IQI thickness, T (for example, the image quality level 2-2T
the modifications shall be documented in the records accom-
means that the IQI thickness, T, is no more than 2% of the
panying the examination results.
specimen thickness and that the diameter of the required IQI
4.1.5 Both the rectangular and the circular IQIs shall be
hole is 2× T).
identified with number(s) made of lead or a material of similar
NOTE3—StandardHoleTypeImageQualityIndicators(IQI’s)lessthan
radiation opacity. The number shall be bonded to the rectan-
number10haveholesizes0.010,0.020,and0.040in.diameterregardless
gular IQI’s and shall be placed adjacent to circular IQI’s to
of the IQI thickness. Therefore, Standard Hole Type IQI’s less than
provide identification of the IQI on the image. The identifica-
number10donotrepresentthequalitylevelsspecifiedin6.1andTable1.
tion numbers shall indicate the thickness of the IQI in
The equivalent IQI sensitivity (EPS) can be calculated using the equation
in Appendix X1.
thousandths of an inch, that is, a number 10 IQI is 0.010 in.
thick, a number 100 IQI is 0.100 in. thick, etc. Additional
6.2 Typical image quality level designations are shown in
identification requirements are provided in 7.2.
Table 1. The level of inspection specified should be based on
service requirements of the product. Care should be taken in
specifying True T-hole Diameter Type IQI’s (4.1.4) and/or
Available from American Society of Mechanical Engineers (ASME), ASME
image quality levels 2-1T, 1-1T, and 1-2T by first determining
International Headquarters, Two Park Ave., New York, NY 10016-5990, http://
www.asme.org. that these levels can be maintained in production.
E1025−18
NOTE 1—Tolerances for IQI thickness and hole diameter.
NOTE 2—Tolerances for True T-hole Diameter IQI thickness and hole diameter shall be 610%.
NOTE 3—XX identification number equals T in .001 in.
NOTE 4—IQIs No. 1 through 9 for Standard Hole Type IQI’s (4.1.2) are not 1T,2T, and 4T.
NOTE 5—Holes shall be true and normal to the IQI. Do not chamfer.
Identification
Number T
(Note 4) A in. (mm) B in. (mm) C in. (mm) D in. (mm) E in. (mm) F in. (mm) Tolerances (Note 3)
1–4 1.500 (38.1) 0.750 (19.05) 0.438 (11.13) 0.250 (6.35) 0.500 (12.7) 0.250 (6.35) ±10%
±0.015 (0.38) ±0.015 (0.38) ±0.015 (0.38) ±0.015 (0.38) ±0.015 (0.38) ±0.030 (0.76)
5–20 1.500 (38.1) 0.750 (19.05) 0.438 (11.13) 0.250 (6.35) 0.500 (12.7) 0.250 (6.35) ±0.0005 (0.127)
±0.015 (0.38) ±0.015 (0.38) ±0.015 (0.38) ±0.015 (0.38) ±0.015 (0.38) ±0.030 (0.76)
21–50 1.500 (38.1) 0.750 (19.05) 0.438 (11.13) 0.250 (6.35) 0.500 (12.7) 0.250 (6.35) ±0.0025 (0.635)
±0.015 (0.38) ±0.015 (0.38) ±0.015 (0.38) ±0.015 (0.38) ±0.015 (0.38) ±0.030 (0.76)
51–160 2.250 (57.15) 1.375 (34.93) 0.750 (19.05) 0.375 (9.53) 1.000 (25.4) 0.375 (9.53) ±0.005 (0.127)
±0.030 (0.762) ±0.030 (0.762) ±0.030 (0.762) ±0.030 (0.762) ±0.030 (0.762) ±0.030 (0.762)
Over 160 1.330T 0.830T . . . . ±0.010 (0.254)
±0.005 (0.127) ±0.005 (0.127)
FIG. 1 IQI Design
6.3 In specifying image quality levels, the contract, pur- propertwo-partexpressionandclearlyindicatethethicknessof
chase order, product specification, or drawing should state the the material to which the level refers. In place of a designated
E1025−18
FIG. 4 True T-hole Diameter Type IQI Identification Orientation
TABLE 1 Typical Image Quality Levels
Standard Image Quality Levels
Minimum
Image Quality Perceptible Equivalent IQI
IQI Thickness
A
Levels Hole Sensitivity, %
Diameter
2-1T ⁄50 (2 %) of Specimen Thickness 1T 1.4
B
2-2T 2T 2.0
2-4T 4T 2.8
Special Image Quality Levels
1-1T ⁄100 (1 %) of Specimen Thickness 1T 0.7
1-2T 2T 1
4-2T ⁄25 (4 %) of Specimen Thickness 2T 4
A
Equivalent IQI sensitivity is that thickness of the IQI, expressed as a percentage
of the part thickness, in which the 2T hole would be visible under the same
conditions.
B
For Level 2-2T Radiologic—The 2TholeinanIQI, ⁄50 (2 %) of the specimen
thickness, is visible.
two–partexpression,theIQInumberandminimumdiscernible
hole size shall be specified.
6.4 Appendix X1 of this practice provides a method for
determining equivalent IQI sensitivity (EPS) in percent. Under
certain conditions (as described within the purchaser-supplier
agreement), EPS may be useful in relating a discernible hole
size of the IQI thickness with the section thickness radio-
graphed for establishing an overall technical image quality
equivalency. This is not an alternative IQI provision for the
originally specified IQI requirement of this practice, but may
beausefultoolforestablishingtechnicalimageequivalencyon
a case basis need with specific customer approvals.
6.5 PracticeE747containsprovisionsforwireIQI’sthatuse
varying length and diameter wires to effect image quality
NOTCH TOLERANCES
Width +15° requirements. The requirements of Practice E747 are different
−0°
from this standard; however, Practice E747 (see Table 4)
(A) Depth + ⁄16 in. (1.588 mm)
contains provisions whereby wire sizes equivalent to corre-
− ⁄32 in. (0.794 mm)
sponding 1T, 2T and 4T holes for various plaque thicknesses
FIG. 2 Rectangular IQI Notch Identification and Material Group-
ing are provided. Appendix X1 of Practice E747 also provides
methods for determining equivalencies between wire and hole
type IQI’s. This is not an alternative IQI provision for the
originally specified IQI requirements of this practice, but may
be useful for establishing technical image equivalency on a
case basis need with
...
This document is not an ASTM standard and is intended only to provide the user of an ASTM standard an indication of what changes have been made to the previous version. Because
it may not be technically possible to adequately depict all changes accurately, ASTM recommends that users consult prior editions as appropriate. In all cases only the current version
of the standard as published by ASTM is to be considered the official document.
Designation: E1025 − 11 E1025 − 18
Standard Practice for
Design, Manufacture, and Material Grouping Classification
of Hole-Type Image Quality Indicators (IQI) Used for
RadiologyRadiography
This standard is issued under the fixed designation E1025; the number immediately following the designation indicates the year of
original adoption or, in the case of revision, the year of last revision. A number in parentheses indicates the year of last reapproval. A
superscript epsilon (´) indicates an editorial change since the last revision or reapproval.
1. Scope*
1.1 This practice covers the design, material grouping classification, and manufacture of hole-type image quality indicators
(IQI) used to indicate the quality of radiologic images.
1.2 This practice is applicable to X-ray and gamma-ray radiology.
1.3 The values stated in inch-pound units are to be regarded as standard.
1.4 This standard does not purport to address all of the safety concerns, if any, associated with its use. It is the responsibility
of the user of this standard to establish appropriate safety safety, health, and healthenvironmental practices and determine the
applicability of regulatory limitations prior to use.
1.5 This international standard was developed in accordance with internationally recognized principles on standardization
established in the Decision on Principles for the Development of International Standards, Guides and Recommendations issued
by the World Trade Organization Technical Barriers to Trade (TBT) Committee.
2. Referenced Documents
2.1 ASTM Standards:
B139/B139M Specification for Phosphor Bronze Rod, Bar, and Shapes
B150/B150M Specification for Aluminum Bronze Rod, Bar, and Shapes
B164 Specification for Nickel-Copper Alloy Rod, Bar, and Wire
B166 Specification for Nickel-Chromium-Iron Alloys (UNS N06600, N06601, N06603, N06690, N06693, N06025, N06045,
and N06696), Nickel-Chromium-Cobalt-Molybdenum Alloy (UNS N06617), and Nickel-Iron-Chromium-Tungsten Alloy
(UNS N06674) Rod, Bar, and Wire
E746 Practice for Determining Relative Image Quality Response of Industrial Radiographic Imaging Systems
E747 Practice for Design, Manufacture and Material Grouping Classification of Wire Image Quality Indicators (IQI) Used for
Radiology
E1735 Test Method for Determining Relative Image Quality of Industrial Radiographic Film Exposed to X-Radiation from 4 to
25 MeV
E1316 Terminology for Nondestructive Examinations
E2662 Practice for Radiographic Examination of Flat Panel Composites and Sandwich Core Materials Used in Aerospace
Applications
2.2 Department of Defense (DoD) Documents:
MIL-I-24768 Insulation, Plastics, Laminated, Thermosetting; General Specification for
This practice is under the jurisdiction of ASTM Committee E07 on Nondestructive Testing and is the direct responsibility of Subcommittee E07.01 on Radiology (X and
Gamma) Method.
Current edition approved Dec. 15, 2011Feb. 1, 2018. Published January 2012February 2018. Originally approved in 1984. Last previous edition approved in 20052011
as E1025 - 05.E1025 -11. DOI: 10.1520/E1025-11.10.1520/E1025-18.
For ASME Boiler and Pressure Vessel Code applications see related Practice SE-1025 in Section II of that Code.
For referenced ASTM standards, visit the ASTM website, www.astm.org, or contact ASTM Customer Service at service@astm.org. For Annual Book of ASTM Standards
volume information, refer to the standard’s Document Summary page on the ASTM website.
Available from Standardization Documents Order Desk, DODSSP, Bldg. 4, Section D, 700 Robbins Ave., Philadelphia, PA 19111-5098, http://dodssp.daps.dla.mil.
*A Summary of Changes section appears at the end of this standard
Copyright © ASTM International, 100 Barr Harbor Drive, PO Box C700, West Conshohocken, PA 19428-2959. United States
E1025 − 18
2.3 ISO Documents
ISO 17636-1 Non-Destructive Testing of Welds – Radiographic testing – Part 1: X- and Gamma-Ray Techniques with Film
ISO 17636-2 Non-Destructive Testing of Welds – Radiographic testing – Part 2: X- and Gamma-Ray Techniques with Digital
Detectors
ISO 19232-2 Non-Destructive Testing – Image Quality of Radiographs – Part 2: Determination of the Image Quality Value
Using Step/Hole-Type Image Quality Indicators
ISO 19232-3 Non-Destructive Testing – Image Quality of Radiographs – Part 3: Image Quality Classes
2.4 ASME Documents:
BPVC (Boiler and Pressure Vessel Code) Section V Nondestructive Examination, Article 2 Radiographic Examination
3. Terminology
3.1 Definitions—The definitions of terms relating to gamma and X-radiology in Terminology E1316, Section D, shall apply to
the terms used in this practice.
4. Hole-Type IQI Requirements
4.1 Image quality indicators (IQIs) used to determine radiologic-image quality levels shall conform to the following
requirements.
4.1.1 All image quality indicators (IQIs) shall be fabricated from materials or alloys identified or listed in accordance with 7.3.
Other materials may be used in accordance with 7.4.
4.1.2 Standard Hole-Type IQIs:
4.1.2.1 Standard Hole-Type Image quality indicators (IQIs) shall dimensionally conform to the requirements of Fig. 1.
NOTE 1—Minimum hole diameters are used for standard hole type IQI numbers 1 through 9 where the hole diameters are 0.010 in. for the 1T hole,
0.020 in. for the 2T hole, and 0.040 in. for the 4T hole.
4.1.3 Modified Hole-Type IQI:
4.1.3.1 The rectangular IQI may be modified in length and width as necessary for special applications, provided the hole size(s)
and IQI thickness conform to Fig. 1 or 4.1.4, as applicable.
4.1.3.2 The IQI’s shall be identified as specified in 4.1.5 to 4.1.5.2, as applicable, except that the identification numbers may
be placed adjacent to the IQI if placement on the IQI is impractical.
4.1.3.3 When modified IQI’s are used, details of the modification shall be documented in the records accompanying the
examination results.
4.1.4 True T-hole Diameter IQI:
4.1.4.1 It may be desirable for non-film applications to use true T-hole diameter IQI’s for numbers 1 through 9.
4.1.4.2 Hole sizes for true T-hole diameter IQI’s may be made by using laser or an electric discharge machining (EDM) process
and shall be within 610 % of 1T, 2T, and 4T (See Fig. 1, Note 3 for T)
4.1.4.3 When true T-hole-diameter IQI’s are used, details of the modifications shall be documented in the records accompanying
the examination results.
4.1.5 Both the rectangular and the circular IQIs shall be identified with number(s) made of lead or a material of similar radiation
opacity. The number shall be bonded to the rectangular IQI’s and shall be placed adjacent to circular IQI’s to provide identification
of the IQI on the image. The identification numbers shall indicate the thickness of the IQI in thousandths of an inch, that is, a
number 10 IQI is 0.010 in. thick, a number 100 IQI is 0.100 in. thick, etc. Additional identification requirements are provided in
7.2.
4.1.5.1 Alternative Identification Method—It may be desirable for non-film applications to eliminate the lead number identifiers
and replace them with either material addition or material removal methods as stated below:
(1) Material Addition Method—Numbers may be made of the same material as that of the IQI and of sufficient thickness to
be clearly discernable within the radiologic image.
(2) Material Removal Method—Numbers may be cut into the IQI in such a manner as to be clearly discernable in the radiologic
image. Processes such as laser etching, chemical etching, precision stamping, etc., may be used to create the numbers within the
IQI.
4.1.5.2 Alloy-group identification shall be in accordance with 7.2. Rectangular IQI’s shall be notched as shown in Fig. 2, except
the corner notch for Group 001 is at a 45 degree angle. Round IQI’s shall be vibrotooled or etched as shown in Fig. 3.
4.1.5.3 True T-hole diameter IQI identification numbers shall be rotated 90° as compared to Standard Hole Type IQIs. See Fig.
4.
Available from International Organization for Standardization (ISO), ISO Central Secretariat, BIBC II, Chemin de Blandonnet 8, CP 401, 1214 Vernier, Geneva,
Switzerland, http://www.iso.org.
Available from American Society of Mechanical Engineers (ASME), ASME International Headquarters, Two Park Ave., New York, NY 10016-5990, http://
www.asme.org.
E1025 − 18
NOTE 1—Tolerances for IQI thickness and hole diameter.
NOTE 2—Tolerances for True T-hole Diameter IQI thickness and hole diameter shall be 610 %.
NOTE 3—XX identification number equals T in .001 inches.in.
NOTE 4—IQIs No. 1 through 9 for Standard Hole Type IQI’s (4.1.2) are not 1T, 2T, and 4T.
NOTE 5—Holes shall be true and normal to the IQI. Do not chamfer.
Identification
Number T
(Note 3) A in. (mm) B in. (mm) C in. (mm) D in. (mm) E in. (mm) F in. (mm) Tolerances (Note 2)
Identification
Number T
(Note 4) A in. (mm) B in. (mm) C in. (mm) D in. (mm) E in. (mm) F in. (mm) Tolerances (Note 3)
1–4 1.500 (38.1) 0.750 (19.05) 0.438 (11.13) 0.250 (6.35) 0.500 (12.7) 0.250 (6.35) ±10%
±0.015 (0.38) ±0.015 (0.38) ±0.015 (0.38) ±0.015 (0.38) ±0.015 (0.38) ±0.030 (0.76)
5–20 1.500 (38.1) 0.750 (19.05) 0.438 (11.13) 0.250 (6.35) 0.500 (12.7) 0.250 (6.35) ±0.0005 (0.127)
±0.015 (0.38) ±0.015 (0.38) ±0.015 (0.38) ±0.015 (0.38) ±0.015 (0.38) ±0.030 (0.76)
21–50 1.500 (38.1) 0.750 (19.05) 0.438 (11.13) 0.250 (6.35) 0.500 (12.7) 0.250 (6.35) ±0.0025 (0.635)
±0.015 (0.38) ±0.015 (0.38) ±0.015 (0.38) ±0.015 (0.38) ±0.015 (0.38) ±0.030 (0.76)
51–160 2.250 (57.15) 1.375 (34.93) 0.750 (19.05) 0.375 (9.53) 1.000 (25.4) 0.375 (9.53) ±0.005 (0.127)
±0.030 (0.762) ±0.030 (0.762) ±0.030 (0.762) ±0.030 (0.762) ±0.030 (0.762) ±0.030 (0.762)
Over 160 1.330T 0.830T . . . . ±0.010 (0.254)
±0.005 (0.127) ±0.005 (0.127)
FIG. 1 IQI Design
E1025 − 18
NOTCH TOLERANCES
Width +15°
−0°
(A) Depth + ⁄16 in. (1.588mm)(1.588 mm)
− ⁄32 in. (0.794 mm)
FIG. 2 Rectangular IQI Notch Identification and Material Grouping
FIG. 3 Circular IQI Identification
E1025 − 18
FIG. 4 True T-hole Diameter Type IQI Identification Orientation
5. IQI Procurement
5.1 When selecting IQI’s for procurement, the following factors should be considered:
5.1.1 Determine the alloy group(s) of the material to be examined.
5.1.2 Determine the thickness or thickness range of the material(s) to be examined.
5.1.3 Determine the Image Quality Level requirements as described in Section 66 and Table 1Table 1.
5.1.4 Select the applicable IQI’s that represent the required IQI thickness and alloy(s).
NOTE 2—This practice does not recommend or suggest specific IQI sets to be procured. Section 55 is an aid in selecting IQI’s based on specific needs.
6. Image Quality Levels
6.1 Image quality levels are designated by a two part expression; X-YT. The first part of the expression, X, refers to the IQI
thickness expressed as a percentage of the specimen thickness. The second part of the expression, YT, refers to the diameter of the
required hole and is expressed as a multiple of the IQI thickness, T (for example, the image quality level 2-2T means that the IQI
thickness, T, is no more than 2 % of the specimen thickness and that the diameter of the required IQI hole is 2 × T).
NOTE 3—Standard Hole Type Image Quality Indicators (IQI’s) less than number 10 have hole sizes 0.010, 0.020, and 0.040 in. diameter regardless
of the IQI thickness. Therefore, Standard Hole Type IQI’s less than number 10 do not represent the quality levels specified in 6.1 and Table 1. The
equivalent IQI sensitivity (EPS) can be calculated using the equation in Appendix X1.
6.2 Typical image quality level designations are shown in Table 1. The level of inspection specified should be based on service
requirements of the product. Care should be taken in specifying True T-hole Diameter Type IQI’s (4.1.4) and/or image quality
levels 2-1T, 1-1T, and 1-2T by first determining that these levels can be maintained in production.
6.3 In specifying image quality levels, the contract, purchase order, product specification, or drawing should state the proper
two-part expression and clearly indicate the thickness of the material to which the level refers. In place of a designated two–part
expression, the IQI number and minimum discernible hole size shall be specified.
6.4 Appendix X1 of this practice provides a method for determining equivalent IQI sensitivity (EPS) in percent. Under certain
conditions (as described within the purchaser-supplier agreement), EPS may be useful in relating a discernible hole size of the IQI
thickness with the section thickness radiographed for establishing an overall technical image quality equivalency. This is not an
alternative IQI provision for the originally specified IQI requirement of this practice, but may be a useful tool for establishing
technical image equivalency on a case basis need with specific customer approvals.
TABLE 1 Typical Image Quality Levels
Standard Image Quality Levels
Minimum
Image Quality Perceptible Equivalent IQI
IQI Thickness
A
Levels Hole Sensitivity, %
Diameter
2-1T ⁄50 (2 %) of Specimen Thickness 1T 1.4
B
2-2T 2T 2.0
2-4T 4T 2.8
Special Image Quality Levels
1-1T ⁄100 (1 %) of Specimen Thickness 1T 0.7
1-2T 2T 1
4-2T ⁄25 (4 %) of Specimen Thickness 2T 4
A
Equivalent IQI sensitivity is that thickness of the IQI, expressed as a percentage
of the part thickness, in which the 2T hole would be visible under the same
conditions.
B 1
For Level 2-2T Radiologic—The 2T hole in an IQI, ⁄50 (2 %) of the specimen
thickness, is visible.
E1025 − 18
6.5 Practice E747 contains provisions for wire IQI’s that use varying length and diameter wires to effect image quality
requirements. The requirements of Practice E747 are different from this standard; however, Practice E747 (see Table 4) contains
provisions whereby wire sizes equivalent to corresponding 1T, 2T and 4T holes for various plaque thicknesses are provided.
Appendix X1 of Practice E747 also provides methods for determining equivalencies between wire and hole type IQI’s. This is not
an alternative IQI provision for the originally specified IQI requirements of this practice, but may be useful for establishing
technical image equivalency on a case basis need with specific customer approvals.
6.6 Test Methods E746 and E1735 provide additional tools for determining relative image quality response of industrial
radiological systems when exposed to energy levels described within those test methods. Both of these test methods use the
“equivalent penetrameter sensitivity” (EPS) concept to provide statistical image quality information that allows the imaging system
or other exposure components to be assessed on a relative basis. These test methods are n
...








Questions, Comments and Discussion
Ask us and Technical Secretary will try to provide an answer. You can facilitate discussion about the standard in here.
Loading comments...