ISO 6177:1983
(Main)Textile machinery — Cloth rollers — Terminology and main dimensions
Textile machinery — Cloth rollers — Terminology and main dimensions
Matériel pour l'industrie textile — Rouleaux magasins — Terminologie et dimensions principales
General Information
- Status
- Withdrawn
- Publication Date
- 30-Apr-1983
- Withdrawal Date
- 30-Apr-1983
- Current Stage
- 9599 - Withdrawal of International Standard
- Start Date
- 01-May-1986
- Completion Date
- 14-Feb-2026
Relations
- Effective Date
- 15-Apr-2008
Buy Documents
ISO 6177:1983 - Textile machinery -- Cloth rollers -- Terminology and main dimensions
ISO 6177:1983 - Textile machinery — Cloth rollers — Terminology and main dimensions Released:5/1/1983
Get Certified
Connect with accredited certification bodies for this standard

Control Union Certifications
Global certification for agriculture and sustainability.

Bureau Veritas Bangladesh
Bureau Veritas certification services in Bangladesh.

ECOCERT France
Leader in organic and sustainability certification worldwide.
Sponsored listings
Frequently Asked Questions
ISO 6177:1983 is a standard published by the International Organization for Standardization (ISO). Its full title is "Textile machinery — Cloth rollers — Terminology and main dimensions". This standard covers: Textile machinery — Cloth rollers — Terminology and main dimensions
Textile machinery — Cloth rollers — Terminology and main dimensions
ISO 6177:1983 is classified under the following ICS (International Classification for Standards) categories: 59.120.30 - Looms. Weaving machines. The ICS classification helps identify the subject area and facilitates finding related standards.
ISO 6177:1983 has the following relationships with other standards: It is inter standard links to ISO 6177:1986. Understanding these relationships helps ensure you are using the most current and applicable version of the standard.
ISO 6177:1983 is available in PDF format for immediate download after purchase. The document can be added to your cart and obtained through the secure checkout process. Digital delivery ensures instant access to the complete standard document.
Standards Content (Sample)
International Standard 61??
~ ~ ~~
INTERNATIONAL ORGANIZATION FOR STANDARDlZATION.MEWYHAPOLIHAR OPTAHHJAUHR il0 CTAH&APTH3AUHMWRGANlSATlON INTERNATIONALE DE NORMALISATION
Foreword
IS0 (the International Organization for Standardization) is a worldwide federation of
national standards bodies (IS0 member bodies). The work of developing International
Standards is carried out through IS0 technical committees. Every member body
interested in a subject for which a technical committee has been authorized has the
right to be represented on that committee. International organizations, governmental
and non-governmental, in liaison with ISO, also take part in the work.
Draft International Standards adopted by the technical committees are circulated to
the member bodies for approval before their acceptance as International Standards by
the IS0 Council.
International Standard IS0 6177 was developed by Technical Committee ISO/TC 72,
Textile machinery and allied machinery and accessories, and was circulated to the
member bodies in March 1982.
It has been approved by the member bodies of the following countries :
Australia India Spain
Belgium Indonesia Switzerland
Brazil Japan Turkey
Czechoslovakia Korea, Rep. of United Kingdom
Egypt, Arab Rep. of Mexico USSR
France Romania Yugoslavia
South Africa, Rep. of
Germany, F.R.
No member body expressed disapproval of the document.
0 International Organization for Standardization, 1983 O
Printed in Switzerland
INTERNATIONAL STANDARD IS0 6177-1983 (E)
Textile machinery - Cloth rollers - Terminology
and main dimensions
1 Scope and field of application 2 References
This International Standard defines the basic terms, lays down
Is0 109, Textile machinery - Working Width of Weaving
the main dimensions and gives specifications of cloth rollers
machines.
used for winding fabrics and feeding subsequent machines.
NOTE - In addition to terms given in the three official IS0 languages,
ISo ml I and accessories -
English, French, and Russian, this International Standard also gives the
beams - TerminO/ogY and main dhens/bns.
equivalent terms in German; these terms have been included at the re-
quest of ISO/TC 72 and are published under the responsibility of the
committee members of the Federal Republic of Germany (DIN) and
Switzerland (SNV). However, only the terms and definitions given in Is0 5241, Texfile machinery and accessories - Weaver’s
the official languages may be considered as IS0 terms and definitions. beams - Terminology and main dimensions.
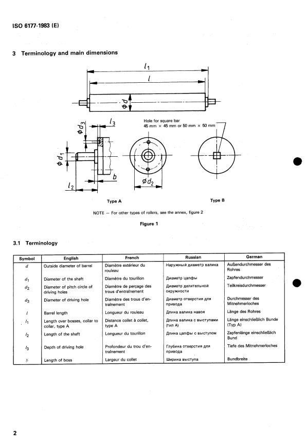
3 Terminology and main dimensions
Hole for square bar
45mm x 45mmor5ûmm x 50mm7
c
Type A
NOTE - For other typ
...
Norme internationale 6177
INTERNATIONAL ORGANIZATION FOR STANDARDIZATlON.ME)I(IIYHAPOIIHAR OPrAHH3AUMR Il0 CTAHIIAPTH3AUHH.ORGANlSATlON INTERNATIONALE DE NORMALISATION
0 Matériel pour l'industrie textile - Rouleaux magasins -
Term i no I og i e et di me nsi o ns p r i n c i pa I es
Textile machinery - Cloth rollers - Terminology and main dimensions
Première édition - 1983-05-01
I !k CDU 677.054.7 Réf. no : IS0 6177-1983 (FI
Descripteurs : matériel textile, bobinoir, galet, vocabulaire, dimension, désignation.
k
G
O
!4
Prix basé sur 4 pages
Avant-propos
L'ISO (Organisation internationale de normalisation) est une fédération mon-
diale d'organismes nationaux de normalisation (comités membres de I'ISO).
L'élaboration des Normes internationales est confiée aux comités techniques
de I'ISO. Chaque comité membre intéressé par une étude a le droit de faire
partie du comité technique correspondant. Les organisations internationales,
a
gouvernementales et non gouvernementales, en liaison avec I'ISO, partici-
pent également aux travaux.
Les projets de Normes internationales adoptés par les comités techniques
sont soumis aux comités membres pour approbation, avant leur acceptation
comme Normes internationales par le Conseil de I'ISO.
La Norme internationale IS0 6177 a été élaborée par le comité technique ISO/TC 72,
Matérielpour l'industrie textile et matériel connexe, et a été soumise aux comités mem-
bres en mars 1982.
Les comités membres des pays suivants l'ont approuvée :
Afrique du Sud, Rép. d' Corée, Rép. de Royaume-Uni
Allemagne, R.F. France Suisse
Inde Tchécoslovaquie
Australie
Belgique Indonésie Turquie
Brésil Japon URSS
Égypte, Rép. arabe ci' Mexique Yougoslavie
Espagne Roumanie
Aucun comité membre ne l'a désapprouvée.
O Organisation internationale de normalisation, 1983 0
Imprimé en Suisse
NORME INTERNATIONALE IS0 6177i1983 (FI
Matériel pour l'industrie textile - Rouleaux magasins -
Terminologie et dimensions principales
1 Objet et domaine d'application 2 Références
La présente Norme internationale définit les termes de base et
fixe les principales dimensions et spécifications des rouleaux
IS0 109, Matériel pour I'industrie textile - Largeurs de tissage
magasins utilisés pour l'enroulement des étoffes et pour l'ali-
des machines à tisser.
mentation des machines de finissage.
NOTE - En supplément aux termes donnés dans les trois langues offi-
IS0 401, Matériel pour l'industrie textile - Ensouples
cielles de I'ISO (anglais, français, russe), la présente Norme internatio-
d'ourdissoir - Terminologie et dimensions principales.
nale donne des termes équivalents en allemand; ces termes ont été
inclus à la demande du comité technique ISO/TC 72, et sont publiés
sous la responsabilité des comités membres de l'Allemagne, R.F. (DIN)
IS0 5241, Matériel pour I'industrie texti
...








Questions, Comments and Discussion
Ask us and Technical Secretary will try to provide an answer. You can facilitate discussion about the standard in here.
Loading comments...