ISO 12281:1999
(Main)Aerospace - Rivets, solid, 100 degrees normal countersunk head, in metallic material, with or without surface treatment - Dimensions
Aerospace - Rivets, solid, 100 degrees normal countersunk head, in metallic material, with or without surface treatment - Dimensions
This International Standard specifies the dimensions of solid rivets, 100° normal countersunk head, in metallic material, with or without surface treatment. This International Standard is only applicable for the compilation of aerospace product standards.
Aéronautique et espace — Rivets ordinaires, à tête fraisée à 100 degrés normale, en matériau métallique, avec ou sans traitement de surface — Dimensions
La présente Norme internationale spécifie les dimensions des rivets ordinaires, à tête fraisée 100° normale, en matériau métallique, avec ou sans traitement de surface. La présente Norme internationale est applicable uniquement à l'élaboration de normes de produit destinées aux constructions aérospatiales.
General Information
- Status
- Published
- Publication Date
- 20-Oct-1999
- Technical Committee
- ISO/TC 20/SC 4 - Aerospace fastener systems
- Drafting Committee
- ISO/TC 20/SC 4 - Aerospace fastener systems
- Current Stage
- 9093 - International Standard confirmed
- Start Date
- 19-Oct-2021
- Completion Date
- 13-Dec-2025
Overview
ISO 12281:1999 is an International Standard established by the International Organization for Standardization (ISO) that specifies the dimensions for solid rivets with a 100° normal countersunk head. These rivets are constructed from metallic materials and may have surface treatments or be untreated. This standard is specifically designed to support the aerospace industry by providing consistent, precise dimensional guidelines for solid rivets used in aircraft and spacecraft manufacturing. It ensures compatibility and quality within aerospace product standards.
Key Topics
- Scope: Defines dimensional requirements for solid, 100-degree normal countersunk head rivets in metallic materials, applicable exclusively for aerospace product standards.
- Materials Covered: Metallic materials with or without surface treatment; includes aluminum alloys, nickel alloys, corrosion-resistant steels, titanium, and titanium alloys.
- Dimensional Specifications:
- Detailed metrics on rivet diameter, head form, length, and tolerances measured in millimeters.
- Length variations according to material type and tail end shape (radiused or non-radiused).
- Applies after surface coatings, ensuring accuracy post-treatment.
- Normative Reference: Cites ISO 286-2:1988 for standard tolerance grades and limit deviations, ensuring alignment with established limits and fits systems.
- Dimensional Tables and Figures: Includes comprehensive tables mapping diameter codes to dimensions and acceptable length ranges - critical for manufacturing and quality control.
Applications
- Aerospace Fastening Solutions: Ensures secure and reliable fastening of structural aerospace components, critical for aircraft and spacecraft integrity.
- Manufacturing Standardization: Facilitates uniform production of rivets, simplifying procurement and quality assurance across aerospace suppliers and manufacturers.
- Surface Treatments Compatibility: Guides the use of rivets with coatings or treatments, supporting corrosion resistance and performance in harsh aerospace environments.
- Design and Engineering: Enables aerospace engineers to select appropriate rivet sizes and specifications compliant with industry standards, thereby enhancing safety and functionality.
- Product Standard Compilation: Serves as a foundational reference for drafting aerospace product standards involving rivet fastening systems.
Related Standards
- ISO 286-2:1988: Standard system of limits and fits – provides tolerance grades and deviations relevant to rivet dimensions.
- Other aerospace fastening standards governed by ISO/TC 20 technical committee, addressing different types of fasteners and mechanical joint components.
- Additional material-specific standards for aluminum, titanium, nickel alloys, and corrosion-resistant steels informing material properties and treatments complementary to rivet production.
ISO 12281:1999 is essential for aerospace manufacturers and engineers seeking to comply with internationally recognized dimensional specifications for solid countersunk rivets. Adhering to this standard helps ensure product compatibility, structural safety, and overall quality in aerospace assemblies. Keywords: aerospace rivets, solid rivets, countersunk head rivets, rivet dimensions, metallic rivets, aerospace fasteners, ISO 12281, aerospace standards.
ISO 12281:1999 - Aerospace -- Rivets, solid, 100 degrees normal countersunk head, in metallic material, with or without surface treatment -- Dimensions
ISO 12281:1999 - Aéronautique et espace -- Rivets ordinaires, a tete fraisée a 100 degrés normale, en matériau métallique, avec ou sans traitement de surface -- Dimensions
Frequently Asked Questions
ISO 12281:1999 is a standard published by the International Organization for Standardization (ISO). Its full title is "Aerospace - Rivets, solid, 100 degrees normal countersunk head, in metallic material, with or without surface treatment - Dimensions". This standard covers: This International Standard specifies the dimensions of solid rivets, 100° normal countersunk head, in metallic material, with or without surface treatment. This International Standard is only applicable for the compilation of aerospace product standards.
This International Standard specifies the dimensions of solid rivets, 100° normal countersunk head, in metallic material, with or without surface treatment. This International Standard is only applicable for the compilation of aerospace product standards.
ISO 12281:1999 is classified under the following ICS (International Classification for Standards) categories: 49.030.60 - Rivets. The ICS classification helps identify the subject area and facilitates finding related standards.
ISO 12281:1999 is available in PDF format for immediate download after purchase. The document can be added to your cart and obtained through the secure checkout process. Digital delivery ensures instant access to the complete standard document.
Standards Content (Sample)
INTERNATIONAL ISO
STANDARD 12281
First edition
1999-11-01
Aerospace — Rivets, solid, 100° normal
countersunk head, in metallic material, with
or without surface treatment — Dimensions
Aéronautique et espace — Rivets ordinaires, à tête fraisée 100° normale,
en matériau métallique, avec ou sans traitement de surface — Dimensions
A
Reference number
Foreword
ISO (the International Organization for Standardization) is a worldwide federation of national standards bodies (ISO
member bodies). The work of preparing International Standards is normally carried out through ISO technical
committees. Each member body interested in a subject for which a technical committee has been established has
the right to be represented on that committee. International organizations, governmental and non-governmental, in
liaison with ISO, also take part in the work. ISO collaborates closely with the International Electrotechnical
Commission (IEC) on all matters of electrotechnical standardization.
International Standards are drafted in accordance with the rules given in the ISO/IEC Directives, Part 3.
Draft International Standards adopted by the technical committees are circulated to the member bodies for voting.
Publication as an International Standard requires approval by at least 75 % of the member bodies casting a vote.
International Standard ISO 12281 was prepared by Technical Committee ISO/TC 20, Aircraft and space vehicles,
Subcommittee SC 4, Aerospace fastener systems.
© ISO 1999
All rights reserved. Unless otherwise specified, no part of this publication may be reproduced or utilized in any form or by any means, electronic
or mechanical, including photocopying and microfilm, without permission in writing from the publisher.
International Organization for Standardization
Case postale 56 • CH-1211 Genève 20 • Switzerland
Internet iso@iso.ch
Printed in Switzerland
ii
INTERNATIONAL STANDARD © ISO ISO 12281:1999(E)
Aerospace — Rivets, solid, 100° normal countersunk head, in
metallic material, with or without surface treatment — Dimensions
1 Scope
This International Standard specifies the dimensions of solid rivets, 100° normal countersunk head, in metallic
material, with or without surface treatment.
This International Standard is only applicable for the compilation of aerospace product standards.
2 Normative reference
The following normative document contains provisions which, through reference in this text, constitute provisions of
this International Standard. For dated references, subsequent amendments to, or revisions of, any of these
publications do not apply. However, parties to agreements based on this International Standard are encouraged to
investigate the possibility of applying the most recent edition of the normative document indicated below. For
undated references, the latest edition of the normative document referred to applies. Members of ISO and IEC
maintain registers of currently valid International Standards.
ISO 286-2:1988, ISO system of limits and fits — Part 2: Tables of standard tolerance grades and limit deviations for
holes and shafts.
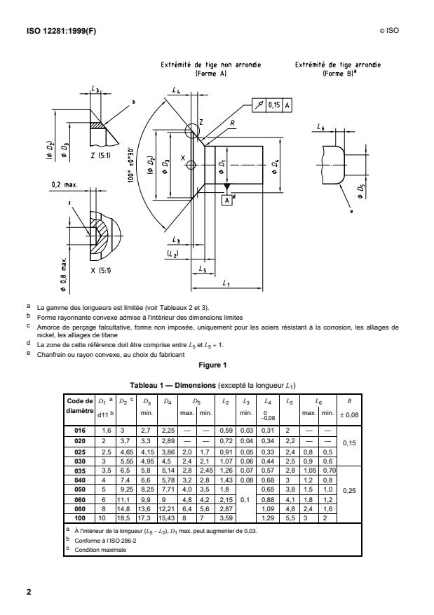
3 Configuration and dimensions
See Figure 1 and Table 1. Dimensions and tolerances are expressed in millimetres. They apply after any surface
coating
...
NORME ISO
INTERNATIONALE 12281
Première édition
1999-11-01
Aéronautique et espace — Rivets
ordinaires, à tête fraisée 100° normale, en
matériau métallique, avec ou sans
traitement de surface — Dimensions
Aerospace — Rivets, solid, 100° normal countersunk head, in metallic
material, with or without surface treatment — Dimensions
A
Numéro de référence
Avant-propos
L'ISO (Organisation internationale de normalisation) est une fédération mondiale d'organismes nationaux de
normalisation (comités membres de l'ISO). L'élaboration des Normes internationales est en général confiée aux
comités techniques de l'ISO. Chaque comité membre intéressé par une étude a le droit de faire partie du comité
technique créé à cet effet. Les organisations internationales, gouvernementales et non gouvernementales, en
liaison avec l'ISO participent également aux travaux. L'ISO collabore étroitement avec la Commission
électrotechnique internationale (CEI) en ce qui concerne la normalisation électrotechnique.
Les Normes internationales sont rédigées conformément aux règles données dans les Directives ISO/CEI, Partie 3.
Les projets de Normes internationales adoptés par les comités techniques sont soumis aux comités membres pour
vote. Leur publication comme Normes internationales requiert l'approbation de 75 % au moins des comités
membres votants.
La Norme internationale ISO 12281 a été élaborée par le comité technique ISO/TC 20, Aéronautique et espace,
sous-comité SC 4, Éléments de fixation pour constructions aérospatiales.
© ISO 1999
Droits de reproduction réservés. Sauf prescription différente, aucune partie de cette publication ne peut être reproduite ni utilisée sous quelque
forme que ce soit et par aucun procédé, électronique ou mécanique, y compris la photocopie et les microfilms, sans l'accord écrit de l'éditeur.
Organisation internationale de normalisation
Case postale 56 • CH-1211 Genève 20 • Suisse
Internet iso@iso.ch
Imprimé en Suisse
ii
NORME INTERNATIONALE © ISO ISO 12281:1999(F)
Aéronautique et espace — Rivets ordinaires, à tête fraisée 100°
normale, en matériau métallique, avec ou sans traitement de
surface — Dimensions
1 Domaine d’application
La présente Norme internationale spécifie les dimensions des rivets ordinaires, à tête fraisée 100° normale, en
matériau métallique, avec ou sans traitement de surface.
La présente Norme internationale est applicable uniquement à l'élaboration de normes de produit destinées aux
constructions aérospatiales.
2 Référence normative
Le document normatif suivant contient des dispositions qui, par suite de la référence qui y est faite, constituent des
dispositions valables pour la présente Norme internationale. Pour les références datées, les amendements
ultérieurs ou les révisions de ces publications ne s'appliquent pas. Toutefois, les parties prenantes aux accords
fondés sur la présente Norme internationale sont invitées à rechercher la possibilité d'appliquer l’éditions la plus
récente du document normatif indiqué ci-après. Pour les références non datées, la dernière édition du document
normatif en référence s'applique. Les membres de l'ISO et de la CEI possèdent le registre des Normes
internationales en vigueur.
ISO 286-2:1988, Système ISO de tolérances et d'ajustements — Partie 2: Tables des degrés de tolérance
normalisés et des écarts limites des alésages et des arbres.
3 Configuration et dimensions
Voir la Figure 1 et le Tableau 1. Les dimensions et tolérances sont exprimées en millimètres. Elles s'appliq
...














Questions, Comments and Discussion
Ask us and Technical Secretary will try to provide an answer. You can facilitate discussion about the standard in here.
Loading comments...