ISO 8169:1984
(Main)Equipment for crop protection — Sprayers — Connecting dimensions for nozzles and manometers
Equipment for crop protection — Sprayers — Connecting dimensions for nozzles and manometers
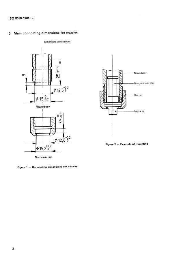
Lays down the main connectiing dimensions to allow interchangeability of nozzles and monometers. Applies to sprayers for crop protection. Connecting dimensions for nozzles apply only to apparatus which is equipped with connections for nozzle tips with filters and/or anti-drip filters. Some figures illustrate connections and examples of mounting.
Matériel de traitement agropharmaceutique — Pulvérisateurs — Dimensions de raccordement des buses et des manomètres
La présente Norme internationale fixe les principales dimensions de raccordement permettant d'assurer l'interchangeabilité des buses et des manomètres des pulvérisateurs destinés au traitement agropharmaceutique. (Pour la définition des termes, voir ISO 5681.) La présente Norme internationale est applicable aux pulvérisateurs de traitement agropharmaceutique. Cependant, les dimensions de raccordement des buses ne s'appliquent qu'aux appareils qui sont équipés d'embouts de buse avec des filtres et/ou des dispositifs de filtre antigouttes.
Stroji za zaščito rastlin - Škropilnice - Priključne mere za šobe in manometre
General Information
- Status
- Published
- Publication Date
- 30-Sep-1984
- Technical Committee
- ISO/TC 23/SC 6 - Equipment for crop protection
- Drafting Committee
- ISO/TC 23/SC 6 - Equipment for crop protection
- Current Stage
- 9093 - International Standard confirmed
- Start Date
- 23-Aug-2021
- Completion Date
- 12-Feb-2026
Overview
ISO 8169:1984 is an international standard established by the International Organization for Standardization (ISO) that specifies the connecting dimensions for nozzles and manometers used in sprayers for crop protection. This standard ensures interchangeability and compatibility of key components in agricultural spraying equipment. By standardizing the dimensions, ISO 8169 facilitates efficient maintenance, replacement, and integration of nozzles and pressure measurement devices within crop protection sprayers.
The standard is particularly relevant to sprayers equipped with connections for nozzle tips that include filters or anti-drip filters. It provides clear specifications to support the proper fitting and functioning of these components, contributing to improved reliability and precision in agricultural spraying operations.
Key Topics
Connecting Dimensions for Nozzles
ISO 8169 defines the main connecting dimensions-measured in millimeters-that must be adhered to for nozzle bodies, nozzle tips, filters, and anti-drip filters. This enables the easy interchange of nozzles between different manufacturers’ sprayers while maintaining performance and safety.Manometer Connection Dimensions
The standard describes the specifications for manometer (pressure gauge) connections, including thread types, built-in nut sizes, and mounting dimensions. Accurate pressure measurement is critical for ensuring uniform application of crop protection agents.Compatibility with Filters and Anti-Drip Devices
The document covers connecting dimensions specifically for nozzle tips equipped with filters or anti-drip filters. These features help improve application precision and reduce chemical waste or environmental contamination.Illustrations and Mounting Examples
ISO 8169 includes diagrams demonstrating the connection types and examples of proper assembly for both nozzles and manometers. These visual aids assist manufacturers and technicians in correctly implementing the standard.Reference to Related Standards
The standard references ISO 5681 for terminology and ISO 4102 for connection threading, ensuring consistency with broader crop protection equipment regulations.
Applications
Agricultural Sprayers
The primary application of ISO 8169 is in the design and manufacturing of sprayers used for agricultural crop protection. Equipment producers rely on the standard to ensure their nozzles and pressure gauges are compatible with industry-wide components.Maintenance and Replacement
Farmers and service providers use the standardized dimensions to source replacement nozzles or manometers without compatibility issues, facilitating quick and cost-effective repairs.Equipment Interoperability
The standard promotes interoperability among various brands and models of crop protection sprayers, allowing users more choice and flexibility in component procurement.Precision Agriculture
By standardizing connections for components like anti-drip nozzles and precise manometers, ISO 8169 supports the accuracy and efficiency goals of precision agriculture techniques.
Related Standards
ISO 5681: Equipment for Crop Protection – Vocabulary
Defines terms used in the crop protection machinery sector to ensure consistent understanding across industries.ISO 4102: Equipment for Crop Protection – Sprayers – Connection Threading
Specifies threading standards for connections, complementing the dimensional specifications in ISO 8169.Other ISO Standards on Agricultural Machinery
ISO/TC 23 develops several standards related to tractors and agricultural machinery, supporting holistic equipment standardization.
Keywords: ISO 8169, crop protection sprayers, nozzles, manometers, connecting dimensions, interchangeability, agricultural machinery standards, sprayer fittings, nozzle filters, anti-drip nozzles, precision agriculture equipment, agricultural sprayer maintenance.
ISO 8169:1984 - Equipment for crop protection -- Sprayers -- Connecting dimensions for nozzles and manometers
ISO 8169:1984 - Matériel de traitement agropharmaceutique -- Pulvérisateurs -- Dimensions de raccordement des buses et des manometres
ISO 8169:1984 - Matériel de traitement agropharmaceutique -- Pulvérisateurs -- Dimensions de raccordement des buses et des manometres
Get Certified
Connect with accredited certification bodies for this standard

Control Union Certifications
Global certification for agriculture and sustainability.

ECOCERT
Organic and sustainability certification.

Rainforest Alliance Certification
Sustainable agriculture and forestry certification.
Sponsored listings
Frequently Asked Questions
ISO 8169:1984 is a standard published by the International Organization for Standardization (ISO). Its full title is "Equipment for crop protection — Sprayers — Connecting dimensions for nozzles and manometers". This standard covers: Lays down the main connectiing dimensions to allow interchangeability of nozzles and monometers. Applies to sprayers for crop protection. Connecting dimensions for nozzles apply only to apparatus which is equipped with connections for nozzle tips with filters and/or anti-drip filters. Some figures illustrate connections and examples of mounting.
Lays down the main connectiing dimensions to allow interchangeability of nozzles and monometers. Applies to sprayers for crop protection. Connecting dimensions for nozzles apply only to apparatus which is equipped with connections for nozzle tips with filters and/or anti-drip filters. Some figures illustrate connections and examples of mounting.
ISO 8169:1984 is classified under the following ICS (International Classification for Standards) categories: 65.060.40 - Plant care equipment. The ICS classification helps identify the subject area and facilitates finding related standards.
ISO 8169:1984 is available in PDF format for immediate download after purchase. The document can be added to your cart and obtained through the secure checkout process. Digital delivery ensures instant access to the complete standard document.
Standards Content (Sample)
SLOVENSKI STANDARD
01-junij-1996
6WURML]D]DãþLWRUDVWOLQâNURSLOQLFH3ULNOMXþQHPHUH]DãREHLQPDQRPHWUH
Equipment for crop protection -- Sprayers -- Connecting dimensions for nozzles and
manometers
Matériel de traitement agropharmaceutique -- Pulvérisateurs -- Dimensions de
raccordement des buses et des manomètres
Ta slovenski standard je istoveten z: ISO 8169:1984
ICS:
65.060.40 Oprema za nego rastlin Plant care equipment
2003-01.Slovenski inštitut za standardizacijo. Razmnoževanje celote ali delov tega standarda ni dovoljeno.
International Standard
INTERNATIONAL ORGANIZATION FOR STANDARDIZATlONWlE~YHAPO~HAR OPTAHM3ALplR ll0 CTAH~APTM3Al#lM*ORGANlSATlON INTERNATIONALE DE NORMALISATION
Equipment for crop protection - Sprayers - Connecting
dimensions for nozzles and manometers
Dimensions de raccordement des buses et des manomktres
Mathriel de traitemen t agropharmaceutique - Pulv&isa teurs -
First edition - 1984-10-15
UDC 631348.45 Ref. No. IS0 81694984 (E)
Descriptors : agricultural machinery, agricultural sprayers, nozzles, manometers, connecting dimensions.
Price based on 3 pages
Foreword
IS0 (the International Organization for Standardization) is a worldwide federation of
national standards bodies (IS0 member bodies). The work of preparing International
Standards is normally carried out through IS0 technical committees. Each member
body interested in a subject for which a technical committee has been established has
the right to be represented on that committee. International organizations, govern-
mental and non-governmental, in liaison with ISO, also take part in the work.
Draft International Standards adopted by the technical committees are circulated to
the member bodies for approva
...
International Standard
INTERNATIONAL ORGANIZATION FOR STANDARDIZATlONWlE~YHAPO~HAR OPTAHM3ALplR ll0 CTAH~APTM3Al#lM*ORGANlSATlON INTERNATIONALE DE NORMALISATION
Equipment for crop protection - Sprayers - Connecting
dimensions for nozzles and manometers
Dimensions de raccordement des buses et des manomktres
Mathriel de traitemen t agropharmaceutique - Pulv&isa teurs -
First edition - 1984-10-15
UDC 631348.45 Ref. No. IS0 81694984 (E)
Descriptors : agricultural machinery, agricultural sprayers, nozzles, manometers, connecting dimensions.
Price based on 3 pages
Foreword
IS0 (the International Organization for Standardization) is a worldwide federation of
national standards bodies (IS0 member bodies). The work of preparing International
Standards is normally carried out through IS0 technical committees. Each member
body interested in a subject for which a technical committee has been established has
the right to be represented on that committee. International organizations, govern-
mental and non-governmental, in liaison with ISO, also take part in the work.
Draft International Standards adopted by the technical committees are circulated to
the member bodies for approval before their acceptance as International Standards by
the IS0 Council. They are approved in accordance with IS0 procedures requiring at
least 75 % approval by the member bodies voting.
International Standard IS0 8169 was prepared by Technical Committee ISO/TC 23,
Tractors and machinery for agriculture and forestry.
0 International Organization for Standardization, 1984
Printed in Switzerland
IS0 81694984 (E)
INTERNATION
...
Norme internationale
INTERNATIONAL ORGANIZATION FOR STANDARDIZATIONWblE~YHAPO~HAR OPrAHM3A~Mfi Il0 CTAH~APTM3ALWlWRGANISATION INTERNATIONALE DE NORMALISATION
Matériel de traitement agropharmaceutique -
Pulvérisateurs - Dimensions de raccordement des buses
et des manomètres
Equipment for trop protection - Spra yers - Connecting dimensions for nozzles and manometers
Première édition - 1984-10-15
CDU 631348.46 Réf. no : ISO 81694984 (FI
machine agricole, pulvérisateur agricole, ajutage,
Descripteurs : manométre, cotes de raccordement.
Prix basé sur 3 pages
Avant-propos
L’ISO (Organisation internationale de normalisation) est une fédération mondiale
d’organismes nationaux de normalisation (comités membres de I’ISO). L’élaboration
des Normes internationales est confiée aux comités techniques de I’ISO. Chaque
comité membre intéressé par une étude a le droit de faire partie du comité technique
créé à cet effet. Les organisations internationales, gouvernementales et non gouverne-
mentales, en liaison avec I’ISO, participent également aux travaux.
Les projets de Normes internationales adoptés par les comités techniques sont soumis
aux comités membres pour approbation, avant leur acceptation comme Normes inter-
nationales par le Conseil de I’ISO. Les Normes internationales sont approuvées confor-
mément aux procédures de I’ISO qui requièrent l’approbation de 75 % au moins des
comités membres votants.
La Norme internationale ISO 8169 a été élaborée par le comité technique ISO/TC 23,
Tracteurs et matériels agricoles et fores tiers.
0 Organisation internationale de normalisation, 1984
Imprimé en Suisse
NORME INTERNATIONALE ISO 81694984 (FI
Matériel de traitement agropharmaceutique -
Dimensions de raccordement des buses
Pulvérisateurs -
et des manomètres
1 Objet et domaine d’ap
...
Norme internationale
INTERNATIONAL ORGANIZATION FOR STANDARDIZATIONWblE~YHAPO~HAR OPrAHM3A~Mfi Il0 CTAH~APTM3ALWlWRGANISATION INTERNATIONALE DE NORMALISATION
Matériel de traitement agropharmaceutique -
Pulvérisateurs - Dimensions de raccordement des buses
et des manomètres
Equipment for trop protection - Spra yers - Connecting dimensions for nozzles and manometers
Première édition - 1984-10-15
CDU 631348.46 Réf. no : ISO 81694984 (FI
machine agricole, pulvérisateur agricole, ajutage,
Descripteurs : manométre, cotes de raccordement.
Prix basé sur 3 pages
Avant-propos
L’ISO (Organisation internationale de normalisation) est une fédération mondiale
d’organismes nationaux de normalisation (comités membres de I’ISO). L’élaboration
des Normes internationales est confiée aux comités techniques de I’ISO. Chaque
comité membre intéressé par une étude a le droit de faire partie du comité technique
créé à cet effet. Les organisations internationales, gouvernementales et non gouverne-
mentales, en liaison avec I’ISO, participent également aux travaux.
Les projets de Normes internationales adoptés par les comités techniques sont soumis
aux comités membres pour approbation, avant leur acceptation comme Normes inter-
nationales par le Conseil de I’ISO. Les Normes internationales sont approuvées confor-
mément aux procédures de I’ISO qui requièrent l’approbation de 75 % au moins des
comités membres votants.
La Norme internationale ISO 8169 a été élaborée par le comité technique ISO/TC 23,
Tracteurs et matériels agricoles et fores tiers.
0 Organisation internationale de normalisation, 1984
Imprimé en Suisse
NORME INTERNATIONALE ISO 81694984 (FI
Matériel de traitement agropharmaceutique -
Dimensions de raccordement des buses
Pulvérisateurs -
et des manomètres
1 Objet et domaine d’ap
...
















Questions, Comments and Discussion
Ask us and Technical Secretary will try to provide an answer. You can facilitate discussion about the standard in here.
Loading comments...