ISO 5611:1989
(Main)Cartridges, type A, for indexable inserts — Dimensions
Cartridges, type A, for indexable inserts — Dimensions
Cartouches du type A, à plaquettes amovibles — Dimensions
General Information
- Status
- Withdrawn
- Publication Date
- 09-Aug-1989
- Withdrawal Date
- 09-Aug-1989
- Current Stage
- 9599 - Withdrawal of International Standard
- Start Date
- 24-Aug-1995
- Completion Date
- 12-Feb-2026
Relations
- Consolidated By
ISO 2411:2000 - Rubber- or plastics-coated fabrics — Determination of coating adhesion - Effective Date
- 06-Jun-2022
- Effective Date
- 15-Apr-2008
- Effective Date
- 15-Apr-2008
Get Certified
Connect with accredited certification bodies for this standard
National Aerospace and Defense Contractors Accreditation Program (NADCAP)
Global cooperative program for special process quality in aerospace.
CARES (UK Certification Authority for Reinforcing Steels)
UK certification for reinforcing steels and construction.
DVS-ZERT GmbH
German welding certification society.
Sponsored listings
Frequently Asked Questions
ISO 5611:1989 is a standard published by the International Organization for Standardization (ISO). Its full title is "Cartridges, type A, for indexable inserts — Dimensions". This standard covers: Cartridges, type A, for indexable inserts — Dimensions
Cartridges, type A, for indexable inserts — Dimensions
ISO 5611:1989 is classified under the following ICS (International Classification for Standards) categories: 25.100 - Cutting tools. The ICS classification helps identify the subject area and facilitates finding related standards.
ISO 5611:1989 has the following relationships with other standards: It is inter standard links to ISO 2411:2000, ISO 5611:1981, ISO 5611:1995. Understanding these relationships helps ensure you are using the most current and applicable version of the standard.
ISO 5611:1989 is available in PDF format for immediate download after purchase. The document can be added to your cart and obtained through the secure checkout process. Digital delivery ensures instant access to the complete standard document.
Standards Content (Sample)
I N TE R NAT1 O NA L
IS0
STANDARD
561 I
Second edition
1989-08- 15
Cartridges, type A, for indexable inserts -
Dimensions
Cartouches du type A, à plaquettes amovibles - Dimensions
Reference number
IS0 5611 : 1989 (E)
IS0 5611 : 1989 (E)
Foreword
IS0 (the International Organization for Standardization) is a worldwide federation of
national standards bodies (IS0 member bodies). The work of preparing International
Standards is normally carried out through IS0 technical committees. Each member
body interested in a subject for which a technical committee has been established has
the right to be represented on that committee. International organizations, govern-
mental and non-governmental, in liaison with ISO, also take part in the work. IS0
collaborates closely with the International Electrotechnical Commission (IEC) on all
matters of electrotechnical standardization.
Draft International Standards adopted by the technical committees are circulated to
the member bodies for approval before their acceptance as International Standards by
the IS0 Council. They are approved in accordance with IS0 procedures requiring at
least 75 % approval by the member bodies voting.
International Standard IS0 5611 was prepared by Technical Committee ISO/TC 29,
Small tools.
This second edition cancels and replaces the first edition (IS0 5611 : 1981) and
IS0 561 1 : 1981 /Add. 1 : 1986, of which it constitutes a technical revision (addition of
cartridges with hl = 6 mm).
Annex A of this International Standard is for information only.
O IS0 1989
All rights reserved. No part of this publication may be reproduced or utilized in any form or by any
means, electronic or mechanical, including photocopying and microfilm, without permission in
writing from the publisher.
International Organization for Standardization
Case postale 56 0 CH-I21 1 Genève 20 0 Switzerland
Printed in Switzerland
INTERNATIONAL STANDARD IS05611 : 1989 (E)
Cartridges, type A, or ,ridexable inserts - Dimensions
2 Remarks
1 Scope
This International Standard specifies the general dimensions of The designation of cartridges is dealt with in IS0 5608;
type A cartridges for indexable inserts, and specifies preferred however, for cartridges, type A, the symbol CA shall be
cartridges (see clauses 4 and 5).
applied in reference @ of the code of symbolization, and for
cartridges with lengths in accordance with this International
Standard, the letter symbol identifying tool length is replaced
by a dash.
IS0 5611 : 1989 (E)
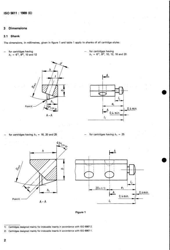
3 Dimensions
3.1 Shank
The dimensions, in millimetres, given in figure 1 and table , apply to shanks of all cartridge styles:
- for cartridges having
- for cartridges having
hl = el), B2), IO, 12, 16 and 20
h, = 6l), 82), 10 and 12
I
a
O 4 min.
0,4 min.
A-A
I
I
l
-
- for cartridges having hl = 25
for cartridges having hl = 16, 20 and 25
I l
l
J2-
I
201 0,13 el
c4
A
- 0,4min.
Point K 2
A-A 4
h
Figure 1
Cartridges designed mainly for indexable inserts in accordance with IS0 6987-2.
1)
2) Cartridges designed mainly for indexable inserts in accordance with IS0 6987-1.
::+-
IS0 5611 : 1989 (E)
Table 1
el 12 t d
hl h b
Fastening screw
I 0.08 max. max. f 0,13
6 83 6 12 4,5 385 4cn.5 M3,5
8 11 8 17 6 4,5 4,5 M4
10 15 11 20 8 5 7 M6
/16120/ 8 16 17 I M6 I
16 25 20 25 8 O 9 M8
20 30 20 30 10 O 9 M8
I 25 1 30 I 10 lo I 11 I M10 I
3.2 Identification of dimensions Il,fand hl
Xr > 90"
Xr=g 90'
I
Figure 2 Figure 3 Figure 4
K, > 90° (see figure 4). the point of intersection of
3.2.1 The length dimension II is the distance from the b) for
to the rounded corner.
specified point K (see figures 2, 3 and 4) to the end of the two mutually perpendicular tangents
shank, including the adjusting screw length 12 in its mid pos-
ition.
3.2.3 The corner radius r, of the master inserts used for the
Dimension f is the distance between the specified point K and
definition of dimensions II, f and hl is a function of the
the re
...
IS0
NORME
561 1
INTERNATIONALE
Deuxième édition
1989-08-15
Cartouches du type A, à plaquettes amovibles -
Dimensions
Cartridges, type A, for indexable inserts - Dimensions
Numéro de référence
IS0 5611 : 1989 (FI
IS0 5611 : 1989 (FI
Avant-propos
L'ISO (Organisation internationale de normalisation) est une fédération mondiale
d'organismes nationaux de normalisation (comités membres de I'ISO). L'élaboration
des Normes internationales est en général confiée aux comités techniques de I'ISO.
Chaque comité membre intéressé par une étude a le droit de faire partie du comité
technique créé à cet effet. Les organisations internationales, gouvernementales et non
gouvernementales, en liaison avec I'ISO participent également aux travaux. L'ISO col-
labore étroitement avec la Commission électrotechnique internationale (CEI) en ce qui
concerne la normalisation électrotechnique.
Les projets de Normes internationales adoptés par les comités techniques sont soumis
aux comités membres pour approbation, avant leur acceptation comme Normes inter-
nationales par le Conseil de I'ISO. Les Normes internationales sont approuvées confor-
mément aux procédures de I'ISO qui requièrent l'approbation de 75 % au moins des
comités membres votants.
La Norme internationale IS0 561 1 a été élaborée par le comité technique ISO/TC 29,
Petit outillage.
Cette deuxième édition annule et remplace la première édition (IS0 5611 : 1981) et
I'ISO 5611 : 1981/Add.l : 1986, dont elle constitue une révision technique (extension
aux cartouches de dimension hl = 6 mm).
L'annexe A de la présente Norme internationale est donnée uniquement à titre d'infor-
mation.
O IS0 1989
Droits de reproduction réservés. Aucune partie de cette publication ne peut être reproduite ni
utilisée sous quelque forme que ce soit et par aucun procédé, électronique ou mécanique,
y compris la photocopie et les microfilms, sans l'accord écrit de l'éditeur.
Organisation internationale de normalisation
Case postale 56 O CH-121 1 Genève 20 Suisse
Imprimé en Suisse
IS0 5611 : 1989 (FI
NORME INTERNATIONALE
Cartouches du type A, à plaquettes amovibles -
0 Dimensions
néanmoins, il y a lieu de préciser que, pour les cartouches du
1 Domaine d'application
type A, le symbole CA doit être employé au repère @ du
La présente Norme internationale prescrit les dimensions code de symbolisation et que, pour les cartouches de longueurs
générales des cartouches du type A, à plaquettes amovibles, et conformes à la présente Norme internationale, la lettre
spécifie les formes de cartouches recommandées (voir caractéristique pour la longueur de l'outil est remplacée par un
articles 4 et 5). tiret.
2 Remarques
La présente Norme internationale n'a pas pour but de redéfinir
la désignation des cartouches qui fait l'objet de I'ISO 5608;
IS0 5611 : 1989 (FI
3 Dimensions
3.1 Queue
Les dimensions, en millimètres, données a la figure 1 et dans le tableau 1 s’appliquent aux queues de tous les types de cartouches:
- pour les cartouches avec - pour les cartouches avec
h, = 6l), 82), 10 et 12 hl = 6l), 82), IO, 12, 16 et 20
I
II
Point K
A-A
-i
- pour les cartouches avec hl = 16, 20 et 25 - pour les cartouches avec hl = 25
I I I
J2-
I
20 f 0,13 el L
A
- 0,4min.
Point K 2
A-A 4
c.
Figure 1
1) Cartouches prévues principalement pour des plaquettes amovibles conformes à I’ISO 6987-2.
2) Cartouches prévues principalement pour des plaquettes amovibles conformes à I’ISO 6987-1.
IS0 5611 : 1989
Tableau 1
h
1 Vis de fixation
I *:.O8 I max. f 0,13
I
,
6 8,s 6 12 43 3,5 4+03 O M3,5
8 11 8 17 6 4,5 4r5 M4
10 15 11 20 8 5 7 M6
12 20 16 20 8 6 7 M6
16 25 20 25 8 O 9 M8
~ ~~ ~
-----
I
20 30 20 30 10 O 9
M8
25 35 25 30 10 O 11 MI0
3 Identification des cotes Il, f et hl
Xr > 90'
Xr<90° \ xr< 90'
I
Figure 2 Figure 3 Figure 4
3.2.1 La longueur Il est la distance du point K spécifié (voir b) pour K, > 90° (voir figure 4). point d'intersection de
figures 2, 3 et 4) à l'extrémité de la queue, vis de réglage com- deux tangentes, perpendiculaires entre elles, à l'arrondi de
pointe.
prise en position 12 moyenne.
La dimension f est la distance du point K spécifié à la surface
3.2.3 Le rayon de pointe r, des plaquettes étalons utilisées
d'adossement du cartouche, mesurée sur une plaquette étalon.
pour la définition des dimensions il,fet h, est fonct
...








Questions, Comments and Discussion
Ask us and Technical Secretary will try to provide an answer. You can facilitate discussion about the standard in here.
Loading comments...