ASTM D2168-10(2018)
(Practice)Standard Practices for Calibration of Laboratory Mechanical-Rammer Soil Compactors
Standard Practices for Calibration of Laboratory Mechanical-Rammer Soil Compactors
SIGNIFICANCE AND USE
3.1 Mechanical compactors are commonly used to replace the hand compactors required for Test Methods D698 and D1557 in cases where it is necessary to increase production.
3.2 The design of mechanical compactors is such that it is necessary to have a calibration process that goes beyond determining the mass and drop of the hammer.
Note 1: The quality of the result produced by this standard is dependent on the competence of the personnel performing it, and the suitability of the equipment and facilities used. Agencies that meet the criteria in Practice D3740 are generally considered capable of competent and objective testing/sampling/inspection/and the like. Users of this standard are cautioned that compliance with Practice D3740 does not in itself assure reliable results. Reliable results depend on many factors; Practice D3740 provides a means of evaluating some of those factors.
SCOPE
1.1 These practices for the calibration of mechanical soil compactors are for use in checking and adjusting mechanical devices used in laboratory compacting of soil and soil-aggregate in accordance with Test Methods D698, D1557, Practice D6026, and other methods of a similar nature that might specify these practices. Calibration for use with one practice does not qualify the equipment for use with another practice.
1.2 The weight of the mechanical rammer is adjusted as described in 5.4 and 6.5 in order to provide for the mechanical compactor to produce the same result as the manual compactor.
1.3 Two alternative procedures are provided as follows:
Section
Practice A
Calibration based on the compaction of a
selected soil sample
5
Practice B
Calibration based on the deformation of a
standard lead cylinder
6
1.4 If a mechanical compactor is calibrated in accordance with the requirements of either Practice A or Practice B, it is not necessary for the mechanical compactor to meet the requirements of the other practice.
1.5 The values stated in inch-pound units are to be regarded as the standard. The values given in parentheses are for information only.
1.5.1 It is common practice in the engineering profession to concurrently use pounds to represent both a unit of mass (lbm) and a force (lbf). This implicitly combines two separate systems of units; that is, the absolute system and the gravitational system. It is scientifically undesirable to combine the use of two separate sets of inch-pound units within a single standard. This standard has been written using the gravitational system of units when dealing with the inch-pound system. In this system, the pound (lbf) represents a unit of force (weight). However, the use of balances or scales recording pounds of mass (lbm) or the recording of density in lbm/ft3 shall not be regarded as a nonconformance with this standard.
1.6 This standard does not purport to address all of the safety concerns, if any, associated with its use. It is the responsibility of the user of this standard to establish appropriate safety, health, and environmental practices and determine the applicability of regulatory limitations prior to use.
1.7 This international standard was developed in accordance with internationally recognized principles on standardization established in the Decision on Principles for the Development of International Standards, Guides and Recommendations issued by the World Trade Organization Technical Barriers to Trade (TBT) Committee.
General Information
- Status
- Published
- Publication Date
- 30-Jun-2018
- Technical Committee
- D18 - Soil and Rock
- Drafting Committee
- D18.03 - Texture, Plasticity and Density Characteristics of Soils
Relations
- Effective Date
- 01-Jul-2018
- Effective Date
- 01-Nov-2023
- Effective Date
- 01-Oct-2019
- Effective Date
- 01-Mar-2019
- Effective Date
- 15-Dec-2017
- Effective Date
- 15-Dec-2017
- Effective Date
- 01-Aug-2014
- Effective Date
- 01-Oct-2013
- Effective Date
- 01-May-2012
- Effective Date
- 01-May-2012
- Effective Date
- 01-May-2012
- Effective Date
- 01-May-2012
- Effective Date
- 01-Mar-2012
- Refers
ASTM E145-94(2011) - Standard Specification for Gravity-Convection and Forced-Ventilation Ovens - Effective Date
- 01-Dec-2011
- Effective Date
- 01-Sep-2011
Overview
ASTM D2168-10(2018) - Standard Practices for Calibration of Laboratory Mechanical-Rammer Soil Compactors provides comprehensive guidelines for the calibration of mechanical soil compactors used in laboratory settings. This standard is developed and maintained by ASTM International and specifies methods to ensure that mechanical rammer compactors deliver results consistent with manual compactors, as required in widely used soil compaction test methods like ASTM D698 and ASTM D1557.
Mechanical soil compactors are essential for high-production laboratory compaction of soil and soil-aggregate mixtures. Proper calibration guarantees that these devices operate within acceptable tolerances, helping ensure reliable, repeatable, and accurate soil compaction test results. The standard offers two alternative procedures, Practice A (based on soil sample compaction) and Practice B (based on lead cylinder deformation), allowing flexibility based on laboratory requirements and available apparatus.
Key Topics
- Calibration Process: D2168 details step-by-step procedures for verifying and adjusting mechanical rammer operation, extending beyond basic checks like hammer mass and drop height. This ensures compliance with precise laboratory compaction requirements.
- Compactor Evaluation: The standard requires routine inspection, cleaning, adjustment, and lubrication of both mechanical and manual compactors to ensure optimal performance and accurate results.
- Alternative Calibration Methods:
- Practice A: Calibration based on the compaction of a selected soil sample, suitable for laboratories routinely working with soil classification and unit weight determination.
- Practice B: Calibration based on the deformation of standard lead cylinders using a specialized apparatus, offering a more material-independent calibration approach.
- Measurement Standards: All measurements are specified in inch-pound (gravitational) units, with additional information provided for mass and density in other units.
- Reporting Requirements: The standard stipulates comprehensive documentation of calibration procedures, results, and equipment adjustments for traceability and quality assurance.
Applications
- Geotechnical Laboratories: Ensures the accuracy and consistency of soil compaction tests used in construction material evaluation, foundation design, and quality control.
- Construction Materials Testing: Verifies that mechanical compactors used for soil-aggregate mixes produce consistent and reliable results as part of project quality assurance.
- Calibration Facilities: Accredited agencies and third-party service providers utilize ASTM D2168 to certify laboratory compactors, helping laboratories maintain accreditation and compliance.
- Training and Competency: Promotes best practices for lab personnel, emphasizing the importance of proper compactor maintenance, calibration, and operation to achieve high-quality, reproducible test data.
Related Standards
- ASTM D698 - Test Methods for Laboratory Compaction Characteristics of Soil Using Standard Effort
- ASTM D1557 - Test Methods for Laboratory Compaction Characteristics of Soil Using Modified Effort
- ASTM D2487 - Practice for Classification of Soils for Engineering Purposes
- ASTM D3740 - Practice for Minimum Requirements for Agencies Engaged in Testing and/or Inspection of Soil and Rock
- ASTM D6026 - Practice for Using Significant Digits in Geotechnical Data
- ASTM E11 - Specification for Woven Wire Test Sieve Cloth and Test Sieves
- ASTM E145 - Specification for Gravity-Convection and Forced-Ventilation Ovens
By following ASTM D2168-10(2018), laboratories and testing facilities can ensure their mechanical soil compactors are accurately calibrated, enhancing the integrity of laboratory compaction results and supporting technically sound construction and earthwork practices. This standard is critical for anyone involved in soil compaction testing, quality assurance, and laboratory equipment calibration.
Buy Documents
ASTM D2168-10(2018) - Standard Practices for Calibration of Laboratory Mechanical-Rammer Soil Compactors
Get Certified
Connect with accredited certification bodies for this standard

NSF International
Global independent organization facilitating standards development and certification.
CIS Institut d.o.o.
Personal Protective Equipment (PPE) certification body. Notified Body NB-2890 for EU Regulation 2016/425 PPE.

Kiwa BDA Testing
Building and construction product certification.
Sponsored listings
Frequently Asked Questions
ASTM D2168-10(2018) is a standard published by ASTM International. Its full title is "Standard Practices for Calibration of Laboratory Mechanical-Rammer Soil Compactors". This standard covers: SIGNIFICANCE AND USE 3.1 Mechanical compactors are commonly used to replace the hand compactors required for Test Methods D698 and D1557 in cases where it is necessary to increase production. 3.2 The design of mechanical compactors is such that it is necessary to have a calibration process that goes beyond determining the mass and drop of the hammer. Note 1: The quality of the result produced by this standard is dependent on the competence of the personnel performing it, and the suitability of the equipment and facilities used. Agencies that meet the criteria in Practice D3740 are generally considered capable of competent and objective testing/sampling/inspection/and the like. Users of this standard are cautioned that compliance with Practice D3740 does not in itself assure reliable results. Reliable results depend on many factors; Practice D3740 provides a means of evaluating some of those factors. SCOPE 1.1 These practices for the calibration of mechanical soil compactors are for use in checking and adjusting mechanical devices used in laboratory compacting of soil and soil-aggregate in accordance with Test Methods D698, D1557, Practice D6026, and other methods of a similar nature that might specify these practices. Calibration for use with one practice does not qualify the equipment for use with another practice. 1.2 The weight of the mechanical rammer is adjusted as described in 5.4 and 6.5 in order to provide for the mechanical compactor to produce the same result as the manual compactor. 1.3 Two alternative procedures are provided as follows: Section Practice A Calibration based on the compaction of a selected soil sample 5 Practice B Calibration based on the deformation of a standard lead cylinder 6 1.4 If a mechanical compactor is calibrated in accordance with the requirements of either Practice A or Practice B, it is not necessary for the mechanical compactor to meet the requirements of the other practice. 1.5 The values stated in inch-pound units are to be regarded as the standard. The values given in parentheses are for information only. 1.5.1 It is common practice in the engineering profession to concurrently use pounds to represent both a unit of mass (lbm) and a force (lbf). This implicitly combines two separate systems of units; that is, the absolute system and the gravitational system. It is scientifically undesirable to combine the use of two separate sets of inch-pound units within a single standard. This standard has been written using the gravitational system of units when dealing with the inch-pound system. In this system, the pound (lbf) represents a unit of force (weight). However, the use of balances or scales recording pounds of mass (lbm) or the recording of density in lbm/ft3 shall not be regarded as a nonconformance with this standard. 1.6 This standard does not purport to address all of the safety concerns, if any, associated with its use. It is the responsibility of the user of this standard to establish appropriate safety, health, and environmental practices and determine the applicability of regulatory limitations prior to use. 1.7 This international standard was developed in accordance with internationally recognized principles on standardization established in the Decision on Principles for the Development of International Standards, Guides and Recommendations issued by the World Trade Organization Technical Barriers to Trade (TBT) Committee.
SIGNIFICANCE AND USE 3.1 Mechanical compactors are commonly used to replace the hand compactors required for Test Methods D698 and D1557 in cases where it is necessary to increase production. 3.2 The design of mechanical compactors is such that it is necessary to have a calibration process that goes beyond determining the mass and drop of the hammer. Note 1: The quality of the result produced by this standard is dependent on the competence of the personnel performing it, and the suitability of the equipment and facilities used. Agencies that meet the criteria in Practice D3740 are generally considered capable of competent and objective testing/sampling/inspection/and the like. Users of this standard are cautioned that compliance with Practice D3740 does not in itself assure reliable results. Reliable results depend on many factors; Practice D3740 provides a means of evaluating some of those factors. SCOPE 1.1 These practices for the calibration of mechanical soil compactors are for use in checking and adjusting mechanical devices used in laboratory compacting of soil and soil-aggregate in accordance with Test Methods D698, D1557, Practice D6026, and other methods of a similar nature that might specify these practices. Calibration for use with one practice does not qualify the equipment for use with another practice. 1.2 The weight of the mechanical rammer is adjusted as described in 5.4 and 6.5 in order to provide for the mechanical compactor to produce the same result as the manual compactor. 1.3 Two alternative procedures are provided as follows: Section Practice A Calibration based on the compaction of a selected soil sample 5 Practice B Calibration based on the deformation of a standard lead cylinder 6 1.4 If a mechanical compactor is calibrated in accordance with the requirements of either Practice A or Practice B, it is not necessary for the mechanical compactor to meet the requirements of the other practice. 1.5 The values stated in inch-pound units are to be regarded as the standard. The values given in parentheses are for information only. 1.5.1 It is common practice in the engineering profession to concurrently use pounds to represent both a unit of mass (lbm) and a force (lbf). This implicitly combines two separate systems of units; that is, the absolute system and the gravitational system. It is scientifically undesirable to combine the use of two separate sets of inch-pound units within a single standard. This standard has been written using the gravitational system of units when dealing with the inch-pound system. In this system, the pound (lbf) represents a unit of force (weight). However, the use of balances or scales recording pounds of mass (lbm) or the recording of density in lbm/ft3 shall not be regarded as a nonconformance with this standard. 1.6 This standard does not purport to address all of the safety concerns, if any, associated with its use. It is the responsibility of the user of this standard to establish appropriate safety, health, and environmental practices and determine the applicability of regulatory limitations prior to use. 1.7 This international standard was developed in accordance with internationally recognized principles on standardization established in the Decision on Principles for the Development of International Standards, Guides and Recommendations issued by the World Trade Organization Technical Barriers to Trade (TBT) Committee.
ASTM D2168-10(2018) is classified under the following ICS (International Classification for Standards) categories: 13.080.99 - Other standards related to soil quality. The ICS classification helps identify the subject area and facilitates finding related standards.
ASTM D2168-10(2018) has the following relationships with other standards: It is inter standard links to ASTM D2168-10, ASTM D3740-23, ASTM D3740-19, ASTM E145-19, ASTM D2487-17e1, ASTM D2487-17, ASTM D653-14, ASTM E11-13, ASTM D698-12, ASTM D3740-12a, ASTM D1557-12, ASTM D698-12e1, ASTM D3740-12, ASTM E145-94(2011), ASTM D653-11. Understanding these relationships helps ensure you are using the most current and applicable version of the standard.
ASTM D2168-10(2018) is available in PDF format for immediate download after purchase. The document can be added to your cart and obtained through the secure checkout process. Digital delivery ensures instant access to the complete standard document.
Standards Content (Sample)
This international standard was developed in accordance with internationally recognized principles on standardization established in the Decision on Principles for the
Development of International Standards, Guides and Recommendations issued by the World Trade Organization Technical Barriers to Trade (TBT) Committee.
Designation: D2168 − 10 (Reapproved 2018)
Standard Practices for
Calibration of Laboratory Mechanical-Rammer Soil
Compactors
This standard is issued under the fixed designation D2168; the number immediately following the designation indicates the year of
original adoption or, in the case of revision, the year of last revision. A number in parentheses indicates the year of last reapproval. A
superscript epsilon (´) indicates an editorial change since the last revision or reapproval.
This standard has been approved for use by agencies of the U.S. Department of Defense.
1. Scope However, the use of balances or scales recording pounds of
mass (lbm) or the recording of density in lbm/ft shall not be
1.1 These practices for the calibration of mechanical soil
regarded as a nonconformance with this standard.
compactors are for use in checking and adjusting mechanical
1.6 This standard does not purport to address all of the
devices used in laboratory compacting of soil and soil-
safety concerns, if any, associated with its use. It is the
aggregate in accordance with Test Methods D698, D1557,
responsibility of the user of this standard to establish appro-
Practice D6026, and other methods of a similar nature that
priate safety, health, and environmental practices and deter-
might specify these practices. Calibration for use with one
mine the applicability of regulatory limitations prior to use.
practice does not qualify the equipment for use with another
1.7 This international standard was developed in accor-
practice.
dance with internationally recognized principles on standard-
1.2 The weight of the mechanical rammer is adjusted as
ization established in the Decision on Principles for the
described in 5.4 and 6.5 in order to provide for the mechanical
Development of International Standards, Guides and Recom-
compactortoproducethesameresultasthemanualcompactor.
mendations issued by the World Trade Organization Technical
1.3 Two alternative procedures are provided as follows:
Barriers to Trade (TBT) Committee.
Section
Practice A Calibration based on the compaction of a 5
2. Referenced Documents
selected soil sample
Practice B Calibration based on the deformation of a 6 2.1 ASTM Standards:
standard lead cylinder
D653 Terminology Relating to Soil, Rock, and Contained
1.4 If a mechanical compactor is calibrated in accordance
Fluids
with the requirements of either Practice A or Practice B, it is
D698 Test Methods for Laboratory Compaction Character-
not necessary for the mechanical compactor to meet the
istics of Soil Using Standard Effort (12,400 ft-lbf/ft (600
requirements of the other practice.
kN-m/m ))
D1557 Test Methods for Laboratory Compaction Character-
1.5 The values stated in inch-pound units are to be regarded
istics of Soil Using Modified Effort (56,000 ft-lbf/ft
as the standard. The values given in parentheses are for
(2,700 kN-m/m ))
information only.
D2487 Practice for Classification of Soils for Engineering
1.5.1 It is common practice in the engineering profession to
Purposes (Unified Soil Classification System)
concurrently use pounds to represent both a unit of mass (lbm)
D3740 Practice for Minimum Requirements for Agencies
and a force (lbf). This implicitly combines two separate
Engaged in Testing and/or Inspection of Soil and Rock as
systems of units; that is, the absolute system and the gravita-
Used in Engineering Design and Construction
tional system. It is scientifically undesirable to combine the use
D6026 Practice for Using Significant Digits in Geotechnical
of two separate sets of inch-pound units within a single
Data
standard.This standard has been written using the gravitational
E11 Specification for Woven Wire Test Sieve Cloth and Test
system of units when dealing with the inch-pound system. In
Sieves
this system, the pound (lbf) represents a unit of force (weight).
E145 Specification for Gravity-Convection and Forced-
Ventilation Ovens
ThesepracticesareunderthejurisdictionofASTMCommitteeD18onSoiland
Rock and are the direct responsibility of Subcommittee D18.03 on Texture,
Plasticity and Density Characteristics of Soils. For referenced ASTM standards, visit the ASTM website, www.astm.org, or
Current edition approved July 1, 2018. Published July 2018. Originally appr- contact ASTM Customer Service at service@astm.org. For Annual Book of ASTM
roved in 1990. Last previous edition approved in 2010 as D2168–10. DOI: Standards volume information, refer to the standard’s Document Summary page on
10.1520/D2168-10R18. the ASTM website.
*A Summary of Changes section appears at the end of this standard
Copyright © ASTM International, 100 Barr Harbor Drive, PO Box C700, West Conshohocken, PA 19428-2959. United States
D2168 − 10 (2018)
3. Significance and Use 5. Procedure—Practice A
3.1 Mechanical compactors are commonly used to replace 5.1 Evaluate the mechanical and manual compactors for
the hand compactors required for Test Methods D698 and evidence of wear, malfunction, and need of servicing and
D1557 in cases where it is necessary to increase production. adjustment.Clean,adjust,andlubricatethecompactorssoasto
meet all requirements of the manufacturer, and the applicable
3.2 The design of mechanical compactors is such that it is
method under which they will be used and for which the
necessary to have a calibration process that goes beyond
mechanical compactor is to be calibrated. Operate the compac-
determining the mass and drop of the hammer.
tor for a minimum of 25 drops to cause friction in the parts to
NOTE 1—The quality of the result produced by this standard is
become constant, allowing the rammer to fall on soil or other
dependent on the competence of the personnel performing it, and the
suitability of the equipment and facilities used. Agencies that meet the
soft material.
criteria in Practice D3740 are generally considered capable of competent
NOTE 3—In order to provide satisfactory results, mechanical compac-
and objective testing/sampling/inspection/and the like. Users of this
tors must be in excellent working condition. Improper operation of the
standard are cautioned that compliance with Practice D3740 does not in
raising and release mechanisms can introduce serious errors.
itself assure reliable results. Reliable results depend on many factors;
Practice D3740 provides a means of evaluating some of those factors.
5.2 Obtain approximately 50 lb (23 kg) of soil classified as
CL in accordance with Classification D2487. If excessive
4. Apparatus
moistureispresent,drythesoiluntilitbecomesfriable.Drying
4.1 For PracticeA, in addition to the apparatus requirements
may be in air or by use of a drying apparatus such that the
specified in Test Methods D698 and D1557, the following is
temperature of the sample does not exceed 140°F (60°C). Pass
required:
the soil through a No. 4 (4.75-mm) sieve conforming to the
4.1.1 DryingOven—Thermostatically controlled oven, pref-
requirements of Specification E11. Discard any material re-
erably of the forced-draft type, meeting the requirements for
maining on the sieve, and thoroughly blend the material
Specification E145 and capable of maintaining a uniform
passing the sieve until it is uniform. The material shall then be
temperature of 140 6 5°F (60 6 3°C) throughout the drying
prepared for compaction in accordance with either Methods
chamber.
D698 or D1557 as appropriate for the mechanical compactor
4.2 For Practice B, in addition to the apparatus requirements
being calibrated.
specified in Test Methods D698 and D1557, the following are
NOTE 4—The amount of soil used will vary greatly depending on the
required:
number of water content unit mass determinations required.
4.2.1 Lead Deformation Apparatus—A lead deformation
5.3 Using the soil prepared in accordance with 5.2, deter-
apparatus consisting of an anvil, guide collar, and striking pin,
mine optimum moisture and maximum dry unit weight by
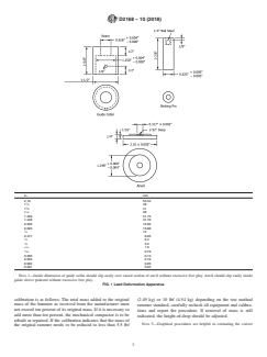
as shown in Fig. 1.
MethodAof eitherTest Methods D698 or D1557 or whichever
4.2.2 Micrometer—Aone-inch (25-mm) outside micrometer
method is appropriate for the mechanical compactor being
or caliper reading to 0.001 in. (0.02 mm), for determining the
calibrated. Prepare one curve using the mechanical compactor
length of the lead cylinders. As an alternative, a one-inch
and another using the manual compactor. Record the values of
(25-mm) dial comparator reading to 0.001 in. (0.02 mm) may
γ , the maximum dry unit weight obtained with the manual
max
be used to determine either the length of the lead cylinder, or
compactor, and γ' , the maximum dry unit weight obtained
max
of the complete lead deformation apparatus assembly. To
with the mechanical compactor.
measure the complete assembly, a dial comparator with a
minimum opening of 2 in. (50 mm) is required (see Fig. 2). 5.4 Determine W, the percentage difference of maximum
dry unit weight values for a single set of data (see Section 7).
NOTE 2—The use of vernier calipers is not recommended since the
If the absolute value of W is equal to or less than 2.0, the
vernier calipers can produce erroneous readings if not zeroed correctly, or
mechanical compactor is satisfactory for immediate use. If the
if the vernier caliper is not of high quality.
absolute value of W is greater than 2.0, then obtain two
4.2.3 Guide Sleeve Pedestal—A guide sleeve pedestal for
additional sets of data. Use the same soil sample, prepared in
use with guide sleeves used to control the drop of the manual
accordance with 5.2, that was used previously. Determine W,
rammers in Test Methods D698 and D1557 (see Fig. 3).
the average percentage difference of maximum dry unit mass
4.2.4 Test Cylinders—A supply of commercially pure lead
values for three sets of data (see Section 7). If the absolute
test cylinders having individual weights such that the lightest
value of W is equal to or less than 2.0, the mechanical
cylinder is within 0.06 g of the heaviest, each having a length
compactor is satisfactory for immediate use. If the absolute
of 0.675 6 0.005 in. (17.1 6 0.1 mm) and a diameter of 0.310
¯
3 value of¯W is greater than 2.0, then adjust the rammer mass of
6 0.002 in. (7.87 6 0.05 mm). A minimum of ten test
the mechanical compactor in accordance with 5.5. Then secure
cylinders is required for the calibration of one mechanical
¯
three new values of γ' and compute a new value of W.
max
compactor. However, depending on circumstances, as many as
¯
Repeat this procedure until the absolute value of W is equal to
100 test cylinders may be required.
or less than 2.0.
5.5 Make changes in the weight of the mechanical hammer
The sole source of supply of the lead test cylinders known to the committee at
this time is Hornady Manufacturing Co., P.O. Box 1848, Grand Island, Nebr. 68801
with due consideration to good workmanship. Makeshift modi-
in lots of 500. If you are aware of alternative suppliers, please provide this
fications that could affect the operation
...




Questions, Comments and Discussion
Ask us and Technical Secretary will try to provide an answer. You can facilitate discussion about the standard in here.
Loading comments...