ASTM D7082-21
(Specification)Standard Specification for Polyethylene Stay In Place Form System for End Walls for Drainage Pipe
Standard Specification for Polyethylene Stay In Place Form System for End Walls for Drainage Pipe
ABSTRACT
This specification addresses the requirements for polyethylene stay in place forms for end walls or head walls for use with standard storm drainage systems. The wall form system consists of a base wall form, a cap, an optional riser to adjust the height of the wall above the pipe, and an optional adaptor to adjust the pipe opening to accommodate smaller pipe sizes. The form system is manufactured using the rotational molding process and is available in different colors. The plastic shall be tested for its deflection temperature, flexural properties, melt flow rate, and density.
SCOPE
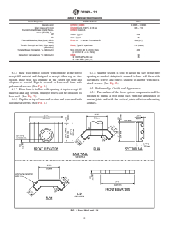
1.1 This specification addresses the requirements for polyethylene stay in place forms for end walls or head walls for use with standard storm drainage systems.
1.2 The wall form system consists of a base wall form, a cap, an optional riser to adjust the height of the wall above the pipe, and an optional adaptor to adjust the pipe opening to accommodate smaller pipe sizes.
1.3 The form system is manufactured using the rotational molding process and is available in different colors.
1.4 The values stated in SI units are to be regarded as the standard, the inch-pounds in parentheses are given for information only.
1.5 This standard does not purport to address all of the safety concerns, if any, associated with its use. It is the responsibility of the user of this standard to establish appropriate safety, health, and environmental practices and determine the applicability of regulatory limitations prior to use.
Note 1: There is no known ISO equivalent to this standard.
1.6 This international standard was developed in accordance with internationally recognized principles on standardization established in the Decision on Principles for the Development of International Standards, Guides and Recommendations issued by the World Trade Organization Technical Barriers to Trade (TBT) Committee.
General Information
- Status
- Published
- Publication Date
- 30-Apr-2021
- Technical Committee
- D20 - Plastics
- Drafting Committee
- D20.24 - Plastic Building Products
Relations
- Effective Date
- 01-Feb-2024
- Refers
ASTM D1238-23a - Standard Test Method for Melt Flow Rates of Thermoplastics by Extrusion Plastometer - Effective Date
- 15-Nov-2023
- Effective Date
- 01-Nov-2023
- Effective Date
- 01-Jan-2020
- Effective Date
- 01-Aug-2019
- Effective Date
- 15-Apr-2019
- Effective Date
- 01-Feb-2019
- Effective Date
- 01-Dec-2018
- Effective Date
- 01-Nov-2018
- Effective Date
- 01-Nov-2018
- Effective Date
- 01-Apr-2018
- Refers
ASTM D1600-18 - Standard Terminology for Abbreviated Terms Relating to Plastics (Withdrawn 2024) - Effective Date
- 01-Jan-2018
- Effective Date
- 15-Aug-2017
- Effective Date
- 01-Jul-2017
- Effective Date
- 01-Dec-2015
Overview
ASTM D7082-21 establishes the standard specification for polyethylene stay in place form systems for end walls (or head walls) for drainage pipe in stormwater infrastructure projects. Developed by ASTM Committee D20, this international standard defines requirements for the materials, design, manufacturing processes, and performance criteria for form systems used at the inlets and outlets of standard storm drainage pipes. The standard provides guidance for manufacturers, designers, and contractors ensuring consistent product quality and compatibility with modern drainage systems.
Key Topics
- Scope of Standard
- Covers polyethylene form systems for both end walls and head walls in stormwater applications.
- The system is composed of a base wall form, cap, optional risers for height adjustment, and optional adaptors for different pipe diameters.
- Manufactured using a rotational molding process.
- Materials & Physical Properties
- Only virgin polyethylene is permitted, ensuring long-term durability, chemical resistance, and environmental performance.
- Material characteristics include deflection temperature, melt index, flexural modulus, tensile strength, elongation, density, and environmental stress crack resistance.
- System Design & Components
- Modular solution allows for onsite adjustment using risers and adaptors.
- Designed to integrate securely with drainage pipes through mechanical fastening.
- Surface finish mimics split stone appearance for aesthetic integration.
- Testing & Quality Assurance
- Testing in accordance with referenced ASTM methods for physical and structural properties.
- Certification and traceability requirements for manufacturers.
- Marking & Packaging
- Products must be clearly marked with “ASTM”, specification number, material designation (PE), product name, and manufacturer’s identification.
- Health, Safety, and Environmental Considerations
- Users must establish appropriate practices related to safety, health, and environmental protection.
Applications
This standard is widely applied in the construction, civil engineering, and stormwater management sectors, offering a reliable approach to installing headwalls and end walls during the deployment of storm drainage systems. Some common practical uses include:
- Storm Drainage Projects: Providing structural formwork at pipe inlets and outlets to control erosion and support infrastructure.
- Municipal Infrastructure: Used in road, highway, and site drainage to improve system longevity and reduce maintenance.
- Land Development: Supports effective water flow management for commercial, residential, and industrial sites.
- Aesthetic Integration: The stone-mimicking finish allows usage in locations where visual fit with landscaping or architecture is important.
Benefits of adopting polyethylene forms produced under ASTM D7082-21 include ease of installation, resistance to corrosion and weathering, adaptability to varying site conditions, and consistent product quality.
Related Standards
Several referenced ASTM standards ensure the quality and performance of polyethylene form systems, including:
- ASTM D638 - Test Method for Tensile Properties of Plastics
- ASTM D648 - Test Method for Deflection Temperature of Plastics Under Flexural Load
- ASTM D790 - Test Methods for Flexural Properties of Plastics
- ASTM D1238 - Test Method for Melt Flow Rates of Thermoplastics
- ASTM D1505 / D4883 - Test Method for Density of Plastics
- ASTM D1693 - Test Method for Environmental Stress-Cracking of Ethylene Plastics
These standards collectively address the necessary criteria for durability, performance, and material values ensuring compatibility with storm drainage requirements. There is currently no ISO equivalent for ASTM D7082-21.
Keywords: polyethylene stay in place form, drainage pipe end walls, ASTM D7082, headwall, stormwater management, rotational molding, drainage infrastructure standard.
Buy Documents
ASTM D7082-21 - Standard Specification for Polyethylene Stay In Place Form System for End Walls for Drainage Pipe
REDLINE ASTM D7082-21 - Standard Specification for Polyethylene Stay In Place Form System for End Walls for Drainage Pipe
Get Certified
Connect with accredited certification bodies for this standard
Zavod za gradbeništvo Slovenije (ZAG) - Inšpekcija
ZAG inspection body for construction products, structures, and materials.
Sponsored listings
Frequently Asked Questions
ASTM D7082-21 is a technical specification published by ASTM International. Its full title is "Standard Specification for Polyethylene Stay In Place Form System for End Walls for Drainage Pipe". This standard covers: ABSTRACT This specification addresses the requirements for polyethylene stay in place forms for end walls or head walls for use with standard storm drainage systems. The wall form system consists of a base wall form, a cap, an optional riser to adjust the height of the wall above the pipe, and an optional adaptor to adjust the pipe opening to accommodate smaller pipe sizes. The form system is manufactured using the rotational molding process and is available in different colors. The plastic shall be tested for its deflection temperature, flexural properties, melt flow rate, and density. SCOPE 1.1 This specification addresses the requirements for polyethylene stay in place forms for end walls or head walls for use with standard storm drainage systems. 1.2 The wall form system consists of a base wall form, a cap, an optional riser to adjust the height of the wall above the pipe, and an optional adaptor to adjust the pipe opening to accommodate smaller pipe sizes. 1.3 The form system is manufactured using the rotational molding process and is available in different colors. 1.4 The values stated in SI units are to be regarded as the standard, the inch-pounds in parentheses are given for information only. 1.5 This standard does not purport to address all of the safety concerns, if any, associated with its use. It is the responsibility of the user of this standard to establish appropriate safety, health, and environmental practices and determine the applicability of regulatory limitations prior to use. Note 1: There is no known ISO equivalent to this standard. 1.6 This international standard was developed in accordance with internationally recognized principles on standardization established in the Decision on Principles for the Development of International Standards, Guides and Recommendations issued by the World Trade Organization Technical Barriers to Trade (TBT) Committee.
ABSTRACT This specification addresses the requirements for polyethylene stay in place forms for end walls or head walls for use with standard storm drainage systems. The wall form system consists of a base wall form, a cap, an optional riser to adjust the height of the wall above the pipe, and an optional adaptor to adjust the pipe opening to accommodate smaller pipe sizes. The form system is manufactured using the rotational molding process and is available in different colors. The plastic shall be tested for its deflection temperature, flexural properties, melt flow rate, and density. SCOPE 1.1 This specification addresses the requirements for polyethylene stay in place forms for end walls or head walls for use with standard storm drainage systems. 1.2 The wall form system consists of a base wall form, a cap, an optional riser to adjust the height of the wall above the pipe, and an optional adaptor to adjust the pipe opening to accommodate smaller pipe sizes. 1.3 The form system is manufactured using the rotational molding process and is available in different colors. 1.4 The values stated in SI units are to be regarded as the standard, the inch-pounds in parentheses are given for information only. 1.5 This standard does not purport to address all of the safety concerns, if any, associated with its use. It is the responsibility of the user of this standard to establish appropriate safety, health, and environmental practices and determine the applicability of regulatory limitations prior to use. Note 1: There is no known ISO equivalent to this standard. 1.6 This international standard was developed in accordance with internationally recognized principles on standardization established in the Decision on Principles for the Development of International Standards, Guides and Recommendations issued by the World Trade Organization Technical Barriers to Trade (TBT) Committee.
ASTM D7082-21 is classified under the following ICS (International Classification for Standards) categories: 93.030 - External sewage systems. The ICS classification helps identify the subject area and facilitates finding related standards.
ASTM D7082-21 has the following relationships with other standards: It is inter standard links to ASTM D883-24, ASTM D1238-23a, ASTM D883-23, ASTM D883-20, ASTM D883-19c, ASTM D883-19a, ASTM D883-19, ASTM D883-18a, ASTM D883-18, ASTM D4883-18, ASTM D648-18, ASTM D1600-18, ASTM D883-17, ASTM D790-17, ASTM D790-15e1. Understanding these relationships helps ensure you are using the most current and applicable version of the standard.
ASTM D7082-21 is available in PDF format for immediate download after purchase. The document can be added to your cart and obtained through the secure checkout process. Digital delivery ensures instant access to the complete standard document.
Standards Content (Sample)
This international standard was developed in accordance with internationally recognized principles on standardization established in the Decision on Principles for the
Development of International Standards, Guides and Recommendations issued by the World Trade Organization Technical Barriers to Trade (TBT) Committee.
Designation:D7082 −21 An American National Standard
Standard Specification for
Polyethylene Stay In Place Form System for End Walls for
Drainage Pipe
This standard is issued under the fixed designation D7082; the number immediately following the designation indicates the year of
original adoption or, in the case of revision, the year of last revision. A number in parentheses indicates the year of last reapproval. A
superscript epsilon (´) indicates an editorial change since the last revision or reapproval.
1. Scope* D790 Test Methods for Flexural Properties of Unreinforced
and Reinforced Plastics and Electrical Insulating Materi-
1.1 This specification addresses the requirements for poly-
als
ethylene stay in place forms for end walls or head walls for use
D883 Terminology Relating to Plastics
with standard storm drainage systems.
D1238 Test Method for Melt Flow Rates of Thermoplastics
1.2 The wall form system consists of a base wall form, a
by Extrusion Plastometer
cap, an optional riser to adjust the height of the wall above the
D1505 Test Method for Density of Plastics by the Density-
pipe, and an optional adaptor to adjust the pipe opening to
Gradient Technique
accommodate smaller pipe sizes.
D1600 Terminology forAbbreviatedTerms Relating to Plas-
tics
1.3 The form system is manufactured using the rotational
molding process and is available in different colors. D1693 Test Method for Environmental Stress-Cracking of
Ethylene Plastics
1.4 The values stated in SI units are to be regarded as the
D4883 Test Method for Density of Polyethylene by the
standard, the inch-pounds in parentheses are given for infor-
Ultrasound Technique
mation only.
1.5 This standard does not purport to address all of the
3. Terminology
safety concerns, if any, associated with its use. It is the
3.1 Definitions:
responsibility of the user of this standard to establish appro-
3.1.1 For definitions of terms that appear in this practice
priate safety, health, and environmental practices and deter-
relating to plastics, refer to Terminology D883. For abbrevia-
mine the applicability of regulatory limitations prior to use.
tions used in this practice, refer to Terminology D1600.
NOTE 1—There is no known ISO equivalent to this standard.
3.1.2 end wall—a wall installed at the outlet of a storm
1.6 This international standard was developed in accor- drainage pipe.
dance with internationally recognized principles on standard-
3.1.3 head wall—a wall installed at the inlet of a storm
ization established in the Decision on Principles for the
drainage pipe.
Development of International Standards, Guides and Recom-
mendations issued by the World Trade Organization Technical
4. Ordering Information
Barriers to Trade (TBT) Committee.
4.1 Number and color of base wall forms,
2. Referenced Documents
4.2 Number and color of riser forms,
2.1 ASTM Standards:
4.3 Number and color of caps, and
D638 Test Method for Tensile Properties of Plastics
4.4 Number, color and size of adaptors.
D648 Test Method for Deflection Temperature of Plastics
Under Flexural Load in the Edgewise Position
5. Materials and Manufacture
5.1 The material used shall be a polyethylene meeting the
This specification is under the jurisdiction of ASTM Committee D20 on
criteria in Table 1.
Plastics and is the direct responsibility of Subcommittee D20.24 on Plastic Building
5.2 Only virgin materials shall be used.
Products.
Current edition approved May 1, 2021. Published May 2021. Originally
5.3 This product shall be manufactured using a rotational
approved in 2004. Last previous edition approved in 2015 as D7082 - 15. DOI:
molding process.
10.1520/D7082-21.
For referenced ASTM standards, visit the ASTM website, www.astm.org, or
contact ASTM Customer Service at service@astm.org. For Annual Book of ASTM
6. Requirements
Standards volume information, refer to the standard’s Document Summary page on
the ASTM website. 6.1 Wall System Description:
*A Summary of Changes section appears at the end of this standard
Copyright © ASTM International, 100 Barr Harbor Drive, PO Box C700, West Conshohocken, PA 19428-2959. United States
D7082−21
TABLE 1 Material Specifications
Resin Properties ASTM Method Value
Density, g/cc D1505 / D4883 0.9335 – 0.9395
Melt Index, g/10 min D1238 Cond. 190°C, 2.16 kg 3.5 – 7.5
Environmental Stress Crack Resis- D1693, Cond. A
tance (ESCR), F
Hr 100 % lgepal 275
Hr 10 % lgepal 55
Flexural Modulus, Mpa (kpsi) (Mini- D790 at 1 % secant Procedure B 600 (87)
mum)
Tensile Strength at Yield, Mpa (kpsi) D638, Type I
...
This document is not an ASTM standard and is intended only to provide the user of an ASTM standard an indication of what changes have been made to the previous version. Because
it may not be technically possible to adequately depict all changes accurately, ASTM recommends that users consult prior editions as appropriate. In all cases only the current version
of the standard as published by ASTM is to be considered the official document.
Designation: D7082 − 15 D7082 − 21 An American National Standard
Standard Specification for
Polyethylene Stay In Place Form System for End Walls for
Drainage Pipe
This standard is issued under the fixed designation D7082; the number immediately following the designation indicates the year of
original adoption or, in the case of revision, the year of last revision. A number in parentheses indicates the year of last reapproval. A
superscript epsilon (´) indicates an editorial change since the last revision or reapproval.
1. Scope*
1.1 This specification addresses the requirements for polyethylene stay in place forms for end walls or head walls for use with
standard storm drainage systems.
1.2 The wall form system consists of a base wall form, a cap, an optional riser to adjust the height of the wall above the pipe, and
an optional adaptor to adjust the pipe opening to accommodate smaller pipe sizes.
1.3 The form system is manufactured using the rotational molding process and is available in different colors.
1.4 The values stated in SI units are to be regarded as the standard, the inch-pounds in parentheses are given for information only.
1.5 This standard does not purport to address all of the safety concerns, if any, associated with its use. It is the responsibility
of the user of this standard to establish appropriate safety safety, health, and healthenvironmental practices and determine the
applicability of regulatory requirementslimitations prior to use.
NOTE 1—There is no known ISO equivalent to this standard.
1.6 This international standard was developed in accordance with internationally recognized principles on standardization
established in the Decision on Principles for the Development of International Standards, Guides and Recommendations issued
by the World Trade Organization Technical Barriers to Trade (TBT) Committee.
2. Referenced Documents
2.1 ASTM Standards:
D638 Test Method for Tensile Properties of Plastics
D648 Test Method for Deflection Temperature of Plastics Under Flexural Load in the Edgewise Position
D790 Test Methods for Flexural Properties of Unreinforced and Reinforced Plastics and Electrical Insulating Materials
D883 Terminology Relating to Plastics
D1238 Test Method for Melt Flow Rates of Thermoplastics by Extrusion Plastometer
D1505 Test Method for Density of Plastics by the Density-Gradient Technique
D1600 Terminology for Abbreviated Terms Relating to Plastics
D1693 Test Method for Environmental Stress-Cracking of Ethylene Plastics
This specification is under the jurisdiction of ASTM Committee D20 on Plastics and is the direct responsibility of Subcommittee D20.24 on Plastic Building Products.
Current edition approved Oct. 1, 2015May 1, 2021. Published October 2015May 2021. Originally approved in 2004. Last previous edition approved in 20102015 as D7082
- 04(2010).15. DOI: 10.1520/D7082-15.10.1520/D7082-21.
For referenced ASTM standards, visit the ASTM website, www.astm.org, or contact ASTM Customer Service at service@astm.org. For Annual Book of ASTM Standards
volume information, refer to the standard’s Document Summary page on the ASTM website.
*A Summary of Changes section appears at the end of this standard
Copyright © ASTM International, 100 Barr Harbor Drive, PO Box C700, West Conshohocken, PA 19428-2959. United States
D7082 − 21
D4883 Test Method for Density of Polyethylene by the Ultrasound Technique
3. Terminology
3.1 Definitions:
3.1.1 Definitions used in this specification are in accordance with definitions in For definitions of terms that appear in this practice
relating to plastics, refer to Terminology D883 and. For abbreviations in accordance with used in this practice, refer to Terminology
D1600 unless otherwise indicated.
3.1.2 end wall—a wall installed at the outlet of a storm drainage pipe.
3.1.3 head wall—a wall installed at the inlet of a storm drainage pipe.
4. Ordering Information
4.1 Number and color of base wall forms,
4.2 Number and color of riser forms,
4.3 Number and color of caps, and
4.4 Number, color and size of adaptors.
5. Materials and Manufacture
5.1 The material used shall be a polyethylene meeting the criteria in Table 1.
5.2 Only virgin materials shall be used.
TABLE 1 Material Specifications
Resin Properties ASTM Method Value Units
Density (Range) D1505 / D4883 0.9335 – 0.9395 g/cc
Melt Index (Range) D1238 Cond. 190°C, 2.16 kg 3.5 – 7.5 g/10
Environmental Stress Crack Resis- D1693, Cond. A 275 Hr
tance (ESCR), F 100 % lgepal 55 Hr
10 % lgepal
Flexural Modulus (Minimum) D790 at 1 % secant Procedure B 600 (87) Mpa (kpsi)
Tensile Strength at Yield (Minimum) D638, Type IV specimen 17.2 (2500) Mpa
Tensile Break Elongation (Minimum) 50.8 mm/min @ 3.12 mm thick 420 %
(2 in./min @ ⁄8 in. thick)
Deflection Temperature (Minimum) D648 50 °C
@ 0.455 MPa (66 psi) 35 °C
@ 1.82 MPa (264 psi)
TABLE 1 Material Specifications
Resin Properties ASTM Method Value
Density, g/cc D1505 / D4883 0.9335 – 0.9395
Melt Index, g/10 min D1238 Cond. 190°C, 2.16 kg 3.5 – 7.5
Environmental Stress Crack Resis- D1693,
...








Questions, Comments and Discussion
Ask us and Technical Secretary will try to provide an answer. You can facilitate discussion about the standard in here.
Loading comments...