ISO 6518-2:1982
(Main)Ignition systems — Part 2: Test methods
Ignition systems — Part 2: Test methods
Systèmes d'allumage — Partie 2: Méthodes d'essai
General Information
- Status
- Withdrawn
- Publication Date
- 31-Oct-1982
- Withdrawal Date
- 31-Oct-1982
- Technical Committee
- ISO/TC 22 - Road vehicles
- Drafting Committee
- ISO/TC 22 - Road vehicles
- Current Stage
- 9599 - Withdrawal of International Standard
- Start Date
- 16-Mar-1995
- Completion Date
- 14-Feb-2026
Relations
- Effective Date
- 15-Apr-2008
Get Certified
Connect with accredited certification bodies for this standard

TÜV Rheinland
TÜV Rheinland is a leading international provider of technical services.

TÜV SÜD
TÜV SÜD is a trusted partner of choice for safety, security and sustainability solutions.
AIAG (Automotive Industry Action Group)
American automotive industry standards and training.
Sponsored listings
Frequently Asked Questions
ISO 6518-2:1982 is a standard published by the International Organization for Standardization (ISO). Its full title is "Ignition systems — Part 2: Test methods". This standard covers: Ignition systems — Part 2: Test methods
Ignition systems — Part 2: Test methods
ISO 6518-2:1982 is classified under the following ICS (International Classification for Standards) categories: 43.060.50 - Electrical and electronic equipment. Control systems. The ICS classification helps identify the subject area and facilitates finding related standards.
ISO 6518-2:1982 has the following relationships with other standards: It is inter standard links to ISO 6518-2:1995. Understanding these relationships helps ensure you are using the most current and applicable version of the standard.
ISO 6518-2:1982 is available in PDF format for immediate download after purchase. The document can be added to your cart and obtained through the secure checkout process. Digital delivery ensures instant access to the complete standard document.
Standards Content (Sample)
International Standard @ 651812
INTERNATIONAL ORGANIZATION FOR STANDARDIZATION*MEMJlYHAPOJlHAR OPTAHMJAUMR ii0 CTAHLLAPTM3AUML4*ORGANlSATlON INTERNATIONALE DE NORMALISATION
Ignition systems -
O
I
Part 2 : Test methods
I
Systèmes d'allumage - Partie 2 : Méthodes d'essai
I
l First edition - 1982-11-15
I
I
- UDC 621.43.04
Ref. No. IS0 6518/2-1982 (E)
e
Descriptors : internal combustion engines, ignition systems, electric diagrams, circuit diagrams, tests, test equipment.
.
ln
(D
Price based on 5 pages
s
Foreword
IS0 (the International Organization for Standardization) is a worldwide federation of
national standards institutes (IS0 member bodies). The work of developing Inter-
national Standards is carried out through IS0 technical committees. Every member
body interested in a subject for which a technical committee has been set up has the
right to be represented on that committee. International organizations, governmental
O
and non-governmental, in liaison with ISO, also take part in the work.
Draft International Standards adopted by the technical committees are circulated to
the member bodies for approval before their acceptance as International Standards by
the IS0 Council.
International Standard IS0 6518/2 was developed by Technical Committee ISO/TC 22,
Road vehicles, and was circulated to the member bodies in July 1981.
It has been approved by the member bodies of the following countries:
Hungary Romania
Austria
Belgium Italy Spain
Bulgaria Japan Sweden
China Korea, Dem. P. Rep. of Switzerland
Czechoslovakia Korea, Rep. of United Kingdom
Egypt, Arab Rep. of Netherlands USA
France New Zealand USSR
Germany, F.R. Poland
No member body expressed disapproval of the document.
O International Organization for Standardization, 1982
Printed in Switzerland
IS0 6518/2-1982 (E)
INTER NATIONAL STAN DARD
Ignition systems -
Part 2 : Test methods
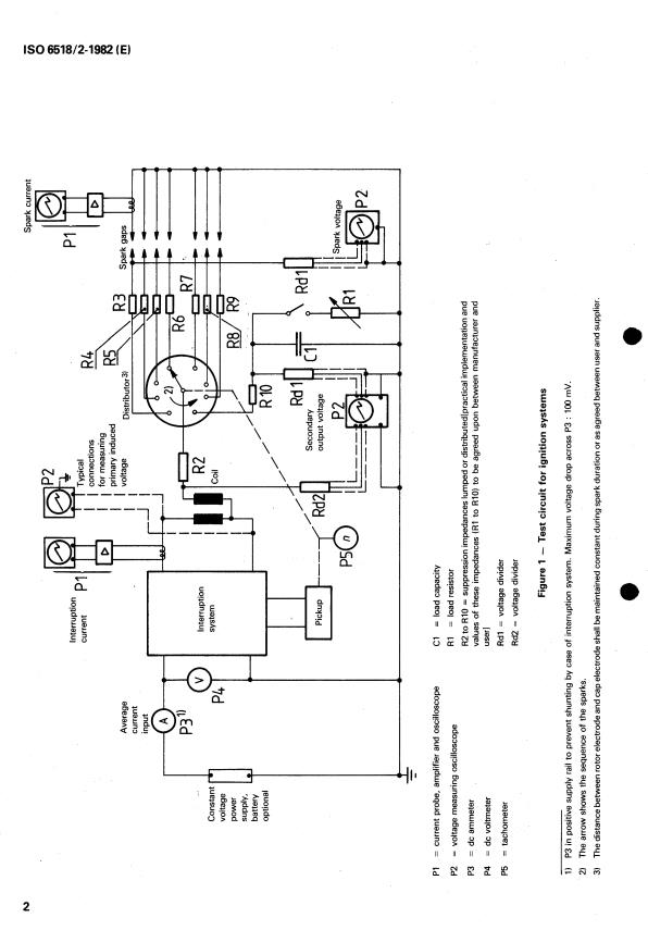
1 Scope and field of application 3.3 A distributor.
This part of IS0 6518 specifies the methods and test conditions This is a device which distributes the ignition impulses to the
of battery ignition systems for spark ignited internal combus- It may also contain means of triggering and/or
spark plugs.
tion engines, which give reproducible test results. timing adjustment, all of which have a proper angular interrela-
tionship to themselves and, through a mechanical drive, to the
engine.
It is intended for any technical person or group interested in
ignition system design and/or evaluation.
3.4 High voltage, non-resistive metal conductor igni-
NOTE - Part 1 of IS0 6518 defines the terms relating to ignition
tion cables, coil to distributor is 455 mm long, distributor to
systems for spark ignited internal combustion engines.
spark gap is 610 mm long.
3.5 Any auxiliary switching means, implicit with the
2 DC source
a transistorized control unit.
system being tested such as
The source of dc voltage to be used in ignition system
The above devices shall be interconnected as shown in figure 1
measurements shall be a variable dc power supply having a 10
or in any other circuit which has proved to be equivalent.
to 90 % transient recovery time of not more than 50 vs over the
load range encountered in use. It shall have no more than
50 mV variation in average voltage from no load to full ignition
4 System load
system load and no more than 100 mV peak-to-peak ripple over
the same load range. This power supply may be substituted by
The load connected to the ignition system shall be a multi-point
a battery and be positioned immediately adjacent to the test
spark gap test stand, each gap being individually variable. The
area.
number of gaps used is one less than the number of towers on
the distributor cap. Using an eight cylinder distributor as an ex-
ample, seven gaps will be set to 5,5 f 0,l mm (corresponding
3 Ignition system description
approximately to 12 kV). The eighth tower shall be connected
as shown in figure 1 by low dissipation factor (not greater than
The ignition system as described for the tests specified in this
3 % at 1 kHzl, secondary ignition cable of length such that in
part of IS0 6518 shall consist of :
50 to
conjunction with the capacitor the total capacitance is
55 pF (this can be a section of screened ignition cable) to
3.1 A coil.
simulate the capacitance of the cables and spark plugs as nor-
mally encountered on a vehicle, and at suitable times a low
This can be the conventional induction coil or an air or
voltage coefficient (0,OOO 5 %/V max.), non-inductive approx-
magnetic core transformer.
imately 10 W, 1 MSZ I 5 % resistor.
3.2 A coil external resistor or resistors, if the coil being The resistor simulates lead or carbon fouled spark plugs. For
tested requires an external resistor, or any fixed or variable measuring the total capacitance, the distributor spark gaps and
means to make the voltage and/or the current in the ignition
the impedances R2 to RIO, if lumped resistors, shall be shunted
circuit vary. and the ignition cable shall be removed from the ignition coil.
IS0 6518/2-1982 (E)
uu cc
mm
>
E
F
m
a
I
e
m
n
e
U
al
m
m
+-
-
f
Y E
$
C
.-
Y
n
L
tu
Y
.-
Y-
O
v;
* I
O
I 1 41
e
tu
tu
+-
Y
a>
al
E
O
E
c
m
O
m
+-
U
IS0 6518/2-1982 (E)
5 Measurements 5.6 Maximum inductance spark current
measurement
5.1
Available voltage at spark plug
This is the instantaneous current from the secondary winding
of the ignition coil flowing through the spark gap after
This measurement is fundamental to spark ignition. Comparing
breakdown (see figure 2E).
available voltage to voltage required to fire spark plugs (in a
given engine) determines the adequacy of the ignition system
5.7 Inductive spark energy computation
(see figure 2A).
Spark energy is computed by integration of spark current times
5.2 Interruption current
spark voltage over the spark duration interval. A time can be
defined where the simple product of instantaneous values of
This measurement indicates energy into the coil and shall be
spark current, spark voltage and spark duration gives the same
verified to ensure adequate switching device life (see
result. This time shall be determined for particular systems and
figure 28).
conditions.
5.8 Coil secondary voltage rise time
5.3 Average current input
This measurement is an indication of the ability of an ignition
This measurement determines the average current draw of the
system to fire shunted (fouled) spark plugs. The shorter the rise
system with respe
...
Norme internationale
INTERNATIONAL ORGANIZATION FOR STANDARDIZATIONOME~lYHAPOlHAR OPTAHM3AUMR no CTAHD.APTM3AUMM*ORGANlSATlON INTERNATIONALE DE MORMALISATION
(I) Systèmes d'allumage -
Partie 2 : Méthodes d'essai
ignition systems - Part 2 : Test methods
Première édition - 1982-11-15
I
CDU 621.43.04 Réf. no : IS0 6518/2-1982 (FI
f
Descripteurs : moteur à combustion interne, système d'allumage, schéma électrique, schéma de circuit, essai, matériel d'essai, '
e
i!
O
E Prix basé sur 5 pages
Avant-propos
L'ISO (Organisation internationale de normalisation) est une fédération mondiale
d'organismes nationaux de normalisation (comités membres de I'ISO). L'élaboration
des Normes internationales est confiée aux comités techniques de I'ISO. Chaque
comité membre intéressé par une étude a le droit de faire partie du comité technique
correspondant. Les organisations internationales, gouvernementales et non gouverne-
mentales, en liaison avec I'ISO, participent également aux travaux.
Les projets de Normes internationales adoptés par les comités techniques sont soumis
aux comités membres pour approbation, avant leur acceptation comme Normes inter-
nationales par le Conseil de I'ISO.
La Norme internationale IS0 6518/2 a été élaborée par le comité technique ISO/TC 22,
Véhicules routiers, et a été soumise aux comités membres en juillet 1981.
Les comités membres des pays suivants l'ont approuvée:
Espagne Roumanie
Allemagne, R.F.
Autriche France Royaume-Uni
Hongrie Suède
Belgique
Bulgarie Italie Suisse
Japon Tchécoslovaquie
Chine
Corée, Rép. de Nouvelle-Zélande URSS
Corée, Rép. dém. p. de Pays-Bas USA
Égypte, Rép. arabe d' Pologne
Aucun comité membre ne l'a désapprouvée.
O Organisation internationale de normalisation, 1982 O
Imprimé en Suisse
IS0 6518/2-1982 (FI
NORME INTERNATIONALE
Systèmes d'allumage -
Partie 2 : Méthodes d'essai
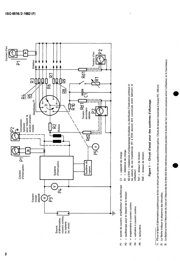
0 1 Objet et domaine d'application
3.3 Un distributeur.
La présente partie de I'ISO 6518 spécifie les méthodes et condi- II s'agit d'un dispositif qui distribue les impulsions aux bougies
tions d'essai des systèmes d'allumage à batterie, pour moteurs
d'allumage. II peut également comprendre des moyens de
à allumage commandé, permettant d'obtenir des résultats
déclenchement etfou de calage. Tous ces moyens ont une cor-
reproductibles.
rélation angulaire mutuelle l'un par rapport à l'autre et, par
l'intermédiaire d'un entraînement mécanique, par rapport au
Elle s'adresse aux techniciens ou groupes de recherche intéres- moteur.
sés par la conception etfou l'évaluation de systèmes d'allu-
3.4 Des câbles d'allumage haute tension, à conducteurs
mage.
métalliques non résistifs ayant une longueur entre la bobine et
le distributeur de 455 mm, et de 610 mm entre le distributeur et
NOTE - La partie 1 de I'ISO 6518 définit les termes relatifs aux systè-
mes d'allumage pour moteurs à allumage commandé.
I'éclateur.
Tout moyen d'interruption auxiliaire, incorporé au
3.5
système à essayer, par exemple un interrupteur transistorisé.
2 Source de courant continu
Les dispositifs mentionnés ci-dessus doivent être connectés
La source de courant continu à utiliser lors des mesurages sur
comme indiqué dans la figure 1 ou de toute autre manière
les systèmes d'allumage doit être une source d'alimentation
s'avérant équivalente.
réglable ayant un temps de restitution transitoire, à 10 à 90 YO,
de 50 p au maximum pour la gamme de charge rencontrée en
pratique. La variation maximale entre ia tension moyenne sans 4 Charge du système
charge et à pleine charge doit être de 50 mV. La tension
d'ondulation pour la même gamme de variation de charge ne La charge connectée au système d'allumage doit être un banc
doit pas dépasser 100 mV crête à crête. Cette source d'alimen-
d'essai à éclateur multiple, chacun des éclateurs étant indivi-
tation peut être remplacée par une batterie et placée à côté de duellement réglable. Le nombre des éclateurs utilisés est égal
la zone d'essai.
au nombre des sorties de la tête de distributeur moins une. Par
exemple, si l'on prend un distributeur pour huit cylindres, sept
éclateurs seront réglés à 5,5 k O, 1 mm (correspondant environ
à 12 kV). La huitième sortie doit être connectée, comme indi-
3 Description du système d'allumage
qué dans la figure 1, par un câble d'allumage à coefficient de
dissipation faible (pas plus de 3 % à 1 kHz), de longueur telle
Un système d'allumage, tel qu'il est décrit pour les essais spéci-
que, en combinaison avec le condensateur, la capacité totale
fiés dans la présente partie de I'ISO 6518, doit comporter :
soit de 50 à 55 pF (ceci peut être une section de câble d'allu-
mage blindé) pour simuler la capacité des câbles et des bougies
d'allumage telle qu'on la rencontre normalement sur un véhi-
3.1 Une bobine.
cule, et, en nombre approprié, une résistance non inductive de
1 MQ f 5 % et environ 10 W, à coefficient de tension faible
Celle-ci peut être du type conventionnel à induction ou un
(pas plus de 0,000 5 %/W.
transformateur à air ou à noyau magnétique.
La résistance simule l'encrassement des bougies d'allumage par
3.2 Une ou plusieurs résistances, à l'extérieur de la bobine le plomb ou le carbone. Pour mesurer la capacité totale, les
si la bobine à essayer nécessite une résistance extérieure, ou
éclateurs du distributeur et les impédances R2 à RIO, si locali-
tout autre moyen fixe ou variable pour faire varier la tension sées, doivent être court-circuités et le câble d'allumage doit être
et/ou le courant dans le circuit d'allumage. déconnecté de la bobine d'allumage.
\
IS0 6518/2-1982 (FI
L
U
c
O
i
V
4:
.-
L
O
.+
al
-
c
L
+-
fn
.-
- .-
c
E
O -
E L
e
C
m
a
a,
L
al C
I
U O
.m
al
-
E
.- E!
m
E
L
c
m
-
.-
fn
al
U
a,
c a,
al 'L
U
U
al
c
m
-
c c
V
m
U
O
.-
al
c
a
P
al
L c
C
&
c
+
.-
C
ù
O
al
E
d C
L +-
.-
-3
I m
U
E
r
z
L
E
L
['U
a O
c
.-
m al
O
-
U
iï
m
al
n c
c
%
C
m
-
r
al
n
C
II II II II II
eæ22a
IS0 6518/2-1982 (FI
5 Mesures 5.5 Mesure de la durée d'arc
A l'intérieur de certaines limites, cette mesure donne une indi-
5.1 Tension disponible à la bougie d'allumage
cation sur la capacité d'allumage d'une étincelle dans des con-
ditions limites de carburant. Elle est également une indication
Cette mesure est fondamentale pour l'allumage à étincelle. En
sur le degré d'érosion qui peut se produire sur les électrodes
comparant la tension disponible avec la tension nécessaire à
d'une bougie d'allumage par des moyens électriquesl) (voir
faire éclater les bougies d'allumage (sur un moteur donné), on
figure 2C).
peut déterminer si le système d'allumage est adéquat (voir
figure 2A).
5.6 Mesure du courant inductif maximal de l'arc
5.2 Courant de rupture
II s'agit du courant instantané circulant des spires secondaires
Cette mesure indique l'énergie dans la bobine. Elle doit être
de la bobine d'allumage et passant par I'éclateur après le cla-
contrôlée pour assurer une durée de vie adéquate du dispositif
quage (voir figure 2E).
de rupture (voir figure 2B).
5.3 Courant moyen absorbé
5.7 Calcul de l'énergie inductive de l'arc
Cette mesure détermine le tirage de courant moyen du système
L'énergie d'arc est calculée par intégration du produit courant
par rapport à la source d'alimentation de courant continu (alter-
et tension d'arc sur le temps de la durée de l'arc. Une période
nateur, génératrice, batterie, etc.).
de temps peut être définie pendant laquelle le simple produit
des valeurs instantanées du courant, de la tension et de la
5.4 Mesure de la tension d'arc et du courant d'arc durée de l'arc donne le même résultat. Cette période de temps
doit être déterminée pour des systèmes et conditions parti-
Ces mesures sont nécessaires pour calculer l'énergie
...








Questions, Comments and Discussion
Ask us and Technical Secretary will try to provide an answer. You can facilitate discussion about the standard in here.
Loading comments...