ISO 6518-2:1995
(Main)Road vehicles - Ignition systems - Part 2: Electrical performance and function test methods
Road vehicles - Ignition systems - Part 2: Electrical performance and function test methods
Cancels and replaces the first edition (1982). Lays down the methods and test conditions for testing battery-supplied ignition systems for spark-ignited internal combustion engines. Gives two methods of obtaining the results necessary for calculating the system output energy.
Véhicules routiers — Systèmes d'allumage — Partie 2: Performances électriques et méthodes d'essai de fonctionnement
General Information
- Status
- Published
- Publication Date
- 15-Mar-1995
- Technical Committee
- ISO/TC 22/SC 32 - Electrical and electronic components and general system aspects
- Drafting Committee
- ISO/TC 22/SC 32/WG 1 - Ignition Equipment
- Current Stage
- 9599 - Withdrawal of International Standard
- Start Date
- 05-Aug-2024
- Completion Date
- 13-Dec-2025
Relations
- Effective Date
- 06-Jun-2022
- Effective Date
- 15-Apr-2008
Overview - ISO 6518-2:1995 (Ignition systems test methods)
ISO 6518-2:1995 specifies electrical performance and function test methods for battery‑supplied ignition systems used on road vehicles with spark‑ignited internal combustion engines. This second edition replaces the 1982 version and introduces two standardized test approaches (Method A and Method B) to obtain the parameters needed to calculate system output energy. The standard is intended for repeatable bench testing of ignition coils, distributors, switching devices and complete ignition systems.
Key topics and technical requirements
- Two test arrangements
- Method A (spark gaps) - measures inductive spark energy (Espi) using controlled spark gaps; output called spark energy.
- Method B (Zener diode string) - measures Zener discharge energy (Ezd) with Zener diode strings (1 kV for single‑ended coils; 1 kV and 0.5 kV for double‑ended coils); recommended for comparative coil and current‑interruption testing.
- Components and system configurations
- Single‑ended and double‑ended coils, ballast resistors, distributors (mechanical or distributorless), auxiliary switching devices and plug‑top coils.
- Measured parameters
- Available voltage (Uav), minimum available voltage (Uavm), secondary output voltage (Us), spark/Zener discharge duration, maximum spark/discharge current (Ispm / Izdm), secondary voltage rise time, coil primary induced voltage (Upind), ignition‑limiting load resistance (R15kV), average current input.
- Energy calculations: Espi and Ezd are calculated by integrating measured voltage × current over the spark/discharge duration.
- Test equipment and limits
- Oscilloscope: ≤35 ns rise time, ≥10 MHz bandwidth; overall measurement uncertainty <3%.
- Voltage probe input capacitance ≤5 pF where required; current probe suitable d.c. to 10 MHz.
- Load capacitances to simulate real cable/plugs: e.g., 50–55 pF for distributor systems; 25–30 pF for some static systems.
- Standard test conditions guidance (e.g., supply voltage 13.5 V nominal, defined ambient temperatures and rotational frequencies for drive stands).
Applications and who uses this standard
- Automotive OEMs and ignition component manufacturers for design validation, performance benchmarking and production verification of ignition coils, distributors and electronic control units.
- Independent test laboratories and certification bodies performing compliance or comparative testing of ignition systems.
- R&D and durability engineers assessing spark energy, coil stress, and the effect of fouled spark‑plugs or electrical loads on ignition performance.
- Service and calibration facilities seeking standardized bench test procedures.
Related standards
- ISO 6518 series (general title: Road vehicles - Ignition systems). See ISO 6518‑7 (Vocabulary) and ISO/TC 22, Subcommittee SC1 (Ignition equipment) for related work.
Keywords: ISO 6518-2, ignition systems, road vehicles, electrical performance, test methods, spark energy, Zener discharge, ignition coil testing, battery-supplied ignition systems.
ISO 6518-2:1995 - Road vehicles -- Ignition systems
ISO 6518-2:1995 - Véhicules routiers -- Systemes d'allumage
ISO 6518-2:1995 - Véhicules routiers -- Systemes d'allumage
Frequently Asked Questions
ISO 6518-2:1995 is a standard published by the International Organization for Standardization (ISO). Its full title is "Road vehicles - Ignition systems - Part 2: Electrical performance and function test methods". This standard covers: Cancels and replaces the first edition (1982). Lays down the methods and test conditions for testing battery-supplied ignition systems for spark-ignited internal combustion engines. Gives two methods of obtaining the results necessary for calculating the system output energy.
Cancels and replaces the first edition (1982). Lays down the methods and test conditions for testing battery-supplied ignition systems for spark-ignited internal combustion engines. Gives two methods of obtaining the results necessary for calculating the system output energy.
ISO 6518-2:1995 is classified under the following ICS (International Classification for Standards) categories: 43.060.50 - Electrical and electronic equipment. Control systems. The ICS classification helps identify the subject area and facilitates finding related standards.
ISO 6518-2:1995 has the following relationships with other standards: It is inter standard links to ISO 6518-2:2024, ISO 6518-2:1982. Understanding these relationships helps ensure you are using the most current and applicable version of the standard.
ISO 6518-2:1995 is available in PDF format for immediate download after purchase. The document can be added to your cart and obtained through the secure checkout process. Digital delivery ensures instant access to the complete standard document.
Standards Content (Sample)
INTERNATIONAL ISO
STANDARD 6518-2
Second edition
1995-04-01
- Ignition Systems -
Road vehicles
Part 2:
Electrical Performance and function test
methods
Whicules routiers - Systemes d ’allumage -
Partie 2: Performances electriques et methodes d ’essai de
fonctionnement
Reference number
ISO 651821995(E)
ISO 6518=2:1995(E)
Foreword
ISO (the International Organization for Standardization) is a worldwide
federation of national Standards bodies (ISO member bodies). The work
of preparing International Standards is normally carried out through ISO
technical committees. Esch member body interested in a subject for
which a technical committee has been established has the right to be
represented on that committee. International organizations, governmental
and non-governmental, in liaison with ISO, also take part in the work. ISO
collaborates closely with the International Electrotechnical Commission
(IEC) on all matters of electrotechnical standardization.
Draft International Standards adopted by the technical committees are
circulated to the member bodies for voting. Publication as an International
Standard requires approval by at least 75 % of the member bodies casting
a vote.
International Standard ISO 6518-2 was prepared by Technical Committee
lSO/TC 22, ßoad vehicles, Subcommittee SC 1, Ignition equipment.
This second edition cancels and replaces the first edition
(ISO 6518-2:1982), which has been changed as follows:
- introduction of test methods A (spark gaps) and B (Zener diode string);
- detailed revision of the clauses on test equipment, measured par-
ameters and test procedures.
ISO 6518 consists of the following Parts, under the general title ßoad ve-
hicles - Ignition sys tems:
- Part 7: Vocabulary
- Part 2: Electrkal Performance and function test methods
0 ISO 1995
All rights reserved. Unless otherwise specified, no part of this publication may be reproduced
or utilized in any form or by any means, electronie or mechanical, including photocopying and
microfilm, without Permission in writing from the publisher.
International Organization for Standardization
Case Postale 56 l CH-121 1 Geneve 20 l Switzerland
Printed in Switzerland
ii
ISO 6518=2:1995(E)
INTERNATIONAL STANDARD 0 ISO
- Ignition Systems -
Road vehicles
Part 2:
Electrical Performance and function test methods
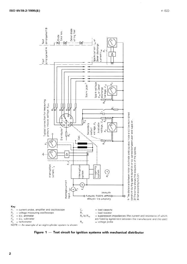
2.1 Ignition System with mechanical
1 Scope
distributor
This part of ISO 6518 specifies the methods and test
conditions for testing battery-supplied ignition sys-
The following components shall be interconnected as
tems for spark-ignited internal combustion engines.
shown in figure 1 or in any other circuit which has
been proved to be equivalent.
Because of the difficulties in producing repeatable
measurements with atmospheric spark gaps and dif-
2.1.1 Single-ended coil which tan be the conven-
ferent observers, two methods of obtaining the re-
tional induction coil or an air or magnetic core trans-
sults necessary for calculating the System output
former.
energy are gjven.
Method A - using spark gaps for the energy
2.1.2 Coil ballast resistor or resistors, if the coil
measurement (test arrangement A).
being tested requires a ballast resistor, or any fixed
or variable means to make the voltage and/or the
The output energy obtained by this method is called
current in the ignition circuit vary.
spark energy, Es-,.
Method B - using a Zener diode string for the en-
2.1.3 Distributor which distributes the ignition im-
ergy measurement (test arrangement B).
pulses to the spark-plugs. lt may also contain means
The output energy obtained by this method is called of triggering and/or timing adjustment, all of which
Zener discharge energy, Ezd. have a proper angular interrelationship to themselves
and to the engine.
This method is not suitable for Systems giving alter-
nating spark current.
2.1.4 Auxiliary switching device implicit with the
Method B is also recommended for the comparative
System being tested such as a transistorized control
testing of ignition coils and current interruption sys-
unit.
tems.
2.2 Static (distributorless) ignition System
2 Ignition System description
with Single-ended coils
For the tests described in the following subclauses,
The following components shall be interconnected as
the ignition System components used shall be as
shown in figure 2 or in any other circuit which has
specified for the application being examined, i.e. to
been proved to be equivalent.
the original equipment specification.
ISO 6518=2:1995(E)
m
c
-0
c
.-
d
c
c '
'5 -4
E-
aJa
-Ul
-zu
v;d
+jai
tf=
2s
OJ 3
-& IJ-i
gnY
u-ad
c aJ a
daW
aJLJ
I
c
t
0 ‘E
‘- .
.-
c
.-
CL ;
% a,E
zc c
La rnaJ
kQ1
aJ
k =G
aJt;
‘t x
E= cr
- U 2% l-v,
- cn
t
c 1
QI
k
U
d
& NI?
d -
+22
dDi]OA '3-p JUDjSUOJ
KeY
P, = current probe, amplifier and oscilloscope
= load capacity
Cl
P, = voltage-measuring oscilloscope
= load resistor
R,
= d.c. ammeter
R, to R,, =
p3 suppression impedances (the current and resistance of which
= d.c. Voltmeter
are fixed by agreement between the manufacturer and the User)
Pd
= tachometer
= voltage probe
ps
RD
NOTE - An example of an eight-cylinder System is shown
Figure 1 - Test circuit for ignition Systems with mechanical distributor
7 mw p- ow Nw ,- z
f:
l-n II II II II II
;z:QQCO
I
,p3i,,oc,
. .
XO
cD303CDf+
za,3ju7
pl0
39)
-0
-$q
FEC
-
G-q l
2. a,
0,s
dJ7 -0
-
=JIT
g=G
Typical connection f or measur ing
CD% 0 Te’
-.
-- l-t
Co
Test
i Test
primary induced voltage, Upint
o=z
arrangement B
C:a larrangement A /
0s
I’
-c e.
mg
%
-.
- -
Et-”
1-h
ö
Cs
K
-Sn
;Ds
3s
Diode
-.
-c
vn
5 kV min.
v) E’
Z= Average current
input &
1 i 1 Zener diode
sa330 1 string 1 kV
N - -
oa
I
ö
I
JJ
CD I
I
w--B
1 ’1’
I
x Spark gaps ”,
5; -
Spark voltage
--
---
1 I
22 U,,, and Zener
Spark current, Isp or
> -
discharge
3 3 Zener discharge
Triggering
vottage U,, or
current /zd
System Cl
output lavailable
c;- n
,
d
Pl
CLC
voltage U, Ivo1 tage U,, ----e-e.
------
aJ 0
hc
0 0 a
’ I
“ao
p5 n ‘L- /I, P*
‘- /’ p2 R,
T --
--
0 0
1 ‘r
N
1) Set according to 5.3.1.
m
ISO 6518=2:1995(E) 0 ISO
2.2.1 Coils which, depending on the System tested,
3.3 Voltage probe (R,) with an input capacitance
may be
smaller than or equal to 5 pF and an input resistance
of 100 MQ or greater.
- Single-ended coils as described in 2.1 .l , or
3.4 Current probe (PJ suitable for d.c. to IO MHz.
high-tensio n ter minal assembly formed
- a multiple
or
by Single-e nded coils,
3.5 d.c. ammeter (P,) with a maximum voltage
drop of 100 mV under test conditions.
- plug-top coils.
3.6 Voltmeter (P,) with an input resistance of at
2.2.2 Auxiliary switching device implicit with the
least 10 ka/V and with sufficient resolution to indicate
System being tested such as a transistorized control
differentes of 10 mV easily.
unit.
3.7 Distributor or trigger wheel drive stand and
2.3 Static (distributorless) ignition System
attached tachometer (P,) conforming to the follow-
with double-ended coil(s) ing:
be interconnected as a) a continuously variable rotational frequency ad-
The following components shall
justment, capable of being varied between
show n in figure3 or in an y other circuit which has
10 min-’ and 4 000 min-’ for a distributor drive
been proved to be uivale nt.
eq
stand and between 20 min- ’ and at least
6 000 min-’ for a trigger wheel drive stand;
2.3.1 Coils which, depending on the System tested,
may be
b) the rotational frequency shall be within + 5 %
-
below 400 min-’ and _ + 20 min-’ a bove
- double-ended coils, or
400 min- ‘;
- a multiple high-tension terminal assembly formed
c) a tachometer accurate to within + 0,2 % of indi-
by double-ended coils.
cated rotational frequency.
2.3.2 Auxiliary switching device implicit with the
3.8 Loads shall be connected to the ignition System
System being tested such as a transistorized control
by high-voltage, non-resistive metal conductor ignition
unit.
cables. The length depends on the capacitive load
(see 3.8.2).
3 Test equipment
3.8.1 Multi-Point spark gap stand, each gap being
individually variable (see figure 5).
3.1 Variable d.c. power supply having a 10 % to
3.8.2 The capacitance C, simulates the capacitance
90 % transient recovery time of not more than 50 ps
of the cables and spark-plugs as normally encoun-
over the load range encountered in use. lt shall have
tered on the engine. This capacitance shall be a low
no more than 50 mV Variation in average voltage from
dissipation factor (not greater than 3 % at 1 kHz) sec-
no-load to full ignition System load and no more than
ondary ignition cable of a length such that, in con-
100 mV peak-to-peak ripple over the Same load range.
junction with the capacitor and high-tension probe,
This power supply may be substituted by a battery
the total capacitance is
with or without a charging System. The power supply
shall be positioned immediately adjacent to the sys-
50 pF to 55 pF for ignition Systems with distribu-
tem being tested.
tor;
3.2 Oscilloscope with a maximum rise time of
25 pF to 30 pF for static ignition System with
35 ns, with a minimum band pass of 10 MHz, shall
Single-ended coils;
be used (PI and PJ. The Overall uncertainty of
measurement including voltage and current probes 50 pF to 55 pF for static ignition Systems with
(see 3.3 and 3.4) shall be less than 3 %. double-ended coils.
Typical connection for measuring
Test Test
primary induced vottage, Upind
iarrange- i arrangementB
Interruption
mentA
current /Pi
Io
R-2
h
l-
1 I
I 1 I
I ;
Pl 4
1 I
I
Averagecurrent 1 )
d
1 I
I
’ u
input &
1 I
I 7; 0m
l ü 0
I I
I I
xlxuo Lm
N - -
ci?
aJ .c
I
s-
N-L
I
CD
I 1 1
I
I
x System Spark gaps",
Il o! II II II
t
Eü I t+
Spark voltage
d+
~-~-~ --
22 &,,and Zener
Spark current,/,,or
> .
discharge
h
L; 3
Zenerdischarge
Secondary
tig
current/,,
-E ;- output
d
d
Pl
voltage U, Ro
-$iJo
c3c
0 0 a
uao
e-
-
-
1) Set according to 5.3.1.
cn
m
0 ISO
ISO 6518=2:1995(E)
To measure the total capacitance, the distributor spark
44 . Interruption current, Zpi
gaps, and the impedances R, to R,, if lumped resis-
tors, shall be shunted and the ignition cable shall be ‘1, Ipi, determines the energy
The interruption current
removed from the ignition coil.
into the System [see figure4c)l.
NOTES
1 It may be necessary to consider the effect of parasitic
capacitances.
4.5 Average current input, IPar
2 Other values of capacitance may be
...
ISO
NORME
6518-2
INTERNATIONALE
Deuxième édition
1995-04-01
Véhicules routiers - Systèmes
d’allumage -
Partie 2:
Performances électriques et méthodes d’essai
de fonctionnement
- Ignition systems -
Road vehicles
Part 2: Electrical performance and function test methods
Numéro de référence
ISO 6518=2:1995(F)
Avant-propos
L’ISO (Organisation internationale de normalisation) est une fédération
mondiale d’organismes nationaux de normalisation (comités membres de
I’ISO). L’élaboration des Normes internationales est en général confiée aux
comités techniques de I’ISO. Chaque comité membre intéressé par une
étude a le droit de faire partie du comité technique créé à cet effet. Les
organisations internationales, gouvernementales et non gouvernemen-
tales, en liaison avec I’ISO participent également aux travaux. L’ISO colla-
bore étroitement avec la Commission électrotechnique internationale (CEI)
en ce qui concerne la normalisation électrotechnique.
Les projets de Normes internationales adoptés par les comités techniques
sont soumis aux comités membres pour vote. Leur publication comme
Normes internationales requiert l’approbation de 75 % au moins des co-
mités membres votants.
La Norme internationale ISO 6518-2 a été élaborée par le comité techni-
que ISO/TC 22, Véhicules routiers, sous-comité SC 1, Équipement d’allu-
mage.
Cette deuxième édition annule et remplace la première édition
qui a fait l’objet des modifications suivantes:
(ISO 6518-2:1982),
- introduction des méthodes d’essai A (éclateurs) et B (chaîne de diodes
Zener);
paragraphes concerna nt 1’ équipement d ‘essa i, les
- révision détaillée des
et les modes opératoi res d’essai.
paramèt res mesurés
L’ISO 6518 comprend les parties suivantes, présentées sous le titre gé-
néral Véhicules routiers - Systèmes d ‘allumage:
- Partie 7: Vocabulaire
- Partie 2: Performances électriques et méthodes d’essai de fonc-
tionnement
0 ISO 1995
Droits de reproduction réservés. Sauf prescription différente, aucune partie de cette publi-
cation ne peut être reproduite ni utilisée sous quelque forme que ce soit et par aucun pro-
cédé, électronique ou mécanique, y compris la photocopie et les microfilms, sans l’accord
écrit de l’éditeur.
Organisation internationale de normalisation
Case Postale 56 l CH-121 1 Genève 20 l Suisse
Imprimé en Suisse
ii
NORME INTERNATIONALE 0 BO ISO 6518=2:1995(F)
- Systèmes d’allumage -
Véhicules routiers
Partie 2:
Performances électriques et méthodes d’essai de
fonctionnement
les composants du système d’allumage utilisés doi-
1 Domaine d’application
vent être tels que prescrits pour l’application qui est
examinée, c’est-à-dire à la spécification originale de
La présente partie de I’ISO 6518 prescrit les métho-
l’équipement.
des et les conditions d’essai des systèmes d’allu-
mage alimentés par batterie, pour moteurs à
combustion interne à allumage par étincelle.
2.1 Système d’allumage à distributeur
À cause des difficultés à produire des mesurages mécanique
reproductibles avec les éclateurs atmosphériques et
Les composants suivants doivent être interconnectés
des observateurs différents, deux méthodes d’obten-
comme indiqué à la figure 1 ou selon tout autre
tion des résultats nécessaires pour calculer l’énergie
schéma dont l’équivalence peut être prouvée.
de sortie du système sont données.
Méthode A: En utilisant des éclateurs pour mesurer
2.1.1 Une bobine à extrémité simple, qui peut être
l’énergie (disposition d’essai A).
la bobine conventionnelle à induction ou un transfor-
mateur à air ou à noyau magnétique.
L’énergie de sortie obtenue par cette méthode est
appelée «énergie de l’arc)).
2.1.2 Une ou plusieurs résistance(s), à l’extérieur
Méthode B: En utilisant une chaîne de diodes Zener
de la bobine, si la bobine à essayer nécessite une ré-
pour mesurer l’énergie (disposition d’essai B).
sistance extérieure, ou tout autre moyen fixe ou va-
riable pour faire varier la tension et/ou le courant dans
L’énergie de sortie obtenue par cette méthode est
le circuit d’allumage.
appelée «énergie de décharge Zener)).
Cette méthode ne convient pas pour des systèmes
2.1.3 Un distributeur qui distribue les impulsions
fournissant un courant alternatif d’arc.
d’allumage aux bougies. II peut également compren-
dre des moyens de déclenchement et/ou de calage,
La méthode B est également recommandée pour
tous ces moyens ayant une corrélation angulaire l’un
l’essai comparatif de bobines d’allumage et de systè-
par rapport à l’autre et par rapport au moteur.
mes d’interruption du courant.
2.1.4 Un mécanisme auxiliaire d’interruption in-
2 Description du système d’allumage
corporé au système à essayer, comme un dispositif
Pour les essais décrits dans les paragraphes suivants, de commande transistorisé.
0 ISO *
ISO 6518=2:1995(F)
mage, et pas plus de 100 mV d’ondulation crête à
2.2 Système d’allumage statique (sans
crête sur la même gamme de charges. Cette alimen-
distributeur) avec bobines à extrémité simple
tation peut être substituée par une batterie avec ou
sans système de chargement. L’alimentation doit être
Les composants suivants doivent être interconnectés
placée directement à côté du système à essayer.
comme indiqué à la figure 2 ou dans tout autre
schéma dont l’équivalence peut être prouvée.
3.2 Un oscilloscope (P, et PJ ayant un temps de
montée maximal de 35 ns, et une bande passante
2.21 Bobines qui, selon le système essayé, peu-
minimale de 10 MHz et dont l’incertitude totale de
vent être
mesure, c’est-à-dire incluant les sondes de tension et
- des bobines à extrémité simple telles que décrites
de courant (voir 3.3 et 3.4) est inférieure à 3 %.
en 2.1 .l;
3.3 Une sonde de tension (R,) ayant une capacité
- un montage à bornes multiples de haute tension
d’entrée inférieure ou égale à 5 pF et une résistance
constitué de bobines à extrémité simple, ou
d’entrée supérieure ou égale à 100 Ma.
- des bobines en tête de bougie.
3.4 Une sonde de courant (P,) convenant pour le
mesurage de courants continus à 10 MHz.
22.2 Un mécanisme auxiliaire d’interruption in-
corporé au système à essayer, comme un dispositif
3.5 Un ampèremètre (P,) pour courant continu,
de commande transistorisé.
provoquant une chute de tension maximale de
100 mV dans les conditions d’essai.
2.3 Système d’allumage statique (sans
distributeur) avec bobine(s) à extrémité
3.6 Un voltmètre (P,) pour courant continu, ayant
double
une résistance d’entrée d’au moins 10 ka par volt et
une résolution suffisante pour indiquer facilement des
Les composants suivants doivent être interconnectés
différences de 10 mV.
comme indiqué à la figure3 ou dans tout autre
schéma dont l’équivalence peut être prouvée.
3.7 Un support d’entraînement à distributeur ou
à roue à déclencheur et le tachymètre (P,) intégré
2.3.1 Bobines qui, selon le système essayé, peu-
conforme aux conditions suivantes:
vent être
a) un ajustement continuellement variable de la fré-
- des bobines à extrémité double, ou
quence de rotation, de 10 min-’ à 4 000 min- ’
pour un support d’entraînement à distributeur et
- un montage à bornes multiples de haute tension
de 20 min-’ à au moins 6 000 min-’ pour un
constitué de bobines à extrémité double.
support d’entraînement à roue à déclencheur;
2.3.2 Un mécanisme auxiliaire d’interruption in-
b) la fréquence de rotation doit être stable à + 5 %
corporé au système à essayer, comme un dispositif
au-dessous de 400 min-‘, et à + 20 min-’ au-
-
de commande transistorisé.
dessus de 400 min-‘;
3 Équipement d’essai
c) le tachymètre doit avoir une erreur maximale to-
lérée d’au plus 0,2 % de la fréquence de rotation
indiquée.
3.1 Une alimentation variable en courant
continu, avec un temps de rétablissement transitoire
de 10 % à 90 % ne dépassant pas 50 PS sur la 3.8 Des charges connectées au système d’allu-
gamme des charges susceptibles d’être rencontrées mage par des câbles d’allumage à haute tension à
en utilisation. La tension moyenne ne doit pas pré- conducteur métallique non résistif dont la longueur
senter plus de 50 mV de variation, depuis l’absence dépend de la charge capacitive (voir 3.8.2) par I’inter-
de charge jusqu’à la pleine charge du système d’allu- médiaire des éléments suivants.
I I
I Disposition
I Disposition
d’essai B
Connexions typiques pouf mesurer d’essai A
p2
Irl la tension induite au primaire, Upind I
Courant de
rupture, /pi
Diode
5 kV min.
I
Courant moyen t
D
1 1 Chatne
p<
d’entree, Ipar
I ÇJ ---1 ’
I I 1 de diodes
’ * w-J I
I
Bobine/’
/
/‘
RIO
1’
Éclateurs3’
/, .
i ension
--
secondaire
it
Courant d’arc, /sP,
delivrée, U,
. , -“m
Tension d’arc,
J-
-m----w---- ou courant de
Tension 1
lJ , ou tensior
de rwture I/ I I l
I
I I
décharge Zener, /zd
d:Pdecharge
PI
RD
Zener Uzd
-----L-w
-- A
p2
me
I
c
1) La distance entre MLectrode de rotor et I’electrode de tEte doit E?tre
maintenue constante pendant la durée de l’arc ou comme convenu entre I’utili-
sateur et le fournisseur.
2) La flèche indique la sequence des arcs.
3) Regles conformément h 5.3.1.
P
n
Connexions typiques pour mesurer
la tension induite au primaire, Upin+
Courant de
Disposition Disposition
rupture, /pi
II d’essai A d’essai B
Diode
1 I
1 I
5 kV min.
1 I
PI 4
1 I
I
1 I
I
Courant moyen
1 I
I
d’entrée, Ipnr f ; i i Ch aîne
I
1 1 de diodes
11 J
teurs”
\ -
bution I Tension d’arc,
Courant d’arc, &,,
ou courant de
1 Système 1 Tension
decharge Zener, ltd
-------.
1) Reglés conformement h 5.3.1.
vj
IS0 6518=2:1995(F)
AY 1 Jaw! i
.U!W AY s
-0
. N
sapoip ap WlPlj)
aPo!cl
4% - I
SapO!p ap W$Dq)
I
-- _-_-_------
I
I
,
I ,
1 I
I I ---A 1
I
1 ----,m
I
I I
e
ti
LA
a
t
c
if
E
%
c
U
+i
+laJiDC/ no ‘a1qDJs
0 nujJuo3 iumno3 o-
iIn g
-
Ua UO!JD~UWJ!lV
T-
Lhgende
P, Sonde de courant, amplificateur et oscilloscope Capacite de charge
Cl
P, Oscilloscope de mesure de tension Resistance de charge
RI
R, a R, Impedances d’antiparasitage (dont I’implementation et I’impe-
P, Amperemetre pour courant continu
dance sont fixees par accord entre le fabricant et I’utilisateur)
P, Voltmetre pour courant continu
P, Tachymetre (signal de vitesse de rotation du vilebrequin) R, Sonde de tension
NOTES
1 Toutes les sorties secondaires doivent etre essayees sous haute tension.
2 Le schema represente un exemple de systeme 8 huit cylindres.
Figure 3 - Circuit d’essai pour des systhmes d’allumage statique avec bobinels) & extr6mit6 double
0 ISO c
ISO 6518=2:1995(F)
3.8.1 Un banc à éclateur multiple, dont chaque
4 Paramètres à mesurer
éclateur est individuellement réglable (voir figure 5).
4.1 Tension d’allumage, U&
La comparaison entre la tension d’allumage, &, et la
3.8.2 La capacité C,, qui simule la capacité des câ-
tension d’allumage exigée, USpc, nécessaire pour pro-
bles et des bougies normalement rencontrée dans le
voquer l’étincelle pour un moteur donné, détermine la
moteur. Cette capacité est matérialisée par un câble
bonne adaptation du dispositif d’allumage [voir
d’allumage secondaire de faible coefficient de dissi-
figure4 a)]. Cela doit être mesuré lorsque le dispositif
pation (inférieur ou égal à 3 % à 1 kHz), d’une lon-
est configuré avec la capacité C, décrite en 3.8.2.
gueur telle qu’en conjonction avec le condensateur
et la sonde haute tension la capacité totale soit de
4.2 Tension d’allumage disponible, UaVrn
50 pF à 55 pF pour des systèmes d’allumage avec
La tension d’allumage (minimale) disponible? &r,.,,
distributeur;
doit être mesurée lorsque le dispositif est configuré
avec la capacité C, et la résistance R, en parallèle.
25 pF à 30 pF pour des systèmes d’allumage sta-
L’amplitude minimale doit être enregistrée. Cela re-
tique avec des bobines à extrémité simple;
présente la performance garantie du dispositif essayé,
50 pF à 55 pF pour des systèmes d’allumage sta-
à la température ambiante de 23 “C & 5 “C, à une vi-
...
ISO
NORME
6518-2
INTERNATIONALE
Deuxième édition
1995-04-01
Véhicules routiers - Systèmes
d’allumage -
Partie 2:
Performances électriques et méthodes d’essai
de fonctionnement
- Ignition systems -
Road vehicles
Part 2: Electrical performance and function test methods
Numéro de référence
ISO 6518=2:1995(F)
Avant-propos
L’ISO (Organisation internationale de normalisation) est une fédération
mondiale d’organismes nationaux de normalisation (comités membres de
I’ISO). L’élaboration des Normes internationales est en général confiée aux
comités techniques de I’ISO. Chaque comité membre intéressé par une
étude a le droit de faire partie du comité technique créé à cet effet. Les
organisations internationales, gouvernementales et non gouvernemen-
tales, en liaison avec I’ISO participent également aux travaux. L’ISO colla-
bore étroitement avec la Commission électrotechnique internationale (CEI)
en ce qui concerne la normalisation électrotechnique.
Les projets de Normes internationales adoptés par les comités techniques
sont soumis aux comités membres pour vote. Leur publication comme
Normes internationales requiert l’approbation de 75 % au moins des co-
mités membres votants.
La Norme internationale ISO 6518-2 a été élaborée par le comité techni-
que ISO/TC 22, Véhicules routiers, sous-comité SC 1, Équipement d’allu-
mage.
Cette deuxième édition annule et remplace la première édition
qui a fait l’objet des modifications suivantes:
(ISO 6518-2:1982),
- introduction des méthodes d’essai A (éclateurs) et B (chaîne de diodes
Zener);
paragraphes concerna nt 1’ équipement d ‘essa i, les
- révision détaillée des
et les modes opératoi res d’essai.
paramèt res mesurés
L’ISO 6518 comprend les parties suivantes, présentées sous le titre gé-
néral Véhicules routiers - Systèmes d ‘allumage:
- Partie 7: Vocabulaire
- Partie 2: Performances électriques et méthodes d’essai de fonc-
tionnement
0 ISO 1995
Droits de reproduction réservés. Sauf prescription différente, aucune partie de cette publi-
cation ne peut être reproduite ni utilisée sous quelque forme que ce soit et par aucun pro-
cédé, électronique ou mécanique, y compris la photocopie et les microfilms, sans l’accord
écrit de l’éditeur.
Organisation internationale de normalisation
Case Postale 56 l CH-121 1 Genève 20 l Suisse
Imprimé en Suisse
ii
NORME INTERNATIONALE 0 BO ISO 6518=2:1995(F)
- Systèmes d’allumage -
Véhicules routiers
Partie 2:
Performances électriques et méthodes d’essai de
fonctionnement
les composants du système d’allumage utilisés doi-
1 Domaine d’application
vent être tels que prescrits pour l’application qui est
examinée, c’est-à-dire à la spécification originale de
La présente partie de I’ISO 6518 prescrit les métho-
l’équipement.
des et les conditions d’essai des systèmes d’allu-
mage alimentés par batterie, pour moteurs à
combustion interne à allumage par étincelle.
2.1 Système d’allumage à distributeur
À cause des difficultés à produire des mesurages mécanique
reproductibles avec les éclateurs atmosphériques et
Les composants suivants doivent être interconnectés
des observateurs différents, deux méthodes d’obten-
comme indiqué à la figure 1 ou selon tout autre
tion des résultats nécessaires pour calculer l’énergie
schéma dont l’équivalence peut être prouvée.
de sortie du système sont données.
Méthode A: En utilisant des éclateurs pour mesurer
2.1.1 Une bobine à extrémité simple, qui peut être
l’énergie (disposition d’essai A).
la bobine conventionnelle à induction ou un transfor-
mateur à air ou à noyau magnétique.
L’énergie de sortie obtenue par cette méthode est
appelée «énergie de l’arc)).
2.1.2 Une ou plusieurs résistance(s), à l’extérieur
Méthode B: En utilisant une chaîne de diodes Zener
de la bobine, si la bobine à essayer nécessite une ré-
pour mesurer l’énergie (disposition d’essai B).
sistance extérieure, ou tout autre moyen fixe ou va-
riable pour faire varier la tension et/ou le courant dans
L’énergie de sortie obtenue par cette méthode est
le circuit d’allumage.
appelée «énergie de décharge Zener)).
Cette méthode ne convient pas pour des systèmes
2.1.3 Un distributeur qui distribue les impulsions
fournissant un courant alternatif d’arc.
d’allumage aux bougies. II peut également compren-
dre des moyens de déclenchement et/ou de calage,
La méthode B est également recommandée pour
tous ces moyens ayant une corrélation angulaire l’un
l’essai comparatif de bobines d’allumage et de systè-
par rapport à l’autre et par rapport au moteur.
mes d’interruption du courant.
2.1.4 Un mécanisme auxiliaire d’interruption in-
2 Description du système d’allumage
corporé au système à essayer, comme un dispositif
Pour les essais décrits dans les paragraphes suivants, de commande transistorisé.
0 ISO *
ISO 6518=2:1995(F)
mage, et pas plus de 100 mV d’ondulation crête à
2.2 Système d’allumage statique (sans
crête sur la même gamme de charges. Cette alimen-
distributeur) avec bobines à extrémité simple
tation peut être substituée par une batterie avec ou
sans système de chargement. L’alimentation doit être
Les composants suivants doivent être interconnectés
placée directement à côté du système à essayer.
comme indiqué à la figure 2 ou dans tout autre
schéma dont l’équivalence peut être prouvée.
3.2 Un oscilloscope (P, et PJ ayant un temps de
montée maximal de 35 ns, et une bande passante
2.21 Bobines qui, selon le système essayé, peu-
minimale de 10 MHz et dont l’incertitude totale de
vent être
mesure, c’est-à-dire incluant les sondes de tension et
- des bobines à extrémité simple telles que décrites
de courant (voir 3.3 et 3.4) est inférieure à 3 %.
en 2.1 .l;
3.3 Une sonde de tension (R,) ayant une capacité
- un montage à bornes multiples de haute tension
d’entrée inférieure ou égale à 5 pF et une résistance
constitué de bobines à extrémité simple, ou
d’entrée supérieure ou égale à 100 Ma.
- des bobines en tête de bougie.
3.4 Une sonde de courant (P,) convenant pour le
mesurage de courants continus à 10 MHz.
22.2 Un mécanisme auxiliaire d’interruption in-
corporé au système à essayer, comme un dispositif
3.5 Un ampèremètre (P,) pour courant continu,
de commande transistorisé.
provoquant une chute de tension maximale de
100 mV dans les conditions d’essai.
2.3 Système d’allumage statique (sans
distributeur) avec bobine(s) à extrémité
3.6 Un voltmètre (P,) pour courant continu, ayant
double
une résistance d’entrée d’au moins 10 ka par volt et
une résolution suffisante pour indiquer facilement des
Les composants suivants doivent être interconnectés
différences de 10 mV.
comme indiqué à la figure3 ou dans tout autre
schéma dont l’équivalence peut être prouvée.
3.7 Un support d’entraînement à distributeur ou
à roue à déclencheur et le tachymètre (P,) intégré
2.3.1 Bobines qui, selon le système essayé, peu-
conforme aux conditions suivantes:
vent être
a) un ajustement continuellement variable de la fré-
- des bobines à extrémité double, ou
quence de rotation, de 10 min-’ à 4 000 min- ’
pour un support d’entraînement à distributeur et
- un montage à bornes multiples de haute tension
de 20 min-’ à au moins 6 000 min-’ pour un
constitué de bobines à extrémité double.
support d’entraînement à roue à déclencheur;
2.3.2 Un mécanisme auxiliaire d’interruption in-
b) la fréquence de rotation doit être stable à + 5 %
corporé au système à essayer, comme un dispositif
au-dessous de 400 min-‘, et à + 20 min-’ au-
-
de commande transistorisé.
dessus de 400 min-‘;
3 Équipement d’essai
c) le tachymètre doit avoir une erreur maximale to-
lérée d’au plus 0,2 % de la fréquence de rotation
indiquée.
3.1 Une alimentation variable en courant
continu, avec un temps de rétablissement transitoire
de 10 % à 90 % ne dépassant pas 50 PS sur la 3.8 Des charges connectées au système d’allu-
gamme des charges susceptibles d’être rencontrées mage par des câbles d’allumage à haute tension à
en utilisation. La tension moyenne ne doit pas pré- conducteur métallique non résistif dont la longueur
senter plus de 50 mV de variation, depuis l’absence dépend de la charge capacitive (voir 3.8.2) par I’inter-
de charge jusqu’à la pleine charge du système d’allu- médiaire des éléments suivants.
I I
I Disposition
I Disposition
d’essai B
Connexions typiques pouf mesurer d’essai A
p2
Irl la tension induite au primaire, Upind I
Courant de
rupture, /pi
Diode
5 kV min.
I
Courant moyen t
D
1 1 Chatne
p<
d’entree, Ipar
I ÇJ ---1 ’
I I 1 de diodes
’ * w-J I
I
Bobine/’
/
/‘
RIO
1’
Éclateurs3’
/, .
i ension
--
secondaire
it
Courant d’arc, /sP,
delivrée, U,
. , -“m
Tension d’arc,
J-
-m----w---- ou courant de
Tension 1
lJ , ou tensior
de rwture I/ I I l
I
I I
décharge Zener, /zd
d:Pdecharge
PI
RD
Zener Uzd
-----L-w
-- A
p2
me
I
c
1) La distance entre MLectrode de rotor et I’electrode de tEte doit E?tre
maintenue constante pendant la durée de l’arc ou comme convenu entre I’utili-
sateur et le fournisseur.
2) La flèche indique la sequence des arcs.
3) Regles conformément h 5.3.1.
P
n
Connexions typiques pour mesurer
la tension induite au primaire, Upin+
Courant de
Disposition Disposition
rupture, /pi
II d’essai A d’essai B
Diode
1 I
1 I
5 kV min.
1 I
PI 4
1 I
I
1 I
I
Courant moyen
1 I
I
d’entrée, Ipnr f ; i i Ch aîne
I
1 1 de diodes
11 J
teurs”
\ -
bution I Tension d’arc,
Courant d’arc, &,,
ou courant de
1 Système 1 Tension
decharge Zener, ltd
-------.
1) Reglés conformement h 5.3.1.
vj
IS0 6518=2:1995(F)
AY 1 Jaw! i
.U!W AY s
-0
. N
sapoip ap WlPlj)
aPo!cl
4% - I
SapO!p ap W$Dq)
I
-- _-_-_------
I
I
,
I ,
1 I
I I ---A 1
I
1 ----,m
I
I I
e
ti
LA
a
t
c
if
E
%
c
U
+i
+laJiDC/ no ‘a1qDJs
0 nujJuo3 iumno3 o-
iIn g
-
Ua UO!JD~UWJ!lV
T-
Lhgende
P, Sonde de courant, amplificateur et oscilloscope Capacite de charge
Cl
P, Oscilloscope de mesure de tension Resistance de charge
RI
R, a R, Impedances d’antiparasitage (dont I’implementation et I’impe-
P, Amperemetre pour courant continu
dance sont fixees par accord entre le fabricant et I’utilisateur)
P, Voltmetre pour courant continu
P, Tachymetre (signal de vitesse de rotation du vilebrequin) R, Sonde de tension
NOTES
1 Toutes les sorties secondaires doivent etre essayees sous haute tension.
2 Le schema represente un exemple de systeme 8 huit cylindres.
Figure 3 - Circuit d’essai pour des systhmes d’allumage statique avec bobinels) & extr6mit6 double
0 ISO c
ISO 6518=2:1995(F)
3.8.1 Un banc à éclateur multiple, dont chaque
4 Paramètres à mesurer
éclateur est individuellement réglable (voir figure 5).
4.1 Tension d’allumage, U&
La comparaison entre la tension d’allumage, &, et la
3.8.2 La capacité C,, qui simule la capacité des câ-
tension d’allumage exigée, USpc, nécessaire pour pro-
bles et des bougies normalement rencontrée dans le
voquer l’étincelle pour un moteur donné, détermine la
moteur. Cette capacité est matérialisée par un câble
bonne adaptation du dispositif d’allumage [voir
d’allumage secondaire de faible coefficient de dissi-
figure4 a)]. Cela doit être mesuré lorsque le dispositif
pation (inférieur ou égal à 3 % à 1 kHz), d’une lon-
est configuré avec la capacité C, décrite en 3.8.2.
gueur telle qu’en conjonction avec le condensateur
et la sonde haute tension la capacité totale soit de
4.2 Tension d’allumage disponible, UaVrn
50 pF à 55 pF pour des systèmes d’allumage avec
La tension d’allumage (minimale) disponible? &r,.,,
distributeur;
doit être mesurée lorsque le dispositif est configuré
avec la capacité C, et la résistance R, en parallèle.
25 pF à 30 pF pour des systèmes d’allumage sta-
L’amplitude minimale doit être enregistrée. Cela re-
tique avec des bobines à extrémité simple;
présente la performance garantie du dispositif essayé,
50 pF à 55 pF pour des systèmes d’allumage sta-
à la température ambiante de 23 “C & 5 “C, à une vi-
...


















Questions, Comments and Discussion
Ask us and Technical Secretary will try to provide an answer. You can facilitate discussion about the standard in here.
Loading comments...