ISO 4107:1979
(Main)Road vehicles — Wheels for commercial vehicles — Dimensional characteristics of attachment on hub
Road vehicles — Wheels for commercial vehicles — Dimensional characteristics of attachment on hub
Véhicules routiers — Roues pour véhicules utilitaires — Caractéristiques dimensionnelles de la fixation sur le moyeu
General Information
- Status
- Withdrawn
- Publication Date
- 31-Mar-1979
- Withdrawal Date
- 31-Mar-1979
- Technical Committee
- ISO/TC 22 - Road vehicles
- Drafting Committee
- ISO/TC 22 - Road vehicles
- Current Stage
- 9599 - Withdrawal of International Standard
- Start Date
- 02-Feb-1995
- Completion Date
- 14-Feb-2026
Relations
- Effective Date
- 15-Apr-2008
Buy Documents
ISO 4107:1979 - Road vehicles -- Wheels for commercial vehicles -- Dimensional characteristics of attachment on hub
ISO 4107:1979 - Véhicules routiers -- Roues pour véhicules utilitaires -- Caractéristiques dimensionnelles de la fixation sur le moyeu
Get Certified
Connect with accredited certification bodies for this standard

TÜV Rheinland
TÜV Rheinland is a leading international provider of technical services.

TÜV SÜD
TÜV SÜD is a trusted partner of choice for safety, security and sustainability solutions.
AIAG (Automotive Industry Action Group)
American automotive industry standards and training.
Sponsored listings
Frequently Asked Questions
ISO 4107:1979 is a standard published by the International Organization for Standardization (ISO). Its full title is "Road vehicles — Wheels for commercial vehicles — Dimensional characteristics of attachment on hub". This standard covers: Road vehicles — Wheels for commercial vehicles — Dimensional characteristics of attachment on hub
Road vehicles — Wheels for commercial vehicles — Dimensional characteristics of attachment on hub
ISO 4107:1979 is classified under the following ICS (International Classification for Standards) categories: 43.040.50 - Transmissions, suspensions. The ICS classification helps identify the subject area and facilitates finding related standards.
ISO 4107:1979 has the following relationships with other standards: It is inter standard links to ISO 4107:1995. Understanding these relationships helps ensure you are using the most current and applicable version of the standard.
ISO 4107:1979 is available in PDF format for immediate download after purchase. The document can be added to your cart and obtained through the secure checkout process. Digital delivery ensures instant access to the complete standard document.
Standards Content (Sample)
INTERNATIONAL STANDARD @ 4107
'*!e
INTERNATIONAL ORGANIZATION FOR STANDARDIZATION *MEXRYHAPORHAI OPïAHAJAUIII II0 CïAHRAPTA3AUHH -ORGANISATION INTERNATIONALE DE NORMALISATION
*
Road vehicles - Wheels for commercial vehicles -
Dimensional characteristics of attachment on hub
Véhicules routiers - Roues pour véhicules utilitaires - Caractéristiques dimensionnelles de la fixation sur le mo Yeu
First edition - 197944-15
- ï.ù UDC 629.11.012.612.3 Ref. No. IS0 4107-1979 (E)
l?
O! Descriptors : road vehicles, commercial road vehicles, machine elements, wheels, vehicle wheels, hubs, dimensions.
A
w
O
v,
Price based on 4 pages
FOREWORD
IS0 (the International Organization for Standardization) is a worldwide federation
of national standards institutes (IS0 member bodies). The work of developing
International Standards is carried out through IS0 technical committees. Every
member body interested in a subject for which a technical committee has been set
up has the right to be represented on that committee. International organizations,
governmental and non-governmental, in liaison with ISO, also take part in the work.
Draft international Standards adopted by the technical committees are circulated
to the member bodies for approval before their acceptance as International
Standards by the IS0 Council.
International Standard IS0 4107 was developed by Technical Committee
lSO/TC 22, Road vehicles, and was circulated to the member bodies in July 1977.
It has been approved by the member bodies of the following countries :
Austria Japan South Africa, Rep. of
Belgium Korea, Dem. P. Rep. of Spain
Chile Korea, Rep. of Sweden
Czechoslovakia Mexico Switzerland
France Netherlands
USA
Germany, F.R. Poland
USSR
I ran Romania Yugoslavia
The member bodies of the following countries expressed disapproval of the
document on technical grounds :
Italy
United Kingdom
Q International Organization for Standardization, 1979 O
Printed in Switzerland
~~~
INTERNATIONAL STANDARD IS0 4107-1979 (E)
Road vehicles - Wheels for commercial vehicles -
Dimensional characteristics of attachment on hub
e
1 SCOPE
This International Standard specifies the dimensional characteristics necessary for the attachment of the wheel on the hub.
The
...
NORME iNTERNATiONALE @ 4107
‘*Em
INTERNATIONAL ORGANIZATION FOR STANDARDIZATION .MEXLIYHAPOAHAI OPïAHH3AUHR Il0 CTAHLIAPTH3AUAH .ORGANISATION INTERNATIONALE DE NORMALISATION
Véhicules routiers - Roues pour véhicules utilitaires -
Caractéristiques dimensionnelles de la fixation sur le
moyeu
Road vehicles - Wheels for commercial vehicles - Dimensional characteristics of attachment on hub
Première édition - 1979-04-15
CDU 629.11.012.612.3
Réf. no IS0 : 4107-1979 (FI
Descripteurs : véhicule routier, véhicule routier utilitaire, élément de machine, roue, roue de véhicule, moyeu, dimension.
Prix bas6 sur 4 pages
AVANT-PROPOS
L'ISO (Organisation internationale de normalisation) est une fédération mondiale
d'organismes nationaux de normalisation (comités membres de I'ISO). L'élaboration
des Normes internationales est confiée aux comités techniques de I'ISO. Chaque
comité membre intéressé par une étude a le droit de faire partie du comité technique
correspondant. Les organisations internationales, gouvernementales et non
gouvernementales, en liaison avec I'ISO, participent également aux travaux.
Les projets de Normes internationales adoptés par les comités techniques sont
soumis aux comités membres pour approbation, avant leur acceptation comme
Normes internationales par le Conseil de I'ISO.
La Norme internationale IS0 4107 a été élaborée par le comité technique
iSO/TC 22, Véhicules routiers, et a été soumise aux comités membres en juillet 1977.
Les comités membres des pays suivants l'ont approuvée :
Afrique du Sud, Rép. d' Espagne Roumanie
Allemagne, R.F. France
Suède
Autriche I ran
Suisse
Belgique Japon Tchécoslovaquie
Chili Mexique URSS
Corée, Rép. dém. p. de Pays-Bas USA
Corée, Rép. de Pologne Yougoslavie
Les comités membres des pays suivants l'ont désapprouvée pour des raisons
techniques :
Italie
Royaume-Uni
O Organisation internationale de normalisation, 1979 O
Imprimé en Suisse
NORME INTERNATIONALE IS0 4107-1979 (F)
Véhicules routiers - Roues pour véhicules utilitaires -
Caractéristiques dimensionnelles de la fixation sur le
moyeu
1 OBJET
La présente Norme internationale spécifie les caractéristiques dimensionnelles nécessaires à la fixation de la roue sur le moyeu.
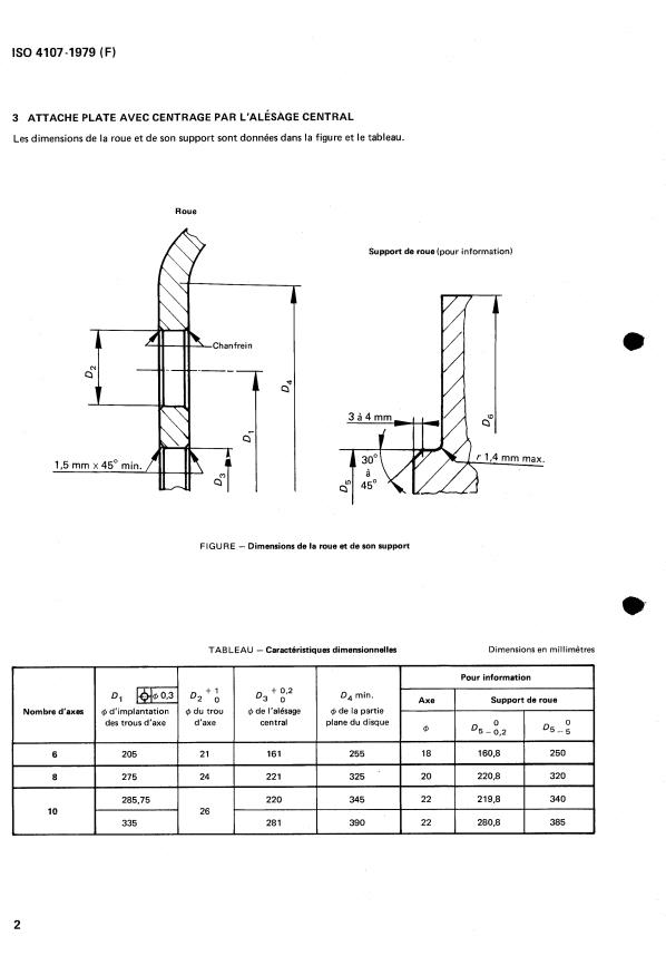
Le type d‘attache plate avec centrage par l’alésage central est le type recommandé pour les équipements futurs.
les caractéristiques des attaches avec
...








Questions, Comments and Discussion
Ask us and Technical Secretary will try to provide an answer. You can facilitate discussion about the standard in here.
Loading comments...