ISO 7265:1984
(Main)Cross-country skis — Binding mounting area — Static screw retention strength — Requirements and test method
Cross-country skis — Binding mounting area — Static screw retention strength — Requirements and test method
Skis de fond — Zone de montage de la fixation — Résistance à l'arrachement statique des vis — Spécifications et méthode d'essai
General Information
- Status
- Withdrawn
- Publication Date
- 31-Jul-1984
- Withdrawal Date
- 31-Jul-1984
- Technical Committee
- ISO/TC 83/SC 4 - Snowsports equipment
- Drafting Committee
- ISO/TC 83/SC 4 - Snowsports equipment
- Current Stage
- 9599 - Withdrawal of International Standard
- Start Date
- 01-Nov-1990
- Completion Date
- 14-Feb-2026
Relations
- Revised
SIST ISO 9119:1995 - Cross-country skis -- Binding mounting area -- Requirements and test methods - Effective Date
- 12-May-2008
- Effective Date
- 15-Apr-2008
Buy Documents
ISO 7265:1984 - Cross-country skis -- Binding mounting area -- Static screw retention strength -- Requirements and test method
ISO 7265:1984 - Cross-country skis — Binding mounting area — Static screw retention strength — Requirements and test method Released:8/1/1984
Frequently Asked Questions
ISO 7265:1984 is a standard published by the International Organization for Standardization (ISO). Its full title is "Cross-country skis — Binding mounting area — Static screw retention strength — Requirements and test method". This standard covers: Cross-country skis — Binding mounting area — Static screw retention strength — Requirements and test method
Cross-country skis — Binding mounting area — Static screw retention strength — Requirements and test method
ISO 7265:1984 is classified under the following ICS (International Classification for Standards) categories: 97.220.20 - Winter sports equipment. The ICS classification helps identify the subject area and facilitates finding related standards.
ISO 7265:1984 has the following relationships with other standards: It is inter standard links to SIST ISO 9119:1995, ISO 9119:1990. Understanding these relationships helps ensure you are using the most current and applicable version of the standard.
ISO 7265:1984 is available in PDF format for immediate download after purchase. The document can be added to your cart and obtained through the secure checkout process. Digital delivery ensures instant access to the complete standard document.
Standards Content (Sample)
International Standard 7265
INTERNATIONAL ORGANIZATION FOR STANDARDIZATION*ME~YHAPOLlHAR OPrAHHJAUMR il0 CTAHAAPTM3AUMM*ORGANlSATlON INTERNATIONALE DE NORMALISATION
Cross-country skis - Binding mounting area - Static
- Requirements and test
screw retention strength
method
Skis de fond - Zone de montage de la fixation - Résistance à /'arrachement statique des vis - Spécifications et méthode
d'essai
First edition - 1984-08-15
UDC 685.363.2 Ref. No. IS0 7265-1984 (E)
-
'
Descriptors : sports equipment, skis, cross country skis, mounting surfaces, fastening, specifications, tests, mechanical tests, test equipment.
P
Ln
e
Price based on 4 pages
s
~ Foreword
IS0 (the International Organization for Standardization) is a worldwide federation of
national standards bodies (IS0 member bodies). The work of developing International
Standards is carried out through IS0 technical committees. Every member body
interested in a subject for which a technical committee has been authorized has the
right to be represented on that committee. International organizations, governmental
and non-governmental, in liaison with ISO, also take part in the work.
Draft International Standards adopted by the technical committees are circulated to
the member bodies for approval before their acceptance as International Standards by
the IS0 Council.
International Standard IS0 7265 was developed by Technical Committee ISO/TC 83,
Sports and recreational equipment, and was circulated to the member bodies in
September 1983.
It has been approved by the member bodies of the following countries :
~
Austria Germany, F.R. Sweden
Czechoslovakia India Switzerland
Egypt, Arab Rep. of Italy USA
Finland
Japan USSR
France South Africa, Rep. of
The member body of the following country expressed disapproval of the document on
technical grounds :
Poland
~
O International Organization for Standardization, 1984 O
Printed in Switzerland
I
INTERNATIONAL STANDARD IS0 7265-1984 (E)
Cross-country skis - Binding mounting area - Static
screw retention strength - Requirements and test
method
forces on a pair of screws under conditions as defined in
1 Scope and field of application
clauses 5 and 7.
This International Standard specifies minimum values for the
screw retention strength of the binding mounting area of cross-
3.2 minimum screw retention strength, FR min, in
a method of test for determining the
country skis and specifies
newtons: Value of screw retention strength as indicated in
static screw retention strength. Different values are specified
clause 4.
for two groups of sizes.
penetration depth d, in millimetres: The depth, the
3.3
Group 1 : from 130 cm to 175 cm
binding mounting screw penetrates the ski (see figure 1).
Group 2: from 180 cm to 220 cm
It specifically excludes alpine skis. It also excludes skis intended
for use with cable bindings.
1 .I A designated binding attachment area, hereafter referred
to as the "binding mounting area", shall be provided by the ski
manufacturer in accordance with IS0 7264 and shall be the
only area of the ski subjected to this test and may be specially
reinforced.
1.2 This International Standard covers skis the bindings of
which are attached by means of screws in area Al and screws,
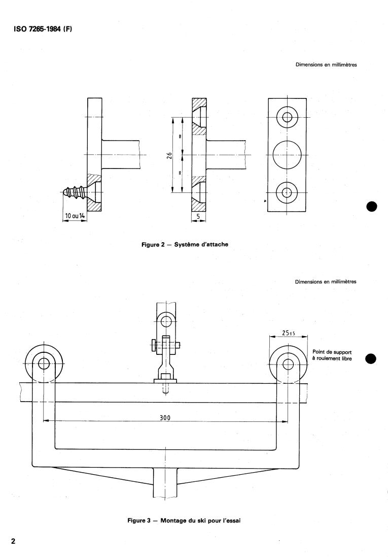
Figure 1 - Penetration depth d of the screw
nails or other fasteners in area A,.
1.3 Using test screws loaded normal to the ski surface, the
method of test specified herein simultaneously controls the
3.4 tightening torque MT, in newton metres: The mo-
tendency of screws to be pulled out, skis to delaminate, and
ment specified in the mounting instructions or in the test pro-
screw hole threads to strip.
cedure, which is used to tighten the ski binding screw to ensure
sufficient fastening.
2 References
IS0 7264, Cross-country skis - Dimensions of the binding
4 Requirements
mounting area for toe clip bindings.
The values given in table 1 for the penetration depth d and for
IS0 7793, Cross-
...
Norme internationale @ 7265
I $*X!
I
I
INTERNATIONAL ORGANIZATION FOR STANDARDIZATIONOME~YHAPO~HAR OPrAHH3AUHR fl0 CTAHllAPTM3AUHMOORGANlSATlON INTERNATIONALE DE NORMALISATION
l
Skis de fond - Zone de montage de la fixation -
Résistance à l'arrachement statique des vis -
:
Spécifications et méthode d'essai
Cross-country skis - Binding mounting area - Static screw retention strength - Requirements and test method
~
I Première édition - 1984-08-15
U CDU 685.363.2 Réf. no : IS0 7265-1984 (FI
-
Descripteurs: matériel de sport, ski, ski de fond, pian de pose, dispositif de fixation, spécification, essai, essai mécanique, matériel d'essai.
$
lA
E
Prix basé sur 4 pages
a
Avant-propos
L'ISO (Organisation internationale de normalisation) est une fédération mondiale
d'organismes nationaux de normalisation (comités membres de I'ISO). L'élaboration
des Normes internationales est confiée aux comités techniques de I'ISO. Chaque
comité membre intéressé par une étude a le droit de faire partie du comité technique
correspondant. Les organisations internationales, gouvernementales et non gouverne-
mentales, en liaison avec I'ISO, participent également aux travaux.
Les projets de Normes internationales adoptés par les comités techniques sont soumis
aux comités membres pour approbation, avant leur acceptation comme Normes inter-
nationales par le Conseil de I'ISO.
La Norme internationale IS0 7265 a été élaborée par le comité technique ISO/TC 83,
Matériel de sport et d'activités de plein air, et a été soumise aux comités membres en
septembre 1983.
Les comités membres des pays suivants l'ont approuvée :
Afrique du Sud, Rép. d' France Suisse
Allemagne, R.F. Inde Tchécoslovaquie
Autriche
Italie URSS
Egypte, Rép. arabe d' Japon USA
Finlande Suède
Le comité membre du pays suivant l'a désapprouvée pour des raisons techniques :
Pologne
O Organisation internationale de normalisation, 1984 0
Imprimé en Suisse
IS0 7265-1984 (FI
NORM E I NTE R NAT1 ON ALE
Skis de fond - Zone de montage de la fixation -
Résistance à l'arrachement statique des vis -
Spécifications et méthode d'essai
1 Objet et domaine d'application
3.1 résistance à l'arrachement des vis, FR, en newtons :
Caractéristique du ski à résister à des forces d'arrachement
La présente Norme internationale spécifie des valeurs minima-
sur une paire de vis, dans les conditions définies aux cha-
les de résistance à l'arrachement des vis de la zone de montage
pitres 5 et 7.
de la fixation des skis de fond, et décrit une méthode d'essai
pour déterminer la résistance à l'arrachement statique des vis.
3.2 résistance minimale à l'arrachement des vis, FR ,,,in,
Différentes valeurs sont spécifiées pour deux groupes de
en newtons: Valeur de résistance à l'arrachement telle
tailles :
qu'indiquée au chapitre 4.
Groupe 1 : de 130 à 175 cm
3.3 profondeur de pénétration, d, en millimètres: Pro-
Groupe 2: de 180 à 220 cm
fondeur à laquelle la vis de montage de la fixation pénètre le ski
(voir figure 1).
Elle exclut particulièrement les skis alpins : elle exclut également
les skis utilisés avec des fixations à câble.
1.1 La zone définie pour monter la fixation, appelée «zone de
montage de la fixation D, doit être conçue par le fabricant de ski
à I'ISO 7264 et doit être la seule zone du ski sou-
conformément
mise à l'essai, et peut être spécialement renforcée.
1.2 La présente Norme internationale s'applique aux skis sur
lesquels les fixations sont montées à l'aide de vis dans la zone
Al et de vis, clous ou autres systèmes d'attache dans la
Figure 1 - Profondeur de pénétration d de la vis
zone A,.
1.3 La présente méthode d'essai contrôle à la fois la tendance
3.4 moment de serrage, MT, en newton mètres:
des vis à s'arracher, des skis à se décoller et des filets du trou de
Moment spécifié dans les conditions de montage ou d'essai,
perçage à se détériorer, en utilisant des vis d'essai sur lesquelles
utilisé pour fixer la vis sur le ski, afin de garantir un assemblage
on applique une charge normale par rapport à la surface du ski.
ski-fixation suffisant.
4 Spécifications
2 Références
Les valeurs indiquées dans le tableau 1 doivent être constatées
IS0 7264, Skis de fond - Dimensions de la zone de montage
pour la profondeur de pénétration d et pour la résistance mini-
pour les fixatio
...








Questions, Comments and Discussion
Ask us and Technical Secretary will try to provide an answer. You can facilitate discussion about the standard in here.
Loading comments...