ISO 8018:1985
(Main)Mould guide bushes, headed, and locating guide bushes, headed
Mould guide bushes, headed, and locating guide bushes, headed
Bagues de guidage pour moules, à collerette et à collerette avec plot de centrage
General Information
- Status
- Withdrawn
- Publication Date
- 31-Jul-1985
- Withdrawal Date
- 31-Jul-1985
- Technical Committee
- ISO/TC 29/SC 8 - Tools for pressing and moulding
- Drafting Committee
- ISO/TC 29/SC 8 - Tools for pressing and moulding
- Current Stage
- 9599 - Withdrawal of International Standard
- Start Date
- 12-Jan-2007
- Completion Date
- 12-Feb-2026
Relations
- Effective Date
- 15-Apr-2008
ISO 8018:1985 - Mould guide bushes, headed, and locating guide bushes, headed
ISO 8018:1985 - Bagues de guidage pour moules, a collerette et a collerette avec plot de centrage
ISO 8018:1985 - Bagues de guidage pour moules, a collerette et a collerette avec plot de centrage
Get Certified
Connect with accredited certification bodies for this standard
National Aerospace and Defense Contractors Accreditation Program (NADCAP)
Global cooperative program for special process quality in aerospace.
CARES (UK Certification Authority for Reinforcing Steels)
UK certification for reinforcing steels and construction.
DVS-ZERT GmbH
German welding certification society.
Sponsored listings
Frequently Asked Questions
ISO 8018:1985 is a standard published by the International Organization for Standardization (ISO). Its full title is "Mould guide bushes, headed, and locating guide bushes, headed". This standard covers: Mould guide bushes, headed, and locating guide bushes, headed
Mould guide bushes, headed, and locating guide bushes, headed
ISO 8018:1985 is classified under the following ICS (International Classification for Standards) categories: 25.120.30 - Moulding equipment. The ICS classification helps identify the subject area and facilitates finding related standards.
ISO 8018:1985 has the following relationships with other standards: It is inter standard links to ISO 8018:2007. Understanding these relationships helps ensure you are using the most current and applicable version of the standard.
ISO 8018:1985 is available in PDF format for immediate download after purchase. The document can be added to your cart and obtained through the secure checkout process. Digital delivery ensures instant access to the complete standard document.
Standards Content (Sample)
International Standard
INTERNATIONAL ORGANIZATION FOR STANDARDlZATlON*MEIK~YHAPO~HAR OPTAHM3AUklR fl0 CTAH~APTM3AL(MM@ORGANlSATlON INTERNATIONALE DE NORMALISATION
Mould guide bushes, headed, and locating guide bushes,
headed
Bagues de guidage pour moules, ;i collerette et ;i collerette avec plot de centrage
First edition - 1985-08-15
Ref. No. IS0 80184985 (E)
U DC 621.887.7/8
Descriptors : tools, moulds, components, bushings, guide bushings, dimensions, designation.
Price based on 4 pages
Foreword
IS0 (the International Organization for Standardization) is a worldwide federation of
national standards bodies (IS0 member bodies). The work of preparing International
Standards is normally carried out through IS0 technical committees. Each member
body interested in a subject for which a technical committee has been established has
the right to be represented on that committee. International organizations, govern-
mental and non-governmental, in liaison with ISO, also take part in the work.
Draft International Standards adopted by the technical committees are circulated to
the member bodies for approval before their acceptance as International Standards by
the IS0 Council. They are approved in accordance with IS0 procedures requiring at
least 75 % approval by the member bodies voting.
International Standard IS0 8018 was prepared by Technical Committee ISO/TC 29,
Small took.
0 International Organization for Standardization, 1985
Printed in Switzerland
IS0 8018-1985 (E)
INTERNATIONAL STANDARD
Mould guide bushes, headed, and locating guide bushes,
headed
1 Scope and field of application
This International Standard lays down the dimensions and tolerances in millimetres for headed guide bushes and headed locating
guide bushes intended for use in moulds.
2 References
IS0 4957, Tool steels.
IS0 6753, Machined plates for press tools, moulds, jigs and fixtures - Nominal dimensions.
IS0 8017, Mould guide pillars, straight and shouldered, and locating guide pillars, shouldered.
IS0 8018-1985 (E)
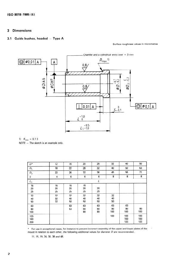
3 Dimensions
3.1 Guide bushes, headed - Type A
Surface roug
...
Norme internationale @ 8018
INTERNATIONAL ORGANIZATION FOR STANDARDIZATION*MEXAYHAPOflHAR OPrAHM3AUMR no CTAHAAPTM3AUMM*ORGANlSATlON INTERNATIONALE DE NORMALISATION
Bagues de guidage pour moules, à collerette et
à collerette avec plot de centrage
Mould guide bushes, headed, and locating guide bushes, headed
Première edition - 1985-08-15
CDU 621.887.7/8 RBf. no : IS0 8018-1985 (FI
c Descripteurs : outil, moule (rbcipient), composant, bague, bague de guidage, dimension, d6signation.
O
v, Prix bas6 sur 4 pages
Avant-propos
L’ISO (Organisation internationale de normalisation) est une fédération mondiale
d’organismes nationaux de normalisation (comités membres de I’ISO). L’élaboration
des Normes internationales est confiée aux comités techniques de I’ISO. Chaque
comité membre intéressé par une érude a le droit de faire partie du comité technique
créé 8 cet effet. Les organisations internationales, gouvernementales et non gouverne-
mentales, en liaison avec I‘ISO, participent également aux travaux.
Les projets de Normes internationales adoptés par les comités techniques sont soumis
aux comités membres pour approbation, avant leur acceptation comme Normes inter-
nationales par le Conseil de I‘ISO. Les Normes internationales sont approuvées confor-
mément aux procédures de I’ISO qui requièrent l‘approbation de 75 % au moins des
comités membres votants.
La Norme internationale IS0 8018 a été élaborée par le comité technique ISO/TC 29,
Petit outillage.
O Organisation internationale de normalisation, 1985 0
Imprimé en Suisse
IS0 8018-1985 (FI
NORM E I NTE R NAT1 O NA LE
Bagues de guidage pour moules, à collerette et
à collerette avec plot de centrage
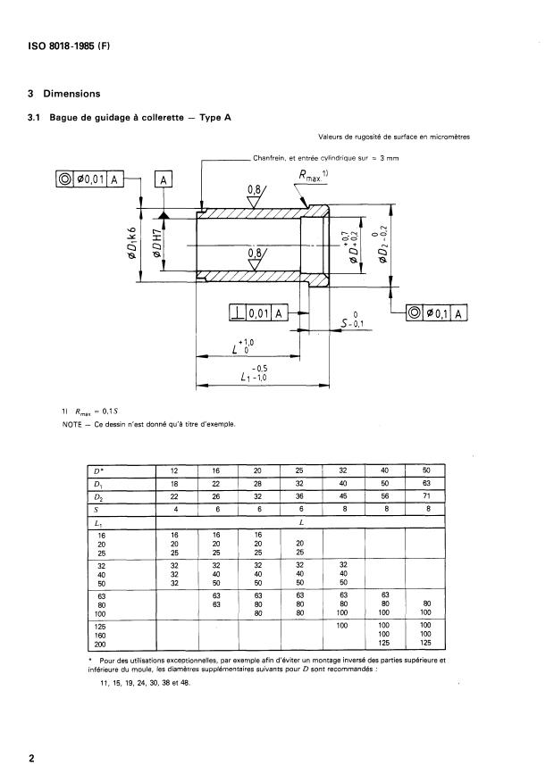
1 Objet et domaine d’application
La présente Norme internationale fixe les dimensions et les tolérances, en millim&res, des bagues de guidage à collerette et à
collerette avec plot de centrage, destinées à être utilisées dans les moules.
2 Références
IS0 4957, Aciers B outils.
...
Norme internationale
INTERNATIONAL ORGANIZATION FOR STANDARDIZATION.MEIK~YHAPO&HAR OPTAHM3AQMR Il0 CTAH~APTM3ALWlM~ORGANISATlON INTERNATIONALE DE NORMALISATION
Bagues de guidage pour moules, à collerette et
à collerette avec plot de centrage
Mould guide bushes, headed, and locating guide bushes, headed
Première édition - 1985-08-15
CDU 621.887.7/8 Réf. no : ISO 80184985 (F)
outil, moule (récipient), composant, bague, bague de guidage, dimension, désignation.
Descripteurs :
Prix basé sur 4 pages
Avant-propos
L’ISO (Organisation internationale de normalisation) est une fédération mondiale
d’organismes nationaux de normalisation (comités membres de I’ISO). L’élaboration
des Normes internationales est confiée aux comités techniques de I’ISO. Chaque
comité membre intéressé par une étude a le droit de faire partie du comité technique
créé à cet effet. Les organisations internationales, gouvernementales et non gouverne-
mentales, en liaison avec I’ISO, participent également aux travaux.
Les projets de Normes internationales adoptés par les comités techniques sont soumis
aux comités membres pour approbation, avant leur acceptation comme Normes inter-
nationales par le Conseil de I’ISO. Les Normes internationales sont approuvées confor-
mément aux procédures de VIS0 qui requièrent l’approbation de 75 % au moins des
comités membres votants.
La Norme internationale ISO 8018 a été élaborée par le comité technique ISO/TC 29,
Petit outillage.
0 Organisation internationale de normalisation, 1985
Imprimé en Suisse
ISO 80184985 (FI
NORME INTERNATIONALE
Bagues de guidage pour moules, à collerette et
à collerette avec plot de centrage
1 Objet et domaine d’application
La présente Norme internationale fixe les dimensions et les tolérances, en millimètres, des bagues de guidage à collerette et à
collerette avec plot de centrage, destinées à être utilisées dans les moules.
2 Références
ISO 4957, Aciers à 0utJs.
ISO 6753, Plaques usinées pour outils de presses, moules, montages et fixations - Dimensions nominales.
ISO 8017, Colonnes de guidage pour moules, droites et épaulées, et épaulées avec plot de centrage.
...












Questions, Comments and Discussion
Ask us and Technical Secretary will try to provide an answer. You can facilitate discussion about the standard in here.
Loading comments...