ISO 2861-2:1980
(Main)Vacuum technology — Quick release couplings — Dimensions — Part 2: Screwed type
Vacuum technology — Quick release couplings — Dimensions — Part 2: Screwed type
ISO 2861-2:1980 specifies the dimensions of quick-release couplings of the screwed type as used in vacuum technology, as well as those of the “O” rings and the insert which are associated with these tailpieces to ensure coupling tightness. General information is also included which refers to the clamped quick-release coupling standardized internationally in ISO 2861-1, with which the screwed quick-release coupling specified in ISO 2861-2:1980 is compatible.
Technique du vide — Raccords rapides — Dimensions — Partie 2: Raccords de type fileté
L'ISO 2861-2:1980 fixe les dimensions des embouts de raccords rapides de type fileté utilisés en technique du vide, ainsi que celles des joints toriques et de leurs supports, qui sont associés à ces embouts pour assurer l'étanchéité de la jonction. L'ISO 2861-2:1980 contient également des renseignements généraux sur les raccords rapides à collier normalisés internationalement dans l'ISO 2861-1 avec lesquels les raccords rapides de type fileté traités dans l'ISO 2861-2:1980 sont compatibles.
General Information
- Status
- Withdrawn
- Publication Date
- 31-Jul-1980
- Withdrawal Date
- 31-Jul-1980
- Technical Committee
- ISO/TC 112 - Vacuum technology
- Drafting Committee
- ISO/TC 112/WG 3 - Vacuum hardware
- Current Stage
- 9599 - Withdrawal of International Standard
- Start Date
- 19-Jul-2010
- Completion Date
- 14-Feb-2026
Buy Documents
ISO 2861-2:1980 - Vacuum technology -- Quick release couplings -- Dimensions
ISO 2861-2:1980 - Technique du vide -- Raccords rapides -- Dimensions
ISO 2861-2:1980 - Technique du vide -- Raccords rapides -- Dimensions
Get Certified
Connect with accredited certification bodies for this standard
Institut za varilstvo d.o.o. (Welding Institute)
Slovenia's leading welding institute since 1952. ISO 3834, EN 1090, pressure equipment certification, NDT personnel, welder qualification. Only IIW Au
Sponsored listings
Frequently Asked Questions
ISO 2861-2:1980 is a standard published by the International Organization for Standardization (ISO). Its full title is "Vacuum technology — Quick release couplings — Dimensions — Part 2: Screwed type". This standard covers: ISO 2861-2:1980 specifies the dimensions of quick-release couplings of the screwed type as used in vacuum technology, as well as those of the “O” rings and the insert which are associated with these tailpieces to ensure coupling tightness. General information is also included which refers to the clamped quick-release coupling standardized internationally in ISO 2861-1, with which the screwed quick-release coupling specified in ISO 2861-2:1980 is compatible.
ISO 2861-2:1980 specifies the dimensions of quick-release couplings of the screwed type as used in vacuum technology, as well as those of the “O” rings and the insert which are associated with these tailpieces to ensure coupling tightness. General information is also included which refers to the clamped quick-release coupling standardized internationally in ISO 2861-1, with which the screwed quick-release coupling specified in ISO 2861-2:1980 is compatible.
ISO 2861-2:1980 is classified under the following ICS (International Classification for Standards) categories: 23.160 - Vacuum technology. The ICS classification helps identify the subject area and facilitates finding related standards.
ISO 2861-2:1980 is available in PDF format for immediate download after purchase. The document can be added to your cart and obtained through the secure checkout process. Digital delivery ensures instant access to the complete standard document.
Standards Content (Sample)
International Standard
INTERNATIONAL ORGANIZATION FOR STANDARDIZATIONWE~YHAPO~HAR OPl-AHM3AUMR fl0 CTAH~APTH3AlJhl.ORGANISATION INTERNATIONALE DE ~ORMALISATION
Vacuum technology - Quick release couplings -
Dimensions -
Part 2 : Screwed type
Technique du vide - Ratcords rapides - Dimensions -
Partie 2 : Ratcords de type filet6
First edition - 1980-08-01
UDC 621.643.414 : 621.52
Ref. No. ISO 2861/2-1980 (E)
Descriptors : vacuum technology, vacuum apparatus, pipe joints, vacuum Seals, threaded mechanical Parts, O-ring Seals, dimensions, pipe Clips.
Price based on 6 pages
Foreword
ISO (the International Organization for Standardization) is a worldwide federation of
national Standards institutes (ISO member bodies). The work of developing Inter-
national Standards is carried out through ISO technical committees. Every member
body interested in a subject for which a technical committee has been set up has the
right to be represented on that committee. International organizations, governmental
and non-governmental, in liaison with ISO, also take part in the work.
Draft International Standards adopted by the technical committees are circulated to
the member bodies for approval before their acceptance as International Standards by
the ISO Council.
lnternational Standard ISO 2861/2 was developed by Technical Committee
ISO/TC 112, Vacuum technology, and was circulated to the member bodies in Decem-
ber 1978.
lt has been approved by the member bodies of the following countries :
Belgiu m Italy Spain
Korea, Rep. of Turkey
Chile
Czechoslovakia Mexico United Kingdom
France Netherlands USSR
Romania
Germany, F. R.
India South Africa, Rep. of
the following countries expressed disapproval of the document
Th e member bodies of
on technical grounds :
Australia
Poland
USA
0 International Organkation for Standardkation, 1980
Printed in Switzerland
ISO 2861/2-1980 (E)
INTERNATIONAL STANDARD
Quick release couplings -
Vacuum technology -
Dimensions -
Part 2 : Screwed type
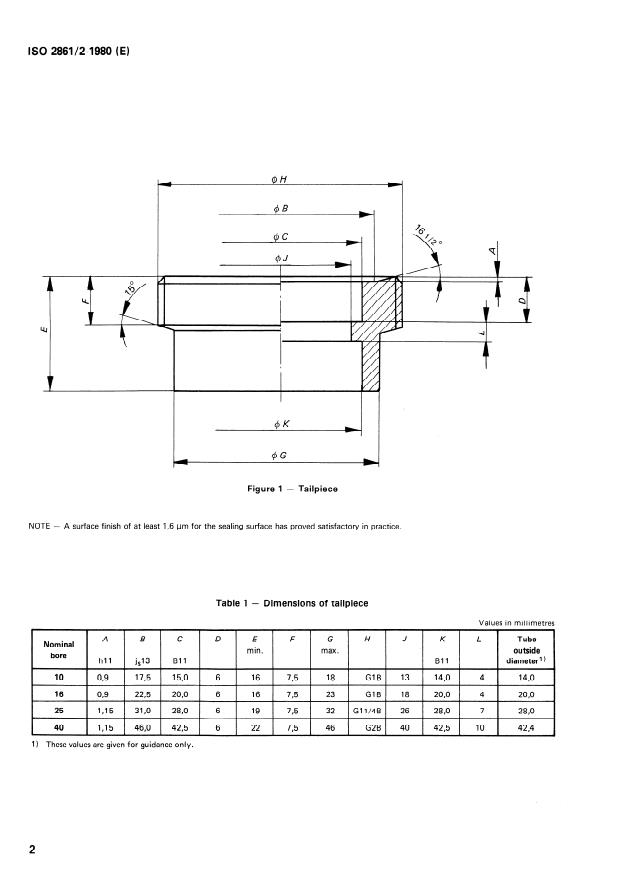
1 Scope and field of application 3 Screwed coupling tailpiece
This part of ISO 2861 specifies the dimensions of quick-release Figure 1 illustrates the form of the screwed coupling tailpiece.
couplings of the screwed type as used in vacuum technology, All associated dimensions are given in table 1.
as weil as those of the “0” rings and the insert which are
associated with these tailpieces to ensure coupling tightness.
4 Screwed coupling insert
General information is also included which refers to the
clamped quick-release coupling standardized internationally in Figure 2 Shows the screwed coupling insert. The associated
ISO 2861 /l, with which the screwed quick-release coupling
...
Norme internationale
INTERNATIONAL ORGANIZATION FOR STANDARDIZATION.MElK,llYHAPO&HAR OPrAHM3ALWlfl l-l0 CTAt-t~APTkl3A~klbl@ORGANISATION INTERNATIONALE DE NORMALISATION
Technique du vide - Raccords rapides - Dimensions -
Partie 2 : Raccords de type fileté
Qui& release couplings - Dimensions - Part 2 : Screwed type
Vacuum technolog y -
Première édition - 1980-08-01
ci:
CDU 621643.414 : 621.52 Réf. no : ISO2861/2-1980 IF)
Descripteurs : technique du vide, appareil à vide, joint de tuyau, joint d’étanchéité à vide, pièce filetée, joint torique, dimension, collier.
Prix basé sur 6 pages
Avant-propos
L’ISO (Organisation internationale de normalisation) est une fédération mondiale
d’organismes nationaux de normalisation (comités membres de I’ISO), L’élaboration
des Normes internationales est confiée aux comités techniques de I’ISO. Chaque
comité membre intéressé par une étude a le droit de faire partie du comité technique
correspondant. Les organisations internationales, gouvernementales et non gouverne-
mentales, en liaison avec I’ISO, participent également aux travaux.
Les projets de Normes internationales adoptés par les comités techniques sont soumis
aux comités membres pour approbation, avant leur acceptation comme Normes inter-
nationales par le Conseil de I’ISO.
La Norme internationale ISO 2861/2 a été élaborée par le comité technique
,
ISO/TC 112, Technique du vide, et a été soumise aux comités membres en décembre
1978.
Les comités membres des pays suivants l’ont approuvée :
Afrique du Sud, Rép. d’ France Royaume-Uni
Allemagne, R.F. Inde Tchécoslovaquie
Belgique Italie Turquie
Chili Mexique URSS
Corée, Rép. de Pays-Bas
Espagne Roumanie
Les comités désapprouvée
membres des suivants l’ont pour des raisons techni-
Pays
ques :
Australie
Pologne
USA
0 Organisation internationale de normalisation, 1980
Imprimé en Suisse
ISO 2861/2-1980 (F)
NORME INTERNATIONALE
Technique du vide - Raccords rapides - Dimensions -
Partie 2 : Raccords de type fileté
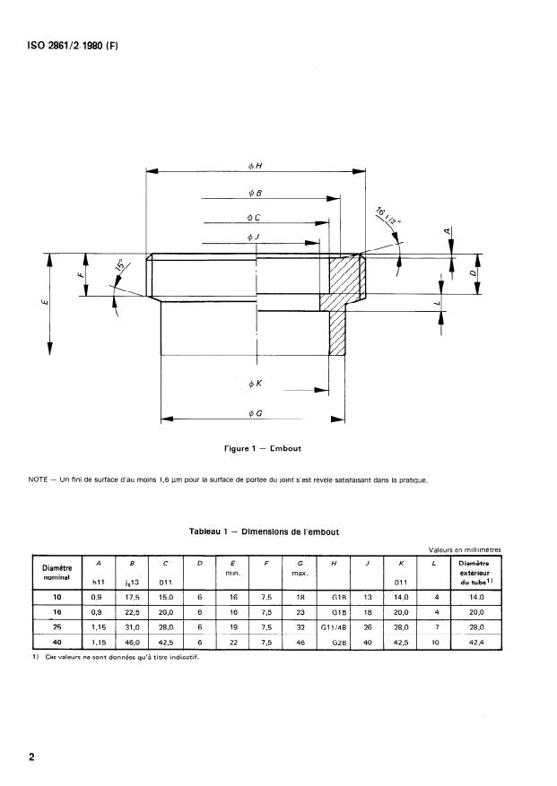
3 Embout du raccord de type fileté
1 Objet et domaine d’application
La figure 1 représente un embout de raccord de type fileté dont
La présente partie de I’ISO 2861 fixe les dimensions des
les dimensions sont données au tableau 1.
embouts de raccords rapides de type fileté utilisés en technique
du vide, ainsi que celles des joints toriques et de leurs supports,
qui sont associés à ces embouts pour assurer l’étanchéité de la
jonction.
4 Support de joint pour raccord de type fileté
Elle contient également des renseignements généraux sur les
La figure 2 représente un support de joint dont les dimensions
raccords rapides à collier normalisés sur le plan international
sont données au tableau 2.
(ISO 2861/1) a vec lesquels
...
Norme internationale
INTFRNATlClNAl ORGANIZAT,ON FOR STANDARDIZATIONOME)I(L1YHAPO~HAR OPrAHM3A~Mfl l-l0 CTAH~APTM3A~klM.ORGANISATION INTERNATIONALE DE NORMALISATION
Technique du vide - Raccords rapides - Dimensions -
Partie 2 : Raccords de type fileté
Qui& release couplings - Dimensions - Part 2 : Screwed type
Vacuum technolog y -
Première édition - 1980-08-01
ci:
CDU 621643.414 : 621.52 Réf. no : ISO2861/2-1980 IF)
Descripteurs : technique du vide, appareil à vide, joint de tuyau, joint d’étanchéité à vide, pièce filetée, joint torique, dimension, collier.
Prix basé sur 6 pages
Avant-propos
L’ISO (Organisation internationale de normalisation) est une fédération mondiale
d’organismes nationaux de normalisation (comités membres de I’ISO), L’élaboration
des Normes internationales est confiée aux comités techniques de I’ISO. Chaque
comité membre intéressé par une étude a le droit de faire partie du comité technique
correspondant. Les organisations internationales, gouvernementales et non gouverne-
mentales, en liaison avec I’ISO, participent également aux travaux.
Les projets de Normes internationales adoptés par les comités techniques sont soumis
aux comités membres pour approbation, avant leur acceptation comme Normes inter-
nationales par le Conseil de I’ISO.
La Norme internationale ISO 2861/2 a été élaborée par le comité technique
,
ISO/TC 112, Technique du vide, et a été soumise aux comités membres en décembre
1978.
Les comités membres des pays suivants l’ont approuvée :
Afrique du Sud, Rép. d’ France Royaume-Uni
Allemagne, R.F. Inde Tchécoslovaquie
Belgique Italie Turquie
Chili Mexique URSS
Corée, Rép. de Pays-Bas
Espagne Roumanie
Les comités membres des pays suivants l’ont désapprouvée pour des raisons techni-
ques :
Australie
Pologne
USA
0 Organisation internationale de normalisation, 1980 l
Imprimé en Suisse
ISO 2861/2-1980 (F)
NORME INTERNATIONALE
Technique du vide - Raccords rapides - Dimensions -
Partie 2 : Raccords de type fileté
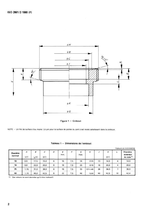
3 Embout du raccord de type fileté
1 Objet et domaine d’application
La figure 1 représente un embout de raccord de type fileté dont
La présente partie de I’ISO 2861 fixe les dimensions des
les dimensions sont données au tableau 1.
embouts de raccords rapides de type fileté utilisés en technique
du vide, ainsi que celles des joints toriques et de leurs supports,
qui sont associés à ces embouts pour assurer l’étanchéité de la
jonction.
4 Support de joint pour raccord de type fileté
Elle contient également des renseignements généraux sur les
La figure 2 représente un support de joint dont les dimensions
raccords rapides à collier normalisés sur le plan international
sont données au tableau 2.
(ISO 2861/1) a vec lesquels les raccords rapides de type fileté
traités dans la présente partie son
...












Questions, Comments and Discussion
Ask us and Technical Secretary will try to provide an answer. You can facilitate discussion about the standard in here.
Loading comments...