ISO 3875:1990
(Main)Acceptance conditions for external cylindrical centreless grinding machines — Testing of the accuracy
Acceptance conditions for external cylindrical centreless grinding machines — Testing of the accuracy
Specifies both geometrical and practical tests on these general purpose and normal accuracy grinding machines, and gives the corresponding permissible deviations which apply. It deals only with the verification of the accuracy of the machine. It does not apply to the testing of the running of the machine (vibrations, abnormal noises, stick-slip motion of components, etc.) or to machine characteristics (speed, feeds, etc.) which shall generally be checked before the accuracy is tested.
Conditions de réception des machines à rectifier les surfaces de révolution extérieures, sans centres — Contrôle de la précision
La présente Norme internationale indique, par référence à l'ISO 230-1, les vérifications géométriques et les épreuves pratiques des machines à rectifier les surfaces de révolution extérieures, sans centres, ainsi que les écarts tolérés correspondant à des machines d'usage général et de précision normale. La présente Norme internationale traite seulement du contrôle de la précision de la machine. Elle ne concerne ni l'examen de son fonctionnement (vibrations, bruits anormaux, points durs dans les déplacements d'organes, etc.), ni celui de ses caractéristiques (vitesses, avances, etc.), examens qui doivent, en général, précéder celui de la précision. La présente Norme internationale donne également la nomenclature utilisée pour les éléments principaux de la machine. NOTE -- En complément des termes utilisés dans les trois langues officielles de l'ISO (anglais, français et russe), la présente Norme internationale donne les termes équivalents dans la langue allemande ; ces termes sont publiés sous la responsabilité du Comité membre de l'Allemagne, R.F. (DIN). Toutefois, seuls les termes donnés dans les langues officielles peuvent être considérés comme des termes de l'ISO.
General Information
- Status
- Withdrawn
- Publication Date
- 27-Jun-1990
- Withdrawal Date
- 27-Jun-1990
- Technical Committee
- ISO/TC 39/SC 2 - Test conditions for metal cutting machine tools
- Drafting Committee
- ISO/TC 39/SC 2 - Test conditions for metal cutting machine tools
- Current Stage
- 9599 - Withdrawal of International Standard
- Start Date
- 06-Jan-2004
- Completion Date
- 12-Feb-2026
Relations
- Effective Date
- 15-Apr-2008
- Effective Date
- 15-Apr-2008
ISO 3875:1990 - Acceptance conditions for external cylindrical centreless grinding machines -- Testing of the accuracy
ISO 3875:1990 - Conditions de réception des machines a rectifier les surfaces de révolution extérieures, sans centres -- Contrôle de la précision
ISO 3875:1990 - Conditions de réception des machines a rectifier les surfaces de révolution extérieures, sans centres -- Contrôle de la précision
Get Certified
Connect with accredited certification bodies for this standard
National Aerospace and Defense Contractors Accreditation Program (NADCAP)
Global cooperative program for special process quality in aerospace.
CARES (UK Certification Authority for Reinforcing Steels)
UK certification for reinforcing steels and construction.
DVS-ZERT GmbH
German welding certification society.
Sponsored listings
Frequently Asked Questions
ISO 3875:1990 is a standard published by the International Organization for Standardization (ISO). Its full title is "Acceptance conditions for external cylindrical centreless grinding machines — Testing of the accuracy". This standard covers: Specifies both geometrical and practical tests on these general purpose and normal accuracy grinding machines, and gives the corresponding permissible deviations which apply. It deals only with the verification of the accuracy of the machine. It does not apply to the testing of the running of the machine (vibrations, abnormal noises, stick-slip motion of components, etc.) or to machine characteristics (speed, feeds, etc.) which shall generally be checked before the accuracy is tested.
Specifies both geometrical and practical tests on these general purpose and normal accuracy grinding machines, and gives the corresponding permissible deviations which apply. It deals only with the verification of the accuracy of the machine. It does not apply to the testing of the running of the machine (vibrations, abnormal noises, stick-slip motion of components, etc.) or to machine characteristics (speed, feeds, etc.) which shall generally be checked before the accuracy is tested.
ISO 3875:1990 is classified under the following ICS (International Classification for Standards) categories: 25.080.50 - Grinding and polishing machines. The ICS classification helps identify the subject area and facilitates finding related standards.
ISO 3875:1990 has the following relationships with other standards: It is inter standard links to ISO 3875:1980, ISO 3875:2004. Understanding these relationships helps ensure you are using the most current and applicable version of the standard.
ISO 3875:1990 is available in PDF format for immediate download after purchase. The document can be added to your cart and obtained through the secure checkout process. Digital delivery ensures instant access to the complete standard document.
Standards Content (Sample)
INTERNATIONAL
STANDARD
Second edition
1990-07-01
Acceptance conditions for extemal cylindrical
centreless grinding machines - Testing of the
accuracy
Conditions de rkeption des machines 2 rectifier les surfaces de rkvolution
exterieures, sans centres - Contr6le de Ia prkision
Reference number
ISO 3875 : 1990 (El
ISO 3875 : 1990 (El
Foreword
ISO (the International Organization for Standardization) is a worldwide federation of
national Standards bodies (ISO member bodies). The work of preparing International
Standards is normally carried out through ISO technical committees. Esch member
body interested in a subject for which a technical committee has been established has
the right to be represented on that committee. International organizations, govern-
mental and non-governmental, in liaison with ISO, also take part in the work. ISO
collaborates closely with the International Electrotechnical Commission (IEC) on all
matters of electrotechnical standardization.
Draft International Standards adopted by the technical committees are circulated to
the member bodies for voting. Publication as an International Standard requires
approval by at least 75 % of the member bodies casting a vote.
International Standard ISO 3975 was prepared by Technical Committee ISO/TC 39,
Machine tools.
This second edition cancels and replaces the first edition (ISO 3875 : 19801, of which it
constitutes a technical revision.
i
I
/
I
/
l
!
,
l
0 ISO 1990
All rights reserved. No part of this publication may be reproduced or utilized in any form or by any
means, electronie or mechanical, including photocopying and microfilm, without Permission in
l
writing from the publisher.
/
,
International Organization for Standardization
/
Case postale 56 l CH-121 1 Geneve 20 l Switzerland
/
Printed in Switzerland
ISO 3875 : 1990 (E)
INTERNATIONAL STANDARD
Acceptance conditions for external cylindrical centreless
Testing of the accuracy
grinding machines -
ISO 1101 : 1983, Technical drawings - Geometrical toleranc-
1 Scope
ing - Tolerancing of form, orientation, location and run-out -
Generalities, de finitions, s ymbols, indica tions on drawings.
This International Standard describes, with reference to
ISO 230-1, both geometrical and practical tests on general
purpose and normal accuracy external cylindrical centreless
3 Preliminary remarks
grinding machines and gives the corresponding permissible
deviations which apply.
3.1 In this International Standard, all the dimensions and per-
lt deals only with the verification of accuracy of the machine. lt
missible deviations are expressed in millimetres and in inches.
does not apply to the testing of the running of the machine
(vibrations, abnormal noises, stick-slip motion of components
etc.), or to its characteristics (Speeds, feeds etc.) which should
3.2 To apply this International Standard, reference should be
generally be checked before the accuracy is tested.
made to ISO 230-1 especially for the installation of the machine
before testing, the warming up of spindles and other moving
This International Standard also gives the nomenclature used
Parts, the description of measuring methods and the recom-
for the principal Parts of the machine.
mended accuracy of testing equipment.
NOTE - In addition to terms used in the three official ISO languages
(English, French and Russian), this International Standard gives the
3.3 The sequence in which the geometrical tests are given is
equivalent terms in the German language; these are published under
related to the sub-assemblies of the machine, and this in no
the responsibility of the member body for Germany, F.R. (DIN).
way defines the practical Order of testing. In Order to make the
However, only the terms given in the official languages tan be con-
mounting of instruments or gauging easier, tests may be ap-
sidered as ISO terms.
plied in any Order.
3.4 When inspecting a machine, it is not always necessary to
2 Normative references
carry out all the tests described in this International Standard. lt
is up to the user to choose, in agreement with the manufac-
The following Standards contain provisions which, through
turer, those relating to the properties which are of interest, but
reference in this text, constitute provisions of this International
these tests are to be clearly stated when ordering a machine.
Standard. At the time of publication, the editions indicated
were valid. All Standards are subject to revision, and Parties to
agreements based on this International Standard are encouraged
3.5 Practical tests shall be made with finishing cuts and not
to investigate the possibility of applying the most recent
with roughing cuts which are liable to generate appreciable
editions of the Standards indicated below. Members of IEC and
cutting forces.
ISO maintain registers of currently valid International Stan-
dards.
3.6 When the tolerante is established for a measuring range
different from that given in this International Standard (see
ISO 230-1 : 1986, Acceptance Code for machine tools -
ISO 230-1 : 1986, 2.311) it should be taken into consideration
Part I : Geometrie accuracy of machines operating under no-
that the minimum value of tolerante is 0,002 mm (0,000 08 in).
load or finishing conditions.
~so 3875 : 1990 (EI
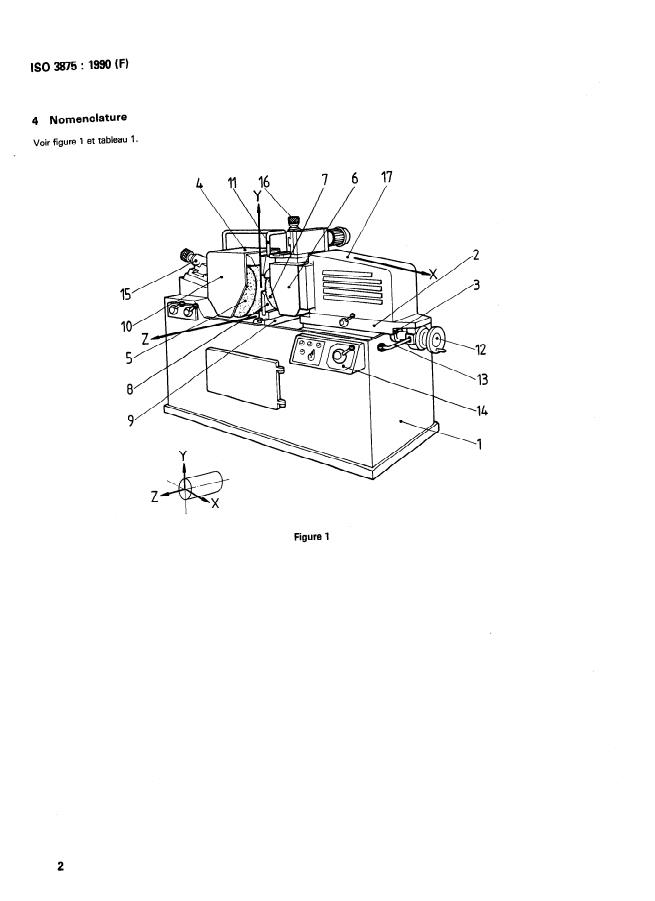
4 Nomenclature
See figure 1 and table 1.
7 6 17
4 11 16
IO
Figure 1
ISO 3875 : 1990 (EI
Table 1
Designation
Reference
French
English Russian German
1 Bed Banc Bett
CTaHMHa
2 Saddle, slide C hariot Cana3kM Schlitten
3 Saddle guideway Guidage de chariot HanpatmioqMe cana3ok Schlittenführung
4 Poupee porte-meule de
Grinding spindle head thlMC#IOBanbHafl6a6ka Schleifspindelstock
travail
5 Grinding wheel Meule de travail thMC#IOBaflbHblL(I Kpyr Schleifscheibe
6 Regulating wheel spindle Poupee porte-meule 6a6ka sep(yyero kpyra Regelscheibenspindelstock
head d’entrainement
Meule d’entrainement
7 Regulating wheel Beflyuyti kpyr Regelscheibe
8 Work rest Appui porte-piece Werkstückauflage
OnOpHblti HOX
9 Work rest support Support d’appui porte-piece CTOtiKa OflOpHOrO HOMa Werkstückauflagehalterung
10 Wheel guard Capot de securite 3aqMTH bl ti KOxyX Sicherheitsschutzhaube
u.tn@osanbHoro kpyra
11 Coolant pipe Tuyau de refrigerant Tpy6onposofl oxnaqatoQer(r Kühlmittelleitung
NWlflKOCTM
12 Infeed handwheel Volant d’approche MaxOswIOK Bpe3HOti nOAaWl Zustellhandrad
13 Adjusting lever Levier de deplacement YCTaHOBO’dHblfi pbl’dar Versteil hebe1
14 Control Panel Tableau de commande Steuertafel
IlynbT ynpaBneHm
15 Dressing attachment for Dispositif de dressage pour Ilp~Gop npaBKM Abrichtgerät für
grinding wheel meule de travail
wnm#2oBan bHor0 Kpyra Schleifscheibe
16 Dressing attachment for Dispositif de dressage pour Abrichtgerät für
Ilp~Gop npaBKM BeAywero Kpyra
regulating wheel meule d’entrainement Regelscheibe
17 Angular housing = Bearing Capot de chariot
nOBOpOTH bllii KOpnyC Winkelgehäuse =
angle (Am peryni4poBaHm noflaril) Lagerwinkel
[so 3875 : 1990 EI
5 Acceptance conditions and permissible deviations
,5.1 Geometrical tests
Object
Diagram
No.
Levelling of the machine.
GO
A - Grinding wheel dresser
Checking of movement of the dressing tool for
a) straightness of movement in the plane of
action;
b) parallelism of movement to the grinding
spindle axis in a plane perpendicular to the
GI
plane of action;
. . .
.
..j /
* ,
c) parallelism of movement to the grinding
spindle axis in the plane of action.
Test c) applies oniy for machines with
NOTE -
fixed dresser and non-adjustable template.
ISO3875:1990 (EI
Permissible deviation
Measuring Observations and references to the
instruments ISO 230-1 : 1986 acceptance code
in
mm
Subclause 3.1
Precision
O,l/l 000 0,004/40
levels This test should be carried out only when
instructions on levelling have not been pro-
vided by the manufacturer.
Subclauses 5.231, 5.233 and 5.422.3
The dial gauges shall be mounted on the
dressing tool holder with their styli con-
tacting the test mandrel, which is inserted
0,003 0,ooo 12
a)
in the grinding wheel spindle, in the plane
of action and in a plane perpendicular to
for any measuring length of
the plane of action.
The dressing sl
...
NORME
IS0
I N T E R N AT I O N A LE
Deuxihme édition
1990-07-01
Conditions de réception des machines à rectifier
les surfaces de révolution extérieures, sans
- Contrôle de la précision
centres
Acceptance conditions for external cylindrical centreless grinding machines -
Testing of the accuracy
Numéro de référence
IS0 3875 : 1990 (FI
IS0 3875 : 1990 (FI
Avant-propos
L‘ISO (Organisation internationale de normalisation) est une federation mondiale
d’organismes nationaux de normalisation ( comit6s membres de I’ISO). L’élaboration
des Normes internationales est en general confiBe aux comitBs techniques de I’ISO.
Chaque cornit6 membre interesse par une Btude a le droit de faire partie du comité
technique crBB 2 cet effet. Les organisations internationales, gouvernementales et non
gouvernementales, en liaison avec I‘ISO participent également aux travaux. L’ISO col-
labore Btroitement avec la Commission Blectrotechnique internationale (CEI) en ce qui
concerne la normalisation Blectrotechnique.
Les projets de Normes internationales adoptes par les cornites techniques sont soumis
aux comitBs membres pour vote. Leur publication comme Normes internationales
requiert l’approbation de 75 % au moins des comités membres votants.
IS0 3875 a été élaborée par le comité technique ISO/TC 39,
La Norme internationale
Machines-outils.
Cette deuxihme Bdition annule et remplace la premiere Bdition (IS0 3875 : 19801, dont
elle constitue une revision technique.
O IS0 1990
Droits de reproduction réservés. Aucune partie de cette publication ne peut être reproduite ni
utilisée sous quelque forme que ce soit et par aucun procédé, électronique ou mécanique,
y compris la photocopie et les microfilms, sans l’accord écrit de I‘éditeur.
Organisation internationale de normalisation
Case postale 56 CH-121 1 Genhve 20 Suisse
Imprimé en Suisse
NORME INTERNATIONALE IS0 3875 : 1990 (FI
Conditions de réception des machines à rectifier les
-
surfaces de révolution extérieures, sans centres
Contrôle de la précision
3 Observations préliminaires
1 Domaine d‘application
La présente Norme internationale indique, par référence à
I’ISO 230-1, les vérifications géométriques et les épreuves prati-
3.1 Dans la présente Norme internationale, toutes les dimen-
ques des machines à rectifier les surfaces de révolution exté-
sions et tous les écarts tolérés sont exprimés en millimètres et
rieures, sans centres, ainsi que les écarts tolérés correspondant
en inches.
à des machines d’usage général et de précision normale.
La présente Norme internationale traite seulement du contrôle
3.2 Pour l’application de la présente Norme internationale, il
de la précision de la machine. Elle ne concerne ni l’examen de
y a lieu de se reporter à I’ISO 230-1, notamment en ce qui con-
son fonctionnement (vibrations, bruits anormaux, points durs
cerne l‘installation de la machine avant essais, la mise en tem-
dans les déplacements d‘organes, etc.), ni celui de ses caracté-
pérature de la broche et autres organes mobiles, la description
ristiques (vitesses, avances, etc. 1, examens qui doivent, en
des méthodes de mesurage, ainsi que la précision recomman-
général, précéder celui de la précision.
dée pour les appareils de contrôle.
La présente Norme internationale donne également la nomen-
clature utilisée pour les éléments principaux de la machine.
3.3 En ce qui concerne l’ordre dans lequel les opérations de
NOTE - En complement des termes utilises dans les trois langues offi-
contrôle géométrique sont énumérées, il correspond aux
I’ISO (anglais, francais et russe), la presente Norme interna-
cielles de
ensembles constitutifs de la machine et ne définit nullement
tionale donne les termes equivalents dans la langue allemande: ces ter-
l’ordre pratique de succession des opérations de mesurage. Il
mes sont publies sous la responsabilite du Cornite membre de l’Alterna-
peut être procédé aux contrôles, notamment pour des ques-
gne, R.F. (DIN). Toutefois, seuls les termes donnes dans les langues
tions de facilité de contrôle ou de montage des appareils de
officielles peuvent être considerés comme des termes de I’ISO.
vérification dans un ordre entièrement différent.
2 Références normatives
3.4 II n‘est pas toujours nécessaire, lors de l‘examen d‘une
Les normes suivantes contiennent des dispositions qui, par machine, d’effectuer la totalité des essais figurant dans la pré-
suite de la référence qui en est faite, constituent des disposi-
sente Norme internationale. II appartient à l‘utilisateur de choi-
tions valables pour la présente Norme internationale. Au sir, en accord avec le constructeur, les seules épreuves corres-
moment de la publication, les éditions indiquées étaient en
pondant aux organes existant sur les machines ou aux proprié-
vigueur. Toute norme est sujette à révision et les parties pre- tés qui l‘intéressent et qui auront été clairement précisées lors
nantes des accords fondés sur la présente Norme internationale de la passation de la commande.
sont invitées à rechercher la possibilité d’appliquer les éditions
les plus récentes des normes indiquées ci-après. Les membres
de la CE1 et de I‘ISO possèdent le registre des Normes interna-
3.5 Les épreuves pratiques doivent être réalisées avec des
tionales en vigueur à un moment donné.
passes de finition et non à partir de passes de dégrossissage qui
feraient intervenir des efforts trop importants.
IS0 230-1 : 1986, Code de rkception des machines-outils -
Partie 1 : Prkcision géomktrique des machines fonctionnant B
vide ou dans des conditions de finition.
3.6 Lorsque la tolérance est déterminée pour une étendue de
IS0 1101 : 1983, Dessins techniques - Tol4rancement mesurage différente de celle indiquée dans la présente Norme
internationale (voir 2.311 de I‘ISO 230-1 : 19861, il y a lieu de
ghornetrique - Tokrancement de forme, orientation, position
et battement - GBnéraIit&s, d4finitions, symboles, indications tenir compte de ce que la valeur minimale de la tolérance à rete-
nir est 0,002 mm (0,OOO 08 in).
sur les dessins.
IS0 3875 : 1990 (FI
4 Nomenclature
Voir figure 1 et tableau 1.
Figure 1
IS0 3875 : 1990 (FI
Tableau 1
DBsignation
Repere
Français Anglais Russe
Allemand
1 Banc Bed
CTaHHHa Bett
2 Chariot Saddle, slide canas^^ Schlitten
3 Guidage de chariot Saddle guideway HanpasmouMe cana30~ Schlittenführung
Poupée porte-meule de Grinding spindle head WllM@OBaflbHaFi 6a6~a Schleifspindelstock
travail
5 Meule de travail Grinding wheel WflM@lOBaflbHblh KPYr Schleifscheibe
Poupée porte-meule Regulating wheel spindle 6a6~a BeAyUero Kpyra Regelscheibenspindelstock
d'entraînement head
7 Meule d'entraînement Regulating wheel BeAyUMh Kpyr Regelscheibe
Appui porte-pièce Work rest
8 OnOpHbll? HOM Werkstückauflage
9 Support d'appui porte-pièce Work rest support CTOhKa OnOpHOrO HOXa
Werkstückauflagehalterung
10 Capot de sécurité Wheel guard 3aqMTH blh KOXYX Sicherheitsschutzhaube
wnM@loeanbHoro Kpyra
11 Tuyau de refrigerant Coolant pipe
Tpy6onpoeo~ oxnaqatoqeh Kü hlmittelleitung
MMAKOCTM
12 Volant d'approche lnfeed handwheel
MaxoeMroK epes~oh noAarM Zustellhandrad
13 Levier de déplacement Adjusting lever YCTaHOBOq H bl I;( p bl rar Versteilhebel
Tableau de commande Control panel flynbT ynpasneHwfl Steuertafel
15 Dispositif de dressage pour Dressing attachment for
flp~6op npaeKw Abrichtgerat für
meule de travail grinding wheel wnwcposanbHoro Kpyra Schleifscheibe
16 Dispositif de dressage pour Dressing attachment for flp~60p npaeKw senyqero Kpyra Abrichtgerat für
meule d'entraînement regulating wheel
Regelscheibe
17 Capot de chariot Angular housing = Bearing =
Winkelgehause
angle
Lagerwinkel
IS0 3875 : 1990 (FI
5 Conditions de réception et écarts tolérés
5.1 Vérifications geométriques
Objet
Sch6ma
Nivellement de la machine.
A - Dispositif de dressage
de la meule de travail
Vérification du mouvement du dispositif de
dressage, c'est-à-dire
a) rectitude du mouvement dans le plan de
travail;
b) parallélisme du mouvement A l'axe de la
broche de la meule de travail dans un plan
perpendiculaire au plan de travail;
cl parallélisme du mouvement à l'axe de la
broche de la meule de travail dans le plan
de travail.
NOTE - La vérification c) s'applique uniquement
aux machines munies d'un appareil de dressage fixe
et d'un gabarit non réglable.
IS0 3875 : 1990 (FI
Écart tok6
Appareils Observations et references
de mesurage au code de réception IS0 230-1 : 1986
mm in
Paragraphe 3.1
Niveaux de
O,l/l O00 0,004/40
précision
II est recommandé de ne réaliser cette véri-
fication qu’en l’absence d’instructions du
constructeur concernant le nivellement.
Paragraphes 5.231, 5.233 et 5.422.3
Les supports des co
...
NORME
ISO
INTERNATIONALE
Deuxiéme édition
1990-07-01
Conditions de réception des machines à rectifier
les surfaces de révolution extérieures, sans
centres - Contrôle de la précision
external c ylindrical centreless grinding machines -
Accep tance conditions for
Testing of the accuracy
Numéro de référence
ISO 3875 : 1990 (FI
Iso 3875 : 1990 (FI
Avant-propos
L’ISO (Organisation internationale de normalisation) est une fédération mondiale
d’organismes nationaux de normalisation (comités membres de I’ISO). L’élaboration
des Normes internationales est en général confiée aux comités techniques de I’ISO.
Chaque comité membre intéressé par une étude a le droit de faire partie du comité
technique créé a cet effet. Les organisations internationales, gouvernementales et non
gouvernementales, en liaison avec I’ISO participent également aux travaux. L’ISO col-
labore étroitement avec la Commission électrotechnique internationale (CEI) en ce qui
concerne la normalisation électrotechnique.
Les projets de Normes internationales adoptés par les comités techniques sont soumis
aux comités membres pour vote. Leur publication comme Normes internationales
requiert l’approbation de 75 % au moins des comités membres votants.
La Norme internationale ISO 3875 a été elaborée par le comité technique ISO/TC 39,
Machines-outils.
Cette deuxième édition annule et remplace la première édition (ISO 3875 : 19801, dont
elle constitue une révision technique.
0 ISO 1990
Droits de reproduction réservés. Aucune partie de cette publication ne peut être reproduite ni
utilisée sous quelque forme que ce soit et par aucun procédé, électronique ou mécanique,
y compris la photocopie et les microfilms, sans l’accord écrit de l’éditeur.
Organisation internationale de normalisation
Case postale 56 l CH-1211 Genéve 20 l Suisse
Imprimé en Suisse
NORME INTERNATIONALE ISO 3875 : 1990 (F)
Conditions de réception des machines à rectifier les
surfaces de révolution extérieures, sans centres -
Contrôle de la précision
1 Domaine d’application 3 Observations préliminaires
La présente Norme internationale indique, par référence à
I’ISO 230-1, les vérifications géométriques et les épreuves prati-
3.1 Dans la présente Norme internationale, toutes les dimen-
ques des machines à rectifier les surfaces de révolution exté-
sions et tous les écarts tolérés sont exprimés en millimètres et
rieures, sans centres, ainsi que les écarts tolérés correspondant
en inches.
à des machines d’usage général et de précision normale.
La présente Norme internationale traite seulement du contrôle
3.2 Pour l’application de la présente Norme internationale, il
de la précision de la machine. Elle ne concerne ni l’examen de
y a lieu de se reporter à I’ISO 230-1, notamment en ce qui con-
son fonctionnement (vibrations, bruits anormaux, points durs
cerne l’installation de la machine avant essais, la mise en tem-
dans les déplacements d’organes, etc.), ni celui de ses caracté-
pérature de la broche et autres organes mobiles, la description
ristiques (vitesses, avances, etc.), examens qui doivent, en
des méthodes de mesurage, ainsi que la précision recomman-
général, précéder celui de la précision.
dée pour les appareils de contrôle.
La présente Norme internationale donne également la nomen-
clature utilisée pour les éléments principaux de la machine.
3.3 En ce qui concerne l’ordre dans lequel les opérations de
NOTE - En complément des termes utilisés dans les trois langues offi-
contrôle géométrique sont énumérées, il correspond aux
cielles de I’ISO (anglais, francais et russe), la présente Norme interna-
ensembles constitutifs de la machine et ne définit nullement
tionale donne les termes équivalents dans la langue allemande; ces ter-
l’ordre pratique de succession des opérations de mesurage. II
mes sont publiés sous la responsabilit6 du Comité membre de I’Allema-
peut être procédé aux contrôles, notamment pour des ques-
gne, R.F. (DIN). Toutefois, seuls les termes donnés dans les langues
tions de facilité de contrôle ou de montage des appareils de
officielles peuvent être considérés comme des termes de I’ISO.
vérification dans un ordre entiérement différent.
2 Références normatives
3.4 II n’est pas toujours nécessaire, lors de l’examen d’une
Les normes suivantes contiennent des dispositions qui, par
machine, d’effectuer la totalité des essais figurant dans la pré-
suite de la référence qui en est faite, constituent des disposi-
sente Norme internationale. II appartient à l’utilisateur de choi-
tions valables pour la présente Norme internationale. Au
sir, en accord avec le constructeur, les seules épreuves corres-
moment de la publication, les éditions indiquées étaient en
pondant aux organes existant sur les machines ou aux proprié-
vigueur. Toute norme est sujette à révision et les parties pre-
tés qui l’intéressent et qui auront été clairement précisées lors
nantes des accords fondés sur la présente Norme internationale
de la passation de la commande.
sont invitées à rechercher la possibilité d’appliquer les éditions
les plus récentes des normes indiquées ci-après. Les membres
de la CEI et de I’ISO possèdent le registre des Normes interna-
3.5 Les épreuves pratiques doivent être réalisées avec des
tionales en vigueur à un moment donné.
passes de finition et non à partir de passes de dégrossissage qui
feraient intervenir des efforts trop importants.
ISO 230-l : 1986, Code de réception des machines-outils -
Partie 1: Précision géométrique des machines fonctionnant à
vide ou dans des conditions de finition.
3.6 Lorsque la tolérance est déterminée pour une étendue de
ISO 1101 : 1983, Dessins techniques - Tolérancement mesurage différente de celle indiquée dans la présente Norme
géométrique - Toleran cemen t de forme, orien ta tion, position internationale (voir 2.311 de I’ISO 230-l : 19861, il y a lieu de
et battement - Généralités, de finitions, symboles, indications tenir compte de ce que la valeur minimale de la tolérance à rete-
sur les dessins. nir est 0,002 mm (0,000 08 in).
1~0 3875 : 1990 (FI
4 Nomenclature
Voir figure 1 et tableau 1.
Figure 1
ISO 3875 : 1990 (FI
Tableau 1
Désignation
Rephe ‘.
Français
Anglais Russe Allemand
1 Bed
Banc CTaHMHa Bett
2 Chariot Saddle, slide
Cana3kM Schlitten
3 Guidage de chariot Saddle guideway Schlittenführung
Hanpasnmo~~e cana3oK
4 Poupée porte-meule de Grinding spindle head ~nM@osanbtiafl6a6ka Schleifspindelstock
travail
5 Meule de travail Grinding wheel
khlC$lOBaflbHbllïl Kpyr Schleifscheibe
6 Poupée porte-meule Regulating wheel spindle 6a6Ka BeAyQero Kpyra Regelscheibenspindelstock
d’entraînement head
7 Meule d’entraînement Regulating wheel BedywMfi kpyr
Regelscheibe
8 Appui porte-pièce Work rest OnOpHbiii HOm Werkstückauflage
Support d’appui porte-pièce
9 Work rest support CTOtiKa OnOpHOrO HO)Ka Werkstückauflagehalterung
10 Capot de sécurité Wheel guard
3aLL(HTH blti KOmyX Sicherheitsschutzhaube
UJnMC#lOBanbHOrO Kpyra
11 Tuyau de réfrigérant Coolant pipe
Tpy6onposo~ oxnawatoweti Kü hlmittelleitung
NWlfiKOCTM
12 Volant d’approche Infeed handwheel
iVkXoBM‘iOK Bpk3HOti nOAaL(M Zustellhandrad
13 Levier de déplacement Adjusting lever
YCTaHOBOqHblti pblqar Versteil hebel
14 Tableau de commande Control pane1 IlynbT ynpaBneHm Steuertafel
15 Dispositif de dressage pour Dressing attachment for I-lp~Gop npaBKu Abrichtgerat für
meule de travail grinding wheel
um@oBan bHor0 Kpyra Schleifscheibe
16 Dispositif de dressage pour Dressing attachment for Abrichtgerat für
flp1460p npaBKM Beflywero Kpyra
meule d’entraînement
regulating wheel Regelscheibe
17 Capot de chariot Angular housing = Bearing
nOBOpOTH blti KOpllyC Winkelgeh&.rse =
angle (qnfl perynMpoBaHm noAaw) Lagerwinkel
Iso 3875 : 1990 (FI
5 Conditions de réception et écarts tolérés
5.1 Vérifications géométriques
Schéma
NO Objet
GO Nivellement de la machine.
l
A - Dispositif de dressage
de la meule de travail
Vérification du mouvement du dispositif de
dressage, c’est-à-dire
a) rectitude du mouvement dans le plan de
travail;
b) parallélisme du mouvement à l’axe de la
GI
broche de la meule de travail dans un plan
perpendiculaire au plan de travail;
c) parallélisme du mouvement à l’axe de la
broche de la meule de travail dans le plan
de travail.
NOTE
- La vérification c) s’applique uniquement
aux machines munies d’un appareil de dressage fixe
et d’un gabarit non réglable.
I
ISO 3875 : 1990 (FI
Écart toléré
Observations et rbf6rences
Appareils
au code de réception ISO 230-l : 1986
de mesurage
mm in
Paragraphe 3.1
Niveaux de
O,l/l ooo
précision
II est recommandé de ne réaliser cette véri-
fication qu’en l’absence d’instructions du
constructeur concernant le nivellement.
Paragraphes 5.231, 5.233 et 5.422.3
Les supports des comparateurs doivent
être fixés sur le porte-outil de dressage, les
touches palpant le mandrin de contrôle fixé
dans la broche de la meule de travail, dans
a) 0,ooo 12
a) 0,003
le plan de travail et dans un plan perpe
...












Questions, Comments and Discussion
Ask us and Technical Secretary will try to provide an answer. You can facilitate discussion about the standard in here.
Loading comments...