ISO 6043:1985
(Main)Shipbuilding and marine structures — Eye and fork assemblies under tension load — Main dimensions
Shipbuilding and marine structures — Eye and fork assemblies under tension load — Main dimensions
Lays down the main dimensions for interchangeability and the materials for eyes, forks and associated bolts or pins for components subject to tension load. Is not applicable to components subject to compressive thrust or torsional loads.
Construction navale et structures maritimes — Assemblages oeil et chape soumis à un effort de traction — Dimensions principales
General Information
- Status
- Published
- Publication Date
- 18-Dec-1985
- Technical Committee
- ISO/TC 8/SC 4 - Outfitting and deck machinery
- Drafting Committee
- ISO/TC 8/SC 4 - Outfitting and deck machinery
- Current Stage
- 9093 - International Standard confirmed
- Start Date
- 21-Aug-2022
- Completion Date
- 12-Feb-2026
Relations
- Effective Date
- 06-Jun-2022
Overview
ISO 6043:1985 - "Shipbuilding and marine structures - Eye and fork assemblies under tension load - Main dimensions" specifies the main dimensions, material grades and designation rules needed to ensure interchangeability of eye, fork and associated bolts or pins used under tension loads in shipbuilding and marine structures. First published in 1985, the standard covers dimensional tables (in millimetres), tolerance classes and material minimums for components used on cargo handling and lifting appliances. It is explicitly not applicable to components subject to compressive thrust or torsional loads.
Key topics and requirements
- Main dimensions and interchangeability
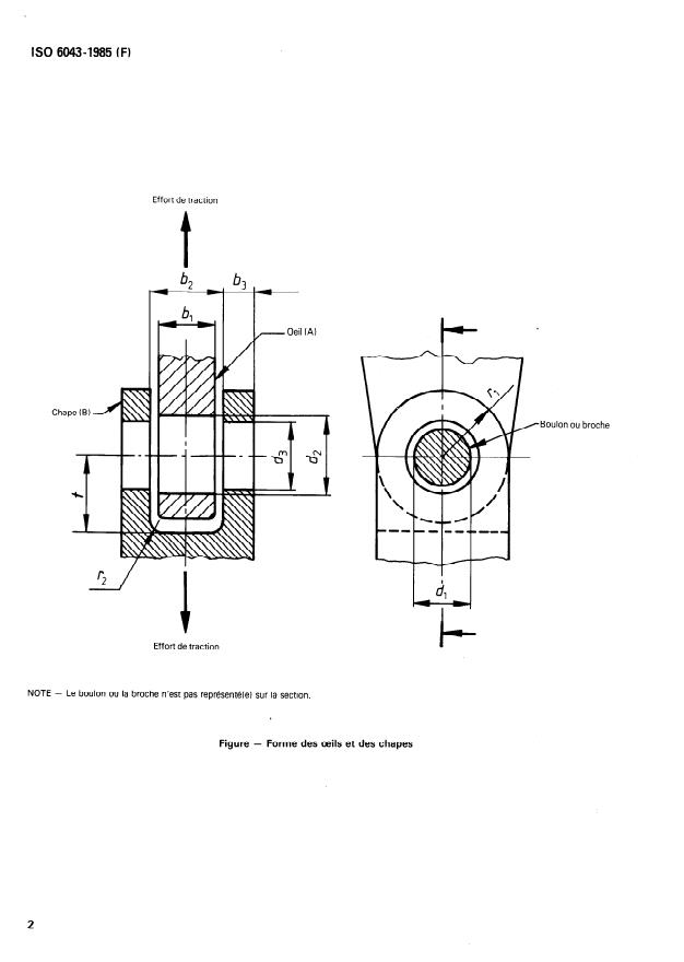
- Nominal sizes and corresponding main dimensions are tabulated for eyes, forks and connections (dimensions given in millimetres).
- A figure illustrates the permitted shape and key dimensional references for assembly parts.
- Designation and coding
- Simple designation rules for parts: code letters A (eye), B (fork), C (connection) plus nominal size (e.g., Eye ISO 6043 - A 10; Fork ISO 6043 - B 10; Connection ISO 6043 - C 10).
- Materials
- Eyes and forks: minimum steel grade Fe 360 per ISO 630.
- Bolts and pins: minimum steel grade Fe 430 per ISO 630.
- Option to use quenched & tempered (heat-treated) steels per ISO/R 683/1 when higher quality is required.
- Tolerances and fits
- Dimensional tolerances follow tolerance grade IT14 of ISO 286.
- Clearance hole-related dimensions are aligned with ISO 273 (fasteners - clearance holes).
- Scope limits
- Intended for components subject to tension only (examples: round-hole eyeplates, sheave block head fittings, block holders, trunnion pieces, turnbuckles).
- Securing methods for bolts/pins are left to national regulations.
Applications and who uses it
- Practical applications:
- Design and manufacture of shipboard lifting gear, rigging connections, cargo handling fittings and related marine hardware where predictable interchangeability and load-bearing performance under tension are required.
- Typical users:
- Shipbuilders, marine engineers, naval architects, rigging and hardware manufacturers, classification societies and ship repair yards.
- Benefits:
- Ensures dimensional compatibility between suppliers, supports safe load-bearing assemblies, and simplifies specification in technical drawings.
Related standards
- ISO 630 - Structural steels (Fe 360 / Fe 430)
- ISO/R 683/1 - Heat-treated steels (quenched & tempered)
- ISO 286 - ISO system of limits and fits (tolerance grade IT14)
- ISO 273 - Fasteners - Clearance holes for bolts and screws
- ISO 8147 - Shipbuilding vocabulary (definitions)
Keywords: ISO 6043, shipbuilding standard, marine structures, eye and fork assemblies, tension load, dimensions, materials, bolts, pins, interchangeability, lifting equipment.
ISO 6043:1985 - Shipbuilding and marine structures -- Eye and fork assemblies under tension load -- Main dimensions
ISO 6043:1985 - Construction navale et structures maritimes -- Assemblages oeil et chape soumis a un effort de traction -- Dimensions principales
Get Certified
Connect with accredited certification bodies for this standard

DNV
DNV is an independent assurance and risk management provider.

Lloyd's Register
Lloyd's Register is a global professional services organisation specialising in engineering and technology.

ABS Quality Evaluations Inc.
American Bureau of Shipping quality certification.
Sponsored listings
Frequently Asked Questions
ISO 6043:1985 is a standard published by the International Organization for Standardization (ISO). Its full title is "Shipbuilding and marine structures — Eye and fork assemblies under tension load — Main dimensions". This standard covers: Lays down the main dimensions for interchangeability and the materials for eyes, forks and associated bolts or pins for components subject to tension load. Is not applicable to components subject to compressive thrust or torsional loads.
Lays down the main dimensions for interchangeability and the materials for eyes, forks and associated bolts or pins for components subject to tension load. Is not applicable to components subject to compressive thrust or torsional loads.
ISO 6043:1985 is classified under the following ICS (International Classification for Standards) categories: 47.020.40 - Lifting and cargo handling equipment. The ICS classification helps identify the subject area and facilitates finding related standards.
ISO 6043:1985 has the following relationships with other standards: It is inter standard links to ISO 14528-1:1999. Understanding these relationships helps ensure you are using the most current and applicable version of the standard.
ISO 6043:1985 is available in PDF format for immediate download after purchase. The document can be added to your cart and obtained through the secure checkout process. Digital delivery ensures instant access to the complete standard document.
Standards Content (Sample)
International Standard
INTERNATIONAL ORGANIZATION FOR STANDARDIZATION.MEXfiYHAPOflHAR OPTAHM3A~Mfl fl0 CTAH~APTM3A~Wl.ORGANISATION INTERNATIONALE DE NORMALISATION
Shipbuilding and marine structures - Eye and fork
assemblies under tension load - Main dimensions
Cons truc tion na vale et s truc tures maritimes - Assemblages a0i.f et chape soumis 2 un effort de traction - Dimensions principales
First edition - 1985-12-15
UDC 621.885.9 : 629.12 Ref. No. ISO 6043-1985 (E)
Descriptors : shipbuilding, Iifting equipment, joints, clevises, pins (mechanics), dimensions, materials, designation.
Price based on 3 pages
Foreword
ISO (the International Organization for Standardization) is a worldwide federation of
national Standards bodies (ISO member bedies). The work of preparing International
Standards is normally carried out through ISO technical committees. Esch member
body interested in a subject for which a technical committee has been established has
the right to be represented on that committee. International organizations, govern-
mental and non-governmental, in liaison with ISO, also take part in the work.
Draft International Standards adopted by the technical committees are circulated to
the member bodies for approval before their acceptance as International Standards by
the ISO Council. They are approved in accordance with ISO procedures requiring at
least 75 % approval by the member bodies voting.
International Standard ISO 6043 was prepared by Technical Committee ISO/TC 8,
Shipbuilding and marine structures.
Users should note that all International Standards undergo revision from time to time
and that any reference made herein to any other International Standard implies its
latest edition, unless otherwise stated.
0 International Organkation for Standardkation, 1985
Printed in Switzerland
INTERNATIONAL STANDARD ISO 6043-1985 (E)
Shipbuilding and marine structures - Eye and fork
assemblies under tension load - Main dimensions
4 Nominal size
1 Scope and field of application
The nominal size designation of an eye and fork assembly is
1.1 This International Standard lays down the main dimen-
a numerical value without unit for reference purposes; it is
sions for interchangeability and the materials for eyes, forks
derived from the permissible load in kilonewtons.
and associated bolts or pins for components subject to tension
load.
5 Dimensions and tolerantes
1.2 Eyes, forks and bolts or pins with dimensions according
to this International Standard are primarily intended for use on
5.1 Main dimensions
the components of ships’ cargo handling appliances which are
subject to tension loads only (for instance, round hole
The dimension of eye and fork assemblies shall be in accord-
eyeplates, sheave block head fittings, block holders, trunnion
ante with the figure and the table.
pieces for span bearing, turnbuckles).
NOTE - The type of bolt or pin to be used and its securing are left to
national regulations.
1.3 This International Standard is not applicable to com-
ponents subject to compressive thrust or torsional loads (for
5.2 Tolerantes
instance fork-type derrick heel fittings which connect with
gooseneck Pins).
Dimensional tolerantes shall correspond to the Standard
tolerante grade IT 14 given in ISO 286.
2 References
6 Material
ISO 286, ISO System of limits and fits. 1 )
6.1 Eyes and forks
ISO 630, Structural steels.
Eyes and forks shall be made of steel to ISO 630, grade Fe 3
...
Norme internationale
INTERNATIONAL ORGANIZATION FOR STANDARDIZATIONoMEIKfiYHAPOLIHAR OPI-AHM3AWlR Il0 CTAH~APTM3AlJMM*ORGANISATlON INTERNATIONALE DE NORMALISATION
Construction navale et structures maritimes -
Assemblages œil et chape soumis à un effort de
traction - Dimensions principales
Shïpbuilding and marine structures - Eye and fork assemblies under tension load - Main dimensions
Première édition - 1985-12-15
CDU 621.885.9 : 629.12 Réf. no : ISO 60434985 (FI
Descripteurs : construction navale, appareil de levage, joint, chape mécanique, goupille, dimension, matériau, désignation.
Prix basé sur 3 pages
Avant-propos
L’ISO (Organisation internationale de normalisation) est une fédération mondiale
d’organismes nationaux de normalisation (comités membres de I’ISO). L’élaboration
des Normes internationales est confiée aux comités techniques de I’ISO. Chaque
comité membre intéressé par une étude a le droit de faire partie du comité technique
créé à cet effet. Les organisations internationales, gouvernementales et non gouverne-
mentales, en liaison avec I’ISO participent également aux travaux.
Les projets de Normes internationales adoptés par les comités techniques sont soumis
aux comités membres pour approbation, avant leur acceptation comme Normes inter-
nationales par le Conseil de I’ISO. Les Normes internationales sont approuvées confor-
mément aux procédures de I’ISO qui requièrent l’approbation de 75 % au moins des
comités membres votants.
La Norme internationale ISO 6043 a été élaborée par le comité technique ISO/TC 8,
Cons truc tion na vale et s truc turcs maritimes.
L’attention des utilisateurs est attirée sur le fait que toutes les Normes internationales
sont de temps en temps soumises à révision et que toute référence faite à une autre
Norme internationale dans le présent document implique qu’il s’agit, sauf indication
contraire, de la dernière édition.
@ Organisation internationale de normalisation, 1985 0
Imprimé en Suisse
ISO 6043-1985 (F)
NORME INTERNATIONALE
Construction navale et structures maritimes -
Assemblages œil et chape so’umis à un effort de
traction - Dimensions principales
4 Grandeur nominale
1 Objet et domaine d’application
La grandeur nominale d’un assemblage œil et chape est une
1 .l La présente Norme internationale fixe les dimensions
valeur numérique sans unité, aux fins de référence, dérivée de
principales d’interchangeabilité et spécifie les matériaux des
la charge admissible en kilonewtons.
œils et des chapes, ainsi que des boulons ou broches
associé(e)s, utilisés pour des composants soumis à un effort de
traction.
5 Dimensions et tolérances
1.2 Les œils, chapes et boulons ou broches dont les dimen-
5.1 Dimensions principales
sions sont en accord avec la présente Norme internationale
sont principalement destinés aux composants d’installations de
Les dimensions des assemblages œil et chape doivent être con-
manutention de la cargaison des navires, soumis uniquement à
formes aux indications de la figure et du tableau ci-après.
des efforts de traction (par exemple pitons à œil rond, ferrures
de tête de poulie, supports de poulie, marionnettes d’apiquage,
NOTE - Le type de boulon ou broche à utiliser et sa fixation sont sou-
ridoirs).
mis aux réglementation nationales.
1.3 La présente Norme internationale ne s’applique pas aux
5.2 Tolérances
composants soumis à des efforts de compression ou de torsion
(par exemple les ferrures de pied de corne de charge assurant la
Les tolérances dimensionnelles doivent correspondre à la
liaison avec le vit de mulet.
qualité de tolérance fondamentale IT 14 de I’ISO 286.
2 Références
6 Matériaux
ISO 286, Système /SO de tolérances et d’a/irstement. ‘)
6.1 Ml et chapes
I SO 630, Aciers de construction me tallique.
Les œils et le
...








Questions, Comments and Discussion
Ask us and Technical Secretary will try to provide an answer. You can facilitate discussion about the standard in here.
Loading comments...