ISO 3692:1976
(Main)Information processing — Reels and cores for 25,4 mm (1 in) perforated paper tape for information interchange — Dimensions
Information processing — Reels and cores for 25,4 mm (1 in) perforated paper tape for information interchange — Dimensions
Lays down the dimensions of take-up (or storage) reels with separable flanges, and of cores, so that rolls of perforated tape may be interchanged among machines of various manufacturers. It is also intended to serve as a guide in the coordination of equipment design. A compatible reel and core are described. These can be used together or either one can be used separaterly to transfer tape from one machine to another.
Traitement de l'information — Bobines et noyaux pour bandes perforées en papier de 25,4 mm (1 in) de large, pour l'échange d'information — Dimensions
General Information
- Status
- Withdrawn
- Publication Date
- 30-Apr-1976
- Withdrawal Date
- 30-Apr-1976
- Current Stage
- 9599 - Withdrawal of International Standard
- Start Date
- 15-Nov-2021
- Completion Date
- 12-Feb-2026
ISO 3692:1976 - Information processing -- Reels and cores for 25,4 mm (1 in) perforated paper tape for information interchange -- Dimensions
ISO 3692:1976 - Traitement de l'information -- Bobines et noyaux pour bandes perforées en papier de 25,4 mm (1 in) de large, pour l'échange d'information -- Dimensions
ISO 3692:1976 - Traitement de l'information -- Bobines et noyaux pour bandes perforées en papier de 25,4 mm (1 in) de large, pour l'échange d'information -- Dimensions
Get Certified
Connect with accredited certification bodies for this standard

BSI Group
BSI (British Standards Institution) is the business standards company that helps organizations make excellence a habit.

NYCE
Mexican standards and certification body.
Sponsored listings
Frequently Asked Questions
ISO 3692:1976 is a standard published by the International Organization for Standardization (ISO). Its full title is "Information processing — Reels and cores for 25,4 mm (1 in) perforated paper tape for information interchange — Dimensions". This standard covers: Lays down the dimensions of take-up (or storage) reels with separable flanges, and of cores, so that rolls of perforated tape may be interchanged among machines of various manufacturers. It is also intended to serve as a guide in the coordination of equipment design. A compatible reel and core are described. These can be used together or either one can be used separaterly to transfer tape from one machine to another.
Lays down the dimensions of take-up (or storage) reels with separable flanges, and of cores, so that rolls of perforated tape may be interchanged among machines of various manufacturers. It is also intended to serve as a guide in the coordination of equipment design. A compatible reel and core are described. These can be used together or either one can be used separaterly to transfer tape from one machine to another.
ISO 3692:1976 is classified under the following ICS (International Classification for Standards) categories: 35.220.10 - Paper cards and tapes. The ICS classification helps identify the subject area and facilitates finding related standards.
ISO 3692:1976 is available in PDF format for immediate download after purchase. The document can be added to your cart and obtained through the secure checkout process. Digital delivery ensures instant access to the complete standard document.
Standards Content (Sample)
-INTERNATIONAL STANDARD
INTERNATIONAL ORGANIZATION FOR STANDARDIZATION l MEXfiYHAPOAHA(I OPrAHM3AUM5l no CTAHAAPTM3AL@iM.ORGANISATION INTERNATIONALE DE NORMALISATiON
Reels and cores for 25,4 mm (1 in)
Information processing -
perforated Paper tape for information interchange -
Dimensions
Traitement de Unformation - Bobines et no yaux pour bandes perforees en papier de 25,4 mm (1 in) de large, pour
l’echange d ‘in formation - Dimensions
First edition - 1976-05-01
UDC 681.327.44 : 676.816.5 Ref. No. ISO 3692-1976 (E)
Descriptors : data processing, information interchange, punched tapes, bobbins, bobbin hubs, specifications, dimensions, mountings.
Price based on 3 pages
FOREWORD
ISO (the International Organization for Standardization) is a worldwide federation
of national Standards institutes (ISO Member Bodies). The work of developing
International Standards is carried out through ISO Technical Committees. Every
Member Body interested in a subject for which a Technical Committee has been set
up has the right to be represented on that Committee. International organizations,
governmental and non-governmental, in liaison with ISO, also take part in the work.
Draft International Standards adopted by the Technical Committees are circulated
to the Member Bodies for approval before their acceptance as International
Standards by the ISO Council.
International Standard ISO 3692 was drawn up by Technical Committee
ISO/TC 97, Computers and information processing, and circulated to the Member
Bodies in March 1975.
lt has been approved by the Member Bodies of the following countries :
Australia Italy Switzerland
Belgium Japan United Kingdom
Canada Netherlands U.S.A.
Czechoslovakia New Zealand U.S.S.R.
France Poland Yugoslavia
Germany Romania
South Africa, Rep. of
Hungary
No Member Body expressed disapproval of the document.
0 International Organkation for Standardkation, 1976 l
Printed in Switzerland
INTERNATIONAL STANDARD
ISO 36924976 (E)
Information processing - Reels and cores for 25,4 mm (1 in)
perforated Paper tape for information interchange -
Dimensions
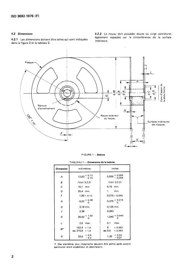
1 SCOPE AND FIELD OF APPLICATION 3.2.3 A plane area of diameter C, concentric with the hub
inside diameter, shall be provided at each end of the hub to
This International Standard lays down the dimensions of
locate the reel with respect to a platform on the drive
take-up (or storage) reels with separable flanges, and of
spindle.
cores, so that rolls of perforated tape may be interchanged
The outside surface of the reel shall be free of axial
among machines of various manufacturers. lt is also
projections beyond the planes of these platform seats over
intended to serve as a guide in the Co-Ordination of
the minimum clearance area D.
equipment design.
A compatible reel and core are described. These tan be used
3.2.4 Outside the platform seat clearance circle of
together or either one tan be used separately to transfer
diameter D (3.2.3), the axial projection of any Portion of
tape from one machine to another.
the reel flanges beyond the plane of the platform seat
shall not exceed the value of L specified in table 1.
2 REFERENCE
3.2.5 Three Slots shall be provided in each platform seat, as
ISO 1729, Information processing - Unpunched Paper
shown in figure 1, to engage a drive spindle key.
tape - Specifica tion.
3.2.6 Esch of the two surfaces of the reel flanges shall
lie between two datum planes separated by a distance J
3 REEL DIMENSIONS
(see figure 1) and perpendicular to the true centre line of
3.1 General
the hub. The inner datum planes shall be separated by a
distance K (see figure 1) and shall be centred be
...
NORME INTERNATIONALE
INTERNATIONAL ORGANIZATION FOR STANDARDIZATION .WFA IL Ii 41’0!1HAI( OPI 4HM3AlIMR 110 CTAHJAPTC1341111M .ORGANISATION INTERNATIONALE DE NORMALISATION
Traitement de l‘information - Bobines et noyaux pour
bandes perforées en papier de 25‘4 mm (I in) de large,
pour l‘échange d‘information - Dimensions
information processing - Reels and cores for 25,4 mm (7 in) perforated paper tape for information
interchange - Dimensions
Première édition - 1976-05-01
-
U
-
CDU 681.327.44 : 676.816.5 Réf. no : IS0 3692-1976 (F)
(D PI
z
N Descripteurs : traitement de l’information, échange d‘information, bande perforée, bobine, noyau de bande, specification, dimension,
m
monture.
(D
m
Prix bas6 stir 3 pages
AVANT-PROPOS
L'ISO (Organisation Internationale de Normalisation) est une fédération mondiale
d'organismes nationaux de normalisation (Comités Membres ISO). L'élaboration des
Normes Internationales est confiée aux Comités Techniques ISO. Chaque Comité
Membre intéressé par une étude a le droit de faire partie du Comité Technique
correspondant. Les organisations internationales, gouvernementales et non
gouvernementales, en liaison avec I'ISO, participent également aux travaux.
Les Projets de Normes Internationales adoptés par les Comités Techniques sont
soumis aux Comités Membres pour approbation, avant leur acceptation comme
le Conseil de I'ISO.
Normes Internationales par
IS0 3692 a été établie par le Comité Technique
La Norme Internationale
lSO/TC 97, Calculateurs et traitement de l'information, et soumise aux Comités
Membres en mars 1975.
Elle a été approuvée par les Comités Membres des pays suivants
Afrique du Sud, Rép. d' Italie Suisse
Allemagne Japon Tchécoslovaquie
Australie Nouvelle-Zélande U.R.S.S.
Belgique Pays-Bas U.S.A.
Pologne Yougoslavie
Canada
France Roumanie
Hongrie Royaume-Uni
Aucun Comité Membre n'a désapprouvé le document.
O Organisation Internationale de Normalisation, 1976
Imprimé en Suisse
NORM E I NTE R NAT I ONA L E
IS0 3692-1976 (F)
Traitement de l'information - Bobines et noyaux pour
bandes perforées en papier de 25'4 mm (1 in) de large,
pour l'échange d'information - Dimensions
1 OBJET ET DOMAINE D'APPLICATION
vierges en papier), ils ne doivent pas être utilisés pour
I 'éch ange.
La présente Norme Internationale fixe les dimensions des
bobines d'entraînement ou de stockage à flasques séparables
3.2.3 Une surface plane, de diamètre C, concentrique à
et des noyaux, de sorte que des rouleaux de bandes
la circonférence intérieure du moyeu, doit être prévue à
perforées puissent être échangés entre des machines de
chaque extrémité du moyeu pour positionner la bobine par
différents constructeurs. Elle est également destinée à
à une plate-forme sur la broche d'entraînement.
rapport
servir de guide pour la coordination de la conception des
équipements.
La surface extérieure de la bobine ne doit pas comporter de
saillies axiales au-delà des parties planes des surfaces
Une bobine et un noyau compatibles sont décrits. Ceux-ci
d'appui de la plate-forme, dans l'espace libre minimal D.
peuvent être utilisés ensemble ou séparément pour transférer
une bande d'une machine à l'autre.
3.2.4 À l'extérieur du cercle de diamètre D limitant
l'espace libre de la surface d'appui de la plate-forme (voir
2 RÉFÉRENCE
3.2.31, la saillie axiale de toute partie des flasques de la
bobine au-delà du plan de la surface d'appui de la plate-
IS0 1729, Traitement de l'information - Bande vierge en
forme ne doit pas dépasser la valeur de L spécifiée dans le
papier - Spe'cifications.
tableau 1.
3.2.5 Chaque surface d'appui de la plate-form
...
,ex*,
NORME INTERNATIONALE @ 3692
'*E&
INTERNATIONAL ORGANIZATION FOR STANDARDIZATION oMEXL14 Ii4POLlHAR OPrAHM3AUMR Il0 CTAHaAPTM3AUMM .ORGANISATION INTERNATIONALE DE NORMALISATION
Traitement de l'information - Bobines et noyaux pour
bandes perforées en papier de 25'4 mm (I in) de large,
pour l'échange d'information - Dimensions
Information processing - Reels and cores for 25,4 mm (1 in) perforated paper tape for information
interchange - Dimensions
Première édition - 1976-05-01
-
U
-
CDU 681.327.44 : 676.816.5 Réf. no : IS0 3692-1976 (F)
N Descripteurs : traitement de l'information, échange d'information, bande perforée, bobine, noyau de bande, specification, dimension,
Q,
monture.
Lo
m
s
Prix bas6 sur 3 pages
AVANT-PROPOS
L'ISO (Organisation Internationale de Normalisation) est une fédération mondiale
d'organismes nationaux de normalisation (Comités Membres ISO). L'élaboration des
Normes Internationales est confiée aux Comités Techniques ISO. Chaque Comité
Membre intéressé par une étude a le droit de faire partie du Comité Technique
correspondant. Les organisations internationales, gouvernementales et non
gouvernementales, en liaison avec I'ISO, participent également aux travaux.
Les Projets de Normes Internationales adoptés par les Comités Techniques sont
soumis aux Comités Membres pour approbation, avant leur acceptation comme
Normes Internationales par le Conseil de I'ISO.
La Norme Internationale IS0 3692 a été établie par le Comité Technique
lSO/TC 97, Calculateurs et traitement de l'information, et soumise aux Comités
Membres en mars 1975.
Elle a été approuvée par les Comités Membres des pays suivants
Afrique du Sud, Rép. d' Italie Suisse
Allemagne Japon Tchécoslovaquie
Nouvelle-Zélande U.R.S.S.
Australie
Belgique Pays-Bas U.S.A.
Canada Pologne Yougoslavie
Roumanie
France
Royaume-Uni
Hongrie
Aucun Comité Membre n'a désapprouvé le document.
O Organisation Internationale de Normalisation, 1976
Imprime en Suisse
NORME INTERNATIONALE IS0 3692-1976 (F)
Traitement de l’information - Bobines et noyaux pour
bandes perforées en papier de 25‘4 mm (I in) de large,
Dimensions
pour l‘échange d‘information -
1 OBJET ET DOMAINE D’APPLICATION vierges en papier), ils ne doivent pas être utilisés pour
l‘échange.
La présente Norme Internationale fixe les dimensions des
bobines d’entraÎnement ou de stockage B flasques séparables
3.2.3 Une surface plane, de diamètre C, concentrique
et des noyaux, de sorte que des rouleaux de bandes
la circonférence intérieure du moyeu, doit être prévue B
perforées puissent être échangés entre des machines de
chaque extrémité du moyeu pour positionner la bobine par
différents constructeurs. Elle est également destinée à
rapport à une plate-forme sur la broche d’entraînement.
servir de guide pour la coordination de la conception des
équi pements.
La surface extérieure de la bobine ne doit pas comporter de
saillies axiales au-delà des parties planes des surfaces
Une bobine et un noyau compatibles sont décrits. Ceux-ci
d‘appui de la plate-forme, dans l’espace libre minimal D.
peuvent être utilisés ensemble ou séparément pour transférer
une bande d’une machine à l‘autre.
3.2.4 À l’extérieur du cercle de diamètre D limitant
l’espace libre de la surface d’appui de la plate-forme (voir
2 RÉFÉRENCE
3.2.31, la saillie axiale de toute partie des flasques de la
bobine au-delà du plan de la surface d’appui de la plate-
IS0 1729, Traitement de l‘information - Bande vierge en
forme ne doit pas dépasser la valeur de L spécifiée dans le
papier - Spécifications.
tableau 1.
3.2.5 Chaque surface d’appui de la plate-forme doit
3 DIMENSIONS DE LA BOBINE
comporter trois rainures pour loger une clavette de la
3.1 Généralités
broche d’entraînement, comme le montre la figure 1.
3.1.1 La bobine doit être entraînée par une broche de
3.2.6 Chacune des deux surfaces intérieures des flasques
diamètre
...












Questions, Comments and Discussion
Ask us and Technical Secretary will try to provide an answer. You can facilitate discussion about the standard in here.
Loading comments...