ISO 7257:1983
(Main)Aircraft — Hydraulic tubing joints and fittings — Rotary flexure test
Aircraft — Hydraulic tubing joints and fittings — Rotary flexure test
Specifies procedures to determine and classify the fatigue strength of reconnectable or permanent hydraulic tube joints. The procedure is intended for conducting flexure tests of these parts with high strength tubes of various alloys such as corrosion resistant steel, Nimonic, titanium and aluminium alloy tube for use on commercial and military aircraft.
Aéronautique — Joints et raccords pour tubes hydrauliques — Essai de flexion rotative
La présente norme spécifie une méthode d'essai permettant de déterminer et de classer la résistance à la fatigue des assemblages de tubes hydrauliques, de type démontable ou fixé à demeure. La procédure consiste à effectuer des essais de flexion sur des raccords et assemblages de tubes hydrauliques à haute résistance en acier et alliages divers, tels que acier inoxydable, acier résistant à chaud à base de nickel, alliages de titane et d'aluminium, utilisés sur les avions civils et militaires. Une contrainte moyenne est appliquée aux éprouvettes en maintenant le circuit hydraulique sous pression puis en les soumettant à une flexion dans une machine d'essais de flexion rotative.
General Information
- Status
- Withdrawn
- Publication Date
- 30-Jun-1983
- Withdrawal Date
- 30-Jun-1983
- Technical Committee
- ISO/TC 20/SC 10 - Aerospace fluid systems and components
- Drafting Committee
- ISO/TC 20/SC 10/WG 6 - Couplings for rigid pipe
- Current Stage
- 9599 - Withdrawal of International Standard
- Start Date
- 31-May-2016
- Completion Date
- 12-Feb-2026
Relations
- Effective Date
- 09-Feb-2026
- Effective Date
- 09-Feb-2026
- Effective Date
- 03-Nov-2011
ISO 7257:1983 - Aircraft -- Hydraulic tubing joints and fittings -- Rotary flexure test
ISO 7257:1983 - Aéronautique -- Joints et raccords pour tubes hydrauliques -- Essai de flexion rotative
ISO 7257:1983 - Aéronautique -- Joints et raccords pour tubes hydrauliques -- Essai de flexion rotative
Get Certified
Connect with accredited certification bodies for this standard

DEKRA North America
DEKRA certification services in North America.
Eagle Registrations Inc.
American certification body for aerospace and defense.

Element Materials Technology
Materials testing and product certification.
Sponsored listings
Frequently Asked Questions
ISO 7257:1983 is a standard published by the International Organization for Standardization (ISO). Its full title is "Aircraft — Hydraulic tubing joints and fittings — Rotary flexure test". This standard covers: Specifies procedures to determine and classify the fatigue strength of reconnectable or permanent hydraulic tube joints. The procedure is intended for conducting flexure tests of these parts with high strength tubes of various alloys such as corrosion resistant steel, Nimonic, titanium and aluminium alloy tube for use on commercial and military aircraft.
Specifies procedures to determine and classify the fatigue strength of reconnectable or permanent hydraulic tube joints. The procedure is intended for conducting flexure tests of these parts with high strength tubes of various alloys such as corrosion resistant steel, Nimonic, titanium and aluminium alloy tube for use on commercial and military aircraft.
ISO 7257:1983 is classified under the following ICS (International Classification for Standards) categories: 49.080 - Aerospace fluid systems and components. The ICS classification helps identify the subject area and facilitates finding related standards.
ISO 7257:1983 has the following relationships with other standards: It is inter standard links to EN 3079:2006, EN 3275:2002, ISO 7257:2016. Understanding these relationships helps ensure you are using the most current and applicable version of the standard.
ISO 7257:1983 is available in PDF format for immediate download after purchase. The document can be added to your cart and obtained through the secure checkout process. Digital delivery ensures instant access to the complete standard document.
Standards Content (Sample)
International Standard
INTERNATIONAL ORGANIZATION FOR STANDARDIZATION.ME~YHAPO~HAfl OPrAHH3A~HR fl0 CTAH&V ’TH3AlWMORGANISATION INTERNATIONALE DE NORMALISATION
Aircraft - Hydraulic tubing joints and fittings - Rotary
f lexure test
Ahronautique - Joints et raccords pour tubes hydrauliques - Essai de flexion rotative
First edition - 1983-07-01
Ref. No. ISO 7257-1983 (EI
UDC 621.643.4 : 629.7 : 620.178.325.3
Descriptors : aircraft industry, aircraft equipment, hydraulic installation, pipe fittings, couplings, tests, fatigue tests, fatigue (materials) l
Price based on 9 pages
Foreword
ISO (the International Organization for Standardization) is a worldwide federation of
national Standards bodies (ISO member bodies). The work of developing International
Standards is carried out through ISO technical committees. Every member body
interested in a subject for which a technical committee has been authorized has the
right to be represented on that committee. International organizations, ,governmental
and non-governmental, in liaison with ISO, also take part in the work.
Draft International Standards adopted by the technical committees are circulated to
the member bodies for approval before their acceptance as International Standards by
the ISO Council.
International Standard ISO 7257 was developed by Technical Committee ISO/TC 20,
Aircraft and space vehicles, and was circulated to the member bodies in November
1981.
lt has been approved by the member bodies of the following countries:
Egypt, Arab Rep. of South Africa, Rep. of
Australia
Austria France Spain
Germany, F. R. Sweden
Belgium
Brazil Italy United Kingdom
Canada Mexico USA
Netherlands
China
Czechoslovakia Romania
lowing country expressed disapproval of the docu ment on
The member body of
technical grounds :
USSR
International Organkation for Standardkation, 1983
Printed in Switzerland
ISO 72574983 (E)
INTERNATIONAL STANDARD
Aircraft - Hydraulic tubing joints and fittings - Rotary
flexure test
3 Requirements
0 Introduction
This International Standard describes a flexure fatigue test pro-
3.1 Flexure test device
cedure which allows evaluation of various tube fitting designs
or material combinations. This evaluation is performed by
The test device should be capable of testing in-line or bulkhead
fatigue testing the tube joints over a spectrum of bending
Union test specimens and other configurations such as elbows
Stresses and then plotting the cycles to failure. This test pro-
and tees.
cedure is intended for comparative evaluation of fatigue
characteristics only, the qualification test procedure for tube
The rotary flexure test device should be similar to that shown in
fittings being specified. in ISO 7169. Other test methods may be
figure 1. Esch rotary flexure test device should be capable of
used as long as they develop the same data as the rotary flexure
testing one specimen, but several specimens may be mounted
test.
.on one plate.
The device should be capable of constantly maintaining the re-
1 Scope and field of application
quired operating pressure during the test. The test fluid shall be
water or System fluid (working fluid) unless othetvvise specified
This International Standard specifies flexure test procedures to
by the responsible authorities. A typical pressurization and
determine and classify the fatigue strengths of reconnectable
automatic shutdown System is shown in figure 2. The shut-
or permanent hydraulic tube joints.
down should be automatic in the event of failure or pressure
drop. The device should be capable of testing at controlled
The procedure is intended for conducting flexure tests of fit-
constant temperature, if specified by the procuring agency.
tings and joints with high strength hydraulic tubes of various
The tailstock of the test device should be designed to permit
alloys such as corrosion resistant steel, Nimonic, titanium and
alignment during initial installation and specimen mounting,
aluminum alloy hydraulic tube for use on commercial and
and to serve as a pressure manifold. The rotating headstock
military aircraft.
should have a low-friction, self-aligning bearing and should be
designed to permit total deflections of up to 25 mm, and a con-
A mean stress is applied by holding System pressure in the
stant rotational frequency within the range of 1 500 to
specimens and then flexing in a rotary bending test machine.
3 600 min - 1. The base should be of rigid construction.
3.2 Flexure test specimen
2 References
The test specimen should consist of an adapter fitting
ISO 2964, Aircraft - Tubing outside diameters and
thicknesses, me tric dimensions. (headstock end), a section of straight tubing, and a test fitting
at the tailstock end. Typical test specimens are shown in
figure 3. The tubing shall be of a size and wall thickness as
ISO 7169, Separabfe tube fittings for fluid Systems - General
specifica tion. 1) specified by the user or procuring agency.
At present at the Stage of draft.
1)
c
Adjustment
Tailstoc k
Self-aligning bearing
for def lection
* l
f
/
Test length, L
-
.----
m---w
m---
----
Tailstock
/- alignment bolt
(specimen separable joint)
Dial indicator, alternate for
strain gauge (horizontal and
vertical adjustment)
Figure 1 - Typical rotary flexure test schematic
Laboratory test gauge
f approximatively 35 000 kPa
Tailstock Tailstock
I
‘.’
.
, -.-
0’
p-.
. .
Hydraulic
:. -
Laboratory test gauge
.’
. ’
pressu re . f
“. . approximatively 14 000 kPa
.
l - . 0
-.
-.-
’ .,-
- .
-:
-.-8
. -.
. .
:: 0,
.I’
’ -. Needle valve
.-.
- .’
”
- :
:.-:
: .-
Miet-oswitch (to stop motor
. --
. .
.” Cl
.
and cycle counter)
L
Actuator 2 : 1 ratio
/Accumulator to suit pressure
-l
Nitrogen pressure
G
Figure 2 - Typical rotary flexure test hydraulic schematic
\I
lu
Y
1’
s
ISO 7257-1983 (El
t
E
E
.-
0 t
ml
f
c
E
z
e
c
.I
.W
t
E
P
P
E
E
ti
t!
d
E
k
ii
E
E
c
.I
‘W
E
r
E
e
\
\
\
l
\
0, \
\’
\ \ ‘*
?ii \ \
\
E?
.-
\
\:
c
as
\ \
\
\
5 6 J
10 10
Cycles to failure, IV-
- Such curves could be established to illustrate possible differentes observed in comparison testing of different materials or fitting at-
NOTE
tachments.
Figure 4 - SIN curves for characterizing various types of tubing or fitting joints
10 10
Cycles to failure, N -
Figure 5 - DIN curve deflection/fatigue strength
NOTE - The correlation between the strain gauge reading and deflection may vary for different fitting designs. For example, a mechanically attached
fitting may show some movement in the fitting, whereas a weld joint will be rigid. Also, a significant differente is noted if the SIN and D/N curves are
compared for different tubing such as titanium alloy and corrosion resistant steel.
ISO 7257-1983
...
Norme internationale 7257
INTERNATIONAL ORGANIZATION FOR STANDARDIZATIONWlE~YHAPO~HAR OPrAHHSALlMR Il0 CTAH~APTl43Al&ll4@ORGANISATION INTERNATIONALE DE NORMALISATION
Aéronautique - Joints et raccords pour tubes
hydrauliques - Essai de flexion rotative
Aircraft - Hydraulic tubing joints and fittings - Rotary flexure test
Première édition - 1983-07-01
CDU 621643.4 : 629.7 : 620.178.325.3 Réf. no : ISO 7257-1983 (FI
îî
Y
Descripteurs : industrie aéronautique, matériel d’aéronef, installation hydraulique, raccord de tuyauterie, accouplement, essai, essai de fatigue,
résistance à la fatigue.
v) Prix basé sur 9 pages
Avant-propos
L’ISO (Organisation internationale de normalisation) est une fédération mondiale
d’organismes nationaux de normalisation (comités membres de I’ISO). L’élaboration
des Normes internationales est confiée aux comités techniques de I’ISO. Chaque
comité membre intéressé par une étude a le droit de faire partie du comité technique
correspondant. Les organisations internationales, gouvernementales et non gouverne-
mentales, en liaison avec I’ISO, participent également aux travaux.
Les projets de Normes internationales adoptés par les comités techniques sont soumis
aux comités membres pour approbation, avant leur acceptation comme Normes inter-
nationales par le Conseil de I’ISO.
La Norme internationale ISO 7257 a été élaborée par le comité technique ISO/TC 20,
Aéronautique et espace, et a été soumise aux comités membres en novembre 1981.
Les comités membres des pays suivants l’ont approuvée:
Afrique du Sud, Rép. d’ Chine Roumanie
Allemagne, R. F. Égypte, Rép. arabe d’ Royaume-Uni
Australie Espagne Suisse
Autriche France Tchécoslovaquie
Belgique Italie USA
Brésil Mexique
Canada Pays- Bas
Le comité membre du pays suivant l’a désapprouvée pour des raisons techniques:
URSS
0 Organisation internationale de normalisation, 1983
Imprimé en Suisse
SO 72574983 (F)
NORME INTERNATIONALE
Joints et raccords pour tubes
Aéronautique -
Essai de flexion rotative
hydrauliques -
0 Introduction 3 Caractéristiques requises
La présente Norme internationale décrit un mode opératoire
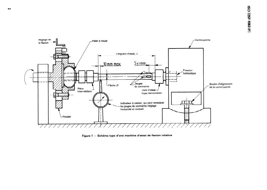
3.1 Machine d’essai de flexion
d’essai de fatigue par flexion permettant d’évaluer divers modè-
les de raccords de tube ou combinaisons de matériaux. Cette
La machine doit pouvoir essayer des éprouvettes de raccords
évaluation se fonde sur un essai de fatigue des joints de tubes
droits et de traversée de cloison, ou d’autres configurations tels
sur un spectre donné de contraintes de flexion, avec enregistre-
que coudes ou tés.
ment des cycles jusqu’à la rupture. Cet essai ne sert qu’à une
évaluation comparée de l’endurance des joints et raccords à la
La machine d’essai de flexion rotative doit être similaire à celle
fatigue; une méthode d’essai de qualification des tubes est spé-
que représente la figure 1. Chaque machine doit pouvoir
cifiée dans I’ISO 7169. D’autres méthodes d’essai peuvent être
essayer une éprouvette, mais plusieurs éprouvettes peuvent
utilisées dans la mesure où elles fournissent des données identi-
être montées sur un plateau.
ques à celles de l’essai de flexion rotative.
La machine doit être capable de maintenir constante la pression
de service requise pendant l’essai. Le fluide d’essai doit être de
1 Objet et domaine d’application l’eau ou du fluide pour système hydraulique (fluide de travail),
sauf spécification contraire des autorités responsables. La
La présente Norme internationale spécifie une méthode d’essai figure 2 représente un système type de mise sous pression et ’
d’arrêt automatique de l’alimentation. L’arrêt doit être automa-
permettant de déterminer et de classer la résistance à la fatigue
tique en cas de panne ou de chute de pression. Si l’agence
des joints pour tubes hydrauliques, de type démontable ou fixé
à demeure. d’approvisionnement le demande, la machine doit pouvoir
fonctionner à température constante contrôlée. La contre-
pointe de la machine d’essai doit être concue, d’une part, pour
La procédure consiste à essayer les joints et raccords en flexion
permettre l’alignement au montage initial et après installation
sur des tubes hydrauliques à haute résistance en acier et allia-
de l’échantillon et, d’autre part, pour faire office de collecteur.
ges divers, tels que acier inoxydable, nimonic, alliages de titane
et d’aluminium, utilisés pour les appareils civils et militaires. La poupée rotative doit être montée sur palier à rotule à faible
frottement; elle doit être concue de manière à pouvoir engen-
drer des déformations totales allant jusqu’à 25 mm et doit avoir
Tout en maintenant le circuit hydraulique sous pression, on
une fréquence de rotation constante comprise entre 1 500 et
soumet les éprouvettes à une contrainte moyenne puis à une
3 600 min-l. Le socle doit avoir une construction rigide.
flexion dans une machine d’essai de flexion rotative.
3.2 Éprouvette pour essai de flexion
2 Références
L’éprouvette doit se composer d’une pièce intermédiaire (adap-
tée sur la poupée), d’une section de tube droit et du raccord à
ISO 2964, Aéronefs - Diamètres extérieurs et épaisseurs des
- Dimensions m& triques. essayer du côté de la contre-pointe. La figure 3 représente des
tubes
éprouvettes types. Le tube doit avoir la dimension et l’épaisseur
de paroi spécifiées par l’utilisateur ou l’agence d’approvisionne-
ISO 7169, Raccords séparables de tubes pour systèmes de flui-
- Spécifications ghkales. 1) ment.
des
1) Actuellement au stade de projet.
Contre-pointe
Réglage de
Palier à rotule
7 -
la flexior
f
f
/
Longueur d’essai, L
-
Stimm, L I
. I IfImm mnx
IV 111111 . .-.
Pression
-----
--mm.
cLq( hydraulique
--
-1
4-B -l
a--
---
Boulon d’alignement
(i;
de contrainte
/-de la contre-pointe
\ III I I
r imit:
Y
Joint d’essai A
:-bA”mAA:ti:C*
II Ile1 I I IeulalI G
(type démontable)
A
Indicateur à cadran, qui peut remplacer
les jauges de contrainte (réglage
horizontal et vertical 1
\-Poupée
Schéma type d’une machine d’essai de flexion rotative
Figure 1 -
Indicateur de laboratoire
d’approximativement 35 000 kPa
Contre-pointe
Contre-winte
. :
.
- *a
- 8
Pression
.-. -
Indicateur de laboratoire
- . :
.
. ’
.
hydraulique
f
P . d’approximativement 14 000 kPa
. .
- .
. . < 0
. .
. .
.
,-.*
.
. .
I I - .
l .
‘.
. -*
. .
:.- -
.l
’ . . Robinet à pointeau
.-.a
(29
- .’
- <
. -.:
’ <
: .’
Microrupteur (pour couper
. i
- .
.** cl
.
le moteur et le compte-cycles)
Commande de rapport 2 : 1
Accumulateur adapté à la pression
f
Pression d’azote
Figure 2 - Schéma type d’une machine hydraulique d’essai de flexion rotative
Iso 72574983 (FI
t
t
E
(v
ISO 72574983 (F)
\
\’
\
\
\ \
\
\ ‘\ ‘\
\ \ ‘,
\
\ ‘, \,‘ll.
\\\‘A,‘\, -----\
--
----
\ \ 1, ‘-.-
--BF
\ ’
\\ .- ------_-
--mm
v-
\\ \\\ ---- ---,
----~w-
-
---m
‘.
--
--e-
---
--
---e
---w-
- -
3 4 5 6 I
10 10 10 10 10
Nombre de cycles jusqu’à la rupture, Ne
NOTE - De telles courbes peuvent être établies pour illustrer les éventuelles différences observées au cours d’essais comparatifs de matériaux ou de
raccords différents.
Figure 4 - Courbes SIN caracthisant les diffkents types de tubes ou de joints de raccords
0 I
lo 10
10 10 10
Nombre de cycles jusqu’à la rupture, N-
Figure 5 - Courbe D/N de la résistance à la fatigue en fonction de la deformation
NOTE - La corrélation entre le relevé des jauges de contrainte et la déformation peut varier suivant le type de raccord. Ainsi, un raccord fixé mécani-
quement peut-il présenter un certain mouvement alors qu’un joint soudé demeurera rigide. On note également une différence significative entre les
courbes SIN et DIN si l’on compare des tubes en alliage de titane ou en acier inoxydable.
SO 72574983 (FI
NOTE - Des valeurs fixes de déformation peuvent également être utili-
3.3 Longueur de l’éprouvette et caractéristiques
sées au lieu des valeurs déterminées p
...
Norme internationale 7257
INTERNATIONAL ORGANIZATION FOR STANDARDIZATIONWlE~YHAPO~HAR OPrAHHSALlMR Il0 CTAH~APTl43Al&ll4@ORGANISATION INTERNATIONALE DE NORMALISATION
Aéronautique - Joints et raccords pour tubes
hydrauliques - Essai de flexion rotative
Aircraft - Hydraulic tubing joints and fittings - Rotary flexure test
Première édition - 1983-07-01
CDU 621643.4 : 629.7 : 620.178.325.3 Réf. no : ISO 7257-1983 (FI
îî
Y
Descripteurs : industrie aéronautique, matériel d’aéronef, installation hydraulique, raccord de tuyauterie, accouplement, essai, essai de fatigue,
résistance à la fatigue.
v) Prix basé sur 9 pages
Avant-propos
L’ISO (Organisation internationale de normalisation) est une fédération mondiale
d’organismes nationaux de normalisation (comités membres de I’ISO). L’élaboration
des Normes internationales est confiée aux comités techniques de I’ISO. Chaque
comité membre intéressé par une étude a le droit de faire partie du comité technique
correspondant. Les organisations internationales, gouvernementales et non gouverne-
mentales, en liaison avec I’ISO, participent également aux travaux.
Les projets de Normes internationales adoptés par les comités techniques sont soumis
aux comités membres pour approbation, avant leur acceptation comme Normes inter-
nationales par le Conseil de I’ISO.
La Norme internationale ISO 7257 a été élaborée par le comité technique ISO/TC 20,
Aéronautique et espace, et a été soumise aux comités membres en novembre 1981.
Les comités membres des pays suivants l’ont approuvée:
Afrique du Sud, Rép. d’ Chine Roumanie
Allemagne, R. F. Égypte, Rép. arabe d’ Royaume-Uni
Australie Espagne Suisse
Autriche France Tchécoslovaquie
Belgique Italie USA
Brésil Mexique
Canada Pays- Bas
Le comité membre du pays suivant l’a désapprouvée pour des raisons techniques:
URSS
0 Organisation internationale de normalisation, 1983
Imprimé en Suisse
SO 72574983 (F)
NORME INTERNATIONALE
Joints et raccords pour tubes
Aéronautique -
Essai de flexion rotative
hydrauliques -
0 Introduction 3 Caractéristiques requises
La présente Norme internationale décrit un mode opératoire
3.1 Machine d’essai de flexion
d’essai de fatigue par flexion permettant d’évaluer divers modè-
les de raccords de tube ou combinaisons de matériaux. Cette
La machine doit pouvoir essayer des éprouvettes de raccords
évaluation se fonde sur un essai de fatigue des joints de tubes
droits et de traversée de cloison, ou d’autres configurations tels
sur un spectre donné de contraintes de flexion, avec enregistre-
que coudes ou tés.
ment des cycles jusqu’à la rupture. Cet essai ne sert qu’à une
évaluation comparée de l’endurance des joints et raccords à la
La machine d’essai de flexion rotative doit être similaire à celle
fatigue; une méthode d’essai de qualification des tubes est spé-
que représente la figure 1. Chaque machine doit pouvoir
cifiée dans I’ISO 7169. D’autres méthodes d’essai peuvent être
essayer une éprouvette, mais plusieurs éprouvettes peuvent
utilisées dans la mesure où elles fournissent des données identi-
être montées sur un plateau.
ques à celles de l’essai de flexion rotative.
La machine doit être capable de maintenir constante la pression
de service requise pendant l’essai. Le fluide d’essai doit être de
1 Objet et domaine d’application l’eau ou du fluide pour système hydraulique (fluide de travail),
sauf spécification contraire des autorités responsables. La
La présente Norme internationale spécifie une méthode d’essai figure 2 représente un système type de mise sous pression et ’
d’arrêt automatique de l’alimentation. L’arrêt doit être automa-
permettant de déterminer et de classer la résistance à la fatigue
tique en cas de panne ou de chute de pression. Si l’agence
des joints pour tubes hydrauliques, de type démontable ou fixé
à demeure. d’approvisionnement le demande, la machine doit pouvoir
fonctionner à température constante contrôlée. La contre-
pointe de la machine d’essai doit être concue, d’une part, pour
La procédure consiste à essayer les joints et raccords en flexion
permettre l’alignement au montage initial et après installation
sur des tubes hydrauliques à haute résistance en acier et allia-
de l’échantillon et, d’autre part, pour faire office de collecteur.
ges divers, tels que acier inoxydable, nimonic, alliages de titane
et d’aluminium, utilisés pour les appareils civils et militaires. La poupée rotative doit être montée sur palier à rotule à faible
frottement; elle doit être concue de manière à pouvoir engen-
drer des déformations totales allant jusqu’à 25 mm et doit avoir
Tout en maintenant le circuit hydraulique sous pression, on
une fréquence de rotation constante comprise entre 1 500 et
soumet les éprouvettes à une contrainte moyenne puis à une
3 600 min-l. Le socle doit avoir une construction rigide.
flexion dans une machine d’essai de flexion rotative.
3.2 Éprouvette pour essai de flexion
2 Références
L’éprouvette doit se composer d’une pièce intermédiaire (adap-
tée sur la poupée), d’une section de tube droit et du raccord à
ISO 2964, Aéronefs - Diamètres extérieurs et épaisseurs des
- Dimensions m& triques. essayer du côté de la contre-pointe. La figure 3 représente des
tubes
éprouvettes types. Le tube doit avoir la dimension et l’épaisseur
de paroi spécifiées par l’utilisateur ou l’agence d’approvisionne-
ISO 7169, Raccords séparables de tubes pour systèmes de flui-
- Spécifications ghkales. 1) ment.
des
1) Actuellement au stade de projet.
Contre-pointe
Réglage de
Palier à rotule
7 -
la flexior
f
f
/
Longueur d’essai, L
-
Stimm, L I
. I IfImm mnx
IV 111111 . .-.
Pression
-----
--mm.
cLq( hydraulique
--
-1
4-B -l
a--
---
Boulon d’alignement
(i;
de contrainte
/-de la contre-pointe
\ III I I
r imit:
Y
Joint d’essai A
:-bA”mAA:ti:C*
II Ile1 I I IeulalI G
(type démontable)
A
Indicateur à cadran, qui peut remplacer
les jauges de contrainte (réglage
horizontal et vertical 1
\-Poupée
Schéma type d’une machine d’essai de flexion rotative
Figure 1 -
Indicateur de laboratoire
d’approximativement 35 000 kPa
Contre-pointe
Contre-winte
. :
.
- *a
- 8
Pression
.-. -
Indicateur de laboratoire
- . :
.
. ’
.
hydraulique
f
P . d’approximativement 14 000 kPa
. .
- .
. . < 0
. .
. .
.
,-.*
.
. .
I I - .
l .
‘.
. -*
. .
:.- -
.l
’ . . Robinet à pointeau
.-.a
(29
- .’
- <
. -.:
’ <
: .’
Microrupteur (pour couper
. i
- .
.** cl
.
le moteur et le compte-cycles)
Commande de rapport 2 : 1
Accumulateur adapté à la pression
f
Pression d’azote
Figure 2 - Schéma type d’une machine hydraulique d’essai de flexion rotative
Iso 72574983 (FI
t
t
E
(v
ISO 72574983 (F)
\
\’
\
\
\ \
\
\ ‘\ ‘\
\ \ ‘,
\
\ ‘, \,‘ll.
\\\‘A,‘\, -----\
--
----
\ \ 1, ‘-.-
--BF
\ ’
\\ .- ------_-
--mm
v-
\\ \\\ ---- ---,
----~w-
-
---m
‘.
--
--e-
---
--
---e
---w-
- -
3 4 5 6 I
10 10 10 10 10
Nombre de cycles jusqu’à la rupture, Ne
NOTE - De telles courbes peuvent être établies pour illustrer les éventuelles différences observées au cours d’essais comparatifs de matériaux ou de
raccords différents.
Figure 4 - Courbes SIN caracthisant les diffkents types de tubes ou de joints de raccords
0 I
lo 10
10 10 10
Nombre de cycles jusqu’à la rupture, N-
Figure 5 - Courbe D/N de la résistance à la fatigue en fonction de la deformation
NOTE - La corrélation entre le relevé des jauges de contrainte et la déformation peut varier suivant le type de raccord. Ainsi, un raccord fixé mécani-
quement peut-il présenter un certain mouvement alors qu’un joint soudé demeurera rigide. On note également une différence significative entre les
courbes SIN et DIN si l’on compare des tubes en alliage de titane ou en acier inoxydable.
SO 72574983 (FI
NOTE - Des valeurs fixes de déformation peuvent également être utili-
3.3 Longueur de l’éprouvette et caractéristiques
sées au lieu des valeurs déterminées p
...












Questions, Comments and Discussion
Ask us and Technical Secretary will try to provide an answer. You can facilitate discussion about the standard in here.
Loading comments...