ASTM E1646-95(2018)
(Test Method)Standard Test Method for Water Penetration of Exterior Metal Roof Panel Systems by Uniform Static Air Pressure Difference
Standard Test Method for Water Penetration of Exterior Metal Roof Panel Systems by Uniform Static Air Pressure Difference
SIGNIFICANCE AND USE
5.1 This test method is a standard procedure for determining the resistance to water penetration under uniform positive static air pressure differences, and simulates wind driven rain imposed on sidelaps and rain that is free to drain while building a water head as it flows. The slope of the roof is significant. These factors shall be fully considered prior to specifying the test pressure difference.
Note 1: In applying the results of tests by this method, note that the performance of a roof or its components, or both, may be a function of proper installation and adjustment. In service, the performance also depends on the rigidity of supporting construction, roof slope, and on the resistance of components to deterioration by various causes: corrosive atmosphere, aging, ice, vibration, thermal expansion and contraction, etc. It is difficult to simulate the identical complex wetting conditions that can be encountered in service, including large wind-blown water drops, increasing water drop impact pressures with increasing wind velocity, and lateral or upward moving air and water. Some designs are more sensitive than others to this upward moving water.
Note 2: This is a test procedure. It is the responsibility of the specifying agency to determine the specimen construction, size, and test pressures after considering the method’s guidelines. Practical considerations suggest that every combination of panel thickness, span, and design load need not be tested in order to substantiate product performance.
Note 3: This test method shall not, by itself, be relied upon to form conclusions about overall water penetration through metal roofs. A roof contains many details. Although prescribed modifications are outside the scope of this test method, an experienced testing engineer is able to use the principles presented in this test method and generate significant data by isolating specific details and measuring leakage.
SCOPE
1.1 This test method covers the determination of the resistance of exterior metal roof panel systems to water penetration when water is applied to the outdoor face simultaneously with a static air pressure at the outdoor face higher than the pressure at the indoor face, that is, positive pressure. This test method is a specialized adaption of Test Method E331.
1.2 This test method is applicable to any roof area and is intended to measure only the water penetration associated with the field of roof including panel side laps and structural connections. It does not include leakage at openings or perimeter or any other details.
1.3 This test method is limited to specimens in which the side seams and attachments are clearly visible and in which the source of leakage is readily determined. Composite systems in which the source cannot be readily determined are outside the scope of this test method.
1.4 The proper use of this test method requires a knowledge of the principles of pressure and flow measurement.
1.5 The values stated in inch-pound units are to be regarded as standard. The values given in parentheses are mathematical conversions to SI units that are provided for information only and are not considered standard.
1.6 The text of this test method references notes and footnotes excluding tables and figures, which provide explanatory material. These notes and footnotes shall not be considered as requirements of the test method.
1.7 This standard does not purport to address all of the safety concerns, if any, associated with its use. It is the responsibility of the user of this standard to establish appropriate safety, health, and environmental practices and determine the applicability of regulatory limitations prior to use. For specific hazard statements, see 7.1.
1.8 This international standard was developed in accordance with internationally recognized principles on standardization established in the Decision on Principles for the Development of Internati...
General Information
- Status
- Published
- Publication Date
- 31-Oct-2018
- Technical Committee
- E06 - Performance of Buildings
- Drafting Committee
- E06.57 - Performance of Metal Roof Systems
Relations
- Effective Date
- 01-Nov-2018
- Effective Date
- 01-Oct-2017
- Effective Date
- 01-Mar-2015
- Effective Date
- 01-Nov-2014
- Effective Date
- 01-Apr-2012
- Effective Date
- 01-Nov-2011
- Effective Date
- 01-Feb-2009
- Effective Date
- 01-Jun-2006
- Effective Date
- 01-Jun-2005
- Effective Date
- 10-Apr-2003
- Effective Date
- 10-Apr-2001
- Effective Date
- 10-Apr-2001
- Effective Date
- 10-Oct-2000
- Effective Date
- 28-Jul-2000
- Effective Date
- 01-Jan-1995
Overview
ASTM E1646-95(2018) - Standard Test Method for Water Penetration of Exterior Metal Roof Panel Systems by Uniform Static Air Pressure Difference is a crucial international standard published by ASTM International. This test method provides a systematic procedure for evaluating the resistance of exterior metal roof panel systems to water penetration when subjected to a uniform, static positive air pressure difference. The method simulates wind-driven rain, focusing on water infiltration that may occur through panel sidelaps and structural connections under realistic environmental pressures.
This standard is particularly significant for construction professionals, architects, and manufacturers involved in designing, specifying, or certifying the weather resistance of metal roof systems. It addresses the practical performance of roofing assemblies, promoting higher levels of durability, safety, and building envelope protection.
Key Topics
- Water Penetration Resistance: Evaluates the ability of metal roofing panels to resist water infiltration when exposed to static positive air pressure, simulating conditions such as wind-driven rain and ponding.
- Test Procedure: Specifies how to seal and install test specimens in a chamber, apply both water and air pressure, and observe for leaks. Focuses on field-related water penetration, particularly panel sidelaps and structural joints.
- Scope Limitations: This test addresses only water penetration in the field of the roof panel system, excluding edges, openings, or complex composite constructions where the leak source cannot be easily determined.
- Significance of Roof Slope: Recognizes the critical influence of roof slope on test results; appropriate slope selection is fundamental for accurate and relevant water leakage assessment.
- Test Specimen Requirements: Calls for specimens that accurately represent the installed system, including full-sized components and typical construction methods. Isolates details for repeatable, meaningful results.
Applications
This standard is widely applicable for:
- System Design and Selection: Helping architects, engineers, and builders choose metal roof systems with proven water penetration resistance.
- Product Certification and Quality Assurance: Enabling manufacturers to demonstrate compliance with industry benchmarks for water ingress protection, supporting marketing, specification, and regulatory approval.
- Performance Verification: Used by consultants and building owners to verify installation quality or assess roofing systems after modifications or repairs.
- Research and Development: Facilitating improvements in roof panel systems by identifying weak points and guiding the enhancement of water resistance features through comparative testing.
- Code Compliance: Serving as a recognized reference in both national and international codes or guidance documents for metal roof system performance.
Related Standards
The following standards are commonly referenced in conjunction with ASTM E1646-95(2018):
- ASTM E331 - Test Method for Water Penetration of Exterior Windows, Skylights, Doors, and Curtain Walls by Uniform Static Air Pressure Difference
- ASTM E1680 - Test Method for Rate of Air Leakage through Exterior Metal Roof Panel Systems
- ASTM E1592 - Test Method for Structural Performance of Sheet Metal Roof and Siding Systems by Uniform Static Air Pressure Difference
- ASTM E631 - Terminology of Building Constructions
- AAMA 501 - Methods of Test for Exterior Walls
Practical Value
Implementing ASTM E1646-95(2018) offers several practical advantages:
- Risk Mitigation: Reduces the potential for costly water damage and associated building failures.
- Enhanced Durability: Supports the design of longer-lasting, weather-resistant roofing systems.
- Objective Comparison: Provides a repeatable, scientific basis for comparing the water penetration performance of various metal roof panels and systems.
- Industry Recognition: Facilitates communication and confidence among stakeholders by adhering to globally recognized testing procedures.
By using ASTM E1646-95(2018), professionals ensure that exterior metal roof panel systems achieve robust water penetration resistance, meeting rigorous expectations for building envelope performance and occupant safety.
Buy Documents
ASTM E1646-95(2018) - Standard Test Method for Water Penetration of Exterior Metal Roof Panel Systems by Uniform Static Air Pressure Difference
Get Certified
Connect with accredited certification bodies for this standard

ICC Evaluation Service
Building products evaluation and certification.

QAI Laboratories
Building and construction product testing and certification.

Aboma Certification B.V.
Specialized in construction, metal, and transport sectors.
Sponsored listings
Frequently Asked Questions
ASTM E1646-95(2018) is a standard published by ASTM International. Its full title is "Standard Test Method for Water Penetration of Exterior Metal Roof Panel Systems by Uniform Static Air Pressure Difference". This standard covers: SIGNIFICANCE AND USE 5.1 This test method is a standard procedure for determining the resistance to water penetration under uniform positive static air pressure differences, and simulates wind driven rain imposed on sidelaps and rain that is free to drain while building a water head as it flows. The slope of the roof is significant. These factors shall be fully considered prior to specifying the test pressure difference. Note 1: In applying the results of tests by this method, note that the performance of a roof or its components, or both, may be a function of proper installation and adjustment. In service, the performance also depends on the rigidity of supporting construction, roof slope, and on the resistance of components to deterioration by various causes: corrosive atmosphere, aging, ice, vibration, thermal expansion and contraction, etc. It is difficult to simulate the identical complex wetting conditions that can be encountered in service, including large wind-blown water drops, increasing water drop impact pressures with increasing wind velocity, and lateral or upward moving air and water. Some designs are more sensitive than others to this upward moving water. Note 2: This is a test procedure. It is the responsibility of the specifying agency to determine the specimen construction, size, and test pressures after considering the method’s guidelines. Practical considerations suggest that every combination of panel thickness, span, and design load need not be tested in order to substantiate product performance. Note 3: This test method shall not, by itself, be relied upon to form conclusions about overall water penetration through metal roofs. A roof contains many details. Although prescribed modifications are outside the scope of this test method, an experienced testing engineer is able to use the principles presented in this test method and generate significant data by isolating specific details and measuring leakage. SCOPE 1.1 This test method covers the determination of the resistance of exterior metal roof panel systems to water penetration when water is applied to the outdoor face simultaneously with a static air pressure at the outdoor face higher than the pressure at the indoor face, that is, positive pressure. This test method is a specialized adaption of Test Method E331. 1.2 This test method is applicable to any roof area and is intended to measure only the water penetration associated with the field of roof including panel side laps and structural connections. It does not include leakage at openings or perimeter or any other details. 1.3 This test method is limited to specimens in which the side seams and attachments are clearly visible and in which the source of leakage is readily determined. Composite systems in which the source cannot be readily determined are outside the scope of this test method. 1.4 The proper use of this test method requires a knowledge of the principles of pressure and flow measurement. 1.5 The values stated in inch-pound units are to be regarded as standard. The values given in parentheses are mathematical conversions to SI units that are provided for information only and are not considered standard. 1.6 The text of this test method references notes and footnotes excluding tables and figures, which provide explanatory material. These notes and footnotes shall not be considered as requirements of the test method. 1.7 This standard does not purport to address all of the safety concerns, if any, associated with its use. It is the responsibility of the user of this standard to establish appropriate safety, health, and environmental practices and determine the applicability of regulatory limitations prior to use. For specific hazard statements, see 7.1. 1.8 This international standard was developed in accordance with internationally recognized principles on standardization established in the Decision on Principles for the Development of Internati...
SIGNIFICANCE AND USE 5.1 This test method is a standard procedure for determining the resistance to water penetration under uniform positive static air pressure differences, and simulates wind driven rain imposed on sidelaps and rain that is free to drain while building a water head as it flows. The slope of the roof is significant. These factors shall be fully considered prior to specifying the test pressure difference. Note 1: In applying the results of tests by this method, note that the performance of a roof or its components, or both, may be a function of proper installation and adjustment. In service, the performance also depends on the rigidity of supporting construction, roof slope, and on the resistance of components to deterioration by various causes: corrosive atmosphere, aging, ice, vibration, thermal expansion and contraction, etc. It is difficult to simulate the identical complex wetting conditions that can be encountered in service, including large wind-blown water drops, increasing water drop impact pressures with increasing wind velocity, and lateral or upward moving air and water. Some designs are more sensitive than others to this upward moving water. Note 2: This is a test procedure. It is the responsibility of the specifying agency to determine the specimen construction, size, and test pressures after considering the method’s guidelines. Practical considerations suggest that every combination of panel thickness, span, and design load need not be tested in order to substantiate product performance. Note 3: This test method shall not, by itself, be relied upon to form conclusions about overall water penetration through metal roofs. A roof contains many details. Although prescribed modifications are outside the scope of this test method, an experienced testing engineer is able to use the principles presented in this test method and generate significant data by isolating specific details and measuring leakage. SCOPE 1.1 This test method covers the determination of the resistance of exterior metal roof panel systems to water penetration when water is applied to the outdoor face simultaneously with a static air pressure at the outdoor face higher than the pressure at the indoor face, that is, positive pressure. This test method is a specialized adaption of Test Method E331. 1.2 This test method is applicable to any roof area and is intended to measure only the water penetration associated with the field of roof including panel side laps and structural connections. It does not include leakage at openings or perimeter or any other details. 1.3 This test method is limited to specimens in which the side seams and attachments are clearly visible and in which the source of leakage is readily determined. Composite systems in which the source cannot be readily determined are outside the scope of this test method. 1.4 The proper use of this test method requires a knowledge of the principles of pressure and flow measurement. 1.5 The values stated in inch-pound units are to be regarded as standard. The values given in parentheses are mathematical conversions to SI units that are provided for information only and are not considered standard. 1.6 The text of this test method references notes and footnotes excluding tables and figures, which provide explanatory material. These notes and footnotes shall not be considered as requirements of the test method. 1.7 This standard does not purport to address all of the safety concerns, if any, associated with its use. It is the responsibility of the user of this standard to establish appropriate safety, health, and environmental practices and determine the applicability of regulatory limitations prior to use. For specific hazard statements, see 7.1. 1.8 This international standard was developed in accordance with internationally recognized principles on standardization established in the Decision on Principles for the Development of Internati...
ASTM E1646-95(2018) is classified under the following ICS (International Classification for Standards) categories: 91.060.20 - Roofs. The ICS classification helps identify the subject area and facilitates finding related standards.
ASTM E1646-95(2018) has the following relationships with other standards: It is inter standard links to ASTM E1646-95(2011), ASTM E1592-05(2017), ASTM E631-15, ASTM E631-14, ASTM E1592-05(2012), ASTM E1680-11, ASTM E331-00(2009), ASTM E631-06, ASTM E1592-05, ASTM E1680-95(2003), ASTM E1592-98, ASTM E1592-01, ASTM E331-00, ASTM E631-93a(1998)e1, ASTM E1680-95. Understanding these relationships helps ensure you are using the most current and applicable version of the standard.
ASTM E1646-95(2018) is available in PDF format for immediate download after purchase. The document can be added to your cart and obtained through the secure checkout process. Digital delivery ensures instant access to the complete standard document.
Standards Content (Sample)
This international standard was developed in accordance with internationally recognized principles on standardization established in the Decision on Principles for the
Development of International Standards, Guides and Recommendations issued by the World Trade Organization Technical Barriers to Trade (TBT) Committee.
Designation: E1646 − 95 (Reapproved 2018)
Standard Test Method for
Water Penetration of Exterior Metal Roof Panel Systems by
Uniform Static Air Pressure Difference
This standard is issued under the fixed designation E1646; the number immediately following the designation indicates the year of
original adoption or, in the case of revision, the year of last revision. A number in parentheses indicates the year of last reapproval. A
superscript epsilon (´) indicates an editorial change since the last revision or reapproval.
1. Scope 1.8 This international standard was developed in accor-
dance with internationally recognized principles on standard-
1.1 This test method covers the determination of the resis-
ization established in the Decision on Principles for the
tance of exterior metal roof panel systems to water penetration
Development of International Standards, Guides and Recom-
when water is applied to the outdoor face simultaneously with
mendations issued by the World Trade Organization Technical
a static air pressure at the outdoor face higher than the pressure
Barriers to Trade (TBT) Committee.
at the indoor face, that is, positive pressure.This test method is
a specialized adaption of Test Method E331.
2. Referenced Documents
1.2 This test method is applicable to any roof area and is 2
2.1 ASTM Standards:
intended to measure only the water penetration associated with
E331 Test Method for Water Penetration of Exterior
the field of roof including panel side laps and structural
Windows, Skylights, Doors, and Curtain Walls by Uni-
connections. It does not include leakage at openings or
form Static Air Pressure Difference
perimeter or any other details.
E631 Terminology of Building Constructions
E1680 Test Method for Rate of Air Leakage through Exte-
1.3 This test method is limited to specimens in which the
side seams and attachments are clearly visible and in which the rior Metal Roof Panel Systems
E1592 Test Method for Structural Performance of Sheet
source of leakage is readily determined. Composite systems in
which the source cannot be readily determined are outside the Metal Roof and Siding Systems by Uniform Static Air
Pressure Difference
scope of this test method.
2.2 Other Standard:
1.4 The proper use of this test method requires a knowledge
AAMA 501 Methods of Test for Exterior Walls
of the principles of pressure and flow measurement.
3. Terminology
1.5 The values stated in inch-pound units are to be regarded
as standard. The values given in parentheses are mathematical
3.1 Definitions—For definitions of general terms relating to
conversions to SI units that are provided for information only
buildingconstructionusedinthistestmethod,seeTerminology
and are not considered standard.
E631.
3.2 Definitions of Terms Specific to This Standard:
1.6 The text of this test method references notes and
3.2.1 specimen—the entire assembled unit submitted for test
footnotes excluding tables and figures, which provide explana-
as described in Section 8.
tory material. These notes and footnotes shall not be consid-
ered as requirements of the test method.
3.2.2 test pressure difference—the specified difference in
static air pressure across the assembled and fixed specimen
1.7 This standard does not purport to address all of the
expressed as pounds-force per square foot (newtons per square
safety concerns, if any, associated with its use. It is the
metre (pascals)).
responsibility of the user of this standard to establish appro-
priate safety, health, and environmental practices and deter-
3.2.3 water leakage—penetration of water onto the exposed
mine the applicability of regulatory limitations prior to use.
inside surface of the test specimen under specified conditions
For specific hazard statements, see 7.1.
of air pressure difference across the specimen during a 15-min
For referenced ASTM standards, visit the ASTM website, www.astm.org, or
This test method is under the jurisdiction of ASTM Committee E06 on contact ASTM Customer Service at service@astm.org. For Annual Book of ASTM
Performance of Buildings and is the direct responsibility of Subcommittee E06.57 Standards volume information, refer to the standard’s Document Summary page on
on Performance of Metal Roof Systems. the ASTM website.
Current edition approved Nov. 1, 2018. Published November 2018. Originally Available from American Architectural Manufacturers Association (AAMA),
approved in 1995. Last previous edition approved in 2011 as E1646–95 (2011). 1827 Walden Office Square, Suite 550, Schaumburg, IL 60173-4268, http://
DOI: 10.1520/E1646–95R18. www.aamanet.org.
Copyright © ASTM International, 100 Barr Harbor Drive, PO Box C700, West Conshohocken, PA 19428-2959. United States
E1646 − 95 (2018)
test period. Water penetration at or around end dams or side a means of access shall be provided into the chamber to
rails is not leakage; end dams and side rails are installed to facilitate adjustments and observations after the specimen has
cause and control ponding over the panels and to support the been installed.
panels. They are not part of the roof.
NOTE 4—Uniform ponding is essential to this test method—refer to 5.1.
For this reason the specimen slope must be horizontal, and the overflow
4. Summary of Test Method
devices described in 8.3 are required to control ponding. Chamber run-off
that drains onto the specimen is not allowed so that the accuracy and
4.1 This test method consists of sealing and fixing the test
uniformityofthemeteredflowratedescribedin 6.2.4isnotcompromised.
specimen into or against one face of a test chamber, supplying
6.2.2 Air System—A controllable blower, compressed air
air to or exhausting air from the chamber at the rate required to
supply, exhaust system, or reversible blower designed to
maintainthetestpressuredifferenceacrossthespecimen,while
provide the required maximum air-pressure difference across
spraying water onto the outdoor face of the specimen at the
the specimen. The system must provide essentially constant
required rate and observing any water leakage.
airflow at a fixed pressure for the required test period and be
capable of maintaining positive and negative pressures.
5. Significance and Use
6.2.3 Pressure-Measuring Apparatus—A device to measure
5.1 Thistestmethodisastandardprocedurefordetermining
the test pressure difference within a tolerance of 62 %. The
theresistancetowaterpenetrationunderuniformpositivestatic
device must measure positive and negative pressures.
air pressure differences, and simulates wind driven rain im-
6.2.4 Water-Spray System—The water-spray system shall
posed on sidelaps and rain that is free to drain while building
deliver water uniformly against the exterior surface of the test
a water head as it flows. The slope of the roof is significant.
specimen at a minimum rate of 5.0 U.S. gal/ft per h or 8 in./h
These factors shall be fully considered prior to specifying the
(3.4 L/m per min).
test pressure difference.
6.2.4.1 The water-spray system shall have nozzles spaced
NOTE 1—In applying the results of tests by this method, note that the
on a uniform grid, located at a uniform distance approximately
performance of a roof or its components, or both, may be a function of
12 in. (0.3 m) above the test specimen, and be adjustable to
proper installation and adjustment. In service, the performance also
provide the specified quantity of water in such a manner as to
depends on the rigidity of supporting construction, roof slope, and on the
wet the test specimen uniformly and to wet those areas
resistance of components to deterioration by various causes: corrosive
vulnerable to water leakage. The spray must be directed at all
atmosphere, aging, ice, vibration, thermal expansion and contraction, etc.
It is difficult to simulate the identical complex wetting conditions that can
overlapping side seams with the stream centerline approxi-
be encountered in service, including large wind-blown water drops,
mately 20° off vertical (see Fig. 1). If additional nozzles are
increasing water drop impact pressures with increasing wind velocity, and
required to provide uniformity of water spray at the edge of the
lateral or upward moving air and water. Some designs are more sensitive
test specimen, they shall be equally spaced around the entire
than others to this upward moving water.
NOTE 2—This is a test procedure. It is the responsibility of the spray grid.
specifying agency to determine the specimen construction, size, and test
pressures after considering the method’s guidelines. Practical consider-
7. Hazards
ations suggest that every combination of panel thickness, span, and design
load need not be tested in order to substantiate product performance.
7.1 Warning—Glass breakage and specimen failure do not
NOTE 3—This test method shall not, by itself, be relied upon to form
normally occur at the small pressure differences applied in this
conclusions about overall water penetration through metal roofs. A roof
test. Larger or excessive pressure differences occur during
contains many details. Although prescribed modifications are outside the
preload or due to error in operation or when the apparatus is
scopeofthistestmethod,anexperiencedtestingengineerisabletousethe
used for other purposes such as structural testing; therefore,
principles presented in this test method and generate significant data by
isolating specific details and measuring leakage.
exercise adequate precautions to protect personnel.
6. Apparatus
8. Test Specimen
6.1 The description of apparatus in this section is general in
8.1 Roof test specimens shall be of sufficient size to
nature, and any arrangement of equipment capable of perform-
determine the performance of all typical parts of the roof
ing the test procedure within the allowable tolerances is
system. For roofs constructed with prefabricated or preformed
permitted.
units or panels, the specimen width shall be equivalent to or
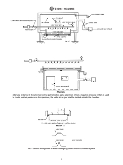
6.2 Major Components (see Fig. 1): greater than the width of three typical units plus the side rail
6.2.1 Test Chamber—A test chamber or box with either an supporting elements at each edge. The specimen shall contain
opening, a removable mounting panel, or one open face in at least three assembled side lap seams; this allows partial
which or against which the specimen is installed and sealed. width units. The specimen width shall be sufficient to provide
The specimen shall be installed horizontally. Chamber design loading on at least one typical unit (see Fig. 1). The specimen
shall not allow run-off from the test chamber to drain onto the shall be of sufficient length to develop a multispan condition
test specimen.At least one static pressure tap shall be provided unless the panel is used only in single span applications. If two
to measure the chamber pressure and shall be so located that spans are used, they shall be unequal, with the shorter being
the reading is unaffected by the velocity of the air supply to or 75 % of the longer. One panel end lap is optional but shall not
from the chamber. The air supply opening into the chamber be used if the test will be run in tandem with Test Method
shall be arranged so that the air does not impinge directly on E1680. However, one end lap is allowed if the specifying
the test specimen with any significant velocity. When required, authority adopts the option at Test Method E1680.
E1646 − 95 (2018)
FIG. 1 General Arrangement of Water Leakage Apparatus Positive Chamber System
E1646 − 95 (2018)
NOTE 5—The unbalanced span criterion more closely simulates multi-
2. The catch box shall be designed to receive only water
span panel deflection curvature. This works the panel sidelap while
impingingontheplaneofthetestspecimenfaceandtoexclude
minimizing specimen length.
all run-off water from above.The box shall be 24 in. (610 mm)
8.1.1 All parts of the roof test specimen shall be full size,
squareanddividedintofourareaseach12in.(305mm)square.
using the same materials, details, and methods of construction
Use a cover approximately 30 in. (760 mm) square to prevent
and anchorage as used on actual buildings.
water from entering the calibration box before and after the
8.1.2 Condition of structural support shall be simulated as
timed observation interval. The water impinging on each area
accurately as possible. If the roof system accommodates
shall be captured separately. A spray that provides at least 20
thermal expansion parallel to the panel, this detail must be
gal/h (1.26 L/min) total for the four areas and not less than 4
included in the test specimen, and the interior support must be
gal/h (0.25 L/min) nor more than 10 gal/h (0.63 L/min) in any
able to slide parallel to the panel or its attachment or both.
one square shall be acceptable.
9.1.1 The water-spray system shall be calibrated at all
8.2 If insulation is an optional component of the roof
corners and, if no overlapping occurs, at the quarter and
system, it shall not be included in the test specimen.
mi
...




Questions, Comments and Discussion
Ask us and Technical Secretary will try to provide an answer. You can facilitate discussion about the standard in here.
Loading comments...