ASTM F993-21
(Specification)Standard Specification for Valve Locking Devices
Standard Specification for Valve Locking Devices
ABSTRACT
This specification covers the application, design, and materials for valve locking devices. According to the method of locking, these devices are classified into three types: Type I using a wire rope assembly, Type II using a handwheel latch, and Type III using a locking shield. These devices are also grouped into three grades depending on material composition: Grade A is made of stainless steel, Grade B is made of anodized aluminum, and Grade C is made of carbon steel. Locking devices Types I and II described in this specification are designed to secure the valve in a fully opened or completely closed position. Materials to be used in the manufacture of Type I valve locking device shall consist of pipe clamp, ring link, common wire strand, tiller rope clamp, rigid eye spring hook, and sleeve. As for Type II valve locking device, the materials shall consist of modified pipe clamp, flat head rivet, single-acting quick release pin, lanyard, sleeve, lanyard clip, and lever arm. Type III devices shall consist of plate, single-acting quick release pin, lanyard, sleeve, lanyard clip, and lockbar. The locking device must be able to lock the valve in both the fully opened and completely closed positions.
SCOPE
1.1 This specification2 covers the application, design, and materials for valve locking devices.
1.2 Locking devices Types I and II described in this specification are designed to secure the valve in a fully opened or completely closed position.
1.3 This specification does not apply to valves equipped with locking devices from the valve manufacturer, unless this standard is invoked in the procurement ordering data for the valve or its locking device, or both.
1.4 The values stated in inch-pound units are to be regarded as standard. No other units of measurement are included in this standard.
1.5 This international standard was developed in accordance with internationally recognized principles on standardization established in the Decision on Principles for the Development of International Standards, Guides and Recommendations issued by the World Trade Organization Technical Barriers to Trade (TBT) Committee.
General Information
- Status
- Published
- Publication Date
- 31-Aug-2021
- Technical Committee
- F25 - Ships and Marine Technology
- Drafting Committee
- F25.11 - Machinery and Piping Systems
Relations
- Effective Date
- 01-Jan-2024
- Effective Date
- 01-Mar-2020
- Effective Date
- 01-Sep-2019
- Effective Date
- 01-May-2019
- Effective Date
- 01-Apr-2019
- Effective Date
- 01-Mar-2019
- Effective Date
- 01-May-2017
- Effective Date
- 01-May-2016
- Effective Date
- 01-Mar-2015
- Effective Date
- 01-Nov-2014
- Effective Date
- 01-Oct-2014
- Effective Date
- 01-Aug-2014
- Effective Date
- 01-Oct-2013
- Effective Date
- 01-Jun-2013
- Effective Date
- 01-Jun-2013
Overview
ASTM F993-21: Standard Specification for Valve Locking Devices is an international standard developed by ASTM to define requirements for the application, design, and materials of valve locking devices used in piping systems. These devices are critical for safely securing valves in fully open or closed positions, enhancing operational safety and security in various industrial and marine environments. The standard classifies valve locking devices by locking method (Types I, II, and III) and by material (Grades A, B, and C), ensuring consistency and interchangeability in procurement and installation.
Key Topics
Types of Valve Locking Devices:
- Type I: Wire Rope Assembly - Utilizes wire rope and associated hardware to restrain handwheels.
- Type II: Handwheel Latch - Employs a mechanical latch to secure the position of handwheels.
- Type III: Locking Shield - Features a cover shield and lockbar for added protection against unauthorized operation.
Material Grades:
- Grade A: Stainless steel for superior corrosion resistance.
- Grade B: Anodized aluminum for moderate environments.
- Grade C: Carbon steel for general applications.
Key Requirements:
- Devices must firmly lock valves in both fully opened and closed positions.
- The standard details component requirements and manufacturing processes, such as smooth edges, defect-free construction, and compliance with AWS D1.1 welding standards.
- Optional accessories like rubber coating and padlocks can be specified for additional safety or noise reduction.
Ordering & Customization:
- Orders must specify device type, material grade, relevant dimensions, and optional features (such as padlock size or rubber coating).
Applications
Valve locking devices compliant with ASTM F993-21 are used in a wide range of industries, including:
Marine Engineering and Shipbuilding:
Secure valve positions to prevent unauthorized or accidental operation, supporting compliance with maritime safety requirements.Industrial Process Plants:
Ensure reliable isolation of critical systems such as gas, steam, water, or chemical lines during shut-down, maintenance, or emergencies.Energy and Utilities:
Improve asset security and prevent operational hazards in power generation, oil & gas, and municipal utility systems.Safety-Critical Installations:
Support compliance with lockout/tagout procedures and minimize risks associated with accidental activation or deactivation of valves.
By following ASTM F993-21, organizations ensure standardized installation, maintenance, and interchangeability of valve locking devices, reducing operational risks and facilitating compliance with international safety protocols.
Related Standards
Meeting the requirements of ASTM F993-21 may involve referencing other key ASTM and industry standards, including:
- ASTM A36/A36M: Specification for Carbon Structural Steel
- ASTM A240: Specification for Stainless Steel Plate, Sheet, and Strip
- ASTM B209: Specification for Aluminum and Aluminum-Alloy Sheet and Plate
- ASTM F708: Practice for Design and Installation of Rigid Pipe Hangers
- AWS D1.1: Structural Welding Code - Steel
- ASME/ANSI B18.1.1: Small Solid Rivets
These referenced standards provide detailed material and component requirements, supporting durability, safety, and performance of valve locking devices as required by ASTM F993-21.
Keywords: ASTM F993-21, valve locking device, piping systems, safety, marine engineering, industrial valves, lockout/tagout, valve security, standard specification, valve isolation
Buy Documents
ASTM F993-21 - Standard Specification for Valve Locking Devices
REDLINE ASTM F993-21 - Standard Specification for Valve Locking Devices
Get Certified
Connect with accredited certification bodies for this standard

DNV
DNV is an independent assurance and risk management provider.

Lloyd's Register
Lloyd's Register is a global professional services organisation specialising in engineering and technology.

ABS Quality Evaluations Inc.
American Bureau of Shipping quality certification.
Sponsored listings
Frequently Asked Questions
ASTM F993-21 is a technical specification published by ASTM International. Its full title is "Standard Specification for Valve Locking Devices". This standard covers: ABSTRACT This specification covers the application, design, and materials for valve locking devices. According to the method of locking, these devices are classified into three types: Type I using a wire rope assembly, Type II using a handwheel latch, and Type III using a locking shield. These devices are also grouped into three grades depending on material composition: Grade A is made of stainless steel, Grade B is made of anodized aluminum, and Grade C is made of carbon steel. Locking devices Types I and II described in this specification are designed to secure the valve in a fully opened or completely closed position. Materials to be used in the manufacture of Type I valve locking device shall consist of pipe clamp, ring link, common wire strand, tiller rope clamp, rigid eye spring hook, and sleeve. As for Type II valve locking device, the materials shall consist of modified pipe clamp, flat head rivet, single-acting quick release pin, lanyard, sleeve, lanyard clip, and lever arm. Type III devices shall consist of plate, single-acting quick release pin, lanyard, sleeve, lanyard clip, and lockbar. The locking device must be able to lock the valve in both the fully opened and completely closed positions. SCOPE 1.1 This specification2 covers the application, design, and materials for valve locking devices. 1.2 Locking devices Types I and II described in this specification are designed to secure the valve in a fully opened or completely closed position. 1.3 This specification does not apply to valves equipped with locking devices from the valve manufacturer, unless this standard is invoked in the procurement ordering data for the valve or its locking device, or both. 1.4 The values stated in inch-pound units are to be regarded as standard. No other units of measurement are included in this standard. 1.5 This international standard was developed in accordance with internationally recognized principles on standardization established in the Decision on Principles for the Development of International Standards, Guides and Recommendations issued by the World Trade Organization Technical Barriers to Trade (TBT) Committee.
ABSTRACT This specification covers the application, design, and materials for valve locking devices. According to the method of locking, these devices are classified into three types: Type I using a wire rope assembly, Type II using a handwheel latch, and Type III using a locking shield. These devices are also grouped into three grades depending on material composition: Grade A is made of stainless steel, Grade B is made of anodized aluminum, and Grade C is made of carbon steel. Locking devices Types I and II described in this specification are designed to secure the valve in a fully opened or completely closed position. Materials to be used in the manufacture of Type I valve locking device shall consist of pipe clamp, ring link, common wire strand, tiller rope clamp, rigid eye spring hook, and sleeve. As for Type II valve locking device, the materials shall consist of modified pipe clamp, flat head rivet, single-acting quick release pin, lanyard, sleeve, lanyard clip, and lever arm. Type III devices shall consist of plate, single-acting quick release pin, lanyard, sleeve, lanyard clip, and lockbar. The locking device must be able to lock the valve in both the fully opened and completely closed positions. SCOPE 1.1 This specification2 covers the application, design, and materials for valve locking devices. 1.2 Locking devices Types I and II described in this specification are designed to secure the valve in a fully opened or completely closed position. 1.3 This specification does not apply to valves equipped with locking devices from the valve manufacturer, unless this standard is invoked in the procurement ordering data for the valve or its locking device, or both. 1.4 The values stated in inch-pound units are to be regarded as standard. No other units of measurement are included in this standard. 1.5 This international standard was developed in accordance with internationally recognized principles on standardization established in the Decision on Principles for the Development of International Standards, Guides and Recommendations issued by the World Trade Organization Technical Barriers to Trade (TBT) Committee.
ASTM F993-21 is classified under the following ICS (International Classification for Standards) categories: 47.020.30 - Piping systems. The ICS classification helps identify the subject area and facilitates finding related standards.
ASTM F993-21 has the following relationships with other standards: It is inter standard links to ASTM F708-24, ASTM A668/A668M-20, ASTM A668/A668M-19a, ASTM A668/A668M-19, ASTM B580-79(2019), ASTM A492-95(2019), ASTM A668/A668M-17, ASTM A668/A668M-16, ASTM A668/A668M-15, ASTM B580-79(2014), ASTM A668/A668M-14, ASTM F708-92(2014), ASTM A492-95(2013), ASTM A668/A668M-13, ASTM A668/A668M-13e1. Understanding these relationships helps ensure you are using the most current and applicable version of the standard.
ASTM F993-21 is available in PDF format for immediate download after purchase. The document can be added to your cart and obtained through the secure checkout process. Digital delivery ensures instant access to the complete standard document.
Standards Content (Sample)
This international standard was developed in accordance with internationally recognized principles on standardization established in the Decision on Principles for the
Development of International Standards, Guides and Recommendations issued by the World Trade Organization Technical Barriers to Trade (TBT) Committee.
Designation:F993 −21 An American National Standard
Standard Specification for
Valve Locking Devices
ThisstandardisissuedunderthefixeddesignationF993;thenumberimmediatelyfollowingthedesignationindicatestheyearoforiginal
adoptionor,inthecaseofrevision,theyearoflastrevision.Anumberinparenthesesindicatestheyearoflastreapproval.Asuperscript
epsilon (´) indicates an editorial change since the last revision or reapproval.
This standard has been approved for use by agencies of the U.S. Department of Defense.
1. Scope B209 Specification for Aluminum and Aluminum-Alloy
2 Sheet and Plate (Metric) B0209_B0209M
1.1 This specification covers the application, design, and
B580Specification for Anodic Oxide Coatings on Alumi-
materials for valve locking devices.
num
1.2 Locking devices Types I and II described in this
F708Practice for Design and Installation of Rigid Pipe
specification are designed to secure the valve in a fully opened
Hangers
or completely closed position.
2.2 Other Documents:
1.3 This specification does not apply to valves equipped ASME B18.1.1Small Solid Rivets 7/16 Inch Nominal Di-
with locking devices from the valve manufacturer, unless this ameter and Smaller
AWS D1.1on Steel
standard is invoked in the procurement ordering data for the
valve or its locking device, or both.
3. Classification
1.4 The values stated in inch-pound units are to be regarded
3.1 Valve locking devices shall be classified by the follow-
asstandard.Nootherunitsofmeasurementareincludedinthis
ing types and grades in accordance with the method of locking
standard.
and material used.
1.5 This international standard was developed in accor-
3.2 Types:
dance with internationally recognized principles on standard-
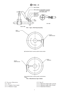
3.2.1 Type I—Wire rope assembly (see Fig. 1 and Fig. 2).
ization established in the Decision on Principles for the
3.2.2 Type II—Handwheel latch (see Fig. 3 and Fig. 4).
Development of International Standards, Guides and Recom-
3.2.3 Type III—Locking shield (see Fig. 5).
mendations issued by the World Trade Organization Technical
Barriers to Trade (TBT) Committee.
3.3 Grades:
3.3.1 Grade A—Stainless steel, Specification A240, Type
2. Referenced Documents
316.
3.3.2 Grade B—Anodized aluminum, Specification B209,
2.1 ASTM Standards:
Alloy 5052.
A36/A36MSpecification for Carbon Structural Steel
3.3.3 Grade C—Carbon steel, commercial quality steel (see
A240Specification for Chromium and Chromium-Nickel
Specification A36/A36M).
Stainless Steel Plate, Sheet, and Strip for PressureVessels
and for General Applications
4. Ordering Information
A492Specification for Stainless Steel Rope Wire
A668/A668MSpecification for Steel Forgings, Carbon and 4.1 Ordersformaterialunderthisspecificationshallinclude
the following:
Alloy, for General Industrial Use
4.2 ASTM Designation and year of issue.
1 4.3 Type.
This specification is under the jurisdiction ofASTM Committee F25 on Ships
and Marine Technology and is the direct responsibility of Subcommittee F25.11 on
4.4 Grade.
Machinery and Piping Systems.
Current edition approved Sept. 1, 2021. Published September 2021. Originally
4.5 Padlock Size (if necessary).
approved in 1986. Last previous edition approved in 2017 as F993–17. DOI:
10.1520/F0993-21. 4.6 Rubber Coating (if necessary).
This specification was developed to supersede NAVSEA Drawing S4824-
1385509, which has subsequently been cancelled and this specification has been
approved for use by agencies of the U.S. Department of Defense. Available from American Society of Mechanical Engineers (ASME), ASME
For referenced ASTM standards, visit the ASTM website, www.astm.org, or International Headquarters, Two Park Ave., New York, NY 10016-5990, http://
contact ASTM Customer Service at service@astm.org. For Annual Book of ASTM www.asme.org.
Standards volume information, refer to the standard’s Document Summary page on Available from American Welding Society (AWS), 8669 NW 36 St., #130,
the ASTM website. Miami, FL 33166-6672, http://www.aws.org.
Copyright © ASTM International, 100 Barr Harbor Drive, PO Box C700, West Conshohocken, PA 19428-2959. United States
F993−21
FIG. 1 Type I—Wire Rope Assembly
FIG. 2 Miscellaneous Type I Details
4.7 Necessary Dimensions: 4.7.2 Type II:
4.7.1 Type I: 4.7.2.1 Maximum height (fully opened).
4.7.1.1 Length of wire strand. 4.7.2.2 Minimum height (fully closed).
4.7.1.2 Diameter of pipe. 4.7.2.3 Handwheel thickness.
F993−21
FIG. 3 Type II—Handwheel Latch
4.7.2.4 Handwheel depth. 5.1.2.4 Lanyard—Wire rope, ⁄8-in. diameter, seven strands
4.7.2.5 Diameter at location of attachment. of seven wires each, 12 in. long, stainless steel Specification
4.7.3 Type III: A492, Alloy 316.
4.7.3.1 Depth.
5.1.2.5 Sleeve—Swaging, oval
...
This document is not an ASTM standard and is intended only to provide the user of an ASTM standard an indication of what changes have been made to the previous version. Because
it may not be technically possible to adequately depict all changes accurately, ASTM recommends that users consult prior editions as appropriate. In all cases only the current version
of the standard as published by ASTM is to be considered the official document.
Designation: F993 − 17 F993 − 21 An American National Standard
Standard Specification for
Valve Locking Devices
This standard is issued under the fixed designation F993; the number immediately following the designation indicates the year of original
adoption or, in the case of revision, the year of last revision. A number in parentheses indicates the year of last reapproval. A superscript
epsilon (´) indicates an editorial change since the last revision or reapproval.
This standard has been approved for use by agencies of the U.S. Department of Defense.
1. Scope
1.1 This specification covers the application, design, and materials for valve locking devices.
1.2 Locking devices Types I and II described in this specification are designed to secure the valve in a fully opened or completely
closed position.
1.3 This specification does not apply to valves equipped with locking devices from the valve manufacturer, unless this standard
is invoked in the procurement ordering data for the valve or its locking device, or both.
1.4 This specification is intended to supersede NASEA drawing S4824-1385509. However, cancellation of that drawing and
adoption of this specification can only be effected by the navy.
1.4 The values stated in inch-pound units are to be regarded as standard. No other units of measurement are included in this
standard.
1.5 This international standard was developed in accordance with internationally recognized principles on standardization
established in the Decision on Principles for the Development of International Standards, Guides and Recommendations issued
by the World Trade Organization Technical Barriers to Trade (TBT) Committee.
2. Referenced Documents
2.1 ASTM Standards:
A36/A36M Specification for Carbon Structural Steel
A240 Specification for Chromium and Chromium-Nickel Stainless Steel Plate, Sheet, and Strip for Pressure Vessels and for
General Applications
A492 Specification for Stainless Steel Rope Wire
A668/A668M Specification for Steel Forgings, Carbon and Alloy, for General Industrial Use
B209 Specification for Aluminum and Aluminum-Alloy Sheet and Plate (Metric) B0209_B0209M
This specification is under the jurisdiction of ASTM Committee F25 on Ships and Marine Technology and is the direct responsibility of Subcommittee F25.11 on
Machinery and Piping Systems.
Current edition approved May 1, 2017Sept. 1, 2021. Published May 2017September 2021. Originally approved in 1986. Last previous edition approved in 20112017 as
F993 – 86 (2011).F993 – 17. DOI: 10.1520/F0993-17.10.1520/F0993-21.
This specification is intendedwas developed to supersede NAVSEA Drawing S4824-1385509. However, cancellation of that drawing and adoption of this specification
can only be effected by the Navy.S4824-1385509, which has subsequently been cancelled and this specification has been approved for use by agencies of the U.S. Department
of Defense.
For referenced ASTM standards, visit the ASTM website, www.astm.org, or contact ASTM Customer Service at service@astm.org. For Annual Book of ASTM Standards
volume information, refer to the standard’sstandard’s Document Summary page on the ASTM website.
Copyright © ASTM International, 100 Barr Harbor Drive, PO Box C700, West Conshohocken, PA 19428-2959. United States
F993 − 21
B580 Specification for Anodic Oxide Coatings on Aluminum
F708 Practice for Design and Installation of Rigid Pipe Hangers
2.2 Other Documents:
ANSIASME B18.1.1 Small Solid Rivets 7/16 Inch Nominal Diameter and Smaller
American Welding Society AWS D1.1 on Steel
3. Classification
3.1 Valve locking devices shall be classified by the following types and grades in accordance with the method of locking and
material used.
3.2 Types:
3.2.1 Type I—Wire rope assembly (see Fig. 1 and Fig. 2).
3.2.2 Type II—Handwheel latch (see Fig. 3 and Fig. 4).
3.2.3 Type III—Locking shield (see Fig. 5).
3.3 Grades:
3.3.1 Grade A—Stainless steel, Specification A240, Type 316.
3.3.2 Grade B—Anodized aluminum, Specification B209, Alloy 5052.
3.3.3 Grade C—Carbon steel, commercial quality steel (see Specification A36/A36M).
4. Ordering Information
4.1 Orders for material under this specification shall include the following:
4.2 ASTM Designation and year of issue.
4.3 Type.
4.4 Grade.
FIG. 1 Type I—Wire Rope Assembly
Available from American National Standards Institute (ANSI), 25 W. 43rd St., 4th Floor, Society of Mechanical Engineers (ASME), ASME International Headquarters,
Two Park Ave., New York, NY 10036, http://www.ansi.org.10016-5990, http://www.asme.org.
Available from American Welding Society (AWS), 8669 NW 36 St., #130, Miami, FL 33166-6672, http://www.aws.org.
F993 − 21
FIG. 2 Miscellaneous Type I Details
4.5 Padlock Size (if necessary).
4.6 Rubber Coating (if necessary).
4.7 Necessary Dimensions:
4.7.1 Type I:
4.7.1.1 Length of wire strand.
4.7.1.2 Diameter of pipe.
4.7.2 Type II:
4.7.2.1 Maximum height (fully opened).
4.7.2.2 Minimum height (fully closed).
4.7.2.3 Handwheel thickness.
F993 − 21
FIG. 3 Type II—
...








Questions, Comments and Discussion
Ask us and Technical Secretary will try to provide an answer. You can facilitate discussion about the standard in here.
Loading comments...