ASTM D2116-16(2021)
(Specification)Standard Specification for FEP Resin Molding and Extrusion Materials
Standard Specification for FEP Resin Molding and Extrusion Materials
ABSTRACT
This specification covers melt-processible molding and extrusion materials of FEP-fluorocarbon resin, which is a copolymer of tetrafluoroethylene and hexafluoropropylene or a modified FEP-fluorocarbon resin containing not more than 2% by weight of other fluoromonomers. Four types of FEP-fluorocarbon resin are included in this specification which shall be supplied in pellet form and shall be of uniform composition and free of foreign matters. Tests shall be conducted on the molded test specimens wherein the average test result of the lot shall conform to the melt flow rate, specific gravity, melting point, tensile strength, elongation, dielectric constant, and dissipation factor requirements.
SCOPE
1.1 This specification covers melt processable molding and extrusion materials of FEP resin. This specification does not cover recycled FEP materials. These FEP resins are copolymers of tetrafluoroethylene and hexafluoropropylene or modified FEP resins containing no more than 2 % by weight of other fluoromonomers.
1.2 The values stated in SI units as detailed in IEEE/ASTM SI-10 are to be regarded as the standard. The values given in parentheses are for information only.
Note 1: Although this specification and ISO 12086-1 and ISO 12086-2 differ in approach or detail, data obtained using either are technically equivalent.
1.3 The following precautionary caveat pertains only to the test methods portion, Section 11, of this specification. This standard does not purport to address all of the safety concerns, if any, associated with its use. It is the responsibility of the user of this standard to establish appropriate safety, health, and environmental practices and determine the applicability of regulatory limitations prior to use.
1.4 This international standard was developed in accordance with internationally recognized principles on standardization established in the Decision on Principles for the Development of International Standards, Guides and Recommendations issued by the World Trade Organization Technical Barriers to Trade (TBT) Committee.
General Information
- Status
- Published
- Publication Date
- 30-Jun-2021
- Technical Committee
- D20 - Plastics
- Drafting Committee
- D20.15 - Thermoplastic Materials
Relations
- Effective Date
- 01-Feb-2024
- Refers
ASTM D1238-23a - Standard Test Method for Melt Flow Rates of Thermoplastics by Extrusion Plastometer - Effective Date
- 15-Nov-2023
- Effective Date
- 01-Nov-2023
- Effective Date
- 01-Jan-2020
- Effective Date
- 01-Aug-2019
- Effective Date
- 15-Apr-2019
- Effective Date
- 01-Feb-2019
- Effective Date
- 01-Dec-2018
- Effective Date
- 01-Nov-2018
- Effective Date
- 01-Oct-2018
- Refers
ASTM D1600-18 - Standard Terminology for Abbreviated Terms Relating to Plastics (Withdrawn 2024) - Effective Date
- 01-Jan-2018
- Effective Date
- 15-Aug-2017
- Effective Date
- 01-Sep-2015
- Effective Date
- 01-Feb-2014
- Effective Date
- 01-Sep-2013
Overview
ASTM D2116-16(2021), Standard Specification for FEP Resin Molding and Extrusion Materials establishes the requirements for melt-processable molding and extrusion materials made from FEP (fluorinated ethylene propylene) resin. This specification focuses on copolymers of tetrafluoroethylene (TFE) and hexafluoropropylene (HFP), with modifications allowing for up to 2% by weight of other fluoromonomers. The standard applies to virgin FEP resin supplied in pellet form, ensuring uniformity, purity, and consistent quality for applications demanding chemical resistance and electrical insulation.
This internationally recognized standard was developed following principles by the World Trade Organization Technical Barriers to Trade (TBT) Committee, supporting harmonized global materials testing and procurement.
Key Topics
- Material Classification: Covers four types of FEP resin, classified by melt flow rate. Only unmixed, non-recycled materials are within scope.
- Physical Properties: Requirements for melt flow rate, specific gravity, melting point, tensile strength, elongation, dielectric constant, and dissipation factor are defined to ensure material performance.
- Test Methods: Specifies methods for testing properties, referencing established ASTM standards for plastics-including testing for tensile properties, density, and dielectric characteristics.
- Sampling and Certification: Sampling methods ensure statistical adequacy, and certification may be required to confirm compliance with the standard.
- Packaging and Marking: Outlines packaging requirements to protect resin pellets during transport and mandates clear marking to identify material type and quantity.
- Safety Considerations: Emphasizes user responsibility for evaluating and implementing applicable safety, health, and environmental practices.
Applications
ASTM D2116-16(2021) is essential for various industries where high-performance electrical insulation and chemical resistance are required:
- Electrical and Electronics: FEP resin is widely used for wire and cable insulation due to its excellent dielectric properties and thermal stability.
- Chemical Processing: Equipment liners, tubing, and fittings are manufactured using FEP to leverage its chemical resistance in harsh process environments.
- Aerospace and Automotive: Utilized where durable, heat-resistant materials are needed for wiring or fluid handling.
- Industrial Manufacturing: FEP’s processability and uniformity make it the material of choice for extruded and molded parts requiring reliable, consistent properties.
Manufacturers, suppliers, and quality assurance teams use this standard to verify FEP material properties before production and throughout supply chains, ensuring performance and compatibility with demanding application requirements.
Related Standards
Several ASTM and ISO standards are referenced to guide testing and terminology for fluoropolymer materials:
- ASTM D150 – Test Methods for AC Loss Characteristics and Permittivity of Solid Electrical Insulation
- ASTM D618 – Practice for Conditioning Plastics for Testing
- ASTM D638, D1708 – Methods for Tensile Properties of Plastics
- ASTM D792 – Methods for Density and Specific Gravity of Plastics
- ASTM D1238 – Method for Melt Flow Rate of Thermoplastics
- ASTM D4591 – Method for Determining Temperatures and Heats of Transitions of Fluoropolymers by DSC
- ASTM D3892 – Practice for Packaging/Packing of Plastics
- ISO 12086-1 & ISO 12086-2 – Plastics - Fluoropolymer Dispersions and Moulding/Extrusion Materials
ASTM D2116 aligns with these documents to provide clear guidance on specification, testing, and use of FEP fluorocarbon resin for critical applications. For manufacturers, users, and specifiers in the polymer industry, compliance ensures reliable FEP product performance and supports international sourcing and quality assurance.
Buy Documents
ASTM D2116-16(2021) - Standard Specification for FEP Resin Molding and Extrusion Materials
Get Certified
Connect with accredited certification bodies for this standard

Smithers Quality Assessments
US management systems and product certification.
DIN CERTCO
DIN Group product certification.
Sponsored listings
Frequently Asked Questions
ASTM D2116-16(2021) is a technical specification published by ASTM International. Its full title is "Standard Specification for FEP Resin Molding and Extrusion Materials". This standard covers: ABSTRACT This specification covers melt-processible molding and extrusion materials of FEP-fluorocarbon resin, which is a copolymer of tetrafluoroethylene and hexafluoropropylene or a modified FEP-fluorocarbon resin containing not more than 2% by weight of other fluoromonomers. Four types of FEP-fluorocarbon resin are included in this specification which shall be supplied in pellet form and shall be of uniform composition and free of foreign matters. Tests shall be conducted on the molded test specimens wherein the average test result of the lot shall conform to the melt flow rate, specific gravity, melting point, tensile strength, elongation, dielectric constant, and dissipation factor requirements. SCOPE 1.1 This specification covers melt processable molding and extrusion materials of FEP resin. This specification does not cover recycled FEP materials. These FEP resins are copolymers of tetrafluoroethylene and hexafluoropropylene or modified FEP resins containing no more than 2 % by weight of other fluoromonomers. 1.2 The values stated in SI units as detailed in IEEE/ASTM SI-10 are to be regarded as the standard. The values given in parentheses are for information only. Note 1: Although this specification and ISO 12086-1 and ISO 12086-2 differ in approach or detail, data obtained using either are technically equivalent. 1.3 The following precautionary caveat pertains only to the test methods portion, Section 11, of this specification. This standard does not purport to address all of the safety concerns, if any, associated with its use. It is the responsibility of the user of this standard to establish appropriate safety, health, and environmental practices and determine the applicability of regulatory limitations prior to use. 1.4 This international standard was developed in accordance with internationally recognized principles on standardization established in the Decision on Principles for the Development of International Standards, Guides and Recommendations issued by the World Trade Organization Technical Barriers to Trade (TBT) Committee.
ABSTRACT This specification covers melt-processible molding and extrusion materials of FEP-fluorocarbon resin, which is a copolymer of tetrafluoroethylene and hexafluoropropylene or a modified FEP-fluorocarbon resin containing not more than 2% by weight of other fluoromonomers. Four types of FEP-fluorocarbon resin are included in this specification which shall be supplied in pellet form and shall be of uniform composition and free of foreign matters. Tests shall be conducted on the molded test specimens wherein the average test result of the lot shall conform to the melt flow rate, specific gravity, melting point, tensile strength, elongation, dielectric constant, and dissipation factor requirements. SCOPE 1.1 This specification covers melt processable molding and extrusion materials of FEP resin. This specification does not cover recycled FEP materials. These FEP resins are copolymers of tetrafluoroethylene and hexafluoropropylene or modified FEP resins containing no more than 2 % by weight of other fluoromonomers. 1.2 The values stated in SI units as detailed in IEEE/ASTM SI-10 are to be regarded as the standard. The values given in parentheses are for information only. Note 1: Although this specification and ISO 12086-1 and ISO 12086-2 differ in approach or detail, data obtained using either are technically equivalent. 1.3 The following precautionary caveat pertains only to the test methods portion, Section 11, of this specification. This standard does not purport to address all of the safety concerns, if any, associated with its use. It is the responsibility of the user of this standard to establish appropriate safety, health, and environmental practices and determine the applicability of regulatory limitations prior to use. 1.4 This international standard was developed in accordance with internationally recognized principles on standardization established in the Decision on Principles for the Development of International Standards, Guides and Recommendations issued by the World Trade Organization Technical Barriers to Trade (TBT) Committee.
ASTM D2116-16(2021) is classified under the following ICS (International Classification for Standards) categories: 83.040.20 - Rubber compounding ingredients. The ICS classification helps identify the subject area and facilitates finding related standards.
ASTM D2116-16(2021) has the following relationships with other standards: It is inter standard links to ASTM D883-24, ASTM D1238-23a, ASTM D883-23, ASTM D883-20, ASTM D883-19c, ASTM D883-19a, ASTM D883-19, ASTM D883-18a, ASTM D883-18, ASTM D1708-18, ASTM D1600-18, ASTM D883-17, ASTM D3892-15, ASTM D1600-14, ASTM D1708-13. Understanding these relationships helps ensure you are using the most current and applicable version of the standard.
ASTM D2116-16(2021) is available in PDF format for immediate download after purchase. The document can be added to your cart and obtained through the secure checkout process. Digital delivery ensures instant access to the complete standard document.
Standards Content (Sample)
This international standard was developed in accordance with internationally recognized principles on standardization established in the Decision on Principles for the
Development of International Standards, Guides and Recommendations issued by the World Trade Organization Technical Barriers to Trade (TBT) Committee.
Designation: D2116 −16 (Reapproved 2021)
Standard Specification for
FEP Resin Molding and Extrusion Materials
This standard is issued under the fixed designation D2116; the number immediately following the designation indicates the year of
original adoption or, in the case of revision, the year of last revision.Anumber in parentheses indicates the year of last reapproval.A
superscript epsilon (´) indicates an editorial change since the last revision or reapproval.
This standard has been approved for use by agencies of the U.S. Department of Defense.
1. Scope D638Test Method for Tensile Properties of Plastics
D792Test Methods for Density and Specific Gravity (Rela-
1.1 This specification covers melt processable molding and
tive Density) of Plastics by Displacement
extrusion materials of FEP resin. This specification does not
D883Terminology Relating to Plastics
cover recycled FEP materials. These FEP resins are copoly-
D1238Test Method for Melt Flow Rates of Thermoplastics
mers of tetrafluoroethylene and hexafluoropropylene or modi-
by Extrusion Plastometer
fiedFEPresinscontainingnomorethan2%byweightofother
D1600TerminologyforAbbreviatedTermsRelatingtoPlas-
fluoromonomers.
tics
1.2 The values stated in SI units as detailed in IEEE/
D1708TestMethodforTensilePropertiesofPlasticsbyUse
ASTMSI-10 are to be regarded as the standard. The values
of Microtensile Specimens
given in parentheses are for information only.
D3892Practice for Packaging/Packing of Plastics
D4591Test Method for Determining Temperatures and
NOTE 1—Although this specification and ISO 12086-1 and
ISO12086-2 differ in approach or detail, data obtained using either are
Heats of Transitions of Fluoropolymers by Differential
technically equivalent.
Scanning Calorimetry
1.3 The following precautionary caveat pertains only to the
E691Practice for Conducting an Interlaboratory Study to
test methods portion, Section 11, of this specification. This Determine the Precision of a Test Method
standard does not purport to address all of the safety concerns,
IEEE/ASTMSI-10Use of the International System of Units
if any, associated with its use. It is the responsibility of the user (SI): The Modern Metric System
of this standard to establish appropriate safety, health, and 3
2.2 ISO Standards:
environmental practices and determine the applicability of
ISO 12086-1 Plastics—Fluoropolymer Dispersions and
regulatory limitations prior to use.
Moulding and Extrusion Materials—Part 1
1.4 This international standard was developed in accor-
ISO 12086-2 Plastics—Fluoropolymer Dispersions and
dance with internationally recognized principles on standard-
Moulding and Extrusion Materials—Part 2
ization established in the Decision on Principles for the
Development of International Standards, Guides and Recom-
3. Terminology
mendations issued by the World Trade Organization Technical
3.1 Definitions:
Barriers to Trade (TBT) Committee.
3.1.1 General—The definitions given in Terminology D883
2. Referenced Documents are applicable to this specification.
3.1.2 lot, n—one production run or a uniform blend of two
2.1 ASTM Standards:
or more production runs.
D150Test Methods forAC Loss Characteristics and Permit-
tivity (Dielectric Constant) of Solid Electrical Insulation
3.2 Abbreviated Terms:
D618Practice for Conditioning Plastics for Testing
3.2.1 General—The abbreviated terms given in Terminol-
ogy D1600 are applicable to this specification.
This specification is under the jurisdiction of ASTM Committee D20 on
4. Classification
Plastics and is the direct responsibility of Subcommittee D20.15 on Thermoplastic
Materials.
4.1 This specification covers four types of FEP resin sup-
CurrenteditionapprovedJuly1,2021.PublishedJuly2021.Originallyapproved
plied in pellet form classified according to their melt flow rate.
in 1962. Last previous edition approved in 2016 as D2116–16. DOI: 10.1520/
D2116-16R21.
For referenced ASTM standards, visit the ASTM website, www.astm.org, or
contact ASTM Customer Service at service@astm.org. For Annual Book of ASTM
Standards volume information, refer to the standard’s Document Summary page on Available fromAmerican National Standards Institute (ANSI), 25 W. 43rd St.,
the ASTM website. 4th Floor, New York, NY 10036, http://www.ansi.org.
*A Summary of Changes section appears at the end of this standard
Copyright © ASTM International, 100 Barr Harbor Drive, PO Box C700, West Conshohocken, PA 19428-2959. United States
D2116 − 16 (2021)
4.2 A one-line system shall be used to specify materials the procedures specified herein. Table 2 lists those tests
covered by this specification.The system uses predefined cells requiring a specimen molded as described in Section 8.
to refer to specific aspects of this specification, illustrated as
7. Sampling
follows:
Specification 7.1 Sampling shall be statistically adequate to satisfy re-
quirements of 13.1.1.
Standard Number : Type : Special
Block : : notes
:: :
8. Test Specimens
–––––––––––– ––– ,––––
Example: Specification D2116 – XX, I
8.1 Prepare a molded sheet 1.5 6 0.3 mm (0.060 6 0.010
in.) thick. Use a picture-frame-type chase having a suitable
For this example, the line callout would be Specification
blanked-outsectionandthicknesstoproducethedesiredsheet.
D2116–XX, I and would specify an FEP resin that has all of
Use clean aluminum foil, 0.13 to 0.18 mm (0.005 to 0.007 in.)
the properties listed for that type, grade, and class in the
thick, in contact with the resin. A high-temperature mold
appropriate specified properties or tables, or both, in the
release agent shall be sprayed on the aluminum foil to help
specification identified. A comma is used as the separator
prevent the foil from sticking to the sheet. Use steel molding
between the standard number and the type. A provision for
plates at least 1.0 mm (0.040 in.) thick and of an area adequate
special notes is included so that other information can be
to cover the chase.
provided when required. When special notes are used, precede
8.2 Lay down and smoothly cover one plate with a sheet of
them with a comma.
aluminum foil. Place the mold chase on top of this assembly.
Place within the mold chase sufficient molding material to
5. General Requirements
produce the required sheet in such a manner that the polymer
5.1 The materials shall be of uniform composition and so
charge is a mound in the middle of the chase. Place a second
prepared as to conform to the requirements of this specifica-
sheet of aluminum foil on top of the granules and add the top
tion.
moldplate.Placetheassemblyinacompressionmoldingpress
5.2 The material described in this specification shall be free
having platens that have been heated to 372 6 5°C (702 6
of foreign matter to such a contamination level as is agreed
9°F).
upon between the purchaser and the seller.
8.3 Bring the platens to incipient contact with the mold
assembly. Hold for 2 to 4 min without pressure. Apply
TABLE 1 Detail Requirements for Test on Molding Materials
approximately1MPa(145psi)andholdfor1to1.5min.Then
apply 2 to 4 MPa (290 to 580 psi) and hold for 1 to 1.5 min.
Type Type Type Type
I II III IV
Maintain the press at 372 6 5°C (702 6 9°F) during these
Melt flow rate, g/10 min:
steps. Remove the assembly from the press and place between
Load, 5000 g:
two 20 6 7-mm (0.75 6 0.25-in.) steel plates whose tempera-
Min 4.0 >12.0 0.8 2.0
ture is less than 40°C (104°F).
Max 12.0 . 2.0 3.9
8.4 When the sheet is cool enough to touch (about 50 to
60°C(122to140°F)),removealuminumfoilfromthesheet.(If
thesheetisallowedtocooltoroomtemperature,thealuminum
6. Detail Requirements
foil cannot be pulled free.)
6.1 The average test result of the lot shall conform to the
requirements prescribed in Table 1 and Table 2 when tested by
9. Conditioning
9.1 For tests of specific gravity and tensile properties,
condition the molded test specimens in accordance with
See the ASTM Form and Style Manual, available from ASTM Headquarters.
TABLE 2 Detail Requirements for Molded Test Specimens
Type I Type II Type III Type IV
Specific gravity 23/23°C (73/73°F)
Min 2.12 2.12 2.12 2.12
Max 2.17 2.17 2.17 2.17
Melting point, °C 260 ± 20 260 ± 20 260 ± 20 260 ± 20
Tensile strength, 23°C (73°F), min:
MPa 17.3 14.5 20.7 18.7
psi 2500 2100 3000 2700
Elongation, 23°C (73°F), min, % 275 240 275 275
Dielectric constant, max:
At 10 Hz 2.15 2.15 2.15 2.15
At 10 Hz 2.15 2.15 2.15 2.15
Dissipation factor, max:
At 10 Hz 0.0003 0.0003 0.0003 0.0003
At 10 Hz 0.0007 0.0009 0.0007 0.0007
D2116 − 16 (2021)
ProcedureAof Practice D618 for a period of at least 4 h prior corresponding to the point where these lines intersect beyond
to test. The other tests require no conditioning. the peak shall be taken as the peak temperature.
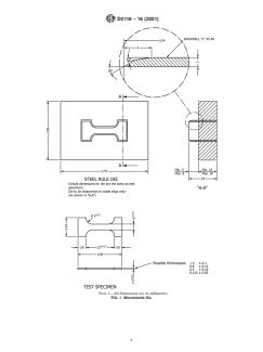
11.4 Tensile Properties—Cut five bars with the microtensile
9.2 ConducttestsattheStandardLaboratoryTemperatureof
23 6 2°C (73.4 6 3.6°F) for determination of specific gravity dieshowninFig.1,whichisexactlythesameasFig.1ofTest
MethodD1708.Thedieshallbeofthesteelruleorsolidmetal
and tensile properties only. Since this resin does not absorb
water, the maintenance of constant humidity during testing is type of curvature of 5 6 0.5 mm (0.2 6 0.02 in.).Average the
testresults.Determinethetensilepropertiesinaccordancewith
not necessary. Conduct tests for melt flow rate and melting
point under ordin
...




Questions, Comments and Discussion
Ask us and Technical Secretary will try to provide an answer. You can facilitate discussion about the standard in here.
Loading comments...