ASTM F1138-21
(Specification)Standard Specification for Spray Shields for Mechanical Joints
Standard Specification for Spray Shields for Mechanical Joints
ABSTRACT
This specification describes the manufacturing requirements for spray shield stock and the fabrication and installation requirements for spray shields made from that stock. The physical and mechanical properties for the aluminized glass cloth, thread, and protective outer jacket shall be as specified. If lacing hooks or rings are of the type that fastens by stitching, the hooks or rings shall be attached to the backup washers using a wire stitch machine and wire. The methods for testing the aluminized glass cloth, thread, and protective outer jacket shall be as specified.
SCOPE
1.1 This specification describes the manufacturing requirements for spray shield stock and the fabrication and installation requirements for spray shields made from that stock.
1.1.1 Sections 2 – 14 address the manufacturing requirements for the spray shield stock. Annex A1 addresses the fabrication and installation requirements for the spray shields.
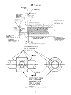
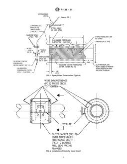
1.1.2 Fig. 1 shows the typical construction of a spray shield. Figs. 2-6 show methods of installation of a spray shield on various mechanical joints.
FIG. 1 Spray Shield Construction (Typical)
FIG. 2 Installation of Butterfly Valve Shield
FIG. 3 Spray Shield for Pump Inlet Head
FIG. 4 Spray Shield for Simplex Strainer
FIG. 5 Spray Shield for Butterfly Valve
FIG. 6 Spray Shield for Valve Bonnet
1.2 The shields are intended for use around mechanical joints (flanged, bolted unions, and so forth) in liquid piping systems with an internal pressure exceeding 26.1 psi (0.18 N/mm2) to prevent the impingement of flammable liquid on hot surfaces or fluids onto electrical switchboards and components resulting from a leak in the mechanical joint, unless otherwise invoked by contractual requirements. Spray Shields are excluded on all suction lines with a head pressure less than 26.1 psi (0.18 N/mm2) and mechanical joints in non-flammable liquid systems in excess of 10 ft of an electrical switchboard, unless otherwise invoked by contractual requirements.2
1.3 The values stated in inch-pound units are to be regarded as standard. The values given in parentheses are mathematical conversions to SI units that are provided for information only and are not considered standard.
1.4 This international standard was developed in accordance with internationally recognized principles on standardization established in the Decision on Principles for the Development of International Standards, Guides and Recommendations issued by the World Trade Organization Technical Barriers to Trade (TBT) Committee.
General Information
- Status
- Published
- Publication Date
- 31-Aug-2021
- Technical Committee
- F25 - Ships and Marine Technology
- Drafting Committee
- F25.07 - General Requirements
Relations
- Effective Date
- 01-Apr-2024
- Effective Date
- 01-Oct-2023
- Effective Date
- 01-Jul-2019
- Effective Date
- 01-Apr-2019
- Effective Date
- 01-Apr-2019
- Effective Date
- 01-May-2018
- Effective Date
- 01-Sep-2016
- Effective Date
- 01-Dec-2015
- Effective Date
- 01-Jul-2015
- Effective Date
- 01-May-2015
- Effective Date
- 01-Oct-2014
- Effective Date
- 01-Oct-2014
- Effective Date
- 01-Nov-2013
- Effective Date
- 01-Oct-2013
- Effective Date
- 01-Jul-2013
Overview
ASTM F1138-21: Standard Specification for Spray Shields for Mechanical Joints establishes detailed requirements for the manufacture, fabrication, and installation of spray shields. These protective shields are used around mechanical joints such as flanges and bolted unions in liquid piping systems. The main function of spray shields is to prevent the spray or leakage of flammable or hazardous fluids onto hot surfaces or electrical components, thereby improving safety and reducing fire hazards in industrial piping environments.
ASTM F1138-21 specifies requirements for the physical and mechanical properties of the materials used, including aluminized glass cloth, thread, and protective outer jackets. The standard outlines both manufacturing practices for the spray shield stock and step-by-step installation and fabrication procedures for end-users.
Key Topics
Scope and Applicability
- Defines requirements for spray shields used in liquid piping systems with internal pressures exceeding 26.1 psi (0.18 N/mm²).
- Exceptions include suction lines with head pressure below 26.1 psi and non-flammable liquid systems located more than 10 feet from electrical switchboards.
Materials and Construction
- Specifies materials such as aluminized glass cloth, stainless steel hardware, and silicone-coated fiberglass for protective jackets.
- Highlights the use of standardized dimensions and quality criteria for all components.
Installation and Fabrication
- Provides guidance on determining correct shield dimensions based on joint measurements.
- Describes proper installation techniques, including the use of lacing wire, hooks, and rings, to ensure a secure and effective barrier.
Testing and Inspection
- References industry-standard test methods for verifying properties such as tear strength, flame resistance, and water repellency.
- Emphasizes the importance of workmanship, free from tears, holes, or defects that could compromise protection.
Packaging and Marking
- Outlines procedures for proper packaging to protect shields during shipping.
- Includes optional product marking for traceability and identification.
Applications
Spray shields manufactured and installed according to ASTM F1138-21 are widely used in:
- Marine and Shipbuilding Industries
- To minimize the risk of spray fires in engine rooms and cargo pump-rooms by containing leaks from flanged joints or mechanical unions.
- Industrial and Chemical Plants
- Protect personnel, equipment, and sensitive areas from accidental exposure to hazardous or flammable liquids.
- Power Generation and Utilities
- To prevent fluids from impinging on electrical panels or machinery, safeguarding operational safety.
- Oil and Gas Facilities
- Mitigating fire hazards where high-pressure flanged joints are present in liquid handling systems.
Implementation of ASTM F1138-21 supports compliance with broader safety requirements outlined in international maritime and safety regulations, helping organizations reduce risks associated with fluid leaks in pressurized systems.
Related Standards
ASTM F1138-21 references and complements several other standards, including:
- ASTM A276, A580/A580M - Stainless steel bar and wire specifications for hardware components.
- MIL-PRF-20696 - Specifications for coated, weather-resistant cloth used as protective outer jackets.
- IMO SOLAS Chapter II-2 Regulation 4 - Safety standards for fire prevention in marine environments.
- AATCC Test Methods (22, 35, 127) - Test procedures for water repellency and hydrostatic pressure resistance.
- ASTM D1308, D1424, D1682, D1777, D3389, D3776, D3786 - Test methods for assessing fabric durability and performance.
Adopting ASTM F1138-21 ensures reliability, safety, and standardized quality for spray shields used in industrial and marine piping applications. For further guidance, consult industry-specific safety codes and additional ASTM standards referenced within F1138-21.
Buy Documents
ASTM F1138-21 - Standard Specification for Spray Shields for Mechanical Joints
REDLINE ASTM F1138-21 - Standard Specification for Spray Shields for Mechanical Joints
Get Certified
Connect with accredited certification bodies for this standard

DNV
DNV is an independent assurance and risk management provider.

Lloyd's Register
Lloyd's Register is a global professional services organisation specialising in engineering and technology.

ABS Quality Evaluations Inc.
American Bureau of Shipping quality certification.
Sponsored listings
Frequently Asked Questions
ASTM F1138-21 is a technical specification published by ASTM International. Its full title is "Standard Specification for Spray Shields for Mechanical Joints". This standard covers: ABSTRACT This specification describes the manufacturing requirements for spray shield stock and the fabrication and installation requirements for spray shields made from that stock. The physical and mechanical properties for the aluminized glass cloth, thread, and protective outer jacket shall be as specified. If lacing hooks or rings are of the type that fastens by stitching, the hooks or rings shall be attached to the backup washers using a wire stitch machine and wire. The methods for testing the aluminized glass cloth, thread, and protective outer jacket shall be as specified. SCOPE 1.1 This specification describes the manufacturing requirements for spray shield stock and the fabrication and installation requirements for spray shields made from that stock. 1.1.1 Sections 2 – 14 address the manufacturing requirements for the spray shield stock. Annex A1 addresses the fabrication and installation requirements for the spray shields. 1.1.2 Fig. 1 shows the typical construction of a spray shield. Figs. 2-6 show methods of installation of a spray shield on various mechanical joints. FIG. 1 Spray Shield Construction (Typical) FIG. 2 Installation of Butterfly Valve Shield FIG. 3 Spray Shield for Pump Inlet Head FIG. 4 Spray Shield for Simplex Strainer FIG. 5 Spray Shield for Butterfly Valve FIG. 6 Spray Shield for Valve Bonnet 1.2 The shields are intended for use around mechanical joints (flanged, bolted unions, and so forth) in liquid piping systems with an internal pressure exceeding 26.1 psi (0.18 N/mm2) to prevent the impingement of flammable liquid on hot surfaces or fluids onto electrical switchboards and components resulting from a leak in the mechanical joint, unless otherwise invoked by contractual requirements. Spray Shields are excluded on all suction lines with a head pressure less than 26.1 psi (0.18 N/mm2) and mechanical joints in non-flammable liquid systems in excess of 10 ft of an electrical switchboard, unless otherwise invoked by contractual requirements.2 1.3 The values stated in inch-pound units are to be regarded as standard. The values given in parentheses are mathematical conversions to SI units that are provided for information only and are not considered standard. 1.4 This international standard was developed in accordance with internationally recognized principles on standardization established in the Decision on Principles for the Development of International Standards, Guides and Recommendations issued by the World Trade Organization Technical Barriers to Trade (TBT) Committee.
ABSTRACT This specification describes the manufacturing requirements for spray shield stock and the fabrication and installation requirements for spray shields made from that stock. The physical and mechanical properties for the aluminized glass cloth, thread, and protective outer jacket shall be as specified. If lacing hooks or rings are of the type that fastens by stitching, the hooks or rings shall be attached to the backup washers using a wire stitch machine and wire. The methods for testing the aluminized glass cloth, thread, and protective outer jacket shall be as specified. SCOPE 1.1 This specification describes the manufacturing requirements for spray shield stock and the fabrication and installation requirements for spray shields made from that stock. 1.1.1 Sections 2 – 14 address the manufacturing requirements for the spray shield stock. Annex A1 addresses the fabrication and installation requirements for the spray shields. 1.1.2 Fig. 1 shows the typical construction of a spray shield. Figs. 2-6 show methods of installation of a spray shield on various mechanical joints. FIG. 1 Spray Shield Construction (Typical) FIG. 2 Installation of Butterfly Valve Shield FIG. 3 Spray Shield for Pump Inlet Head FIG. 4 Spray Shield for Simplex Strainer FIG. 5 Spray Shield for Butterfly Valve FIG. 6 Spray Shield for Valve Bonnet 1.2 The shields are intended for use around mechanical joints (flanged, bolted unions, and so forth) in liquid piping systems with an internal pressure exceeding 26.1 psi (0.18 N/mm2) to prevent the impingement of flammable liquid on hot surfaces or fluids onto electrical switchboards and components resulting from a leak in the mechanical joint, unless otherwise invoked by contractual requirements. Spray Shields are excluded on all suction lines with a head pressure less than 26.1 psi (0.18 N/mm2) and mechanical joints in non-flammable liquid systems in excess of 10 ft of an electrical switchboard, unless otherwise invoked by contractual requirements.2 1.3 The values stated in inch-pound units are to be regarded as standard. The values given in parentheses are mathematical conversions to SI units that are provided for information only and are not considered standard. 1.4 This international standard was developed in accordance with internationally recognized principles on standardization established in the Decision on Principles for the Development of International Standards, Guides and Recommendations issued by the World Trade Organization Technical Barriers to Trade (TBT) Committee.
ASTM F1138-21 is classified under the following ICS (International Classification for Standards) categories: 47.020.05 - Materials and components for shipbuilding. The ICS classification helps identify the subject area and facilitates finding related standards.
ASTM F1138-21 has the following relationships with other standards: It is inter standard links to ASTM B166-24, ASTM D3951-18(2023), ASTM D1777-96(2019), ASTM B164-03(2019), ASTM B166-19, ASTM D3951-18, ASTM A580/A580M-16, ASTM D3951-15, ASTM D1777-96(2015), ASTM A580/A580M-15, ASTM A580/A580M-14, ASTM B164-03(2014), ASTM A276-13a, ASTM A580/A580M-13b, ASTM D1424-09(2013). Understanding these relationships helps ensure you are using the most current and applicable version of the standard.
ASTM F1138-21 is available in PDF format for immediate download after purchase. The document can be added to your cart and obtained through the secure checkout process. Digital delivery ensures instant access to the complete standard document.
Standards Content (Sample)
This international standard was developed in accordance with internationally recognized principles on standardization established in the Decision on Principles for the
Development of International Standards, Guides and Recommendations issued by the World Trade Organization Technical Barriers to Trade (TBT) Committee.
Designation:F1138 −21 An American National Standard
Standard Specification for
Spray Shields for Mechanical Joints
This standard is issued under the fixed designation F1138; the number immediately following the designation indicates the year of
original adoption or, in the case of revision, the year of last revision.Anumber in parentheses indicates the year of last reapproval.A
superscript epsilon (´) indicates an editorial change since the last revision or reapproval.
This standard has been approved for use by agencies of the U.S. Department of Defense.
1. Scope mendations issued by the World Trade Organization Technical
Barriers to Trade (TBT) Committee.
1.1 This specification describes the manufacturing require-
mentsforsprayshieldstockandthefabricationandinstallation
2. Referenced Documents
requirements for spray shields made from that stock.
2.1 ASTM Standards:
1.1.1 Sections2–14 address the manufacturing require-
A176Specification for Stainless and Heat-Resisting Chro-
ments for the spray shield stock. Annex A1 addresses the
mium Steel Plate, Sheet, and Strip (Withdrawn 2015)
fabrication and installation requirements for the spray shields.
A276Specification for Stainless Steel Bars and Shapes
1.1.2 Fig.1showsthetypicalconstructionofasprayshield.
A580/A580MSpecification for Stainless Steel Wire
Figs. 2-6 show methods of installation of a spray shield on
B134/B134MSpecification for Brass Wire
various mechanical joints.
B164Specification for Nickel-Copper Alloy Rod, Bar, and
1.2 The shields are intended for use around mechanical
Wire
joints (flanged, bolted unions, and so forth) in liquid piping
B166Specification for Nickel-Chromium-Aluminum Alloy,
systems with an internal pressure exceeding 26.1 psi (0.18
Nickel-Chromium-IronAlloys,Nickel-Chromium-Cobalt-
N/mm )topreventtheimpingementofflammableliquidonhot
Molybdenum Alloy, Nickel-Iron-Chromium-Tungsten
surfaces or fluids onto electrical switchboards and components
Alloy, and Nickel-Chromium-Molybdenum-CopperAlloy
resulting from a leak in the mechanical joint, unless otherwise
Rod, Bar, and Wire
invoked by contractual requirements. Spray Shields are ex-
D1308Test Method for Effect of Household Chemicals on
cluded on all suction lines with a head pressure less than 26.1
Clear and Pigmented Coating Systems
psi (0.18 N/mm ) and mechanical joints in non-flammable
D1424Test Method for Tearing Strength of Fabrics by
liquid systems in excess of 10 ft of an electrical switchboard,
Falling-Pendulum (Elmendorf-Type) Apparatus
unless otherwise invoked by contractual requirements.
D1682Test Method for Breaking Load and Elongation of
1.3 The values stated in inch-pound units are to be regarded
Textile Fabric (Withdrawn 1992)
as standard. The values given in parentheses are mathematical
D1777Test Method for Thickness of Textile Materials
conversions to SI units that are provided for information only
D3389Test Method for Coated FabricsAbrasion Resistance
and are not considered standard.
(Rotary Platform Abrader)
D3776Test Methods for Mass Per Unit Area (Weight) of
1.4 This international standard was developed in accor-
Fabric
dance with internationally recognized principles on standard-
D3786 Test Method for Bursting Strength of Textile
ization established in the Decision on Principles for the
Fabrics—Diaphragm Bursting Strength Tester Method
Development of International Standards, Guides and Recom-
D3951Practice for Commercial Packaging
F501Test Method for Aerospace Materials Response to
This specification is under the jurisdiction ofASTM Committee F25 on Ships
and Marine Technology and is the direct responsibility of Subcommittee F25.07 on
General Requirements. For referenced ASTM standards, visit the ASTM website, www.astm.org, or
Current edition approved Sept. 1, 2021. Published September 2021. Originally contact ASTM Customer Service at service@astm.org. For Annual Book of ASTM
approved in 1988. Last previous edition approved in 2014 as F1138–98 (2014). Standards volume information, refer to the standard’s Document Summary page on
DOI: 10.1520/F1138-21. the ASTM website.
2 4
Reference IMO MSC Circ 1321, IMO MSC Circ 647, and IMO MSC Circ 851 The last approved version of this historical standard is referenced on
for specific installation requirements and locations. www.astm.org.
Copyright © ASTM International, 100 Barr Harbor Drive, PO Box C700, West Conshohocken, PA 19428-2959. United States
F1138−21
FIG. 1 Spray Shield Construction (Typical)
FIG. 2 Installation of Butterfly Valve Shield
F1138−21
FIG. 3 Spray Shield for Pump Inlet Head
Flame, with Vertical Test Specimen (for Aerospace Ve- MIL-PRF-20696Cloth, Waterproof, Weather Resistant
hicles Standard Conditions) (Withdrawn 1998)
2.4 Federal Standard:
2.2 American Association of Textile Chemists and Colorists
WW-C-440Clamps, Hose (Low Pressure)
Standards:
2.5 IMO Standards:
AATCC-22Water Repellency, Spray Test
IMO SOLAS1974 as amended through 2014, Chapter II-2
AATCC-35Water Resistance, Rain Test
Regulation 4
AATCC-127Water Resistance, Hydrostatic Pressure Test
IMOMSCCirc647GuidelinestoMinimizeLeakagesFrom
2.3 Military Standards:
Flammable Liquid Systems
MIL-C-20079Cloth, Glass, Tape, Textile Glass and Thread,
IMO MSC Circ 851Guidelines on Engine Room Oil Fuel
Glass
Systems
IMO MSC Circ 1321Guidelines For Measures to Prevent
Available from American Association of Textile Chemists and Colorists
Fires in Engine-Rooms and Cargo Pump-Rooms
(AATCC), P.O. Box 12215, Research Triangle Park, NC 27709-2215, http://
www.aatcc.org.
Available from U.S. Government Printing Office, Superintendent of
Documents, 732 N. Capitol St., NW, Washington, DC 20401-0001, http:// Available from International Maritime Organization (IMO), 4, Albert
www.access.gpo.gov. Embankment, London SE1 7SR, United Kingdom, http://www.imo.org.
F1138−21
FIG. 4 Spray Shield for Simplex Strainer
3. Ordering Information 4. Materials and Manufacture
3.1 ASTM designation and year of issue, 4.1 Optional lacing hooks, lacing rings, and lacing washers
(seeFig.7)shallbeconstructedofstainlesssteelinaccordance
3.2 Length and width required (see 7.1), and
with Specifications A176, A276,or A580/A580M.
3.3 Type of stainless steel (see 4.1).
4.1.1 Lacing rings may be used instead of lacing hooks
3.4 Type of lacing hardware required (see 4.1.1). where practicable or preferable (see 3.3).
F1138−21
FIG. 5 Spray Shield for Butterfly Valve
FIG. 6 Spray Shield for Valve Bonnet
4.1.2 Lacing washers for fastening hooks or rings shall be 4.3 The aluminized glass cloth, thread, and the protective
two-hole washers.
outer jacket shall be constructed of material as specified in
Table 1 and Table 2.
4.2 Stitch wire (Piece 5 in Table 1) shall be constructed of
stainless steel in accordance with Specification A580/A580M.
F1138−21
FIG. 7 Optional Lacing Hardware
TABLE 1 List of Material
Piece
Description Quality Material Specification Remarks
Number
1 Hook, lacing as required stainless steel ASTM A176, A276, A580/ see 4.1 (Optional)
302, 304, or 316 A580M
2 Cloth, aluminum foil, glass as required glass/aluminum MIL-C-20079 Type I,
Class 10
3 Thread as required glass MIL-C-20079 Type III,
Class 3 (for machine sewing)
nylon white, Size 5 Z-twist,
three-ply
4 Washer, blank as required stainless steel ASTM A176, A276 ⁄4-in. diameter × 0.030 in.
304 or 316 thick (Optional)
5 Wire, stitch as required stainless steel ASTM A580/A580M see 6.1
301, 304 or 316
6 Label, identification as required see 13
7 Clamp, hose as required Cres 201 WW-C-440 Type F
8 Wire as required brass ASTM B134/B134M 17 or 18 gauge
Cr-Ni-alloy ASTM B166 17 or 18 gauge
Cu-Ni-alloy ASTM B164 17 or 18 gauge
stainless steel ASTM A580/A580M 17 or 18 gauge
304 or 316
9 Rings, lacing as required stainless steel ASTM A276, A580/A580M see 4.1.1 (Optional)
302, 304, or 316
10 Fabric, protective outer as required fiberglass cloth/silicone MIL-PRF-20696 see Table 2
jacket coated fiberglass
5. Physical and Mechanical Properties 6.2 Lacing anchor/self-locking washer-type systems shall
not be used on sp
...
This document is not an ASTM standard and is intended only to provide the user of an ASTM standard an indication of what changes have been made to the previous version. Because
it may not be technically possible to adequately depict all changes accurately, ASTM recommends that users consult prior editions as appropriate. In all cases only the current version
of the standard as published by ASTM is to be considered the official document.
Designation: F1138 − 98 (Reapproved 2014) F1138 − 21 An American National Standard
Standard Specification for
Spray Shields for Mechanical Joints
This standard is issued under the fixed designation F1138; the number immediately following the designation indicates the year of
original adoption or, in the case of revision, the year of last revision. A number in parentheses indicates the year of last reapproval. A
superscript epsilon (´) indicates an editorial change since the last revision or reapproval.
This standard has been approved for use by agencies of the U.S. Department of Defense.
1. Scope
1.1 This specification describes the manufacturing requirements for spray shield stock and the fabrication and installation
requirements for spray shields made from that stock.
1.1.1 Sections 2 – 14 address the manufacturing requirements for the spray shield stock. Annex A1 addresses the fabrication and
installation requirements for the spray shields.
1.1.2 Fig. 1 shows the typical construction of a spray shield. Figs. 2-6 show methods of installation of a spray shield on various
mechanical joints.
1.2 The shields are intended for use around mechanical joints (flanged, bolted unions, and so forth) in liquid piping systems with
an internal pressure exceeding 26.1 psi (0.18 N/mm ) to prevent the impingement of flammable liquid on hot surfaces or fluids
onto electrical switchboards and components resulting from a leak in the mechanical joint. joint, unless otherwise invoked by
contractual requirements. Spray Shields are excluded on all suction lines with a head pressure less than 26.1 psi (0.18 N/mm ) and
mechanical joints in non-flammable liquid systems in excess of 10 ft of an electrical switchboard, unless otherwise invoked by
contractual requirements.
1.3 The values stated in inch-pound units are to be regarded as the standard. The values given in parentheses are for information
only.mathematical conversions to SI units that are provided for information only and are not considered standard.
1.4 This international standard was developed in accordance with internationally recognized principles on standardization
established in the Decision on Principles for the Development of International Standards, Guides and Recommendations issued
by the World Trade Organization Technical Barriers to Trade (TBT) Committee.
2. Referenced Documents
2.1 ASTM Standards:
A176 Specification for Stainless and Heat-Resisting Chromium Steel Plate, Sheet, and Strip (Withdrawn 2015)
A276 Specification for Stainless Steel Bars and Shapes
A580/A580M Specification for Stainless Steel Wire
This specification is under the jurisdiction of ASTM Committee F25 on Ships and Marine Technology and is the direct responsibility of Subcommittee F25.07 on General
Requirements.
Current edition approved Feb. 1, 2014Sept. 1, 2021. Published February 2014September 2021. Originally approved in 1988. Last previous edition approved in 20072014
as F1138 – 98 (2007).(2014). DOI: 10.1520/F1138-98R14.10.1520/F1138-21.
Reference IMO MSC Circ 1321, IMO MSC Circ 647, and IMO MSC Circ 851 for specific installation requirements and locations.
For referenced ASTM standards, visit the ASTM website, www.astm.org, or contact ASTM Customer Service at service@astm.org. For Annual Book of ASTM Standards
volume information, refer to the standard’sstandard’s Document Summary page on the ASTM website.
The last approved version of this historical standard is referenced on www.astm.org.
Copyright © ASTM International, 100 Barr Harbor Drive, PO Box C700, West Conshohocken, PA 19428-2959. United States
F1138 − 21
FIG. 1 Spray Shield Construction (Typical)
FIG. 2 Installation of Butterfly Valve Shield
F1138 − 21
FIG. 3 Spray Shield for Pump Inlet Head
B134/B134M Specification for Brass Wire
B164 Specification for Nickel-Copper Alloy Rod, Bar, and Wire
B166 Specification for Nickel-Chromium-Aluminum Alloy, Nickel-Chromium-Iron Alloys, Nickel-Chromium-Cobalt-
Molybdenum Alloy, Nickel-Iron-Chromium-Tungsten Alloy, and Nickel-Chromium-Molybdenum-Copper Alloy Rod, Bar,
and Wire
D1308 Test Method for Effect of Household Chemicals on Clear and Pigmented Coating Systems
D1424 Test Method for Tearing Strength of Fabrics by Falling-Pendulum (Elmendorf-Type) Apparatus
D1682 Test Method for Breaking Load and Elongation of Textile Fabric (Withdrawn 1992)
D1777 Test Method for Thickness of Textile Materials
D3389 Test Method for Coated Fabrics Abrasion Resistance (Rotary Platform Abrader)
D3776 Test Methods for Mass Per Unit Area (Weight) of Fabric
D3786 Test Method for Bursting Strength of Textile Fabrics—Diaphragm Bursting Strength Tester Method
D3951 Practice for Commercial Packaging
F501 Test Method for Aerospace Materials Response to Flame, with Vertical Test Specimen (for Aerospace Vehicles Standard
Conditions) (Withdrawn 1998)
F1138 − 21
FIG. 4 Spray Shield for Simplex Strainer
2.2 American Association of Textile Chemists and Colorists Standards:
AATCC-22 Water Repellency, Spray Test
AATCC-35 Water Resistance, Rain Test
AATCC-127 Water Resistance, Hydrostatic Pressure Test
Available from American Association of Textile Chemists and Colorists (AATCC), P.O. Box 12215, Research Triangle Park, NC 27709,27709-2215, http://
www.aatcc.org.
F1138 − 21
FIG. 5 Spray Shield for Butterfly Valve
FIG. 6 Spray Shield for Valve Bonnet
2.3 Military Standards:
MIL-C-20079 Cloth, Glass, Tape, Textile Glass and Thread, Glass
MIL-C-20696MIL-PRF-20696 Cloth, Coated, Nylon WaterproofWaterproof, Weather Resistant
Available from U.S. Government Printing Office, Superintendent of Documents, 732 N. Capitol St., NW, Mail Stop: SDE, Washington, DC 20401,20401-0001,
http://www.access.gpo.gov.
F1138 − 21
2.4 Federal Standard:
WW-C-440 Clamps, Hose (Low Pressure)
2.5 IMO Standards:
IMO SOLAS 1974 as amended through 2014, Chapter II-2 Regulation 4
IMO MSC Circ 647 Guidelines to Minimize Leakages From Flammable Liquid Systems
IMO MSC Circ 851 Guidelines on Engine Room Oil Fuel Systems
IMO MSC Circ 1321 Guidelines For Measures to Prevent Fires in Engine-Rooms and Cargo Pump-Rooms
3. Ordering Information
3.1 ASTM designation and year of issue,
3.2 Length and width required (see 7.1), and
3.3 Type of stainless steel (see 4.1).
3.4 Type of lacing hardware required (see 4.1.1).
4. Materials and Manufacture
4.1 Lacing Optional lacing hooks, lacing rings, and lacing washers (see Fig. 7) shall be constructed of stainless steel in accordance
with Specifications A176, A276, or A580/A580M.
4.1.1 Lacing rings may be used instead of lacing hooks where practicable or preferable (see 3.3).
4.1.2 Lacing washers for fastening hooks or rings shall be two-hole washers.
4.2 Stitch wire (Piece 5 in Table 1) shall be constructed of stainless steel in accordance with Specification A580/A580M.
FIG. 7 Optional Lacing Hardware
Available from International Maritime Organization (IMO), 4, Albert Embankment, London SE1 7SR, United Kingdom, http://www.imo.org.
F1138 − 21
TABLE 1 List of Material
Piece
Description Quality Material Specification Remarks
Number
1 Hook, lacing as required stainless steel ASTM A176, A276, A580/ see 4.1 (Optional)
302, 304, or 316 A580M
2 Cloth, aluminum foil, glass as required glass/aluminum MIL-C-20079 Type I,
Class 10
3 Thread as required glass MIL-C-20079 Type III,
Class 3 (for machine sewing)
nylon white, Size 5 Z-twist,
three-ply
4 Washer, blank as required stainless steel ASTM A176, A276 ⁄4-in. diameter × 0.030 in.
304 or 316 thick (Optional)
5 Wire, stitch as required stainless steel ASTM A580/A580M see 6.1
301, 304 or 316
6 Label, identification as required see 13
7 Clamp, hose as required Cres 201 WW-C-440 Type F
8 Wire as required brass ASTM B134/B134M 17 or 18 gage
Cr-Ni-alloy ASTM B166 17 or 18 gage
Cu-Ni-alloy ASTM B164 17 or 18 gage
stainless steel ASTM A580/A580M 17 or 18 gage
304 or 316
8 Wire as required brass ASTM B134/B134M 17 or 18 gauge
Cr-Ni-alloy ASTM B166 17 or 18 gauge
Cu-Ni-alloy ASTM B164 17 or 18 gauge
stainless steel ASTM A580/A580M 17 or 18 gauge
304 or 316
9 Rings, lacing as required stainless steel ASTM A276, A580/A580M see 4.1.1 (Optional)
302, 304, or 316
10 Fabric, protective outer as required fiberglass cloth/silicone MIL-PRF-20696 see Table 2
jacket coated fiberglass
4.3 The aluminized glass cloth, thread, and the protective outer jacket shall be constructed of material as specified in Table 1 and
Table 2.
5. Physical and Mechanical Properties
5.1 The physical and mechanical properties for the aluminized glass cloth, thread, and protective outer jacket shall be as specified
in Table 1 and Table 2
...








Questions, Comments and Discussion
Ask us and Technical Secretary will try to provide an answer. You can facilitate discussion about the standard in here.
Loading comments...