Standard Test Method for Abrasion Resistance of Pipeline Coatings

SIGNIFICANCE AND USE
5.1 This procedure defines a test method for comparing the relative resistance of pipeline coatings to abrasion.  
5.2 Abrasion resistance may be used to specify optimum coating thickness of candidate materials both in development and research work to study new coating systems or methods and in quality control.
SCOPE
1.1 This test method of accelerated test is a procedure for determining the relative resistance of steel pipeline coatings to abrasion by a slurry of coarse abrasive and water. The method is intended to apply to the testing of all types of electrical insulating pipeline coatings and tapes, including thermoplastics, thermoset, and bituminous materials.  
1.2 Pipeline coatings are not normally subjected to the type of abrasion herein specified.  
1.3 Metallic protective coatings such as zinc may be compared visually, but do not meet the electrical requirements of this test method.  
1.4 The values stated in SI units to three significant decimals are to be regarded as the standard. The values given in parentheses are for information only.  
1.5 This standard does not purport to address all of the safety concerns, if any, associated with its use. It is the responsibility of the user of this standard to establish appropriate safety, health, and environmental practices and determine the applicability of regulatory limitations prior to use.  
1.6 This international standard was developed in accordance with internationally recognized principles on standardization established in the Decision on Principles for the Development of International Standards, Guides and Recommendations issued by the World Trade Organization Technical Barriers to Trade (TBT) Committee.

General Information

Status
Published
Publication Date
31-Jul-2020

Relations

Effective Date
01-Aug-2020
Effective Date
01-Oct-2023
Effective Date
01-Jun-2013
Effective Date
01-Jun-2013
Effective Date
01-Jul-2007
Effective Date
01-Jul-2007
Effective Date
10-Jul-1998
Effective Date
25-Sep-1987
Effective Date
01-Aug-2020

Overview

ASTM G6-07(2020), Standard Test Method for Abrasion Resistance of Pipeline Coatings, is an internationally recognized standard developed by ASTM for evaluating the relative abrasion resistance of steel pipeline coatings. This test method utilizes an accelerated wear procedure, simulating the abrasion effects using a slurry of coarse abrasive and water. The method is applicable to a wide range of electrical insulating pipeline coatings and tapes, including thermoplastic, thermoset, and bituminous materials.

The method provides guidance for assessing and comparing the durability of protective coatings under abrasive conditions, supporting both quality control processes and research into new coating technologies.

Key Topics

  • Test Method Scope

    • Designed for steel pipeline coatings exposure to a slurry of coarse abrasive and water.
    • Suitable for all types of insulating coatings and tapes, such as thermoplastics, thermosets, and bituminous materials.
    • Not intended for metallic protective coatings (e.g., zinc), as these do not meet the electrical requirements of the test.
  • Significance and Use

    • Enables comparison of the abrasion resistance of various pipeline coatings.
    • Supports determination of optimal coating thickness for candidate materials.
    • Assists in research, product development, and ongoing quality control for pipeline coating systems.
  • Test Procedure Overview

    • Coated steel specimens are mounted in a rotating drum containing abrasive slurry.
    • Electrical resistance is measured periodically to assess coating integrity.
    • Coating performance is evaluated by the rate at which electrical insulation is lost due to abrasion.
  • Reporting and Consistency

    • Reports must include detailed specimen identification, testing parameters, thickness measurements, electrical readings, and post-test coating appearance.
    • The standard provides guidance on test repeatability and reproducibility, crucial for inter-laboratory comparison and consistent results.

Applications

ASTM G6-07(2020) is a valuable tool in several sectors of the pipeline industry, including:

  • Coating Development and Research

    • Supports the comparative evaluation of new or modified pipeline coatings during R&D.
    • Aids in the formulation of coatings with improved abrasion resistance.
  • Quality Control

    • Used by manufacturers and contractors for compliance and routine quality verification during production.
    • Ensures coatings meet specified durability requirements before field application.
  • Pipeline Maintenance and Integrity Management

    • Assists asset owners and operators in selecting coatings that provide adequate protection during installation and service.
    • Contributes to life cycle studies and preventative maintenance planning.
  • Specification and Tendering

    • Helps define technical requirements for pipeline coating procurement and project specifications by referencing measurable abrasion resistance criteria.

Related Standards

  • ASTM G12 - Test Method for Nondestructive Measurement of Film Thickness of Pipeline Coatings on Steel (withdrawn)
  • ASTM G62 - Test Methods for Holiday Detection in Pipeline Coatings

These related standards provide supplementary methods for coating inspection, such as thickness measurement and holiday (discontinuities) detection, which can be used alongside ASTM G6 for comprehensive pipeline coating qualification.


Keywords: abrasion resistance, pipeline coatings, ASTM G6, coating durability, insulating coatings, quality control, test method, slurry abrasion test, pipeline integrity, coating development, coating thickness, pipeline protection.

Buy Documents

Standard

ASTM G6-07(2020) - Standard Test Method for Abrasion Resistance of Pipeline Coatings

English language (5 pages)
sale 15% off
sale 15% off

Get Certified

Connect with accredited certification bodies for this standard

National Aerospace and Defense Contractors Accreditation Program (NADCAP)

Global cooperative program for special process quality in aerospace.

ANAB United States Verified

CARES (UK Certification Authority for Reinforcing Steels)

UK certification for reinforcing steels and construction.

UKAS United Kingdom Verified

DVS-ZERT GmbH

German welding certification society.

DAKKS Germany Verified

Sponsored listings

Frequently Asked Questions

ASTM G6-07(2020) is a standard published by ASTM International. Its full title is "Standard Test Method for Abrasion Resistance of Pipeline Coatings". This standard covers: SIGNIFICANCE AND USE 5.1 This procedure defines a test method for comparing the relative resistance of pipeline coatings to abrasion. 5.2 Abrasion resistance may be used to specify optimum coating thickness of candidate materials both in development and research work to study new coating systems or methods and in quality control. SCOPE 1.1 This test method of accelerated test is a procedure for determining the relative resistance of steel pipeline coatings to abrasion by a slurry of coarse abrasive and water. The method is intended to apply to the testing of all types of electrical insulating pipeline coatings and tapes, including thermoplastics, thermoset, and bituminous materials. 1.2 Pipeline coatings are not normally subjected to the type of abrasion herein specified. 1.3 Metallic protective coatings such as zinc may be compared visually, but do not meet the electrical requirements of this test method. 1.4 The values stated in SI units to three significant decimals are to be regarded as the standard. The values given in parentheses are for information only. 1.5 This standard does not purport to address all of the safety concerns, if any, associated with its use. It is the responsibility of the user of this standard to establish appropriate safety, health, and environmental practices and determine the applicability of regulatory limitations prior to use. 1.6 This international standard was developed in accordance with internationally recognized principles on standardization established in the Decision on Principles for the Development of International Standards, Guides and Recommendations issued by the World Trade Organization Technical Barriers to Trade (TBT) Committee.

SIGNIFICANCE AND USE 5.1 This procedure defines a test method for comparing the relative resistance of pipeline coatings to abrasion. 5.2 Abrasion resistance may be used to specify optimum coating thickness of candidate materials both in development and research work to study new coating systems or methods and in quality control. SCOPE 1.1 This test method of accelerated test is a procedure for determining the relative resistance of steel pipeline coatings to abrasion by a slurry of coarse abrasive and water. The method is intended to apply to the testing of all types of electrical insulating pipeline coatings and tapes, including thermoplastics, thermoset, and bituminous materials. 1.2 Pipeline coatings are not normally subjected to the type of abrasion herein specified. 1.3 Metallic protective coatings such as zinc may be compared visually, but do not meet the electrical requirements of this test method. 1.4 The values stated in SI units to three significant decimals are to be regarded as the standard. The values given in parentheses are for information only. 1.5 This standard does not purport to address all of the safety concerns, if any, associated with its use. It is the responsibility of the user of this standard to establish appropriate safety, health, and environmental practices and determine the applicability of regulatory limitations prior to use. 1.6 This international standard was developed in accordance with internationally recognized principles on standardization established in the Decision on Principles for the Development of International Standards, Guides and Recommendations issued by the World Trade Organization Technical Barriers to Trade (TBT) Committee.

ASTM G6-07(2020) is classified under the following ICS (International Classification for Standards) categories: 25.220.20 - Surface treatment. The ICS classification helps identify the subject area and facilitates finding related standards.

ASTM G6-07(2020) has the following relationships with other standards: It is inter standard links to ASTM G6-07(2013), ASTM G62-23, ASTM G12-07(2013), ASTM G62-07(2013), ASTM G12-07, ASTM G62-07, ASTM G12-83(1998), ASTM G62-87(1998)e1, ASTM G10-10(2019). Understanding these relationships helps ensure you are using the most current and applicable version of the standard.

ASTM G6-07(2020) is available in PDF format for immediate download after purchase. The document can be added to your cart and obtained through the secure checkout process. Digital delivery ensures instant access to the complete standard document.

Standards Content (Sample)


This international standard was developed in accordance with internationally recognized principles on standardization established in the Decision on Principles for the
Development of International Standards, Guides and Recommendations issued by the World Trade Organization Technical Barriers to Trade (TBT) Committee.
Designation: G6 − 07 (Reapproved 2020)
Standard Test Method for
Abrasion Resistance of Pipeline Coatings
This standard is issued under the fixed designation G6; the number immediately following the designation indicates the year of original
adoption or, in the case of revision, the year of last revision.Anumber in parentheses indicates the year of last reapproval.Asuperscript
epsilon (´) indicates an editorial change since the last revision or reapproval.
1. Scope 2. Referenced Documents
2.1 ASTM Standards:
1.1 This test method of accelerated test is a procedure for
G12 Test Method for Nondestructive Measurement of Film
determining the relative resistance of steel pipeline coatings to
Thickness of Pipeline Coatings on Steel (Withdrawn
abrasion by a slurry of coarse abrasive and water. The method
2013)
is intended to apply to the testing of all types of electrical
G62 Test Methods for Holiday Detection in Pipeline Coat-
insulating pipeline coatings and tapes, including
ings
thermoplastics, thermoset, and bituminous materials.
1.2 Pipeline coatings are not normally subjected to the type
3. Terminology
of abrasion herein specified.
3.1 Definitions:
3.1.1 holidays, n—small faults or pinholes which permit
1.3 Metallic protective coatings such as zinc may be com-
current drainage through protective coatings on steel pipe.
pared visually, but do not meet the electrical requirements of
this test method.
4. Summary of Test Method
1.4 The values stated in SI units to three significant deci-
4.1 Apparatus and materials are described whereby coatings
mals are to be regarded as the standard. The values given in
on steel pipe are worn away by an abrasive slurry contained in
parentheses are for information only.
a horizontally revolving drum. Specimens extend through both
1.5 This standard does not purport to address all of the
ends of the drum and are electrically insulated from contact
safety concerns, if any, associated with its use. It is the
with the test apparatus.
responsibility of the user of this standard to establish appro-
4.2 Periodic measurement of the electrical resistance be-
priate safety, health, and environmental practices and deter-
tween the specimen and the drum indicates the degree of
mine the applicability of regulatory limitations prior to use.
abrasion resistance of the coating.
1.6 This international standard was developed in accor-
dance with internationally recognized principles on standard-
5. Significance and Use
ization established in the Decision on Principles for the
5.1 This procedure defines a test method for comparing the
Development of International Standards, Guides and Recom-
relative resistance of pipeline coatings to abrasion.
mendations issued by the World Trade Organization Technical
Barriers to Trade (TBT) Committee.
5.2 Abrasion resistance may be used to specify optimum
coating thickness of candidate materials both in development
and research work to study new coating systems or methods
and in quality control.
1 2
This test method is under the jurisdiction of ASTM Committee D01 on Paint For referenced ASTM standards, visit the ASTM website, www.astm.org, or
and Related Coatings, Materials, andApplications and is the direct responsibility of contact ASTM Customer Service at service@astm.org. For Annual Book of ASTM
Subcommittee D01.48 on Durability of Pipeline Coating and Linings. Standards volume information, refer to the standard’s Document Summary page on
Current edition approved Aug. 1, 2020. Published August 2020. Originally the ASTM website.
approved in 1969. Last previous edition approved in 2013 as G6 – 07 (2013). DOI: The last approved version of this historical standard is referenced on
10.1520/G0006-07R20. www.astm.org.
Copyright © ASTM International, 100 Barr Harbor Drive, PO Box C700, West Conshohocken, PA 19428-2959. United States
G6 − 07 (2020)
NOTE 1—Low voltage detectors are used to locate pinholes, voids, or
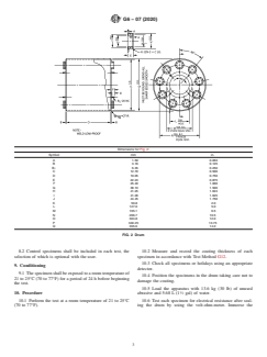
6. Apparatus
thin spots in pipeline coatings. The potential used with wet-sponge
6.1 Drum—A cylindrical steel container suitable for testing
detectors can be up to 100 V DC. Procedures for using these detectors are
nine specimens simultaneously. Figs. 1-3 show construction
found in MethodAof G62. For use of high voltage detectors operating in
the 900 to 20 000 Vdc range, see Method B of G62.
details which may be altered at the cap assembly if desired. A
valve shall be provided to release any pressure built up during
6.5 Volt-ohm-meter—Anyelectricaltestinstrumentformea-
test.
suring electrical resistance of the circuit.
6.2 Apparatus for Revolving the Drum—Any suitable appa-
7. Reagents and Materials
ratus used to revolve the drum at 30.48 m (100 linear ft)/min.
7.1 The test slurry shall consist of the following:
A modified jar rolling mill has been found satisfactory for
7.1.1 Aluminum Oxide Grit, 13.6 kg (30 lb).
revolving the drum.
7.1.2 Tap Water, 5.68 L (1 ⁄2 gal).
6.3 Thickness Gage, to be used in accordance with Test
Method G12.
8. Test Specimen
6.4 Holiday Detectors, low-voltage wet-sponge type for
8.1 A19.1 mm test specimen 406 mm (16 in.) long shall be
thin film coatings (coatings thinner than 20 mils), and high-
prepared with its surface preparation and coating procedures
voltage type for thick film coatings (coatings thicker than 20
equivalent to that of production coated pipe. Only holiday-free
mils).
specimens, in duplicate, shall be used in this test.
The sole source of supply known to the committee at this time, to provide a
means for revolving the drum is Figure 801-V Jar Mill available from U.S.
The sole source of supply of aluminum oxide abrasive, No. 3 mesh, Type TA,
Stoneware,Inc.,Akron,OH.Ifyouareawareofalternativesuppliers,pleaseprovide
untumbled, known to the committee at this time is Exolon Co., Tonawanda, NY
this information to ASTM Headquarters. Your comments will receive careful
14150. If you are
...

Questions, Comments and Discussion

Ask us and Technical Secretary will try to provide an answer. You can facilitate discussion about the standard in here.

Loading comments...