ISO 8470:1990/Amd 1:1993
(Amendment)Road vehicles — M14 x 1,25 spark-plugs with flat seating and 16 mm hexagon and their cylinder head housing — Amendment 1
Road vehicles — M14 x 1,25 spark-plugs with flat seating and 16 mm hexagon and their cylinder head housing — Amendment 1
Véhicules routiers — Bougies d'allumage M14 x 1,25 à siège plat et à hexagone de 16 mm et leur logement dans la culasse — Amendement 1
General Information
- Status
- Withdrawn
- Publication Date
- 20-Jan-1993
- Withdrawal Date
- 20-Jan-1993
- Technical Committee
- ISO/TC 22 - Road vehicles
- Drafting Committee
- ISO/TC 22 - Road vehicles
- Current Stage
- 9599 - Withdrawal of International Standard
- Start Date
- 05-Apr-2001
- Completion Date
- 12-Feb-2026
Relations
- Effective Date
- 06-Jun-2022
- Effective Date
- 16-Oct-2025
- Effective Date
- 15-Apr-2008
Get Certified
Connect with accredited certification bodies for this standard

TÜV Rheinland
TÜV Rheinland is a leading international provider of technical services.

TÜV SÜD
TÜV SÜD is a trusted partner of choice for safety, security and sustainability solutions.
AIAG (Automotive Industry Action Group)
American automotive industry standards and training.
Sponsored listings
Frequently Asked Questions
ISO 8470:1990/Amd 1:1993 is a standard published by the International Organization for Standardization (ISO). Its full title is "Road vehicles — M14 x 1,25 spark-plugs with flat seating and 16 mm hexagon and their cylinder head housing — Amendment 1". This standard covers: Road vehicles — M14 x 1,25 spark-plugs with flat seating and 16 mm hexagon and their cylinder head housing — Amendment 1
Road vehicles — M14 x 1,25 spark-plugs with flat seating and 16 mm hexagon and their cylinder head housing — Amendment 1
ISO 8470:1990/Amd 1:1993 is classified under the following ICS (International Classification for Standards) categories: 43.060.50 - Electrical and electronic equipment. Control systems. The ICS classification helps identify the subject area and facilitates finding related standards.
ISO 8470:1990/Amd 1:1993 has the following relationships with other standards: It is inter standard links to ISO 8470:1990, ISO 8470:2001; is excused to ISO 8470:1990. Understanding these relationships helps ensure you are using the most current and applicable version of the standard.
ISO 8470:1990/Amd 1:1993 is available in PDF format for immediate download after purchase. The document can be added to your cart and obtained through the secure checkout process. Digital delivery ensures instant access to the complete standard document.
Standards Content (Sample)
INTERNATIONAL IS0
STANDARD
First edition
1990-09-O 1
AMENDMENT 1
1993-01-15
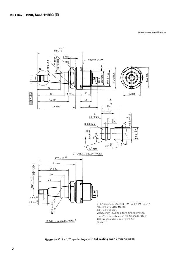
Road vehicles - Ml4 x 1.25 spark-plugs with flat
seating and 16 mm hexagon and their cylinder head
housing
AMENDMENT 1
V6hicules routiers - Bougies d’allumage M74 x 7,25 5 sikge p/at et 5 hexagone de
16 mm et leur logement dans la culasse
AMENDEMENT 7
Reference number
IS0 8470:1990/Amd.1:1993 (E)
IS0 8470:1990/Amd.l:1993 (E)
Foreword
IS0 (the lnternational Organization for Standardization) is a worldwide federation
of national standards bodies (IS0 member bodies). The work of preparing Inter-
national Standards is normally carried out through IS0 technical committees.
Each member body interested in a subject for which a technical committee has
been established has the right to be represented on that committee. International
organizations, governmental and non-governmental, in liaison with ISO, also take
part in the work. IS0 collaborates closely with the International Electrotechnical
Commission (IEC) on all matters of electrotechnical standardization.
Draft International Standards adopted by the technical committees are circulated
to the member bodies for voting. Publication as an International Standard
requires approval by at least 75 % of the member bodies casting a vote.
Amendment 1 to International Standard IS0 8470:1990 was prepared by
Technical Committee lSO/TC 22, Road vehicles, Sub-Committee SC 1, ignition
equipment.
0 IS0 1993
All rights reserved. No part of this publication may be reproduced or utilized in any form or by
any means, electronic or mechanical, including photocopying and microfilm, without
permission in writing from the publisher.
International Organization for Standardization
l CH-1211 Genbve 20 l Switzerland
Case postale 56
Printed in Switzerland
ii
IS0 8470:1990/Amd.1:1993 (E)
Road vehicles - Ml4 x I,25 spark-plugs with f
...
NORME ISO
INTERNATIONALE 8470
Première édition
1990-09-O 1
AMENDEMENT 1
1993-01-15
Véhicules routiers - Bougies d’allumage
Ml4 x 1.25 à siège plat et à hexagone de 16 mm et
leur logement dans la culasse
AMENDEMENT 1
Road vehicles - M74 x Y,25 spark-plugs with flat seating and 16 mm hexagone
and their cylinder head housing
AMENDMENT I
Numéro de référence
ISO 8470:199O/Amd.l:1993 (F)
ISO 8470:1990/Amd.1:1993 (F)
Avant-propos
L’ISO (Organisation internationale de normalisation) est une fédération mondiale
d’organismes nationaux de normalisation (comités membres de I’ISO).
L’élaboration des Normes internationales est en général confiée aux comités
techniques de I’ISO. Chaque comité membre intéressé par une étude a le droit de
faire partie du comité technique créé à cet effet. Les organisations internatio-
nales, gouvernementales et non gouvernementales, en liaison avec I’ISO parti-
cipent également aux travaux. L’ISO collabore étroitement avec la Commission
électrotechnique internationale (CEI) en ce qui concerne la normalisation élec-
trotechnique.
Les projets de Normes internationales adoptés par les comités techniques sont
soumis aux comités membres pour vote. Leur publication comme Normes
internationales requiert l’approbation de 75 % au moins des comités membres
votants.
L’Amendement 1 à la Norme internationale ISO 8470:1990 a été élaboré par le
comité technique lSO/rC 22, Véhicules routiers, sous-comité SC 1, Équipement
d’allumage.
0 601993
Droits de reproduction réservbs. Aucune partie de cette publication ne peut être reproduite ni
utilisée sous quelque forme que ce soit et par aucun procédé, électronique ou mécanique, y
compris la photocopie et les microfilms, sans l’accord écrit de l’éditeur.
Organisation internationale de normalisation
Case postale 56 l CH-1211 Genève 20 l Suisse
Imprimé en Suisse
ii
ISO 8470:1990/Amd.1:1993 (F)
Véhicules
...
NORME ISO
INTERNATIONALE 8470
Première édition
1990-09-O 1
AMENDEMENT 1
1993-01-15
Véhicules routiers - Bougies d’allumage
Ml4 x 1.25 à siège plat et à hexagone de 16 mm et
leur logement dans la culasse
AMENDEMENT 1
Road vehicles - M74 x Y,25 spark-plugs with flat seating and 16 mm hexagone
and their cylinder head housing
AMENDMENT I
Numéro de référence
ISO 8470:199O/Amd.l:1993 (F)
ISO 8470:1990/Amd.1:1993 (F)
Avant-propos
L’ISO (Organisation internationale de normalisation) est une fédération mondiale
d’organismes nationaux de normalisation (comités membres de I’ISO).
L’élaboration des Normes internationales est en général confiée aux comités
techniques de I’ISO. Chaque comité membre intéressé par une étude a le droit de
faire partie du comité technique créé à cet effet. Les organisations internatio-
nales, gouvernementales et non gouvernementales, en liaison avec I’ISO parti-
cipent également aux travaux. L’ISO collabore étroitement avec la Commission
électrotechnique internationale (CEI) en ce qui concerne la normalisation élec-
trotechnique.
Les projets de Normes internationales adoptés par les comités techniques sont
soumis aux comités membres pour vote. Leur publication comme Normes
internationales requiert l’approbation de 75 % au moins des comités membres
votants.
L’Amendement 1 à la Norme internationale ISO 8470:1990 a été élaboré par le
comité technique lSO/rC 22, Véhicules routiers, sous-comité SC 1, Équipement
d’allumage.
0 601993
Droits de reproduction réservbs. Aucune partie de cette publication ne peut être reproduite ni
utilisée sous quelque forme que ce soit et par aucun procédé, électronique ou mécanique, y
compris la photocopie et les microfilms, sans l’accord écrit de l’éditeur.
Organisation internationale de normalisation
Case postale 56 l CH-1211 Genève 20 l Suisse
Imprimé en Suisse
ii
ISO 8470:1990/Amd.1:1993 (F)
Véhicules
...












Questions, Comments and Discussion
Ask us and Technical Secretary will try to provide an answer. You can facilitate discussion about the standard in here.
Loading comments...