ISO 6550:1980
(Main)Road vehicles — Glow plugs M 12x1,25 and M 14x1,25 sheath type and cylinder head housing dimensions
Road vehicles — Glow plugs M 12x1,25 and M 14x1,25 sheath type and cylinder head housing dimensions
Véhicules routiers — Bougies de préchauffage M 12x1,25 et M 14x1,25 type à fourreau et dimensions des logements dans la culasse
General Information
- Status
- Withdrawn
- Publication Date
- 30-Sep-1980
- Withdrawal Date
- 30-Sep-1980
- Technical Committee
- ISO/TC 22 - Road vehicles
- Drafting Committee
- ISO/TC 22 - Road vehicles
- Current Stage
- 9599 - Withdrawal of International Standard
- Start Date
- 01-Nov-1989
- Completion Date
- 14-Feb-2026
Relations
- Effective Date
- 15-Apr-2008
Buy Documents
ISO 6550:1980 - Road vehicles -- Glow plugs M 12x1,25 and M 14x1,25 sheath type and cylinder head housing dimensions
ISO 6550:1980 - Road vehicles — Glow plugs M 12x1,25 and M 14x1,25 sheath type and cylinder head housing dimensions Released:10/1/1980
Get Certified
Connect with accredited certification bodies for this standard

TÜV Rheinland
TÜV Rheinland is a leading international provider of technical services.

TÜV SÜD
TÜV SÜD is a trusted partner of choice for safety, security and sustainability solutions.
AIAG (Automotive Industry Action Group)
American automotive industry standards and training.
Sponsored listings
Frequently Asked Questions
ISO 6550:1980 is a standard published by the International Organization for Standardization (ISO). Its full title is "Road vehicles — Glow plugs M 12x1,25 and M 14x1,25 sheath type and cylinder head housing dimensions". This standard covers: Road vehicles — Glow plugs M 12x1,25 and M 14x1,25 sheath type and cylinder head housing dimensions
Road vehicles — Glow plugs M 12x1,25 and M 14x1,25 sheath type and cylinder head housing dimensions
ISO 6550:1980 is classified under the following ICS (International Classification for Standards) categories: 43.060.50 - Electrical and electronic equipment. Control systems. The ICS classification helps identify the subject area and facilitates finding related standards.
ISO 6550:1980 has the following relationships with other standards: It is inter standard links to ISO 6550:1989. Understanding these relationships helps ensure you are using the most current and applicable version of the standard.
ISO 6550:1980 is available in PDF format for immediate download after purchase. The document can be added to your cart and obtained through the secure checkout process. Digital delivery ensures instant access to the complete standard document.
Standards Content (Sample)
International Standard @ 6550
INTERNATIONAL ORGANIZATION FOR STANDARDIZATlON*ME~YHAPOLIHAfl OPrAHH3AUMfl Il0 CTAHAAFTH3AUHH.ORGANlSATlON INTERNATIONALE DE NORMALISATION
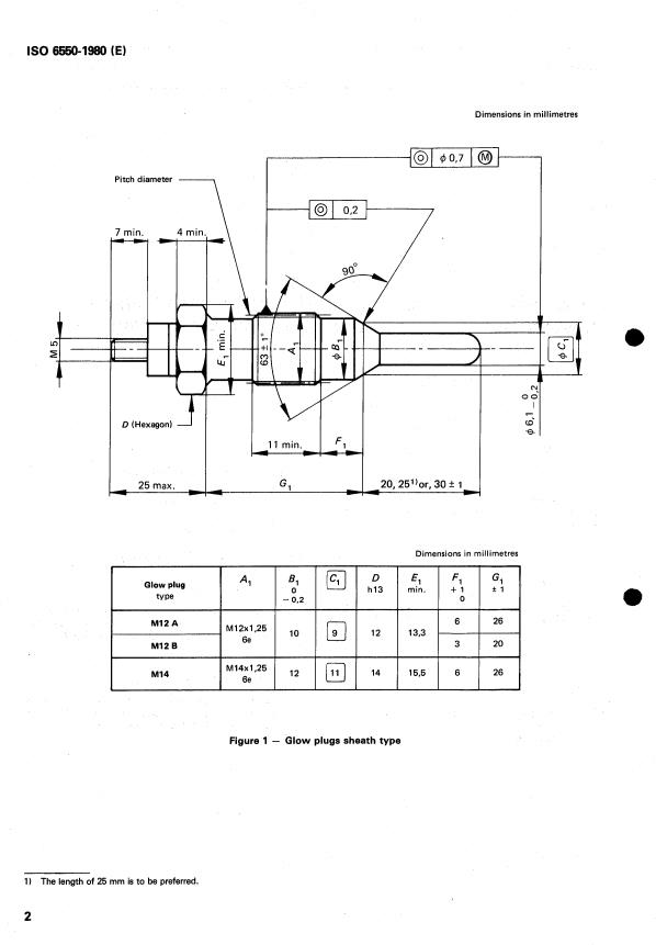
e Road vehicles - Glow plugs M 12x1,25 and M 14x1,25
sheath type and cylinder head housing dimensions
Véhicules routiers - Bougies de préchauffage M 72x1'25 et M 14x1,25 type à fourreau et dimensions des logements dans la
First edition - 1980-10-01
I
- UDC 621.43.045 Ref. No. IS0 6550-1980 (E)
Descriptors : road vehicles, diesel engines, ignition systems, spark plugs, preheating plugs, dimensions, dimensional tolerances.
Price based on 3 pages
Foreword
IS0 (the International Organization for Standardization) is a worldwide federation of
national standards institutes (IS0 member bodies). The work of developing Inter-
national Standards is carried out through IS0 technical committees. Every member
body interested in a subject for which a technical committee has been set up has the
right to be represented on that committee. International organizations, governmental
and non-governmental, in liaison with ISO, also take part in the work.
Draft International Standards adopted by the technical committees are circulated to
the member bodies for approval before their acceptance as International Standards by
the IS0 Council.
International Standard IS0 6550 was developed by Technical Committee ISO/TC 22,
Road vehicles, and was circulated to the member bodies in March 1979.
It has been approved by the member bodies of the following countries :
Australia Korea, Dem. P. Rep. of South Africa, Rep. of
Austria
Korea, Rep. of Spain
Belgium Libyan Arab Jamahiriya Sweden
Mexico Switzerland
Chile
Czechoslovakia Netherlands Turkey
Germany, F. R. New Zealand United Kingdom
Italy Poland USA
Japan Romania USSR
The member body of the following country expressed disapproval of the document on
technical grounds :
France
O International Organization for Standardization, 19110
Printed in Switzerland
INTERNAT
...
Norme internationale @ 6550
INTERNATIONAL ORGANIZATION FOR STANDARDIZATION*MEX,QYHAPO,QHAR OPïAHH3ALlMfl Il0 CTAHLlAPTH3AWlH.ORGANlSATlON INTERNATIONALE DE NORMALISATION
Véhicules routiers - Bougies de préchauffage M 12x1,25
et M 14x1,25 type à fourreau et dimensions des logements
dans la culasse
Road vehicles - Glow plugs M I2x1,25 and M 14x1,25 sheath type and cylinder head housing dimensions
Première édition - 1980-10-01
- CDU621.43.045 Réf. no : IS0 ô55û-1980 (FI
8 Descripteurs : véhicule routier, moteur diesel, système d'allumage, bougie d'allumage, bougie de préchauffage, dimension, tolérance de
dimension.
P
Prix basé sur 3 pages
s
Avant-propos
L'ISO (Organisation internationale de normalisation) est une fédération mondiale
d'organismes nationaux de normalisation (comités membres de I'lSOI. L'élaboration
des Normes internationales est confiée aux comités techniques de I'ISO. Chaque
comite membre intéressé par une étude a le droit de faire partie du comité technique
correspondant. Les organisations internationales, gouvernementales et non gouverne-
mentales, en liaison avec I'ISO, participent également aux travaux.
Les projets de Normes internationales adoptés par les comités techniques sont soumis
aux comités membres pour approbation, avant leur acceptation comme Normes inter-
nationales par le Conseil de I'ISO.
La Norme internationale IS0 6550 a été élaborée par le comité technique ISO/TC 22,
Véhicules routiers, et a été soumise aux comités membres en mars 1979.
Les comités membres des pays suivants l'ont approuvée :
Afrique du Sud, Rép. d'
Espagne Roumanie
Allemagne, R. F.
Italie
Royaume-Uni
Australie
Jamahiriya arabe libyenne Suède
Autriche
Japon
Suisse
Belgique
Mexique
Tchécoslovaquie
Chili
Nouvelle-Zélande Turquie
Corée, Rép. dém. p. de
Pays-Bas
URSS
Corée, Rép. de
Pologne
USA
Le comité membre du pays suivant l'a désapprouvée pour des raisons techniques :
France
0 Organisation internationale de normalisation, 1980 O
Imprimé en Suisse
NORM E I NTER NATIONALE IS0 6550-1980 (FI
Véhicules routiers - Bougies de préchauffage M 12x1,25
et M 14x1,25 type à fourreau et dimension
...








Questions, Comments and Discussion
Ask us and Technical Secretary will try to provide an answer. You can facilitate discussion about the standard in here.
Loading comments...