ISO 6150:1988
(Main)Pneumatic fluid power — Cylindrical quick-action couplings for maximum working pressures of 10 bar, 16 bar and 25 bar (1 MPa, 1,6 Mpa, and 2,5 MPa) — Plug connecting dimensions, specifications, application guidelines and testing
Pneumatic fluid power — Cylindrical quick-action couplings for maximum working pressures of 10 bar, 16 bar and 25 bar (1 MPa, 1,6 Mpa, and 2,5 MPa) — Plug connecting dimensions, specifications, application guidelines and testing
Lays down the dimensions and tolerances so as to ensure the interchangeability of pneumatic coupling plugs. Gives also specifications and guidelines, and specifies the tests to be applied to the plugs together with sockets. Applies only to the dimensional criteria of products; it does not apply to their functional characteristics.
Transmissions pneumatiques — Raccords rapides cylindriques pour pressions maximales d'utilisation 10 bar, 16 bar et 25 bar (1 MPa, 1,6 MPa et 2,5 MPa) — Dimensions de raccordement de la partie mâle, spécifications, conseils d'utilisation et essais
Fluidna tehnika - Pnevmatika - Hitre cevne spojke za največje delovne tlake 10 bar, 16 bar in 25 bar (1 MPa, 1,6 MPa in 2,5 MPa) - Mere vtičev, specifikacije, navodila za uporabo in preskušanje
General Information
- Status
- Withdrawn
- Publication Date
- 13-Apr-1988
- Withdrawal Date
- 13-Apr-1988
- Technical Committee
- ISO/TC 131/SC 4 - Connectors and similar products and components
- Drafting Committee
- ISO/TC 131/SC 4 - Connectors and similar products and components
- Current Stage
- 9599 - Withdrawal of International Standard
- Start Date
- 19-Dec-2018
- Completion Date
- 12-Feb-2026
Relations
- Effective Date
- 01-Apr-2017
ISO 6150:1988 - Pneumatic fluid power -- Cylindrical quick-action couplings for maximum working pressures of 10 bar, 16 bar and 25 bar (1 MPa, 1,6 Mpa, and 2,5 MPa) -- Plug connecting dimensions, specifications, application guidelines and testing
ISO 6150:1988 - Transmissions pneumatiques -- Raccords rapides cylindriques pour pressions maximales d'utilisation 10 bar, 16 bar et 25 bar (1 MPa, 1,6 MPa et 2,5 MPa) -- Dimensions de raccordement de la partie mâle, spécifications, conseils d'utilisation et essais
Get Certified
Connect with accredited certification bodies for this standard
Institut za varilstvo d.o.o. (Welding Institute)
Slovenia's leading welding institute since 1952. ISO 3834, EN 1090, pressure equipment certification, NDT personnel, welder qualification. Only IIW Au
Sponsored listings
Frequently Asked Questions
ISO 6150:1988 is a standard published by the International Organization for Standardization (ISO). Its full title is "Pneumatic fluid power — Cylindrical quick-action couplings for maximum working pressures of 10 bar, 16 bar and 25 bar (1 MPa, 1,6 Mpa, and 2,5 MPa) — Plug connecting dimensions, specifications, application guidelines and testing". This standard covers: Lays down the dimensions and tolerances so as to ensure the interchangeability of pneumatic coupling plugs. Gives also specifications and guidelines, and specifies the tests to be applied to the plugs together with sockets. Applies only to the dimensional criteria of products; it does not apply to their functional characteristics.
Lays down the dimensions and tolerances so as to ensure the interchangeability of pneumatic coupling plugs. Gives also specifications and guidelines, and specifies the tests to be applied to the plugs together with sockets. Applies only to the dimensional criteria of products; it does not apply to their functional characteristics.
ISO 6150:1988 is classified under the following ICS (International Classification for Standards) categories: 23.100.40 - Piping and couplings. The ICS classification helps identify the subject area and facilitates finding related standards.
ISO 6150:1988 has the following relationships with other standards: It is inter standard links to ISO 6150:2018. Understanding these relationships helps ensure you are using the most current and applicable version of the standard.
ISO 6150:1988 is available in PDF format for immediate download after purchase. The document can be added to your cart and obtained through the secure checkout process. Digital delivery ensures instant access to the complete standard document.
Standards Content (Sample)
SLOVENSKI STANDARD
01-februar-1997
)OXLGQDWHKQLND3QHYPDWLND+LWUHFHYQHVSRMNH]DQDMYHþMHGHORYQHWODNHEDU
EDULQEDU03D03DLQ03D0HUHYWLþHYVSHFLILNDFLMHQDYRGLOD]D
XSRUDERLQSUHVNXãDQMH
Pneumatic fluid power -- Cylindrical quick-action couplings for maximum working
pressures of 10 bar, 16 bar and 25 bar (1 MPa, 1,6 Mpa, and 2,5 MPa) -- Plug
connecting dimensions, specifications, application guidelines and testing
Transmissions pneumatiques -- Raccords rapides cylindriques pour pressions
maximales d'utilisation 10 bar, 16 bar et 25 bar (1 MPa, 1,6 MPa et 2,5 MPa) --
Dimensions de raccordement de la partie mâle, spécifications, conseils d'utilisation et
essais
Ta slovenski standard je istoveten z: ISO 6150:1988
ICS:
23.100.40 Cevna napeljava in sklopke Piping and couplings
2003-01.Slovenski inštitut za standardizacijo. Razmnoževanje celote ali delov tega standarda ni dovoljeno.
IS0
INTERNATIONAL STANDARD
First edition
INTERNATIONAL ORGANIZATION FOR STANDARDIZATION
ORGANISATION INTERNATIONALE DE NORMALISATION
MEXAYHAPOP,HAR OPTAHM3A~MR IlO CTAHfiAPTM3A~MM
Pneumatic fluid power - Cylindrical quick-action
couplings for maximum working pressures of 10 bar,
16 bar and 25 bar (1 MPa, I,6 MPa and 23 MPa) -
Plug connecting dimensions, specifications,
application guidelines and testing
Transmissions pneuma tiques - Raccords rapides cylindriques pour pressions maximales
d ’utilisation 10 bar, 16 bar et 25 bar (1 MPa, 1,6 MPa et 23 MPa) - Dimensions de
raccordemen t de la partie m#e, spkcifica tions, conseifs d ’utilisation et essais
Reference number
IS0 6150: 1988 (E)
IS0 6150 : 1988 (E)
Foreword
IS0 (the International Organization for Standardization) is a worldwide federation of
national standards .bodies (IS0 member bodies). The work of preparing International
Standards is normally carried out through IS0 technical committees. Each member
body interested in a subject for which a technical committee has been established has
the right to be represented on that committee. International organizations, govern-
mental and non-governmental, in liaison with ISO, also take part in the work. IS0
collaborates closely with the International Electrotechnical Commission (IEC) on all
matters of electrotechnical standardization.
Draft International Standards adopted by the technical committees are circulated to
the member bodies for approval before their acceptance as International Standards by
the IS0 Council. They are approved in accordance with IS0 procedures requiring at
least 75 % approval by the member bodies voting.
International Standard IS0 6150 was prepared by Technical Committee ISO/TC 131,
Fluid power systems.
Users should note that all International Standards undergo revision from time to time
and that any reference made herein to any other International Standard implies its
latest edition, unless otherwise stated.
0 International Organization for Standardization, 1988
Printed in Switzerland
INTERNATIONAL STANDARD
IS0 6150 : 1988 (E)
Pneumatic fluid power - Cylindrical quick-action
couplings for maximum working pressures of 10 bar,
16 bar and 25 bar (1 MPa, I,6 MPa and 2,5 MPa) -
Plug connecting dimensions, specifications,
application guidelines and testing
IS0 4399, Fluid power systems and components - Connectors
0 Introduction
and associated components - Nominal pressures.
In pneumatic fluid power systems, power is transmitted and
IS0 4414, Pneumatic fluid power - Recommendations for the
controlled through gas under pressure within a circuit.
application of equipment to transmission and control systems.
Quick-action couplings are used to join or separate fluid con-
IS0 5598, Fluid power systems and components -
ducting lines quickly without the use of tools or special devices.
Vocabulary.
1 Scope and field of application
3 Definitions
This International Standard lays down the dimensions and
For the purposes of this International Standard, the definitions
tolerances so as to ensure the interchangeability of pneumatic
given in IS0 5598 and the following definition apply.
quick-action coupling plugs. It also lays down specifications
and application guidelines, and specifies the tests to be applied
maximum working pressure: The maximum pressure at the
to the plugs together with sockets.
coupling in a system.
NOTE - The construction and dimensions of sockets are left to the
manufacturer ’s option.
4 Dimensions and tolerances
This International Standard applies to cylindrical quick-action
couplings for maximum working pressures of 10 bar ’), 16 bar
4.1 Cylindrical quick-action couplings for pneumatic fluid
and 25 bar (1 MPa, 1,6 MPa and 2,5 MPa) for use in pneumatic
power systems are classified according to their maximum
fluid power systems.
working pressure into the following three different series:
NOTE - Quick-action couplings with shut-off valves for equipment for
- Series A: Cylindrical quick-action couplings for a maxi-
welding, cutting and related processes are covered by IS0 7289,
mum working pressure of 10 bar (1 MPa).
Quick-action couplings with shut-off valve for welding, cutting and
allied processes. 2)
- Series B : Cylindrical quick-action couplings for a maxi-
mum working pressure of 16 bar (1,6 MPa).
This International Standard applies only to the dimensional
criteria of products manufactured in accordance with this Inter-
- Series C: Cylindrical quick-action couplings for a maxi-
national Standard. It does not apply to their functional
mum working pressure of 25 bar (2,5 MPa).
characteristics.
4.2 Tables 1 to 3 and figures 1 to 3 are only concerned with
the dimensions and tolerances of the plug. The socket is left to
2 References
the manufacturer ’s option; the same condition applies to the
IS0 3768, Metallic coatings - Neutral salt spray test (NSS plug end for connection to either a component, or a pipe or
hose.
test).
1)
1 bar = 0,l MPa = 105 Pa; 1 Pa = 1 N/m*
2) At present at the stage of draft.
IS0 6150 : 1988 (E)
4.2.1 The dimensions and tolerances for plugs on series A cylindrical quick-action couplings are shown in figure 1 and given in
table 1.
Figure 1 - Plug for 10 bar (1 MPa) maximum working pressure (series A)
Table 1 - Dimensions for plug for 10 bar (1 MPa) maximum working pressure (series A)
Dimensions in millimetres
d43’
Nominal dl
d2 d3 d5 I1 12 13 I4
diameter
hll
dll min.
+ $2
0,2 to 0,3
6 4,5 6 4,5 11 33 16 7 +;,2 3 +$15 0,5
10 8 10 8 15 7 20
13 11 13 11 18 10 21
15 13 15 13 20 12 24 8 I 5+f3 5 t 5+y 1 0,3 to 0,5
18 16 18 16 23 15 27
1) Inside diameter as large as possible.
2) The distance between the shoulder of the plug and the end surface of the socket, when connected, shall not exceed 1 mm.
3) Minimum actual diameter.
IS0 6150 : 1988 (E)
4.2.2 The dimensions and tolerances for plugs on series B cylindrical quick-action couplings are shown in figure 2 and given in
table 2.
Figure 2 - Plug for 16 bar (I,6 MPa) maximum working pressure (series B)
Table 2 - Dimensions for plug for 16 bar (It,6 MPa) maximum working pressure (series B)
Dimensions in millimetres
r
dl d2 d3 d6 4
Nominal I5 I6 17
-0,l -0,l -0,05 -0,l
diameter
min. :;$j
zg; z ;I;: “f;;
-0,z -0,z -0,15 -0,z
t I I I
1) Inside diameter as large as possible; break corner at 0,5 mm max. Test that the flow characteristics of the male part provide sufficient air flow and
strength at the male part.
2) The distance between the shoulder of the plug and the end surface of the socket, when connected, shall not exceed 1 mm.
IS0 6150 : 1988 (I3
4.2.3 The dimensions and tolerances for plugs on series C cylindrical quick-action couplings are shown in figure 3 and given in
table 3.
Dimensions in millimetres
R0,25
Figure 3 - Plug for 25 bar (2,5 MPa) maximum working pressure (series C)
- Dimensions for plug for 25 bar (2,5 MPa) maximum working pressure (series C)
Table 3
-. - ___.
Dimensions in millimetres
11 12 13 l4 r
Nominal dl d2 d3
diameter f8 jsll f0,15 min. +0,1 JS13 fO,l max.
7,5 25 10 4,5 OJ 0,3
8 5 74 5
0,75
9,7 7,4 10 27,5 12 7
IO 7,5
17 93 1,5 1
14 11 13,7 11 14 36,5
16,7 14 17 41 18 12,5 2
17 14
2,5 2
26,7 23 27 61 27 16
27 23
1) Inside diameter as large as possible.
2) The distance between the shoulder of the plug and the end surface of the socket, when connected, shall not exceed 1 mm.
IS0 6150 : 1988 E)
64 . Corrosion protection
5 Designation
plug shall meet the requirements for
The designation for a quick-action coupling in accordance with The quick-action coupling
the tests described in 8.4.
this International Standard shall include, in the order given, the
following information :
a) identity block, i.e. the word “Coupling ”;
6.5 Number of couplings and uncouplings
b) the reference to this International Standard;
After completing 5 000 coupling and uncoupling cycles at
maximum working pressure, quick-action couplings shall still
c) the letter standing for the series of coupling (i.e. A, B
meet the requirements specified by the manufacturer.
or C);
d) the nominal diameter.
Example: 6.6 Test pressures
A cylindrical quick-action coupling for maximum working
6.6.1 Quick-action couplings shall be usable after they have
pressure of 16 bar (1,6 MPa), i.e. series B, and having a
been subjected to a pressure test, as described in 8.3, at
nominal diameter of 15 mm shall be designated as follows:
1,5 times the maximum working pressure.
Coupling IS0 6150- B - 15
6.62 Quick-action couplings shall be designed to withstand
four times the maximum working pressure.
6 Requirements
. Tests at extreme working temperatures
6.1 Material
6.7.1 Subject couplings, in accordance. with the procedure
described in 8.6.4, to the manufacturer ’s recommended con-
The choice of the material is left to the discretion of the
stant extreme operating temperatures in both positions,
manufacturer who shall take account of the intended applica-
coupled and uncoupled,
tion.
- for 6 h at maximum working temperature, in each posi-
tion ;
6.2 Hardness
minimum
- for 4 h at temperature, in each posi-
w
The plug shall have a hardness suitable for applications as
tion.
recommended by the manufacturer.
6.72 Record any signs of leakage, deformation or mal-
function.
6.3 Surface finish
The surface finish of the plug shall be left to the manufacturer ’s
option, but the surface roughness, R,, of the sealing surface as
6.8 Limit
...
IS0
INTERNATIONAL STANDARD
First edition
INTERNATIONAL ORGANIZATION FOR STANDARDIZATION
ORGANISATION INTERNATIONALE DE NORMALISATION
MEXAYHAPOP,HAR OPTAHM3A~MR IlO CTAHfiAPTM3A~MM
Pneumatic fluid power - Cylindrical quick-action
couplings for maximum working pressures of 10 bar,
16 bar and 25 bar (1 MPa, I,6 MPa and 23 MPa) -
Plug connecting dimensions, specifications,
application guidelines and testing
Transmissions pneuma tiques - Raccords rapides cylindriques pour pressions maximales
d ’utilisation 10 bar, 16 bar et 25 bar (1 MPa, 1,6 MPa et 23 MPa) - Dimensions de
raccordemen t de la partie m#e, spkcifica tions, conseifs d ’utilisation et essais
Reference number
IS0 6150: 1988 (E)
IS0 6150 : 1988 (E)
Foreword
IS0 (the International Organization for Standardization) is a worldwide federation of
national standards .bodies (IS0 member bodies). The work of preparing International
Standards is normally carried out through IS0 technical committees. Each member
body interested in a subject for which a technical committee has been established has
the right to be represented on that committee. International organizations, govern-
mental and non-governmental, in liaison with ISO, also take part in the work. IS0
collaborates closely with the International Electrotechnical Commission (IEC) on all
matters of electrotechnical standardization.
Draft International Standards adopted by the technical committees are circulated to
the member bodies for approval before their acceptance as International Standards by
the IS0 Council. They are approved in accordance with IS0 procedures requiring at
least 75 % approval by the member bodies voting.
International Standard IS0 6150 was prepared by Technical Committee ISO/TC 131,
Fluid power systems.
Users should note that all International Standards undergo revision from time to time
and that any reference made herein to any other International Standard implies its
latest edition, unless otherwise stated.
0 International Organization for Standardization, 1988
Printed in Switzerland
INTERNATIONAL STANDARD
IS0 6150 : 1988 (E)
Pneumatic fluid power - Cylindrical quick-action
couplings for maximum working pressures of 10 bar,
16 bar and 25 bar (1 MPa, I,6 MPa and 2,5 MPa) -
Plug connecting dimensions, specifications,
application guidelines and testing
IS0 4399, Fluid power systems and components - Connectors
0 Introduction
and associated components - Nominal pressures.
In pneumatic fluid power systems, power is transmitted and
IS0 4414, Pneumatic fluid power - Recommendations for the
controlled through gas under pressure within a circuit.
application of equipment to transmission and control systems.
Quick-action couplings are used to join or separate fluid con-
IS0 5598, Fluid power systems and components -
ducting lines quickly without the use of tools or special devices.
Vocabulary.
1 Scope and field of application
3 Definitions
This International Standard lays down the dimensions and
For the purposes of this International Standard, the definitions
tolerances so as to ensure the interchangeability of pneumatic
given in IS0 5598 and the following definition apply.
quick-action coupling plugs. It also lays down specifications
and application guidelines, and specifies the tests to be applied
maximum working pressure: The maximum pressure at the
to the plugs together with sockets.
coupling in a system.
NOTE - The construction and dimensions of sockets are left to the
manufacturer ’s option.
4 Dimensions and tolerances
This International Standard applies to cylindrical quick-action
couplings for maximum working pressures of 10 bar ’), 16 bar
4.1 Cylindrical quick-action couplings for pneumatic fluid
and 25 bar (1 MPa, 1,6 MPa and 2,5 MPa) for use in pneumatic
power systems are classified according to their maximum
fluid power systems.
working pressure into the following three different series:
NOTE - Quick-action couplings with shut-off valves for equipment for
- Series A: Cylindrical quick-action couplings for a maxi-
welding, cutting and related processes are covered by IS0 7289,
mum working pressure of 10 bar (1 MPa).
Quick-action couplings with shut-off valve for welding, cutting and
allied processes. 2)
- Series B : Cylindrical quick-action couplings for a maxi-
mum working pressure of 16 bar (1,6 MPa).
This International Standard applies only to the dimensional
criteria of products manufactured in accordance with this Inter-
- Series C: Cylindrical quick-action couplings for a maxi-
national Standard. It does not apply to their functional
mum working pressure of 25 bar (2,5 MPa).
characteristics.
4.2 Tables 1 to 3 and figures 1 to 3 are only concerned with
the dimensions and tolerances of the plug. The socket is left to
2 References
the manufacturer ’s option; the same condition applies to the
IS0 3768, Metallic coatings - Neutral salt spray test (NSS plug end for connection to either a component, or a pipe or
hose.
test).
1)
1 bar = 0,l MPa = 105 Pa; 1 Pa = 1 N/m*
2) At present at the stage of draft.
IS0 6150 : 1988 (E)
4.2.1 The dimensions and tolerances for plugs on series A cylindrical quick-action couplings are shown in figure 1 and given in
table 1.
Figure 1 - Plug for 10 bar (1 MPa) maximum working pressure (series A)
Table 1 - Dimensions for plug for 10 bar (1 MPa) maximum working pressure (series A)
Dimensions in millimetres
d43’
Nominal dl
d2 d3 d5 I1 12 13 I4
diameter
hll
dll min.
+ $2
0,2 to 0,3
6 4,5 6 4,5 11 33 16 7 +;,2 3 +$15 0,5
10 8 10 8 15 7 20
13 11 13 11 18 10 21
15 13 15 13 20 12 24 8 I 5+f3 5 t 5+y 1 0,3 to 0,5
18 16 18 16 23 15 27
1) Inside diameter as large as possible.
2) The distance between the shoulder of the plug and the end surface of the socket, when connected, shall not exceed 1 mm.
3) Minimum actual diameter.
IS0 6150 : 1988 (E)
4.2.2 The dimensions and tolerances for plugs on series B cylindrical quick-action couplings are shown in figure 2 and given in
table 2.
Figure 2 - Plug for 16 bar (I,6 MPa) maximum working pressure (series B)
Table 2 - Dimensions for plug for 16 bar (It,6 MPa) maximum working pressure (series B)
Dimensions in millimetres
r
dl d2 d3 d6 4
Nominal I5 I6 17
-0,l -0,l -0,05 -0,l
diameter
min. :;$j
zg; z ;I;: “f;;
-0,z -0,z -0,15 -0,z
t I I I
1) Inside diameter as large as possible; break corner at 0,5 mm max. Test that the flow characteristics of the male part provide sufficient air flow and
strength at the male part.
2) The distance between the shoulder of the plug and the end surface of the socket, when connected, shall not exceed 1 mm.
IS0 6150 : 1988 (I3
4.2.3 The dimensions and tolerances for plugs on series C cylindrical quick-action couplings are shown in figure 3 and given in
table 3.
Dimensions in millimetres
R0,25
Figure 3 - Plug for 25 bar (2,5 MPa) maximum working pressure (series C)
- Dimensions for plug for 25 bar (2,5 MPa) maximum working pressure (series C)
Table 3
-. - ___.
Dimensions in millimetres
11 12 13 l4 r
Nominal dl d2 d3
diameter f8 jsll f0,15 min. +0,1 JS13 fO,l max.
7,5 25 10 4,5 OJ 0,3
8 5 74 5
0,75
9,7 7,4 10 27,5 12 7
IO 7,5
17 93 1,5 1
14 11 13,7 11 14 36,5
16,7 14 17 41 18 12,5 2
17 14
2,5 2
26,7 23 27 61 27 16
27 23
1) Inside diameter as large as possible.
2) The distance between the shoulder of the plug and the end surface of the socket, when connected, shall not exceed 1 mm.
IS0 6150 : 1988 E)
64 . Corrosion protection
5 Designation
plug shall meet the requirements for
The designation for a quick-action coupling in accordance with The quick-action coupling
the tests described in 8.4.
this International Standard shall include, in the order given, the
following information :
a) identity block, i.e. the word “Coupling ”;
6.5 Number of couplings and uncouplings
b) the reference to this International Standard;
After completing 5 000 coupling and uncoupling cycles at
maximum working pressure, quick-action couplings shall still
c) the letter standing for the series of coupling (i.e. A, B
meet the requirements specified by the manufacturer.
or C);
d) the nominal diameter.
Example: 6.6 Test pressures
A cylindrical quick-action coupling for maximum working
6.6.1 Quick-action couplings shall be usable after they have
pressure of 16 bar (1,6 MPa), i.e. series B, and having a
been subjected to a pressure test, as described in 8.3, at
nominal diameter of 15 mm shall be designated as follows:
1,5 times the maximum working pressure.
Coupling IS0 6150- B - 15
6.62 Quick-action couplings shall be designed to withstand
four times the maximum working pressure.
6 Requirements
. Tests at extreme working temperatures
6.1 Material
6.7.1 Subject couplings, in accordance. with the procedure
described in 8.6.4, to the manufacturer ’s recommended con-
The choice of the material is left to the discretion of the
stant extreme operating temperatures in both positions,
manufacturer who shall take account of the intended applica-
coupled and uncoupled,
tion.
- for 6 h at maximum working temperature, in each posi-
tion ;
6.2 Hardness
minimum
- for 4 h at temperature, in each posi-
w
The plug shall have a hardness suitable for applications as
tion.
recommended by the manufacturer.
6.72 Record any signs of leakage, deformation or mal-
function.
6.3 Surface finish
The surface finish of the plug shall be left to the manufacturer ’s
option, but the surface roughness, R,, of the sealing surface as
6.8 Limited rotation for self-alignment
defined in figure 4 shall be 3,2 pm max.
The male plug and female socket shall be such that, when sub-
NOTE -. The requirements for the surface finish of the coupling plug in
jected to maximum working pressure, the downstream hose or
contact with the seal are dependent on the application and the life-time
tool may rotate for alignment to prevent torque loading of the
requirements; any such requirements should be subject to agreement
hose or coupling.
between the manufacturer and user.
Sealing surface
Figure 4 - Definition of sealing surface
IS0 6150 : 1988 (E)
8.1 Acc
...
ISO
NORME INTERNATIONALE
Première édition
1988-04-15
INTERNATIONAL ORGANIZATION FOR STANDARDIZATION
ORGANISATION INTERNATIONALE DE NORMALISATION
MEXJJYHAPOflHAR OPTAHM3A~MR Il0 CTAHflAPTM3A~MM
Transmissions pneumatiques - Raccords rapides
cylindriques pour pressions maximales d’utilisation
10 bar, 16 bar et 25 bar (1 MPa, 1,6 MPa et 2,5 MPa) -
Dimensions de raccordement de la partie mâle,
spécifications, conseils d’utilisation et essais
Pneumatic fluid power -
C ylindrical quick-ac tion couplings for maximum working pressures
of 10 bar, 16 bar and 25 bar (1 MPa, 1,6 MPa and 2,5 MPa) - Plug connecting dimensions,
specifica tions, application guidelines and testing
Numéro de référence
ISO 6150: 1988 (F)
ISO 6150 : 1988 (FI
Avant-propos
L’ISO (Organisation internationale de normalisation) est une fédération mondiale
d’organismes nationaux de normalisation (comités membres de I’ISO). L’élaboration
des Normes internationales est en général confiée aux comités techniques de I’ISO.
Chaque comité membre intéressé par une étude a le droit de faire partie du comité
technique créé à cet effet. Les organisations internationales, gouvernementales et non
gouvernementales, en liaison avec I’ISO participent également aux travaux. L’ISO
collabore étroitement avec la Commission électronique internationale (CEI) en ce qui
concerne la normalisation électrotechnique.
Les projets de Normes internationales adoptés par les comités techniques sont soumis
aux comités membres pour approbation, avant leur acceptation comme Normes inter-
nationales par le Conseil de I’ISO. Les Normes internationales sont approuvées confor-
mément aux procédures de I’ISO qui requièrent l’approbation de 75 % au moins des
comités membres votants.
La Norme internationale ISO 6150 a été élaborée par le comité technique ISO/TC 131,
Transmissions hydrauliques et pneuma tiques.
L’attention des utilisateurs est attirée sur le fait que toutes les Normes internationales
sont de temps en temps soumises à révision et que toute référence faite à une autre
Norme internationale dans le présent document implique qu’il s’agit, sauf indication
contraire, de la dernière édition.
0 Organisation internationale de normalisation, 1988 0
Imprimé en Suisse
NORME INTERNATIONALE ISO 6150 : 1988 (F)
Transmissions pneumatiques - Raccords rapides
cylindriques pour pressions maximales d’utilisation
10 bar, 16 bar et 25 bar (1 MPa, 1,6 MPa et 2,5 MPa) -
Dimensions de raccordement de la partie mâle,
spécifications, conseils d’utilisation et essais
ISO 4399, Transmissions hydrauliques et pneumatiques - Rac-
0 Introduction
cords et éléments assoc& - Pressions nominales.
Dans les systèmes de transmissions pneumatiques, l’énergie
est transmise et commandée par un gaz sous pression circulant ISO 4414, Transmissions pneuma tiques - Règles générales
dans un circuit. pour l’installation et l’utilisation d’équipements dans les s ys tè-
mes de transmissions et de commandes.
Les raccords rapides sont utilisés pour réunir ou séparer rapide-
ment les tuyauteries contenant le fluide sans l’utilisation
ISO 5590, Transmissions hydrauliques et pneumatiques -
d’outils ou d’appareils spéciaux.
Vocabulaire.
1 Objet et domaine d’application
3 Définitions
La présente Norme internationale fixe les dimensions et les tolé-
Dans le cadre de la présente Norme internationale, les défini-
rances permettant d’assurer I’interchangeabilité de la partie
tions données dans I’ISO 5598 et la définition suivante sont
mâle des raccords rapides pour transmissions pneumatiques.
applicables.
Elle fixe également les spécifications et les conseils d’utilisation
ainsi que les essais à appliquer à la partie mâle en association
pression maximale d’utilisation : Pression maximale du cir-
avec la partie femelle.
cuit au niveau du raccord.
NOTE - La construction et les dimensions de la partie femelle sont
laissées à l’initiative du fabricant.
4 Dimensions et tolérances
La présente Norme internationale est applicable aux raccords
rapides cylindriques de pressions maximales d’utilisation 4.1 Les raccords rapides cylindriques pour transmissions
10 bar’), 16 bar et 25 bar (1 MPa, 1,6 MPa et 2,5 MPa) utilisés
pneumatiques sont classés en trois séries dépendant de la pres-
dans les transmissions pneumatiques. sion maximale d’utilisation. Ces trois séries sont les suivantes:
NOTE - Les raccords rapides à obturation pour équipements pour
- Série A: Raccords rapides cylindriques pour une pres-
soudage, coupage et techniques connexes font l’objet de I’ISO 7289,
sion maximale d’utilisation de 10 bar (1 MPa).
Raccords rapides à obturation pour équipements pour soudage, cou-
page et techniques connexes. 2)
- Série B: Raccords rapides cylindriques pour une pres-
sion maximale d’utilisation de 16 bar (1,6 MPa).
La présente Norme internationale s’applique uniquement aux
caractéristiques dimensionnelles des produits manufacturés en
- Série C: Raccords rapides cylindriques pour une pres-
conformité avec la présente Norme internationale. Elle ne
sion maximale d’utilisation de 25 bar (2,5 MPa).
s’applique pas à leurs caractéristiques fonctionnelles.
4.2 Les tableaux 1 à 3 et les figures 1 à 3 ne concernent que
les dimensions et tolérances de la partie mâle du raccord. La
2 Références
partie femelle du raccord est laissée à l’initiative du fabricant; il
ISO 3768, Revêtements métalliques - Essai au brouillard salin en est de même pour l’extrémité du raccord mâle devant être
fixée soit à un appareil, soit à une conduite rigide ou souple.
neutre (Essai MS).
1) 1 bar = 0,l MPa = 105 Pa; 1 Pa = 1 M/m2
2) Actuellement au stade de projet.
ISO 6150 : 1988 (FI
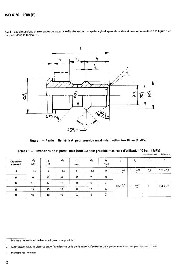
4.21 Les dimensions et tolérances de la partie mâle des raccords rapides cylindriques de la série A sont représentées à la figure 1 et
données dans le tableau 1.
Figure 1 - Partie mâle (série A) pour pression maximale d’utilisation 10 bar (1 MPa)
Tableau 1 - Dimensions de la partie mâle (série A) pour pression maximale d’utilisation 10 bar (1 MPa)
Dimensions en millimètres
-- *
Diamètre dl
d2 d3 d43’ r
d5 4 12
13 14
+0,2
nominal hll dl1
min.
6 4,5 6 4,5
11 33 16
7 +0,2 3 +0,15 0,5
0,2 à 0,3
---
10 8
10 8 15
7 20
13 11
13 11 18
10 21
’
- 8 5+;t3 5
, I ,+y 1 0,3 à 0,5
15 13
15 13 20
12 24
18 16 18
16 23 15
1) Diamètre de passage intérieur aussi grand que possible.
2) Après assemblage, la distance entre l’épaulement de la partie mâle et l’extrémité de la partie femelle ne doit pas dépasser 1 mm.
3) Diamètre réel minimal.
ISO 6150 : 1988 (FI
4.2.2 Les dimensions et tolérances de la partie mâle des raccords rapides cylindriques de la série B sont représentées à la figure 2 et
données dans le tableau 2.
Figure 2 - Partie mâle (série B) pour pression maximale d’utilisation 16 bar (1,6 MPa)
Tableau 2 - Dimensions de la partie mâle (série B) pour pression maximale d’utilisation 16 bar (1,6 MPa)
Dimensions en millimètres
Diamètre 4 d2 d3 d6 4 15 I6 /7 r
-0,l -0,l -0,l +O,lO +O,lO
nominal
1 $y; min. T# ‘-g;
-0,2 -0,2 I -0,2 -0,15 r I -0,15
7 4,55 65 4,45 7 20 5 8 2,5
I ----- 12 t ----- 82 t --~- 11 t ---- 79 -t -yi-23.6-5.4--+--~---t--~~]
Of4
15 1 11 14,4 I IL6 1 12,3 1 2,6 1 1
I I 15,2 I 26,1 1 7,65 1
14,7 1 2,8 1 0,4
14,4 I w3 I 14,3 I 343 1 935 I
I 17 I w I
20,55 1 23 20,45 1 23
I 23 I I 1 35 1 65 1 10,7 1 3 1 1
1) Diamétre de passage intérieur aussi grand que possible; angle cassé à 0,5 mm max. Vérifier que la partie mâle a des caractéristiques de débit suffi-
santes tout en conservant des caractéristiques mécaniques suffisantes.
2) Après assemblage, la distance entre l’épaulement de la partie mâle et l’extrémité de la partie femelle ne doit pas dépasser 1 mm.
ISO 6150 : 1988 (FI
4.2.3 Les dimensions et tolérances de la partie mâle des raccords rapides cylindriques de la série C sont représentées à la figure 3 et
données dans le tableau 3.
Dimensions en millimètres
Figure 3 - Partie mâle (série C) pour pression maximale d’utilisation 25 bar (2,5 MPa)
Tableau 3 - Dimensions de la partie mâle (série CI pour pression maximale d’utilisation 25 bar (2,5 MPa)
Dimensions en millimètres
Diamètre dl d2 d3 d6 11 12 (3 14 r
jsl 1
nominal f8 +0,15 f8 min. fO,l max.
JS13 fO,l
8 5 7,4 5 7,5 25 10 4,5 0,7 0,3
10 715 %7 73 10 27,5 12 7 0,75
14 11 l3,7 11 14 36,5 17 93 115 1
17 14 l6,7 14 17 41 18 12,5 2
27 23 26,7 23 27 61 27 16 2,5 2
1) Diamètre de passage intérieur aussi grand que possible.
2) Après assemblage, la distance entre l’épaulement de la partie mâle et l’extrémité de la partie femelle ne doit pas dépasser 1 mm.
ISO 6150 : 1988 (FI
5 Désignation 6.4 Protection contre la corrosion
aux essais
La partie mâle du raccord rapide doit satisfaire
La désignation d’un raccord rapide conforme à la présente
Norme internationale doit comporter, dans l’ordre, les indica- décrits en 8.4.
tions suivantes :
a) le mot «Raccord»;
6.5 Nombre d’accouplements et de
désaccouplements
b) la référence de la présente Norme internationale;
Après avoir accompli 5 000 cycles d’accouplements et de
c) l’indication de la série (c’est-à-dire A, B ou C);
désaccouplements à la pression maximale d’utilisation, le rac-
cord rapide doit toujours satisfaire aux spécifications données
d) le diamétre nominal;
par le constructeur.
Exemple:
6.6 Pression d’essai
Un raccord rapide cylindrique pour pression maximale d’utilisa-
tion 16 bar (1,6 MPa), c’est-à-dire de la série B, de diamètre
6.6.1 Les raccords rapides doivent être utilisables aprés avoir
nominal 15 mm doit être désigné comme suit:
subi un essai de pression à 1,5 fois la pression maximale d’utili-
sation comme décrit en 8.3.
Raccord ISO 6150-B-15
6.6.2 Le raccord rapide doit être concu pour supporter quatre
fois la pression maximale d’utilisation.
6 Spécifications
6.1 Matériau 6.7 Essais aux températures limites d’utilisation
Le choix des matériaux est laisse au fabricant qui doit tenir
6.7.1 Soumettre, en utilisant la procédure décrite en 8.6.4, le
compte de l’utilisation envisagée.
raccord aux températures limites de fonctionnement continu
recommandées par le fabricant, dans les deux positions, accou-
plée et désaccouplée,
6.2 Dureté
-
pendant 6 h à la température maximale d’utilisation,
La partie mâle du raccord rapide doit posséder une dureté
dans chaque position;
superficielle convenant pour les applications recommandées
par le fabricant. -
pendant 4 h à la température minimale d’utilisation,
dans chaque position.
6.3 État de surface
6.7.2 Ensuite, vérifier l’absence de fuites, de déformations ou
vices de fonctionnement.
L’état de surface de la partie mâle est laisse à l’initiative du
fabricant; toutefois la rugosité de surface, R,, de la surface
d’étanchéité définie par la figure 4 doit être de 3,2 vrn max.
6.8 Rotation limitée pour auto-alignement
NOTE - Les exigences concernant l’état de surface de la partie mâle
Les parties mâle et femelle doivent être telles que, sous la pres-
du raccord rapide en contact avec les joints dépendent de l’utilisation
sion de travail maximale, le tuyau ou l’outil aval puisse pivoter
et des exigences de durée de vie; elles doivent faire l’objet d’un accord
entre le fabricant et l’utilisateur. pour éviter un effort de rotation sur le flexible ou le raccord.
Surface d’étanchéité
L
Figure 4 - Définition de la surface d’étanchéité
ISO 6150 : 1988 (FI
6.9 Rigidité de structure
8.1 Précision des instruments et équipements
d’essai
Les raccords rapides accouplés doivent
Sélectionner, régler et maintenir la précision des équipements
a) résister à une force radiale de 2 200 N;
et instruments d’essai dans les limites du tableau 4.
b) résister à une force axiale de 2 200 N.
Tableau 4 - Précision des équipements et instruments
d’essais
Pour les raccords fabriqués en matériaux plast
...












Questions, Comments and Discussion
Ask us and Technical Secretary will try to provide an answer. You can facilitate discussion about the standard in here.
Loading comments...