ISO 2492:1974
(Main)Thin taper keys with or without gib head and their corresponding keyways (Dimensions in millimetres)
Thin taper keys with or without gib head and their corresponding keyways (Dimensions in millimetres)
Also specifies the material of the keys, gives the relation which should be observed between the diameter of shaft and the section of key, and is of general application for cylindrical shaft ends. It is recommended that the values given be adhered to even for special applications. For normal taper keys and corresponding keyways refer to ISO/R 774.
Clavetage par clavettes inclinées minces, avec ou sans talon (Dimensions en millimètres)
Ploske zagozde, zagozde z brado in utori za zagozde
General Information
- Status
- Withdrawn
- Publication Date
- 31-Jul-1974
- Withdrawal Date
- 31-Jul-1974
- Technical Committee
- ISO/TC 14 - Shafts for machinery and accessories
- Drafting Committee
- ISO/TC 14 - Shafts for machinery and accessories
- Current Stage
- 9599 - Withdrawal of International Standard
- Start Date
- 23-Jun-2006
- Completion Date
- 12-Feb-2026
ISO 2492:1974 - Thin taper keys with or without gib head and their corresponding keyways (Dimensions in millimetres)
ISO 2492:1974 - Clavetage par clavettes inclinées minces, avec ou sans talon (Dimensions en millimetres)
ISO 2492:1974 - Clavetage par clavettes inclinées minces, avec ou sans talon (Dimensions en millimetres)
Frequently Asked Questions
ISO 2492:1974 is a standard published by the International Organization for Standardization (ISO). Its full title is "Thin taper keys with or without gib head and their corresponding keyways (Dimensions in millimetres)". This standard covers: Also specifies the material of the keys, gives the relation which should be observed between the diameter of shaft and the section of key, and is of general application for cylindrical shaft ends. It is recommended that the values given be adhered to even for special applications. For normal taper keys and corresponding keyways refer to ISO/R 774.
Also specifies the material of the keys, gives the relation which should be observed between the diameter of shaft and the section of key, and is of general application for cylindrical shaft ends. It is recommended that the values given be adhered to even for special applications. For normal taper keys and corresponding keyways refer to ISO/R 774.
ISO 2492:1974 is classified under the following ICS (International Classification for Standards) categories: 21.120.30 - Keys and keyways, splines. The ICS classification helps identify the subject area and facilitates finding related standards.
ISO 2492:1974 is available in PDF format for immediate download after purchase. The document can be added to your cart and obtained through the secure checkout process. Digital delivery ensures instant access to the complete standard document.
Standards Content (Sample)
SLOVENSKI STANDARD
01-april-1996
Ploske zagozde, zagozde z brado in utori za zagozde
Thin taper keys with or without gib head and their corresponding keyways (Dimensions in
millimetres)
Clavetage par clavettes inclinées minces, avec ou sans talon (Dimensions en
millimètres)
Ta slovenski standard je istoveten z: ISO 2492:1974
ICS:
21.120.30 Mozniki, utori za moznike, Keys and keyways, splines
razcepke
2003-01.Slovenski inštitut za standardizacijo. Razmnoževanje celote ali delov tega standarda ni dovoljeno.
INTERNATIONAL STANDARD.
INTERNATIONAL ORGANIZATION FOR STANDARDIZATION l MEXAYHAPOAHAII OPI-AHM3AWA l-IO CTAHAAPTM3ALW4 -ORGANISATION INTERNATIONALE DE NORMALISATION
Thin taper keys with or without gib head and their
corresponding keyways (Dimensions in millimetres)
Clavetage par clavettes inclin6es minces, avec ou sans talon (Dimensions en millimtitres)
First edition - 1974-08-15
UDC 621.886.6 : 621.824.44
Ref. No. ISO 2492-1974 (E)
Descriptors : fasteners, cotter Pins, dimensions, specifications.
Price based on 3 pages
FOREWORD
ISO (the International Organization for Standardization) is a worldwide federation
of national Standards institutes (ISO Member Bodies). The work of developing
International Standards is carried out through ISO Technical Committees. Every
Member Body interested in a subject for which a Technical Committee has been set
up has the right to be represented on that Committee. International organizations,
governmental and non-governmental, in liaison with ISO, also take part in the work.
Draft International Standards adopted by the Technical Committees are circulated
to the Member Bodies for approval before their acceptance as International
Standards by the ISO Council.
International Standard ISO 2492 was drawn up by Technical Committee lSO/TC
16, Keys andkeyways, and circulated to the Member Bodies in August 1971.
lt has been approved by the Member Bodies sf the following countries :
Austria India Spain
Belgium Japan Sweden
Canada Netherlands Switzerland
Czechoslovakia New Zealand United Kingdom
Egypt, Arab Rep. of Norway U.S.S.R.
France
Romania
Germany South Africa, Rep. of
No Member Body expressed disapproval of the document.
0 international Organization for Standardization, 1974 l
Printed in Switzerland
ISO 2492=1974(E)
INTERNATIONAL STANDARD
Thin taper keys with or without gib head and their
corresponding keyways (Dimensions in millimetres)
1 SCOPE
This International Standard specifies the dimensional characteristics of thin taper keys with or without gib head and of their
corresponding flat or keyway in shaft and hub.
lt also specifies the material of these keys and gives the relation which should be observed between the diameter of shaft and
the section of key.
2 FIELD OF APPLICATION
This International Standard is of general application for cylindrical shaft ends. lt is recommended that the values given be
adhered to even for special applications.
This kind of key is suitable for special applications, for example for keying in thin Walls. For normal cases and when required
because of the forces to be transmitted, the normal taper keys and corresponding keyways in accordance with ISO/R 774 are
to be used.
ISO 2492=1974(E)
3 SHAPES, DIMENSIONS AND TOLERA
...
INTERNATIONAL STANDARD.
INTERNATIONAL ORGANIZATION FOR STANDARDIZATION l MEXAYHAPOAHAII OPI-AHM3AWA l-IO CTAHAAPTM3ALW4 -ORGANISATION INTERNATIONALE DE NORMALISATION
Thin taper keys with or without gib head and their
corresponding keyways (Dimensions in millimetres)
Clavetage par clavettes inclin6es minces, avec ou sans talon (Dimensions en millimtitres)
First edition - 1974-08-15
UDC 621.886.6 : 621.824.44
Ref. No. ISO 2492-1974 (E)
Descriptors : fasteners, cotter Pins, dimensions, specifications.
Price based on 3 pages
FOREWORD
ISO (the International Organization for Standardization) is a worldwide federation
of national Standards institutes (ISO Member Bodies). The work of developing
International Standards is carried out through ISO Technical Committees. Every
Member Body interested in a subject for which a Technical Committee has been set
up has the right to be represented on that Committee. International organizations,
governmental and non-governmental, in liaison with ISO, also take part in the work.
Draft International Standards adopted by the Technical Committees are circulated
to the Member Bodies for approval before their acceptance as International
Standards by the ISO Council.
International Standard ISO 2492 was drawn up by Technical Committee lSO/TC
16, Keys andkeyways, and circulated to the Member Bodies in August 1971.
lt has been approved by the Member Bodies sf the following countries :
Austria India Spain
Belgium Japan Sweden
Canada Netherlands Switzerland
Czechoslovakia New Zealand United Kingdom
Egypt, Arab Rep. of Norway U.S.S.R.
France
Romania
Germany South Africa, Rep. of
No Member Body expressed disapproval of the document.
0 international Organization for Standardization, 1974 l
Printed in Switzerland
ISO 2492=1974(E)
INTERNATIONAL STANDARD
Thin taper keys with or without gib head and their
corresponding keyways (Dimensions in millimetres)
1 SCOPE
This International Standard specifies the dimensional characteristics of thin taper keys with or without gib head and of their
corresponding flat or keyway in shaft and hub.
lt also specifies the material of these keys and gives the relation which should be observed between the diameter of shaft and
the section of key.
2 FIELD OF APPLICATION
This International Standard is of general application for cylindrical shaft ends. lt is recommended that the values given be
adhered to even for special applications.
This kind of key is suitable for special applications, for example for keying in thin Walls. For normal cases and when required
because of the forces to be transmitted, the normal taper keys and corresponding keyways in accordance with ISO/R 774 are
to be used.
ISO 2492=1974(E)
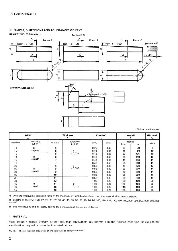
3 SHAPES, DIMENSIONS AND TOLERANCES OF KEYS
KEYS WITHOUT GIB HEAD
Section X-X
Form C
Form B
Taper 1 : 100 Section X-X
Taper 1 : 100
,
I
b
t
I 9
c
-c
1 b
L 0 1 4
x * X
-4
/
KEY WITH GIB HEAD
Values in millimetres
Thickness Chamferl ) Length*) Gib head
Width
h S /
b
hl
tolerante
tolerante Range
nominal min. max.
nominal nom.
hg3) hl1 3) from to
8 0 5 0,25 0,40 20 70 8
6 0 0,40 0,60 25 90 10
10 - 0,036
12 6 - 0,075 0,40 0,60 32 125
6 0,40 0,60 36 140 IO
14 0
7 0,40 0,60 45 180 11
16 - 0,043
7 0,40 0,60
...
NORME INTERNATIONALE 2492
INTERNATIONAL ORGANIZATION FOR STANDARDIZATION aMEYnYHAPOnHAR OPrAHM3AUMR no CTAHnAPTM3AUMM.ORGANISATION INTERNATIONALE DE NORMALISATION
Clavetage par clavettes inclinées minces, avec ou sans talon
(Dimensions en millimètres)
Thin taper keys with or without gib head and their corresponding keyways (Dimensions in millimetres)
Première édition - 1974-08-15
CDU 621.886.6 : 621.824.44
Réf. NO : IS0 2492-1974 (F)
Descripteurs : element de fixation, clavette, dimension, specification
Prix base sur 3 pages
AVANT-PR OPOS
L‘ISO (Organisation Internationale de Normalisation) est une fédération mondiale
d’organismes nationaux de normalisation (Comités Membres ISO). L‘élaboration de
Normes Internationales est confiée aux Comités Techniques ISO. Chaque Comité
a le droit de faire partie du Comité Technique
Membre intéressé par une étude
correspondant. Les organisations internationales, gouvernementales et non
gouvernementales, en liaison avec I’ISO, participent également aux travaux.
Les Projets de Normes Internationales adoptés par les Comités Techniques sont
soumis aux Comités Membres pour approbation, avant leur acceptation comme
Normes Internationales par le Conseil de I’ISO.
La Norme Internationale IS0 2492 a été établie par le Comité Technique ISO/TC
16, Claverages, et soumise aux Comités Membres en août 1971.
Elle a été approuvée par les Comités Membres des pays suivants :
Afrique du Sud, Rép. d‘ France Royaume-Uni
Allemagne Inde Suède
Autriche Japon Suisse
Belgique Norvège Tchécoslovaquie
Canada Nouvelle-Zélande U.R.S.S.
Egypte, Rép. arabe d’ Pays-Bas
Espagne Roumanie
Aucun Comité Membre n’a désapprouvé le document.
O Organisation Internationale de Normalisation, 1974 0
Imprime en Suisse
IS0 2492-1974(F)
NORM E INTER NAT1 ON ALE
Clavetage par clavettes inclinées minces, avec ou sans talon
(Dimensions en millimètres)
1 OBJET
La présente Norme Internationale fixe les caractéristiques dimensionnelles des clavettes inclinées minces, avec ou sans talon,
des plats et des rainures correspondants dans l‘arbre et le moyeu.
Elle spécifie la matière de ces clavettes et donne la relation à respecter entre le diamètre d’arbre et la section de clavette.
2 DOMAINE D‘APPLICATION
La présente Norme Internationale est d’application générale pour les bouts d’arbre cylindriques. II est recommandé de ne pas
s’écarter des valeurs qui y sont données même lors d’applications particulières.
Ce type de clavette convient pour des cas particuliers d‘utilisation, par exemple pour le clavetage en parois minces. Pour les
cas normaux et lorsque les forces a transmettre l‘exigent, il convient d’utiliser le clavetage par clavettes inclinées ordinaires
suivant I’ISO/R 774.
I
IS0 2492-1974(F)
3 FORMES, DIMENSIONS ET TOLERANCES DES CLAVETTES
CLAVETTES SANS TALON
Forme B
Section X-X
Pente 1 : 100
CLAVETTE 6 TALON
-E: Pente 1 : 1 O0
e
Valeurs en millimetres
Largeur Hauteur Chanfrein' I Longueur2) Talon
/
hl
Domaine courant
to I éran ce
nominale min. m ax d'util isation nom.
nominale
h9 3,
de I à
20 70 8
0,25 0.40
- 0,036
0,60 25
O 1 0.40
1 90
6 - 0,075 0.40
...
NORME INTERNATIONALE 2492
~ ~~ ~___
INTERNATIONAL ORGANIZATION FOR STANDARDIZATION .MEXL(YHAPOLlHAR OPrAHM3AUMR Il0 CTAHnAPTM3AUHM .ORGANISATION INTERNATIONALE DE NDRMALISATION
Clavetage par clavettes inclinées minces, avec ou sans talon
(Dimensions en millimètres)
Thin taper keys with or without gib head and their corresponding keyways (Dimensions in millimetres)
Première édition - 1974-08-15
CDU 621.886.6 : 621.824.44 Réf. NO : IS0 2492-1974 (F)
Descripteurs : element de fixation, clavette, dimension, spécification.
O)
N P
Prix basé sur 3 pages
AVANT-PROPOS
L'ISO (Organisation internationale de Normalisation) est une fédération mondiale
d'organismes nationaux de normalisation (Comités Membres ISO). L'élaboration de
Normes Internationales est confiée aux Comités Techniques ISO. Chaque Comité
Membre intéressé par une étude a le droit de faire partie du Comité Technique
correspondant. Les organisations internationales, gouvernementales et non
gouvernementales, en liaison avec I'ISO, participent également aux travaux.
Les Projets de Normes Internationales adoptés par les Comités Techniques sont
soumis aux Comités Membres pour approbation, avant leur acceptation comme
Normes Internationales par le Conseil de l'lS0.
La Norme Internationale IS0 2492 a été établie par le Comité Technique lSO/TC
16, Clavetages, et soumise aux Comités Membres en août 1971.
Elle a été approuvée par les Comités Membres des pays suivants :
Afrique du Sud, Rép. d' France Royaume- U ni
Allemagne Inde Suède
Autriche
Japon Suisse
Belgique Norvège Tchécoslovaquie
U.R.S.S.
Canada Nouvelle-Zélande
Egypte, Rép. arabe d' Pays-Bas
Espagne Roumanie
Aucun Comité Membre n'a désapprouvé le document.
O Or!pnisation Internationale de Normalisation, 1974 0
imprime en Suisse
IS0 2492-1974(F)
NORME INTER NAT1 ON ALE
Clavetage par clavettes inclinées minces, avec ou sans talon
(Dimensions en millimètres)
1 OBJET
La présente Norme Internationale fixe les caractéristiques dimensionnelles des clavettes inclinées minces, avec ou sans talon,
des plats et des rainures correspondants dans l’arbre et le moyeu.
Elle spécifie la matière de ces clavettes et donne la relation 6 respecter entre le diamètre d’arbre et la section de clavette,
2 DOMAINE D’APPLICATION
La présente Norme Internationale est d’application générale pour les bouts d’arbre cylindriques. II est recommandé de ne pas
s’écarter des valeurs qui y sont données même lors d’applications particulières.
Ce type de clavette convient pour des cas particuliers d’utilisation, par exemple pour le clavetage en parois minces. Pour les
cas normaux et lorsque les forces à transmettre l’exigent, il convient d’utiliser le clavetage par clavettes inclinées ordinaires
suivant I’ISO/R 774.
IS0 2492-1974(F)
3 FORMES, DIMENSIONS ET TOLERANCES DES CLAVETTES
CLAVETTES SANS TALON
Forme B
Section X-X
Pente 1 : 100
,
#
I II
.:; ' -g
---
I
CLAVETTE À TALON
E
Valeurs en millimetres
Longueurz) Talon
Largeur Hauteur Chanfrein')
I I I
I
b h I hl
Domaine courant
tolerance tolérance
max d'utilisation nom.
nominale nominale min.
h9 3, hi 1 3)
de à
8 O 5 0.25 0.40 20 70 8
10 - 0,036
0.60 25 90 10
6 O 0,40
0,075
125 10
12 6 0.40 0.60 32
...
















Questions, Comments and Discussion
Ask us and Technical Secretary will try to provide an answer. You can facilitate discussion about the standard in here.
Loading comments...