ISO 7388-1:1983
(Main)Tool shanks with 7/24 taper for automatic tool changers — Part 1: Shanks Nos. 40, 45 and 50 — Dimensions
Tool shanks with 7/24 taper for automatic tool changers — Part 1: Shanks Nos. 40, 45 and 50 — Dimensions
Queues d'outils à conicité 7/24 pour changement automatique d'outils — Partie 1: Cônes nos 40, 45 et 50 — Dimensions
General Information
- Status
- Withdrawn
- Publication Date
- 30-Nov-1983
- Withdrawal Date
- 30-Nov-1983
- Technical Committee
- ISO/TC 29/SC 9 - Tools with defined cutting edges, holding tools, cutting items, adaptive items and interfaces
- Drafting Committee
- ISO/TC 29/SC 9 - Tools with defined cutting edges, holding tools, cutting items, adaptive items and interfaces
- Parallel Committee
- ISO/TC 39 - Machine tools
- Current Stage
- 9599 - Withdrawal of International Standard
- Start Date
- 30-Jul-2007
- Completion Date
- 12-Feb-2026
Relations
- Effective Date
- 06-Jun-2022
- Effective Date
- 15-Apr-2008
- Effective Date
- 15-Apr-2008
ISO 7388-1:1983 - Tool shanks with 7/24 taper for automatic tool changers
ISO 7388-1:1983 - Queues d'outils a conicité 7/24 pour changement automatique d'outils
ISO 7388-1:1983 - Queues d'outils a conicité 7/24 pour changement automatique d'outils
Get Certified
Connect with accredited certification bodies for this standard
National Aerospace and Defense Contractors Accreditation Program (NADCAP)
Global cooperative program for special process quality in aerospace.
CARES (UK Certification Authority for Reinforcing Steels)
UK certification for reinforcing steels and construction.
DVS-ZERT GmbH
German welding certification society.
Sponsored listings
Frequently Asked Questions
ISO 7388-1:1983 is a standard published by the International Organization for Standardization (ISO). Its full title is "Tool shanks with 7/24 taper for automatic tool changers — Part 1: Shanks Nos. 40, 45 and 50 — Dimensions". This standard covers: Tool shanks with 7/24 taper for automatic tool changers — Part 1: Shanks Nos. 40, 45 and 50 — Dimensions
Tool shanks with 7/24 taper for automatic tool changers — Part 1: Shanks Nos. 40, 45 and 50 — Dimensions
ISO 7388-1:1983 is classified under the following ICS (International Classification for Standards) categories: 25.060.20 - Dividing and tool-workpiece holding devices. The ICS classification helps identify the subject area and facilitates finding related standards.
ISO 7388-1:1983 has the following relationships with other standards: It is inter standard links to ISO 7388-1:1983/Add 1:1984, ISO 7388-1:2007; is excused to ISO 7388-1:1983/Add 1:1984. Understanding these relationships helps ensure you are using the most current and applicable version of the standard.
ISO 7388-1:1983 is available in PDF format for immediate download after purchase. The document can be added to your cart and obtained through the secure checkout process. Digital delivery ensures instant access to the complete standard document.
Standards Content (Sample)
International Standard
INTERNATIONAL ORGANISATION FOR STANDARD~ZATIONO~~E~YHAPO~HAR ofwwbl3AwM no cTAHAA~H3A~Ml/r~RGANISATION mdTERNATi0NALE DE IQORMALISATI~N
Tool shanks with 7/24 taper for automatic tool changers -
Part 1 : Shanks Nos. 40,45 and 50 - Dimensions
Queues d ’outils 9 conicitt! 7124 pour changement automatique
d ’outils - Partie 7 : C6nes nos 40, 45 et 50 - Dimensions
First edition - 19834245
UDC 621.9-229.2 Ref. No. ISO 7388/1-1983 (EI
I
Descriptors : tools, power-operated tools, shanks, taper shanks, 7/24 taper shanks, machine tapers, dimensions, form tolerantes.
Price based on 3 pages
Foreword
ISO (the International Organization for Standardization) is a worldwide federation of
national Standards bodies (ISO member bodies). The work of developing International
Standards is carried out through ISO technical committees. Every member body
interested in a subject for which a technical committee has been authorized has the
right to be represented on that committee. International organizations, governmental
and non-governmental, in liaison with ISO, also take part in the work.
Draft International Standards adopted by the technical committees are circulated to
the member bodies for approval before their acceptance as International Standards by
the ISO Council.
International Standard ISO 7389/1 was developed by Technical Committee
ISO/TC 39, Machine tools, and was circulated to the member bodies in Februaty 1982.
lt has been approved by the member bodies of the following countries :
Belgium India Spain
Chjna
ltaly Sweden
Egypt, Arab Rep. of Korea, Dem. P. Rep. of Switzerland
France Korea, Rep. of
United Kingdom
Germany, F. R. Romania USA
Hungary South Africa, Rep. of
The member bodies of following countries expressed disapproval of the document
on technical grounds :
Czechoslovakia
Japan
Netherlands
Poland
USSR
0 International Organkation for Standardkation, 1983
Printed in Switzerland
INTERNATIONAL STANDARD 60 7388/1-1983 (E)
Tool shanks with 7/24 taper for automatic tool changers -
Part 1 : Shanks Nos. 40, 45 and 50 - Dimensions
0 Introduction
Users of this part of ISO 7388 are advised that proprietary rights apply to tool shanks with a taper rate of 7/24 for automatic tool
changers. Patent holders have agreed to negotiate licenses on terms and conditions defined in Statements that are available upon
request from the I
...
Norme internationale
INTERNATIONAL ORGANIZATION FOR STANDARDIZATION.MEJK~YHAPO~HAR OPTAHM3AL&lR l-l0 CTAH~APTl43Al.&Wl*ORGANISAilON INTERNATIONALE DE NORMALISATION
Queues d’outils à tonicité 7/24 pour changement
automatique d’outils -
Partie 1 : Cônes nos 40, 45 et 50 - Dimensions
Tool shanks with 7/24 taper for automatic tool changers - Part 1: Shanks Nos. 40, 45 and 50 - Dimensions
Première édition - 1983-12-15
Réf. no : ISO 7388/1-1983 (FI
CDU 621.94X29.2
Descripteurs : outil, outil mécanique, queue d’outil, queue conique, queue cône 7/24, cône d’emmanchement d’outil, dimension, tolérance de
forme.
Prix basé sur 3 pages
Avant-propos
L’ISO (Organisation internationale de normalisation) est une fédération mondiale
d’organismes nationaux de normalisation (comités membres de I’ISO). L’élaboration
des Normes internationales est confiée aux comités techniques de I’ISO. Chaque
comité membre intéressé par une étude a le droit de faire partie du comité technique
correspondant. Les organisations internationales, gouvernementales et non gouverne-
mentales, en liaison avec I’ISO, participent également aux travaux.
Les projets de Normes internationales adoptés par les comités techniques sont soumis
aux comités membres pour approbation, avant leur acceptation comme Normes inter-
nationales par le Conseil de I’ISO.
La Norme internationale ISO 7388/1 a été élaborée par le comité technique ISOITC 39,
Machines-outils, et a été soumise aux comités membres en février 1982.
Les comités membres des pays suivants l’ont approuvée :
Afrique du Sud, Rép. d’ Égypte, Rép. arabe d’ Roumanie
Espagne Royaume-Uni
Allemagne, R. F.
Belgique France Suède
Suisse
Chine Hongrie
Inde USA
Corée, Rép. dém. p. de
Corée, Rép. de Italie
pour des raisons
Les comités membres des pays suivants l’ont désapprouvée
techniques :
Japon
Pays- Bas
Pologne
Tchécoslovaquie
URSS
0 Organisation internationale de normalisation, 1983
Imprimé en Suisse
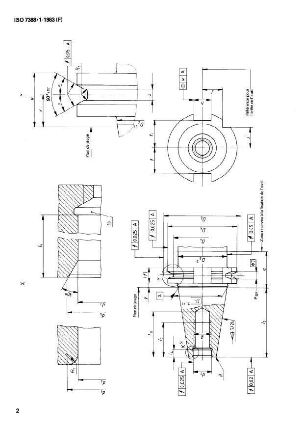
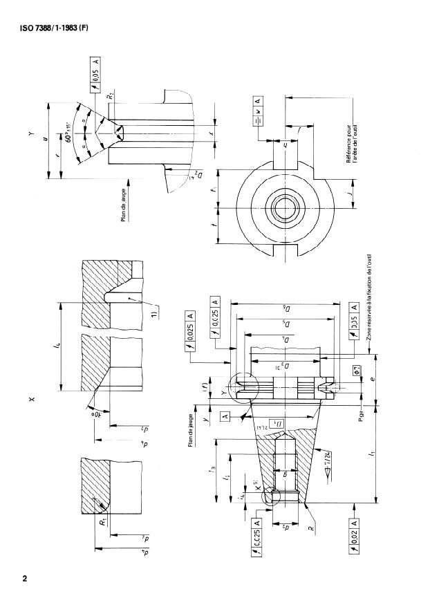
NORME INTERNATIONALE ISO 7388/1-1983 (FI
Queues d’outils à tonicité 7/24 pour changement
automatique d’outils -
Partie 1 : Cônes nos 40, 45 et 50 - Dimensions
0 Introduction
Les utilisateurs de la présente partie de I’ISO 7388 sont informés que des droits de propriété s’appliquent aux queues d’outils à coni-
cité 7/24 pour changement automatique d’outils. Les détenteurs de brevets ont accepté de négocier des licences en des termes et
conditions indiqués dans des déclarations
...
Norme internationale
INTERNATIONAL ORGANIZATION FOR STANDARDIZATION.MEJK~YHAPO~HAR OPTAHM3AL&lR l-l0 CTAH~APTl43Al.&Wl*ORGANISAilON INTERNATIONALE DE NORMALISATION
Queues d’outils à tonicité 7/24 pour changement
automatique d’outils -
Partie 1 : Cônes nos 40, 45 et 50 - Dimensions
Tool shanks with 7/24 taper for automatic tool changers - Part 1: Shanks Nos. 40, 45 and 50 - Dimensions
Première édition - 1983-12-15
Réf. no : ISO 7388/1-1983 (FI
CDU 621.94X29.2
Descripteurs : outil, outil mécanique, queue d’outil, queue conique, queue cône 7/24, cône d’emmanchement d’outil, dimension, tolérance de
forme.
Prix basé sur 3 pages
Avant-propos
L’ISO (Organisation internationale de normalisation) est une fédération mondiale
d’organismes nationaux de normalisation (comités membres de I’ISO). L’élaboration
des Normes internationales est confiée aux comités techniques de I’ISO. Chaque
comité membre intéressé par une étude a le droit de faire partie du comité technique
correspondant. Les organisations internationales, gouvernementales et non gouverne-
mentales, en liaison avec I’ISO, participent également aux travaux.
Les projets de Normes internationales adoptés par les comités techniques sont soumis
aux comités membres pour approbation, avant leur acceptation comme Normes inter-
nationales par le Conseil de I’ISO.
La Norme internationale ISO 7388/1 a été élaborée par le comité technique ISOITC 39,
Machines-outils, et a été soumise aux comités membres en février 1982.
Les comités membres des pays suivants l’ont approuvée :
Afrique du Sud, Rép. d’ Égypte, Rép. arabe d’ Roumanie
Espagne Royaume-Uni
Allemagne, R. F.
Belgique France Suède
Suisse
Chine Hongrie
Inde USA
Corée, Rép. dém. p. de
Corée, Rép. de Italie
pour des raisons
Les comités membres des pays suivants l’ont désapprouvée
techniques :
Japon
Pays- Bas
Pologne
Tchécoslovaquie
URSS
0 Organisation internationale de normalisation, 1983
Imprimé en Suisse
NORME INTERNATIONALE ISO 7388/1-1983 (FI
Queues d’outils à tonicité 7/24 pour changement
automatique d’outils -
Partie 1 : Cônes nos 40, 45 et 50 - Dimensions
0 Introduction
Les utilisateurs de la présente partie de I’ISO 7388 sont informés que des droits de propriété s’appliquent aux queues d’outils à coni-
cité 7/24 pour changement automatique d’outils. Les détenteurs de brevets ont accepté de négocier des licences en des termes et
conditions indiqués dans des déclarations
...












Questions, Comments and Discussion
Ask us and Technical Secretary will try to provide an answer. You can facilitate discussion about the standard in here.
Loading comments...