ASTM F2476-20
(Test Method)Standard Test Method for the Determination of Carbon Dioxide Gas Transmission Rate (CO2TR) Through Barrier Materials Using an Infrared Detector
Standard Test Method for the Determination of Carbon Dioxide Gas Transmission Rate (CO<inf >2</inf>TR) Through Barrier Materials Using an Infrared Detector
SIGNIFICANCE AND USE
5.1 Carbon dioxide gas transmission rate (CO2TR) is an important determinant of the packaging protection afforded by barrier materials. It is not, however, the sole determinant, and additional tests, based on experience, must be used to correlate packaging performance with CO2TR. It is suitable as a referee method of testing, provided that purchaser and seller have agreed on sampling procedures, standardization procedures, test conditions and acceptance criteria.
SCOPE
1.1 This method covers a procedure for determination of the steady-state rate of transmission of carbon dioxide gas through plastics in the form of film, sheeting, laminates, coextrusions, or plastic-coated papers or fabrics. It provides for the determination of (1) carbon dioxide gas transmission rate (CO2TR), (2) the permeance of the film to carbon dioxide gas (PCO2), and (3) carbon dioxide permeability coefficient (P’CO2) in the case of homogeneous materials.
1.2 This standard does not purport to address all of the safety concerns, if any, associated with its use. It is the responsibility of the user of this standard to establish appropriate safety, health, and environmental practices and determine the applicability of regulatory limitations prior to use.
1.3 This international standard was developed in accordance with internationally recognized principles on standardization established in the Decision on Principles for the Development of International Standards, Guides and Recommendations issued by the World Trade Organization Technical Barriers to Trade (TBT) Committee.
General Information
- Status
- Published
- Publication Date
- 31-May-2020
- Technical Committee
- F02 - Primary Barrier Packaging
- Drafting Committee
- F02.10 - Permeation
Relations
- Effective Date
- 01-Jun-2020
- Effective Date
- 01-May-2014
- Effective Date
- 01-May-2013
- Effective Date
- 01-May-2013
- Effective Date
- 01-Nov-2011
- Effective Date
- 01-Oct-2010
- Effective Date
- 01-Oct-2008
- Effective Date
- 01-Oct-2008
- Refers
ASTM E177-06b - Standard Practice for Use of the Terms Precision and Bias in ASTM Test Methods - Effective Date
- 15-Nov-2006
- Refers
ASTM E177-06a - Standard Practice for Use of the Terms Precision and Bias in ASTM Test Methods - Effective Date
- 01-Nov-2006
- Effective Date
- 01-Nov-2005
- Effective Date
- 01-Nov-2004
- Effective Date
- 01-Nov-2004
- Refers
ASTM E177-04e1 - Standard Practice for Use of the Terms Precision and Bias in ASTM Test Methods - Effective Date
- 01-Nov-2004
- Refers
ASTM E177-90a(2002) - Standard Practice for Use of the Terms Precision and Bias in ASTM Test Methods - Effective Date
- 10-Jan-2002
Overview
ASTM F2476-20 is the standard test method for determining the carbon dioxide gas transmission rate (CO₂TR) through barrier materials using an infrared detector. Developed by ASTM International, this standard provides a recognized procedure for assessing how well plastic films, laminates, coextrusions, and plastic-coated papers or fabrics resist the passage of carbon dioxide gas. The method is fundamental in evaluating packaging materials intended for applications where CO₂ barrier properties are critical, such as food and beverage packaging. By specifying how to measure the steady-state transmission rate, permeance, and permeability coefficient, ASTM F2476-20 enables consistent and reproducible results across the packaging and materials industries.
Key Topics
- Scope of Application: The standard covers plastic materials in film, sheeting, laminate, and coated forms. It instructs how to measure:
- Carbon dioxide gas transmission rate (CO₂TR)
- Permeance to CO₂ (PCO₂)
- Carbon dioxide permeability coefficient (P’CO₂), specifically for homogeneous materials
- Testing Methodology: Samples are mounted between two chambers-one with nitrogen and the other with carbon dioxide. As CO₂ permeates through the sample into the nitrogen side, it is detected and quantified via an infrared sensor.
- Testing Conditions:
- The test is carried out in "dry" conditions (relative humidity below 1%)
- Temperature control is critical and must be maintained within ±0.1°C
- Data Reporting: Results include specimen description, orientation, dimensions, flow rates, temperatures, thickness, apparatus details, and calibration procedures.
- Calibration and Precision: Both computerized and manual systems must be calibrated, often using reference films or injected CO₂ amounts. The standard emphasizes repeatability and reproducibility, providing clear guidelines for acceptable operational parameters.
Applications
ASTM F2476-20 finds practical value across several industries where the gas barrier performance of packaging materials is essential:
- Food and Beverage Packaging: Ensures packaging materials maintain product quality by controlling CO₂ ingress or egress in carbonated beverages, coffee, and MAP (modified atmosphere packaging) applications.
- Pharmaceuticals: Protects sensitive drug formulations and diagnostic kits from degradation due to exposure to carbon dioxide.
- Materials Research: Supports the development and quality control of new barrier materials with improved CO₂ resistance.
- Quality Assurance: Provides a referee method for dispute resolution between buyers and suppliers, as long as sampling and testing conditions are mutually agreed.
Related Standards
Professionals using ASTM F2476-20 may also reference related standards to complement their evaluation and testing processes:
- ASTM E177: Practice for Use of the Terms Precision and Bias in ASTM Test Methods
- ASTM E691: Practice for Conducting an Interlaboratory Study to Determine the Precision of a Test Method
- ISO 2556: Plastics - Determination of the gas transmission rate through plastic film and sheeting
- ASTM D1898: Practice for Sampling of Plastics (for legacy or withdrawn guidance)
Summary
ASTM F2476-20 delivers a robust, internationally recognized framework for measuring the carbon dioxide gas transmission rate through barrier materials. By relying on infrared detection methods and controlled test conditions, it helps ensure reliable performance data for materials used in high-value packaging and product protection roles. Adherence to this standard supports improved product integrity, regulatory compliance, and industry best practices in packaging and materials engineering.
Keywords: ASTM F2476, carbon dioxide gas transmission rate, CO₂TR, infrared detector, gas barrier materials, permeance, permeability, packaging standard, plastics testing.
Buy Documents
ASTM F2476-20 - Standard Test Method for the Determination of Carbon Dioxide Gas Transmission Rate (CO<inf >2</inf>TR) Through Barrier Materials Using an Infrared Detector
REDLINE ASTM F2476-20 - Standard Test Method for the Determination of Carbon Dioxide Gas Transmission Rate (CO<inf >2</inf>TR) Through Barrier Materials Using an Infrared Detector
Get Certified
Connect with accredited certification bodies for this standard

ECOCERT
Organic and sustainability certification.

Eurofins Food Testing Global
Global leader in food, environment, and pharmaceutical product testing.

Intertek Bangladesh
Intertek certification and testing services in Bangladesh.
Sponsored listings
Frequently Asked Questions
ASTM F2476-20 is a standard published by ASTM International. Its full title is "Standard Test Method for the Determination of Carbon Dioxide Gas Transmission Rate (CO<inf >2</inf>TR) Through Barrier Materials Using an Infrared Detector". This standard covers: SIGNIFICANCE AND USE 5.1 Carbon dioxide gas transmission rate (CO2TR) is an important determinant of the packaging protection afforded by barrier materials. It is not, however, the sole determinant, and additional tests, based on experience, must be used to correlate packaging performance with CO2TR. It is suitable as a referee method of testing, provided that purchaser and seller have agreed on sampling procedures, standardization procedures, test conditions and acceptance criteria. SCOPE 1.1 This method covers a procedure for determination of the steady-state rate of transmission of carbon dioxide gas through plastics in the form of film, sheeting, laminates, coextrusions, or plastic-coated papers or fabrics. It provides for the determination of (1) carbon dioxide gas transmission rate (CO2TR), (2) the permeance of the film to carbon dioxide gas (PCO2), and (3) carbon dioxide permeability coefficient (P’CO2) in the case of homogeneous materials. 1.2 This standard does not purport to address all of the safety concerns, if any, associated with its use. It is the responsibility of the user of this standard to establish appropriate safety, health, and environmental practices and determine the applicability of regulatory limitations prior to use. 1.3 This international standard was developed in accordance with internationally recognized principles on standardization established in the Decision on Principles for the Development of International Standards, Guides and Recommendations issued by the World Trade Organization Technical Barriers to Trade (TBT) Committee.
SIGNIFICANCE AND USE 5.1 Carbon dioxide gas transmission rate (CO2TR) is an important determinant of the packaging protection afforded by barrier materials. It is not, however, the sole determinant, and additional tests, based on experience, must be used to correlate packaging performance with CO2TR. It is suitable as a referee method of testing, provided that purchaser and seller have agreed on sampling procedures, standardization procedures, test conditions and acceptance criteria. SCOPE 1.1 This method covers a procedure for determination of the steady-state rate of transmission of carbon dioxide gas through plastics in the form of film, sheeting, laminates, coextrusions, or plastic-coated papers or fabrics. It provides for the determination of (1) carbon dioxide gas transmission rate (CO2TR), (2) the permeance of the film to carbon dioxide gas (PCO2), and (3) carbon dioxide permeability coefficient (P’CO2) in the case of homogeneous materials. 1.2 This standard does not purport to address all of the safety concerns, if any, associated with its use. It is the responsibility of the user of this standard to establish appropriate safety, health, and environmental practices and determine the applicability of regulatory limitations prior to use. 1.3 This international standard was developed in accordance with internationally recognized principles on standardization established in the Decision on Principles for the Development of International Standards, Guides and Recommendations issued by the World Trade Organization Technical Barriers to Trade (TBT) Committee.
ASTM F2476-20 is classified under the following ICS (International Classification for Standards) categories: 71.100.20 - Gases for industrial application. The ICS classification helps identify the subject area and facilitates finding related standards.
ASTM F2476-20 has the following relationships with other standards: It is inter standard links to ASTM F2476-13, ASTM E177-14, ASTM E691-13, ASTM E177-13, ASTM E691-11, ASTM E177-10, ASTM E691-08, ASTM E177-08, ASTM E177-06b, ASTM E177-06a, ASTM E691-05, ASTM E177-06, ASTM E177-04, ASTM E177-04e1, ASTM E177-90a(2002). Understanding these relationships helps ensure you are using the most current and applicable version of the standard.
ASTM F2476-20 is available in PDF format for immediate download after purchase. The document can be added to your cart and obtained through the secure checkout process. Digital delivery ensures instant access to the complete standard document.
Standards Content (Sample)
This international standard was developed in accordance with internationally recognized principles on standardization established in the Decision on Principles for the
Development of International Standards, Guides and Recommendations issued by the World Trade Organization Technical Barriers to Trade (TBT) Committee.
Designation: F2476 − 20
Standard Test Method for
the Determination of Carbon Dioxide Gas Transmission Rate
(CO TR) Through Barrier Materials Using an Infrared
Detector
This standard is issued under the fixed designation F2476; the number immediately following the designation indicates the year of
original adoption or, in the case of revision, the year of last revision. A number in parentheses indicates the year of last reapproval. A
superscript epsilon (´) indicates an editorial change since the last revision or reapproval.
1. Scope 3. Terminology
1.1 Thismethodcoversaprocedurefordeterminationofthe 3.1 Definitions:
steady-state rate of transmission of carbon dioxide gas through 3.1.1 carbon dioxide permeability coeffıcient (P’CO )—the
plastics in the form of film, sheeting, laminates, coextrusions, product of the permeance and the thickness of film. The
or plastic-coated papers or fabrics. It provides for the determi- permeabilityismeaningfulonlyforhomogeneousmaterials,in
nation of (1) carbon dioxide gas transmission rate (CO TR), which case it is a property characteristic of the bulk material.
(2) the permeance of the film to carbon dioxide gas (PCO ), This quantity should not be used unless the relationship
and (3) carbon dioxide permeability coefficient (P’CO)inthe between thickness and permeance has been verified on tests
case of homogeneous materials. using several different thicknesses of the material. The SI unit
of carbon dioxide permeability is the mol/(m·s·Pa). The test
1.2 This standard does not purport to address all of the
conditions (see 3.1.3) must be stated.
safety concerns, if any, associated with its use. It is the
responsibility of the user of this standard to establish appro- 3.1.2 carbon dioxide permeance (PCO )—the ratio of the
priate safety, health, and environmental practices and deter- CO TR to the difference between the partial pressure of CO
mine the applicability of regulatory limitations prior to use. on the two sides of the film. The SI unit of permeance is the
1.3 This international standard was developed in accor- mol/(m ·s·Pa). The test conditions (see 3.1.3) must be stated.
dance with internationally recognized principles on standard-
3.1.3 carbon dioxide transmission rate(CO TR)—thequan-
ization established in the Decision on Principles for the
tity of carbon dioxide gas passing through a unit area of the
Development of International Standards, Guides and Recom-
parallel surfaces of a plastic film per unit time under the
mendations issued by the World Trade Organization Technical
conditions of the test. The SI unit of transmission rate is the
Barriers to Trade (TBT) Committee.
mol/(m ·s). The test conditions, including temperature and
carbon dioxide partial pressure on both sides of the film, must
2. Referenced Documents
be stated.
2.1 ASTM Standards:
3.1.3.1 Discussion—A commonly used metric unit of
E177 Practice for Use of the Terms Precision and Bias in
CO TR is the cc(STP)/(m ·day) at one atmosphere driving
ASTM Test Methods
force pressure differential where: 1 cc(STP) is 44.62 µmol, 1
E691 Practice for Conducting an Interlaboratory Study to
atm is 0.1013 MPa, and one day is 86.4 × 10 s. CO TR in SI
Determine the Precision of a Test Method
units is obtained by multiplying the value in metric units by
-10 3
5.164×10 orthevalueininch-poundunitscm (STP) ⁄ (100
2 -9
in. · day) by 8.004 × 10 .
4. Summary of Test Method
4.1 The carbon dioxide gas transmission rate is determined
after the sample has equilibrated in a dry-test environment. In
This test method is under jurisdiction of ASTM Committee F02 on Primary
this context, a “dry” environment is considered to be one in
Barrier Packaging and is the direct responsibility of Subcommittee F02.10 on
Permeation.
which the relative humidity is less than 1 %.
CurrenteditionapprovedJune1,2020.PublishedJuly2020.Originallyapproved
4.2 The specimen is mounted as a sealed semi-barrier
in 2005. Last previous edition approved in 2013 as F2476 – 13. DOI: 10.1520/
F2476-20.
between two chambers at ambient atmospheric pressure. One
For referenced ASTM standards, visit the ASTM website, www.astm.org, or
chamberisslowlypurgedbyastreamofnitrogenandtheother
contact ASTM Customer Service at service@astm.org. For Annual Book of ASTM
chamberwithcarbondioxide.Ascarbondioxidegaspermeates
Standards volume information, refer to the standard’s Document Summary page on
the ASTM website. through the film into the nitrogen carrier gas, it is transported
Copyright © ASTM International, 100 Barr Harbor Drive, PO Box C700, West Conshohocken, PA 19428-2959. United States
F2476 − 20
to an infrared detector where an electrical output is produced measuring the inside diameter of the imprint left by the O-ring
whosemagnitudeisproportionaltotheamountofCO flowing on the specimen after it has been removed from the diffusion
into the detector per unit of time. cell.
6.1.1.2 Thenitrogen(orcarriergas)sideofthediffusioncell
5. Significance and Use
shall have a flat raised rim. Since this rim is a critical sealing
surface against which the test specimen is pressed, it shall be
5.1 Carbon dioxide gas transmission rate (CO TR) is an
smooth and flat, without radial scratches.
important determinant of the packaging protection afforded by
6.1.1.3 Diffusion Cell Pneumatic Fittings—Each half of the
barrier materials. It is not, however, the sole determinant, and
diffusion cell shall incorporate suitable fittings for the intro-
additional tests, based on experience, must be used to correlate
duction and exhaust of gases without significant loss or
packaging performance with CO TR. It is suitable as a referee
leakage.
method of testing, provided that purchaser and seller have
agreed on sampling procedures, standardization procedures, 6.1.1.4 It is desirable to thermostatically control the diffu-
test conditions and acceptance criteria. sion cell. Because the transmission rate is a function of
temperature, it shall be controlled to within 6 0.1°C.
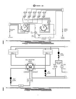
6. Apparatus
6.1.1.5 Experience has shown that arrangements using mul-
tiple diffusion cells are a practical way to increase the number
6.1 Carbon Dioxide Gas Transmission Apparatus, as dia-
of measurements that can be obtained from an infrared sensor.
grammed in Fig. 1 or Fig. 2, with the following:
A valving manifold connects the carrier gas side of each
6.1.1 Diffusion Cell shall consist of two metal halves,
individual diffusion cell to the sensor in a predetermined
which, when closed upon the test specimen, will accurately
pattern. Carrier gas is continually purging the carrier gas side
defineacirculararea.Atypicalacceptablediffusioncellareais
of those cells that are not connected to the sensor. Either test
50cm .Thevolumeenclosedbyeachcellhalf,whenclamped,
gasorcarriergas,asisappropriate,purgesthetestgaschamber
is not critical: it should be small enough to allow for rapid gas
of any individual cell.
exchange, but not so small that an unsupported film that
6.1.2 Flowmeter—A means shall be provided to establish
happens to sag or bulge will contact the top or bottom of the
and maintain test gas and carrier gas flows.An operating range
cell.
intheorderof5to100mL/minforCO andupto300mL/min
6.1.1.1 O-Ring Groove—An appropriately sized groove,
for N .
machined into the CO (or test gas) side of the diffusion cell,
retains an elastomer O-ring. The test area is considered to be 6.1.3 Flow Switching Valves, needed to perform the tasks of
that area established by the inside contact diameter of the (1) purging; (2) accumulating, if needed, for static or dynamic
compressed O-ring when the diffusion cell is clamped shut testing methods; and (3) maintaining flow for continuous flow
against the test specimen. The area, A, can be obtained by methods.
FIG. 1 A Practical Arrangement of Components for the Measurement of Carbon Dioxide Transmission Rate
Using a Non-Computerized System
F2476 − 20
FIG. 2 A Practical Arrangement of Components for the Measurement of Carbon Dioxide Transmission Rate
Using a Computerized System
6.1.4 Infrared Sensor—A 4.3 µm infrared filter to measure reference aluminum foil sheet. Used in some instruments to
the quantity of CO in the carrier gas going to the sensor. establish system zero prior to testing film specimens.
NOTE 1—The infrared sensor is not an absolute measuring device.
8. Precautions
Therefore, some standard has to be used to establish a point of reference.
A means of providing a known quantity of CO has been used and has
8.1 Temperature is a critical parameter affecting the mea-
been found satisfactory for this application. The use of a calibrated valve
surement of CO TR. Careful temperature control will help to
enables the system to establish the point of reference against which the
minimize variations due to temperature fluctuations. During
unknown film is compared or the system may also be calibrated with a
reference film.
testing, the temperature shall be maintained within 6 0.1°C.
The average temperature and the range of temperatures found
6.1.5 Recording Device—A strip chart recorder or, if the
during a test shall both be reported. Accurate temperature
system is computer- controlled, a monitor and a printer have
control is easier to maintain if the instrument is placed in a
been found to be adequate.
temperature-controlled environment.
7. Reagents and Materials
8.2 Thesensorwillrequiretimetostabilizetoalowreading
7.1 Nitrogen Gas—Grade need not be higher than “High
characteristic of a good CO barrier after it has been used to
Purity” or “Extra Dry,” which is readily available in most of
test a high transmission barrier. For this reason, materials of
the principal cities at low cost. A regulator with auxiliary
comparable gas transmission qualities should be tested to-
metering valve and outlet fittings for ⁄8 in. tubing should be
gether.
used.
8.3 Calibration should be performed with the appropriate
7.2 Carbon Dioxide Gas—A carbon dioxide concentration
amount of CO that is comparable to the CO TR of the
2 2
of 99.9 % or greater is suitable for this application.
specimens being tested.
7.3 Sealing Grease—A high-viscosity silicone stopcock
9. Sampling
grease or high-vacuum grease for sealing the specimen film in
the diffusion cell.
9.1 The sampling units used for the determination of
7.4 Aluminum Foil Reference Blank—The term “reference CO TR shall be representative of the quantity of product for
blank” or “blocking plate” refers to a non-transmitting, zero which the data are required. Care shall be taken to ensure that
F2476 − 20
samples are representative of conditions across the width and means that the seal around the edge of the diffusion cell should
along the length of a roll of film. not be impaired if the specimen bulges or sags slightly.
13.2 Unclamp the diffusion cell and open it. Apply a thin
10. Test Specimens
layer of sealing grease around the raised rim of the diffusion
10.1 Test specimens shall be representative of the materials
cell. Place the test specimen upon the greased surface, taking
being tested and shall be free of defects, including wrinkles,
care to avoid creases or wrinkles. Clamp both halves of the
creases, and pinholes, unless these are a characteristic of the
diffusion cell tightly tog
...
This document is not an ASTM standard and is intended only to provide the user of an ASTM standard an indication of what changes have been made to the previous version. Because
it may not be technically possible to adequately depict all changes accurately, ASTM recommends that users consult prior editions as appropriate. In all cases only the current version
of the standard as published by ASTM is to be considered the official document.
Designation: F2476 − 13 F2476 − 20
Standard Test Method for
the Determination of Carbon Dioxide Gas Transmission Rate
(CO TR) Through Barrier Materials Using Anan Infrared
Detector
This standard is issued under the fixed designation F2476; the number immediately following the designation indicates the year of
original adoption or, in the case of revision, the year of last revision. A number in parentheses indicates the year of last reapproval. A
superscript epsilon (´) indicates an editorial change since the last revision or reapproval.
1. Scope
1.1 This method covers a procedure for determination of the steady-state rate of transmission of carbon dioxide gas through
plastics in the form of film, sheeting, laminates, coextrusions, or plastic-coated papers or fabrics. It provides for the determination
of (1)(1) carbon dioxide gas transmission rate (CO TR), (2)(2) the permeance of the film to carbon dioxide gas (P’CO(PCO ) ,
2 2
), and (3)(3) carbon dioxide permeability coefficient (P”CO(P’CO ) in the case of homogeneous materials.
1.2 This standard does not purport to address all of the safety concerns, if any, associated with its use. It is the responsibility
of the user of this standard to establish appropriate safety safety, health, and healthenvironmental practices and determine the
applicability of regulatory limitations prior to use.
1.3 This international standard was developed in accordance with internationally recognized principles on standardization
established in the Decision on Principles for the Development of International Standards, Guides and Recommendations issued
by the World Trade Organization Technical Barriers to Trade (TBT) Committee.
2. Referenced Documents
2.1 ASTM Standards:
D1898 Practice for Sampling of Plastics (Withdrawn 1998)
E177 Practice for Use of the Terms Precision and Bias in ASTM Test Methods
E691 Practice for Conducting an Interlaboratory Study to Determine the Precision of a Test Method
This test method is under jurisdiction of ASTM Committee F02 on FlexiblePrimary Barrier Packaging and is the direct responsibility of Subcommittee F02.10 on
Permeation.
Current edition approved Dec. 15, 2013June 1, 2020. Published February 2014July 2020. Originally approved in 2005. Last previous edition approved in 20052013 as
F2476-05. DOI: 10.1520/F2476-13. – 13. DOI: 10.1520/F2476-20.
For referenced ASTM standards, visit the ASTM website, www.astm.org, or contact ASTM Customer Service at service@astm.org. For Annual Book of ASTM Standards
volume information, refer to the standard’sstandard’s Document Summary page on the ASTM website.
Copyright © ASTM International, 100 Barr Harbor Drive, PO Box C700, West Conshohocken, PA 19428-2959. United States
F2476 − 20
3. Terminology
3.1 Definitions:
3.1.1 carbon dioxide permeability coeffıcient (P”CO(P’CO )—the product of the permeance and the thickness of film. The
permeability is meaningful only for homogeneous materials, in which case it is a property characteristic of the bulk material. This
quantity should not be used unless the relationship between thickness and permeance has been verified on tests using several
different thicknesses of the material. The SI unit of carbon dioxide permeability is the mol/m·s·Pa.mol/(m·s·Pa). The test conditions
(see 3.1.3) must be stated.
3.1.2 carbon dioxide permeance (P’CO(PCO )—the ratio of the CO TR to the difference between the partial pressure of CO
2 2 2
on the two sides of the film. The SI unit of permeance is the mol/(m ·s·Pa). The test conditions (see 3.1.3) must be stated.
3.1.3 carbon dioxide transmission rate (CO TR)—Thethe quantity of carbon dioxide gas passing through a unit area of the
parallel surfaces of a plastic film per unit time under the conditions of the test. The SI unit of transmission rate is the mol/(m ·s).
The test conditions, including temperature and carbon dioxide partial pressure on both sides of the film, must be stated.
3.1.3.1 Discussion—
A commonly used metric unit of CO TR is the cc(STP)/(m ·day) at one atmosphere driving force pressure differential where: 1
cc(STP) is 44.62 μmol.μmol, 1 atm is 0.1013 MPa.MPa, and one day is 86.4 x× 10 s. CO TR in SI units is obtained by multiplying
-10 3 2 -9
the value in metric units by 5.164 x× 10 or the value in inch-pound units cm (STP) ⁄ (100 in. · day) by 8.004 x× 10 .
4. Summary of Test Method
4.1 The carbon dioxide gas transmission rate is determined after the sample has equilibrated in a dry-test environment. In this
context, a “dry” environment is considered to be one in which the relative humidity is less than 1 %.
4.2 The specimen is mounted as a sealed semi-barrier between two chambers at ambient atmospheric pressure. One chamber
is slowly purged by a stream of nitrogen and the other chamber with carbon dioxide. As carbon dioxide gas permeates through
the film into the nitrogen carrier gas, it is transported to an infrared detector where an electrical output is produced whose
magnitude is proportional to the amount of CO flowing into the detector per unit of time.
5. Significance and Use
5.1 Carbon dioxide gas transmission rate (CO TR) is an important determinant of the packaging protection afforded by barrier
materials. It is not, however, the sole determinant, and additional tests, based on experience, must be used to correlate packaging
performance with CO TR. It is suitable as a referee method of testing, provided that purchaser and seller have agreed on sampling
procedures, standardization procedures, test conditions and acceptance criteria.
6. Apparatus
6.1 Carbon Dioxide Gas Transmission Apparatus, as diagrammed in Fig. 1 or Fig. 2, with the following:
6.1.1 Diffusion Cell—Cell shall consist of two metal halves, which, when closed upon the test specimen, will accurately define
a circular area. A typical acceptable diffusion cell area is 50 cm . The volume enclosed by each cell half, when clamped, inis not
critical: it should be small enough to allow for rapid gas exchange, but not so small that an unsupported film that happens to sag
or bulge will contact the top or bottom of the cell.
6.1.1.1 O-Ring Groove—anAn appropriately sized groove, machined into the CO (or test gas) side of the diffusion cell, retains
an elastomer O-ring. The test area is considered to be that area established by the inside contact diameter of the compressed O-ring
when the diffusion cell is clamped shut against the test specimen. The area, A, can be obtained by measuring the inside diameter
of the imprint left by the O-ring on the specimen after it has been removed from the diffusion cell.
6.1.1.2 The nitrogen (or carrier gas) side of the diffusion cell shall have a flat raised rim. Since this rim is a critical sealing
surface against which the test specimen is pressed, it shall be smooth and flat, without radial scratches.
6.1.1.3 Diffusion Cell Pneumatic Fittings—eachEach half of the diffusion cell shall incorporate suitable fittings for the
introduction and exhaust of gases without significant loss or leakage.
6.1.1.4 It is desirable to thermostatically control the diffusion cell. Because the transmission rate is a function of temperature,
it shall be controlled to within 6 0.1°C.
6.1.1.5 Experience has shown that arrangements using multiple diffusion cells are a practical way to increase the number of
measurements that can be obtained from an infrared sensor. A valving manifold connects the carrier gas side of each individual
diffusion cell to the sensor in a predetermined pattern. Carrier gas is continually purging the carrier gas side of those cells that are
not connected to the sensor. Either test gas or carrier gas, as is appropriate, purges the test gas chamber of any individual cell.
6.1.2 Flowmeter—aA means shall be provided to establish and maintain test gas and carrier gas flows. An operating range in
the order of 5 to 100 ml/minmL/min for CO and up to 300 ml/minmL/min for N .
2 2
6.1.3 Flow Switching Valves—Valves, needed to perform the tasks of (1)(1 purging, (2)) purging; (2) accumulating, if needed,
for static or dynamic testing methods,methods; and (3)(3) maintaining flow for continuous flow methods.
F2476 − 20
FIG. 1 A practical arrangementPractical Arrangement of componentsComponents for the measurement of carbon dioxide transmission
rateMeasurement of Carbon Dioxide Transmission Rate
usingUsing a non-computerized systemNon-Computerized System
FIG. 2 A practical arrangementPractical Arrangement of componentsComponents for the measurement of carbon dioxide transmission
rateMeasurement of Carbon Dioxide Transmission Rate
usingUsing a computerized systemComputerized System
F2476 − 20
6.1.4 Infrared Sensor—aA 4.3 μm infrared filter to measure the quantity of CO in the carrier gas going to the sensor.
NOTE 1—The infrared sensor is not an absolute measuring device. Therefore, some standard has to be used to establish a point of reference. A means
of providing a known quantity of CO has been used and has been found satisfactory for this application. The use of a calibrated valve enables the system
to establish the point of reference against which the unknown film is compared or the system may also be calibrated with a reference film.
6.1.5 Recording Device—aA strip chart recorder or, if the system is computer- controlled, a monitor and a printer have been
found to be adequate.
7. Reagents and Materials
7.1 Nitrogen Gas—gradeGrade need not be higher than “High Purity” or “Extra Dry,” which is readily available in most of the
principal cities at low cost. A regulator with auxiliary metering valve and outlet fittings for ⁄8 in. tubing should be used.
7.2 Carbon Dioxide Gas—aA carbon dioxide concentration of 99.9 % or greater is suitable for this application.
7.3 Sealing Grease—aA high-viscosity silicone stopcock grease or high-vacuum grease for sealing the specimen film in the
diffusion cell.
7.4 Aluminum Foil Reference Blank—The term “reference blank” or “blocking plate” refers to a non-transmitting, zero reference
aluminum foil sheet. Used in some instruments to establish system zero prior to testing film specimens.
8. Precautions
8.1 Temperature is a critical parameter affecting the measurement of CO TR. Careful temperature control will help to minimize
variations due to temperature fluctuations. During testing, the temperature shall be maintained within 6 0.1°C. The average
temperature and the range of temperatures found during a test shall both be reported. Accurate temperature control is easier to
maintain if the instrument is placed in a temperature-controlled environment.
8.2 The sensor will require time to stabilize to a low reading characteristic of a good CO barrier after it has been used to test
a high transmission barrier. For this reason, materials of comparable gas transmission qualities should be tested together.
8.3 Calibration should be performed with the appropriate amount of CO that is comparable to the CO TR of the specimens
2 2
being tested.
9. Sampling
9.1 The sampling units used for the determination of CO TR shall be representative of the quantity of product for which the
data are required, in accordance with Recommended Practice required. D1898. Care shall be taken to ensure that samples are
representative of conditions across the width and along the length of a roll of film.
10. Test Specimens
10.1 Test specimens shall be representative of the materials being tested and shall be free of defects, including wrinkles, creases,
and pinholes, unless these are a characteristic of the material being tested.
10.2 Average If required, the average thickness shall be determined to the nearest 2.5 μm (0.0001 in.), using a digital micrometer
(or equivalent) at a minimum of five points distributed over the entire test area. Maximum, minimum, and average values shall
be recorded.
NOTE 2—If a sample is fragile (such as a thin coating or unprotected metallization) the act of measuring the material might compromise or scratch the
barrier layer. For such samples, analyzing the material thickne
...








Questions, Comments and Discussion
Ask us and Technical Secretary will try to provide an answer. You can facilitate discussion about the standard in here.
Loading comments...