ASTM D6317-15
(Test Method)Standard Test Method for Low Level Determination of Total Carbon, Inorganic Carbon and Organic Carbon in Water by Ultraviolet, Persulfate Oxidation, and Membrane Conductivity Detection
Standard Test Method for Low Level Determination of Total Carbon, Inorganic Carbon and Organic Carbon in Water by Ultraviolet, Persulfate Oxidation, and Membrane Conductivity Detection
SIGNIFICANCE AND USE
5.1 This test method is used for determination of the carbon content of water from a variety of natural, domestic, and industrial sources. In its most common form, this test method is used to measure organic carbon as a means of monitoring organic impurities in high purity process water used in industries such as nuclear power, pharmaceutical, and electronics.
SCOPE
1.1 This test method covers the determination of total carbon (TC), inorganic carbon (IC), and total organic carbon (TOC) in water in the range from 10 to 1000 μg/L of carbon. This method is for laboratory or grab sample applications and has been subjected to an interlaboratory study under the guidelines of D2777. Test Method D5997 can be used for on-line determinations. The test method utilizes persulfate or ultraviolet oxidation of organic carbon, or both coupled with a CO2 selective membrane to recover the CO2 into deionized water. The change in conductivity of the deionized water is measured and related to carbon concentration in the oxidized sample. Inorganic carbon is determined in a similar manner without the oxidation step. In both cases, the sample is acidified to facilitate CO2 recovery through the membrane. The relationship between the conductivity measurement and carbon concentration is described by a set of chemometric equations for the chemical equilibrium of CO2, HCO3– , and H+, and the relationship between the ionic concentrations and the conductivity. The chemometric model includes the temperature dependence of the equilibrium constants and the specific conductances resulting in linear response of the method over the stated range of TOC. See Test Method D4519 for a discussion of the measurement of CO2 by conductivity.
1.2 This test method has the advantage of a very high sensitivity detector that allows very low detection levels on relatively small volumes of sample. Also, use of two measurement channels allows determination of CO2 in the sample independently of organic carbon. Isolation of the conductivity detector from the sample by the CO2 selective membrane results in a very stable calibration, with minimal interferences.
1.3 This test method was used successfully with reagent water spiked with various organic materials. It is the user's responsibility to ensure the validity of this test method for waters of untested matrices.
1.4 In addition to laboratory analyses, this test method may be adapted to on line monitoring. See Test Method D5997.
1.5 The values stated in SI units are to be regarded as standard. No other units of measurement are included in this standard.
1.6 This standard does not purport to address all of the safety concerns, if any, associated with its use. It is the responsibility of the user of this standard to establish appropriate safety and health practices and determine the applicability of regulatory limitations prior to use.
General Information
- Status
- Published
- Publication Date
- 30-Apr-2015
- Technical Committee
- D19 - Water
Relations
- Effective Date
- 01-May-2015
- Effective Date
- 01-May-2020
- Effective Date
- 01-Jun-2016
- Effective Date
- 15-Jun-2012
- Effective Date
- 01-Dec-2010
- Effective Date
- 01-Mar-2010
- Effective Date
- 01-Oct-2009
- Effective Date
- 01-Oct-2008
- Effective Date
- 15-Jan-2008
- Effective Date
- 01-Dec-2007
- Effective Date
- 01-Sep-2006
- Effective Date
- 01-Sep-2006
- Effective Date
- 15-Aug-2006
- Effective Date
- 01-Mar-2006
- Effective Date
- 15-Feb-2006
Overview
ASTM D6317-15 sets forth the standard test method for the low-level determination of total carbon (TC), inorganic carbon (IC), and total organic carbon (TOC) in water. This method uses ultraviolet (UV) and persulfate oxidation, combined with membrane conductivity detection, to measure carbon concentrations ranging from 10 to 1000 μg/L. Widely utilized in laboratory and grab sample analysis, ASTM D6317-15 is particularly valuable in monitoring organic impurities in high-purity water across nuclear power, pharmaceutical, and electronics industries.
The standard describes a sensitive and stable approach for quantifying various forms of carbon in water samples, ensuring reliable monitoring even at low concentrations. The method’s adaptability to a wide range of natural, domestic, and industrial water sources underscores its broad applicability and importance in water quality control.
Key Topics
- Measurement Principles: Employs ultraviolet and persulfate oxidation to convert organic carbon to carbon dioxide, which is then transferred through a selective membrane for conductivity-based detection.
- Detection Limits: Capable of detecting carbon in water at very low levels (10–1000 μg/L), suitable for stringent purity requirements.
- Sample Processing: Addresses both direct sample analysis and the need for removal of high inorganic carbon backgrounds via vacuum degassing or sparging.
- Data Interpretation: Utilizes chemometric equations relating CO₂, bicarbonate, hydrogen ions, and conductivity to accurately quantify carbon forms.
- Quality Control: Recommends rigorous measures for sample collection, storage, blank correction, and calibration to minimize contamination and ensure method precision.
Applications
The ASTM D6317-15 standard is routinely applied in settings where tight control of organic and inorganic carbon levels is critical:
- High-Purity Water Monitoring: Particularly in nuclear power plants, pharmaceutical manufacturing, and electronics fabrication, where TOC is a marker for process and product purity.
- Environmental Testing: Suitable for assessing water quality in lakes, rivers, and reservoirs, as well as municipal and industrial water supplies.
- Regulatory Compliance: Assists facilities in meeting stringent water quality standards and regulatory requirements for permissible organic and inorganic carbon content.
- Quality Assurance in Laboratories: Offers a validated protocol for both research and routine monitoring, supporting consistent and reproducible results.
Related Standards
ASTM D6317-15 references and aligns with several key ASTM standards in water analysis, including:
- ASTM D1193: Specification for Reagent Water, ensuring high-purity water for testing.
- ASTM D5997: Test Method for On-Line Monitoring of Total Carbon and Inorganic Carbon in Water via similar oxidation and detection techniques, suitable for automated process control.
- ASTM D4519: Test Method for the on-line determination of anions and carbon dioxide in high-purity water, relevant for continuous monitoring applications.
- ASTM D2777: Practice for Determination of Precision and Bias of Applicable Test Methods of Committee D19 on Water.
- ASTM D3370: Practices for Sampling Water from Closed Conduits, crucial for accurate water sample collection.
Practical Value
Implementing ASTM D6317-15 ensures:
- High Sensitivity and Accuracy: Enables laboratories to detect and report TOC, TC, and IC at extremely low levels, minimizing the risk of organic contamination.
- Reproducibility: Robust methodology supports consistency across independent laboratories and between replicates.
- Stability: Membrane conductivity detection system is highly stable, minimizing drift and reducing interference for reliable water analysis.
- Versatility: Applicable to a range of water matrices and adaptable for either batch or continuous, on-line monitoring.
Professionals involved in water quality assessment, process control, and regulatory monitoring rely on ASTM D6317-15 for precise and dependable carbon analysis in critical and sensitive applications.
Buy Documents
ASTM D6317-15 - Standard Test Method for Low Level Determination of Total Carbon, Inorganic Carbon and Organic Carbon in Water by Ultraviolet, Persulfate Oxidation, and Membrane Conductivity Detection
REDLINE ASTM D6317-15 - Standard Test Method for Low Level Determination of Total Carbon, Inorganic Carbon and Organic Carbon in Water by Ultraviolet, Persulfate Oxidation, and Membrane Conductivity Detection
Get Certified
Connect with accredited certification bodies for this standard

NSF International
Global independent organization facilitating standards development and certification.
CIS Institut d.o.o.
Personal Protective Equipment (PPE) certification body. Notified Body NB-2890 for EU Regulation 2016/425 PPE.

Kiwa BDA Testing
Building and construction product certification.
Sponsored listings
Frequently Asked Questions
ASTM D6317-15 is a standard published by ASTM International. Its full title is "Standard Test Method for Low Level Determination of Total Carbon, Inorganic Carbon and Organic Carbon in Water by Ultraviolet, Persulfate Oxidation, and Membrane Conductivity Detection". This standard covers: SIGNIFICANCE AND USE 5.1 This test method is used for determination of the carbon content of water from a variety of natural, domestic, and industrial sources. In its most common form, this test method is used to measure organic carbon as a means of monitoring organic impurities in high purity process water used in industries such as nuclear power, pharmaceutical, and electronics. SCOPE 1.1 This test method covers the determination of total carbon (TC), inorganic carbon (IC), and total organic carbon (TOC) in water in the range from 10 to 1000 μg/L of carbon. This method is for laboratory or grab sample applications and has been subjected to an interlaboratory study under the guidelines of D2777. Test Method D5997 can be used for on-line determinations. The test method utilizes persulfate or ultraviolet oxidation of organic carbon, or both coupled with a CO2 selective membrane to recover the CO2 into deionized water. The change in conductivity of the deionized water is measured and related to carbon concentration in the oxidized sample. Inorganic carbon is determined in a similar manner without the oxidation step. In both cases, the sample is acidified to facilitate CO2 recovery through the membrane. The relationship between the conductivity measurement and carbon concentration is described by a set of chemometric equations for the chemical equilibrium of CO2, HCO3– , and H+, and the relationship between the ionic concentrations and the conductivity. The chemometric model includes the temperature dependence of the equilibrium constants and the specific conductances resulting in linear response of the method over the stated range of TOC. See Test Method D4519 for a discussion of the measurement of CO2 by conductivity. 1.2 This test method has the advantage of a very high sensitivity detector that allows very low detection levels on relatively small volumes of sample. Also, use of two measurement channels allows determination of CO2 in the sample independently of organic carbon. Isolation of the conductivity detector from the sample by the CO2 selective membrane results in a very stable calibration, with minimal interferences. 1.3 This test method was used successfully with reagent water spiked with various organic materials. It is the user's responsibility to ensure the validity of this test method for waters of untested matrices. 1.4 In addition to laboratory analyses, this test method may be adapted to on line monitoring. See Test Method D5997. 1.5 The values stated in SI units are to be regarded as standard. No other units of measurement are included in this standard. 1.6 This standard does not purport to address all of the safety concerns, if any, associated with its use. It is the responsibility of the user of this standard to establish appropriate safety and health practices and determine the applicability of regulatory limitations prior to use.
SIGNIFICANCE AND USE 5.1 This test method is used for determination of the carbon content of water from a variety of natural, domestic, and industrial sources. In its most common form, this test method is used to measure organic carbon as a means of monitoring organic impurities in high purity process water used in industries such as nuclear power, pharmaceutical, and electronics. SCOPE 1.1 This test method covers the determination of total carbon (TC), inorganic carbon (IC), and total organic carbon (TOC) in water in the range from 10 to 1000 μg/L of carbon. This method is for laboratory or grab sample applications and has been subjected to an interlaboratory study under the guidelines of D2777. Test Method D5997 can be used for on-line determinations. The test method utilizes persulfate or ultraviolet oxidation of organic carbon, or both coupled with a CO2 selective membrane to recover the CO2 into deionized water. The change in conductivity of the deionized water is measured and related to carbon concentration in the oxidized sample. Inorganic carbon is determined in a similar manner without the oxidation step. In both cases, the sample is acidified to facilitate CO2 recovery through the membrane. The relationship between the conductivity measurement and carbon concentration is described by a set of chemometric equations for the chemical equilibrium of CO2, HCO3– , and H+, and the relationship between the ionic concentrations and the conductivity. The chemometric model includes the temperature dependence of the equilibrium constants and the specific conductances resulting in linear response of the method over the stated range of TOC. See Test Method D4519 for a discussion of the measurement of CO2 by conductivity. 1.2 This test method has the advantage of a very high sensitivity detector that allows very low detection levels on relatively small volumes of sample. Also, use of two measurement channels allows determination of CO2 in the sample independently of organic carbon. Isolation of the conductivity detector from the sample by the CO2 selective membrane results in a very stable calibration, with minimal interferences. 1.3 This test method was used successfully with reagent water spiked with various organic materials. It is the user's responsibility to ensure the validity of this test method for waters of untested matrices. 1.4 In addition to laboratory analyses, this test method may be adapted to on line monitoring. See Test Method D5997. 1.5 The values stated in SI units are to be regarded as standard. No other units of measurement are included in this standard. 1.6 This standard does not purport to address all of the safety concerns, if any, associated with its use. It is the responsibility of the user of this standard to establish appropriate safety and health practices and determine the applicability of regulatory limitations prior to use.
ASTM D6317-15 is classified under the following ICS (International Classification for Standards) categories: 13.060.50 - Examination of water for chemical substances. The ICS classification helps identify the subject area and facilitates finding related standards.
ASTM D6317-15 has the following relationships with other standards: It is inter standard links to ASTM D6317-98(2009), ASTM D1129-13(2020)e2, ASTM D4519-16, ASTM D2777-12, ASTM D3370-10, ASTM D1129-10, ASTM D5997-96(2009), ASTM D3370-08, ASTM D2777-08, ASTM D3370-07, ASTM D1129-06a, ASTM D1129-06ae1, ASTM D2777-06, ASTM D1193-06, ASTM D1129-06. Understanding these relationships helps ensure you are using the most current and applicable version of the standard.
ASTM D6317-15 is available in PDF format for immediate download after purchase. The document can be added to your cart and obtained through the secure checkout process. Digital delivery ensures instant access to the complete standard document.
Standards Content (Sample)
This international standard was developed in accordance with internationally recognized principles on standardization established in the Decision on Principles for the
Development of International Standards, Guides and Recommendations issued by the World Trade Organization Technical Barriers to Trade (TBT) Committee.
Designation: D6317 − 15
Standard Test Method for
Low Level Determination of Total Carbon, Inorganic Carbon
and Organic Carbon in Water by Ultraviolet, Persulfate
Oxidation, and Membrane Conductivity Detection
This standard is issued under the fixed designation D6317; the number immediately following the designation indicates the year of
original adoption or, in the case of revision, the year of last revision. A number in parentheses indicates the year of last reapproval. A
superscript epsilon (´) indicates an editorial change since the last revision or reapproval.
1. Scope responsibility to ensure the validity of this test method for
waters of untested matrices.
1.1 This test method covers the determination of total
carbon (TC), inorganic carbon (IC), and total organic carbon 1.4 In addition to laboratory analyses, this test method may
(TOC) in water in the range from 10 to 1000 µg/L of carbon. be adapted to on line monitoring. See Test Method D5997.
This method is for laboratory or grab sample applications and
1.5 The values stated in SI units are to be regarded as
has been subjected to an interlaboratory study under the
standard. No other units of measurement are included in this
guidelines of D2777. Test Method D5997 can be used for
standard.
on-line determinations. The test method utilizes persulfate or
1.6 This standard does not purport to address all of the
ultraviolet oxidation of organic carbon, or both coupled with a
safety concerns, if any, associated with its use. It is the
CO selective membrane to recover the CO into deionized
2 2
responsibility of the user of this standard to establish appro-
water. The change in conductivity of the deionized water is
priate safety and health practices and determine the applica-
measured and related to carbon concentration in the oxidized
bility of regulatory limitations prior to use.
sample. Inorganic carbon is determined in a similar manner
without the oxidation step. In both cases, the sample is
2. Referenced Documents
acidifiedtofacilitateCO recoverythroughthemembrane.The 2
2.1 ASTM Standards:
relationshipbetweentheconductivitymeasurementandcarbon
D1129 Terminology Relating to Water
concentration is described by a set of chemometric equations
D1192 Guide for Equipment for Sampling Water and Steam
– +
for the chemical equilibrium of CO , HCO , and H , and the
2 3
in Closed Conduits (Withdrawn 2003)
relationship between the ionic concentrations and the conduc-
D1193 Specification for Reagent Water
tivity. The chemometric model includes the temperature de-
D2777 Practice for Determination of Precision and Bias of
pendence of the equilibrium constants and the specific conduc-
Applicable Test Methods of Committee D19 on Water
tancesresultinginlinearresponseofthemethodoverthestated
D3370 Practices for Sampling Water from Closed Conduits
range of TOC. See Test Method D4519 for a discussion of the
D4210 Practice for Intralaboratory Quality Control Proce-
measurement of CO by conductivity.
dures and a Discussion on Reporting Low-Level Data
1.2 This test method has the advantage of a very high
(Withdrawn 2002)
sensitivity detector that allows very low detection levels on
D5997 Test Method for On-Line Monitoring of Total
relatively small volumes of sample.Also, use of two measure-
Carbon, Inorganic Carbon in Water by Ultraviolet, Persul-
ment channels allows determination of CO in the sample
fate Oxidation, and Membrane Conductivity Detection
independently of organic carbon. Isolation of the conductivity
D4519 Test Method for On-Line Determination of Anions
detector from the sample by the CO selective membrane
and Carbon Dioxide in High Purity Water by Cation
results in a very stable calibration, with minimal interferences.
Exchange and Degassed Cation Conductivity
1.3 This test method was used successfully with reagent
3. Terminology
water spiked with various organic materials. It is the user’s
3.1 Definitions—For definitions of terms used in this test
method, refer to Terminology D1129.
This test method is under the jurisdiction of ASTM Committee D19 on Water
and is the direct responsibility of Subcommittee D19.03 on Sampling Water and For referenced ASTM standards, visit the ASTM website, www.astm.org, or
Water-Formed Deposits, Analysis of Water for Power Generation and Process Use, contact ASTM Customer Service at service@astm.org. For Annual Book of ASTM
On-Line Water Analysis, and Surveillance of Water. Standards volume information, refer to the standard’s Document Summary page on
Current edition approved May 1, 2015. Published August 2015. Originally the ASTM website.
approved in 1998. Last previous edition approved in 2009 as D6317 – 98 (2009). The last approved version of this historical standard is referenced on
DOI: 10.1520/D6317-15. www.astm.org.
Copyright © ASTM International, 100 Barr Harbor Drive, PO Box C700, West Conshohocken, PA 19428-2959. United States
D6317 − 15
3.2 Definitions of Terms Specific to This Standard: 6.2 Chloride ion above 250 mg/L tends to interfere with
3.2.1 inorganic carbon (IC), n—carbon in the form of oxidative reaction mechanisms in this test method. Follow
carbon dioxide, carbonate ion, or bicarbonate ion. manufacturer’s instructions for dealing with this problem.
Other interferences have been investigated and found to be
3.2.2 refractory material, n—that which cannot be oxidized
minimal under most conditions. Refer to the reference (2) for
completely under the test method conditions.
more information.
3.2.3 total carbon (TC), n—the sum of IC and TOC.
6.3 Note that error will be introduced when the method of
3.2.4 total organic carbon (TOC), n—carbon in the form of
difference is used to derive a relatively small level from two
organic compounds.
large levels. In this case the vacuum degassing unit on the
instrument should be used to reduce the concentration of IC
4. Summary of Test Method
prior to measurement. Alternatively, the sample can be acidi-
4.1 Carbon can occur in water as inorganic and organic
fied and sparged prior to introduction into the instrument.
compounds.This test method can be used to make independent
6.4 Use of the vacuum degassing unit or sparging the
measurementsofICandTCandcanalsodetermineTOCasthe
sample may cause loss of volatile organic compounds, thus
difference of TC and IC. If IC is high relative to TOC it is
yielding a value lower than the true TOC level. At low TOC
desirable to use a vacuum degassing unit to reduce the IC
levels,thedegassingunitmayintroduceameasurableTOCand
concentration as part of the measurement.Alternatively, the IC
IC background. The user should characterize the background
can be removed by acidifying and sparging the sample prior to
and performance of the degassing module for their application.
injection into the instrument. The basic steps of the procedure
Table 1 provides typical IC removal performance and back-
are as follows:
ground levels of the vacuum degassing unit.
(1) Removal of IC, if desired, by vacuum degassing;
(2) Conversion of remaining inorganic carbon to CO by
6.5 Contamination of the sample with both CO and organic
action of acid in both channels and oxidation of total carbon to
carbon is a severe problem as lower levels of analyte are
CO by action of ultraviolet (UV) radiation in the TC channel.
attempted. Throughout this method, the analyst must be vigi-
(Acid-persulfate can be added but is usually not required at
lant for all potential sources of contamination and must
TOC levels below 1 ppm).
monitor blanks and adjust operations to prevent contamination.
(3) Detection of CO that is swept out of the UV reactor
6.6 The membrane conductivity detection technique may
and delay coil by the liquid stream and passed through
experience positive interference in the presence of low mo-
membranes that allow the specific passage of CO to high
lecular weight, reduced, inorganic acid species such as HSor
purity water where change in conductivity is measured and;
HNO . Such interferences can be eliminated by oxidation or
(4) Conversion of the conductivity detector signal to a
removal of the gas.
display of carbon concentration in parts per million (ppm =
mg/L)orpartsperbillion(ppb=µg/L).TheICchannelreading
7. Apparatus
is subtracted from the TC channel to give a TOC reading. A
7.1 Apparatus for Carbon Determination—Atypical instru-
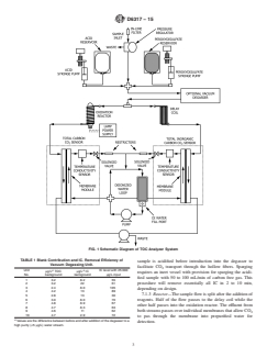
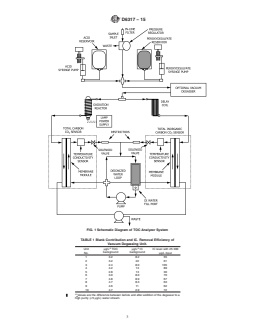
diagram of suitable apparatus is given in Fig. 1. References
ment consists of reagent and sample introduction mechanism,
1-5 provide additional information on the method.
reaction vessel, detector, control system, and a display. Fig. 1
shows a diagram of such an arrangement.
5. Significance and Use
7.1.1 Sampling Needle—A double chambered needle ca-
5.1 This test method is used for determination of the carbon
pable of piercing the sample bottle septum and pulling sample
content of water from a variety of natural, domestic, and
from the bottom of the bottle is used. The second chamber
industrial sources. In its most common form, this test method
vents the top of the bottle to prevent vacuum build up as the
is used to measure organic carbon as a means of monitoring
sample is withdrawn. Typically this needle is mounted on an
organic impurities in high purity process water used in indus-
autosampler to provide unattended analysis of several samples.
tries such as nuclear power, pharmaceutical, and electronics.
7.1.2 IC Removal—Vacuum degassing requires the manu-
facturer’s module which includes a vacuum pump and a
6. Interferences and Limitations
hollow fiber membrane assembly. Use of this vacuum degasser
6.1 The oxidation of dissolved carbon to CO is brought
will remove essentially all IC as part of the analysis. The
about at relatively low temperatures by the chemical action of
membrane module consists of a tube and shell arrangement of
reactive species produced by UV-irradiated persulfate ions and
microporous polypropylene hollow fibers. Sample flows along
water. Not all suspended or refractory material may be oxi-
the inside of the fibers, while air is passed on the shell
dized under these conditions; analysts should take steps to
side-counterflow to the sample flow. The shell side pressure is
determine what recovery is being obtained. This may be done
reduced by means of a vacuum pump on the air outlet. The
by several methods: by rerunning the sample under more
vigorousreactionconditionsorbyspikingsampleswithknown
refractories and determining recovery.
Instruments manufactured and marketed by Sievers Instruments, Inc., 6185
Arapahoe Ave., Suite H1, Boulder, CO 80303 have been found satisfactory. If you
are aware of alternative suppliers, please provide this information to ASTM
The boldface numbers in parentheses refer to the list of references found at the International Headquarters. Your comments will receive careful consideration at a
end of this test method. meeting of the responsible technical committee, which you may attend.
D6317 − 15
FIG. 1 Schematic Diagram of TOC Analyzer System
TABLE 1 Blank Contribution and IC. Removal Efficiency of
sample is acidified before introduction into the degasser to
Vacuum Degassing Unit.
facilitate CO transport through the hollow fibers. Sparging
A A
Unit µg/L TOC µg/L IC IC level with 25 000
requires an inert vessel with provision for sparging the acidi-
background background
No. µg/L input
fied sample with 50 to 100 mL/min of carbon free gas. This
1 3.2 8.2 55
procedure will remove essentially all IC in 2 to 10 min,
2 3.2 22 61
3 2.4 8.0 105
depending on design.
4 4.2 13 89
7.1.3 Reactor—The sample flow is split after the addition of
5 2.8 13 30
6 3.0 8.0 70
reagents. Half of the flow passes to the delay coil while the
7 4.8 8.9 67
other half passes into the oxidation reactor. The effluent from
8 4.7 8.3 63
94.6 11 62 bothstreamspassesoverindividualmembranesthatallowCO
10 4.7 2.9 72
to pas through the membrane into prepurified water for
A
Values are the difference between before and after addition of the degasser to a
detection.
high purity (<5 µg/L) water stream.
D6317 − 15
7.1.4 Membrane—The membrane is a CO selective fluo- organic carbon contamination. Since halogens are potential
ropolymer which is hydrophobic and non-porous. Refer to the interferences, use only sulfuric or phosphoric acid for reagents.
bibliography for additional details. Sulfuric acid is prepared by diluting 336 mL of 95 % reagent
7.1.5 Detector—The CO that has passed through the mem- (sp gr 1.84) to 1 L with reagent water. Phosphoric acid is
brane into the purified water is measured by conductivity prepared by diluting 410 mL of 85 % reagent (sp gr 1.69) to 1
sensors. The temperature of the conductivity cell is also Lwithwater.Certificationofreagentassayshouldbeavailable.
automatically monitored so the readings can be corrected for Reagentsinprepackagedcontainersfromtheinstrumentmanu-
changes in temperature. facturer have been found to be acceptable.
7.1.6 Data Display—The conductivity detector output is
8.5 Organic Carbon, Standard Solution (1000 mg/L)—
relatedtostoredcalibrationdataandthendisplayedaspartsper
Choose a water-soluble, stable reagent grade compound, such
million, (ppm = mg of carbon per litre) or parts per billion,
as benzoic acid or anhydrous potassium hydrogen phthalate
(ppb = µg of carbon per litre).Values are given forTC, IC, and
(KHC H O ). Calculate the weight of compound required to
8 4 4
TOC by difference.
make 1 L of organic carbon standard solution; for example,
KHC H O = 0.471 g of carbon per g, so one L of 1 g/L of
4 4
8. Reagents and Materials
standard requires 1/0.471, or 2.12, grams of KHP. Dissolve the
8.1 Purity of Reagents—Reagent grade chemicals shall be
required amount of standard in some CO -free water in a 1-L
used in all tests. Unless otherwise indicated, it is intended that
volumetric flask, add 1 mL of sulfuric acid, and dilute to
all reagents conform to the specifications of the Committee on
volume. Dilutions of this stock solution are to be used to
AnalyticalReagentsoftheAmericanChemicalSociety, where
calibrate and test performance of the carbon analyzer.
such specifications are available. Other grades may be used,
9. Sampling and Sample Preservation
provided it is first ascertained that the reagent is of sufficient
9.1 Collect the sample in accordance with Specification
purity to permit its use without lessening the accuracy of the
D1192 and Practices D3370.
determination.
9.2 Samples must be collected in contamination free bottles
8.2 Purity of Water—Unless otherwise indicated, references
sealed with a fluoropolymer lined septa. Specially cleaned (for
towatershallbeunderstoodtomeanreagentwaterconforming
TOC) 40 ml bottles are commercially available. The sample
to Type I or Type II in Specification D1193. The indicated
bottle should be rinsed several times with the sample, filled,
specification does not actually specify inorganic carbon or
and then tightly sealed.
organic carbon levels.These levels can affect the results of this
test method, especially at progressively lower levels of the
9.3 To preserve samples for this analysis, store samples in
carboncontentinthesamplestobemeasured.Whereinorganic
glass at 4°C. To aid preservation, acidify the samples to a pH
carbon in reagent water is significant, CO -free water may be
of 2. It should be noted that acidification will enhance loss of
prepared from reagent water by acidifying to pH 2, then
inorganiccarbon.Ifthepurgeableorganicfractionisimportant,
sparging with fritted-glass sparger using CO -free gas (time
fill the sample bottles to overflowing with a minimum of
will depend on volume and gas flow rate, and should be
turbulence and cap them using a fluoropolymer-lined cap,
determined by test). The carbon contribution of the reagent
without headspace.
water should be determined and its effect allowed for in
9.4 For water samples where carbon concentrations are
preparation of standards and other solutions. CO -free water
greater than the desired range of instrument operation, dilute
should be protected from atmospheric contaminatio
...
This document is not an ASTM standard and is intended only to provide the user of an ASTM standard an indication of what changes have been made to the previous version. Because
it may not be technically possible to adequately depict all changes accurately, ASTM recommends that users consult prior editions as appropriate. In all cases only the current version
of the standard as published by ASTM is to be considered the official document.
Designation: D6317 − 98 (Reapproved 2009) D6317 − 15
Standard Test Method for
Low Level Determination of Total Carbon, Inorganic Carbon
and Organic Carbon in Water by Ultraviolet, Persulfate
Oxidation, and Membrane Conductivity Detection
This standard is issued under the fixed designation D6317; the number immediately following the designation indicates the year of
original adoption or, in the case of revision, the year of last revision. A number in parentheses indicates the year of last reapproval. A
superscript epsilon (´) indicates an editorial change since the last revision or reapproval.
1. Scope
1.1 This test method covers the determination of total carbon (TC), inorganic carbon (IC), and total organic carbon (TOC) in
water in the range from 10 to 1000 μg/L of carbon. This method is for laboratory or grab sample applications and has been
subjected to an interlaboratory study under the guidelines of D2777. Test Method D5997 can be used for on-line determinations.
The test method utilizes persulfate or ultraviolet oxidation of organic carbon, or both coupled with a CO selective membrane to
recover the CO into deionized water. The change in conductivity of the deionized water is measured and related to carbon
concentration in the oxidized sample. Inorganic carbon is determined in a similar manner without the oxidation step. In both cases,
the sample is acidified to facilitate CO recovery through the membrane. The relationship between the conductivity measurement
– +
and carbon concentration is described by a set of chemometric equations for the chemical equilibrium of CO , HCO , and H ,
2 3
and the relationship between the ionic concentrations and the conductivity. The chemometric model includes the temperature
dependence of the equilibrium constants and the specific conductances resulting in linear response of the method over the stated
range of TOC. See Test Method D4519 for a discussion of the measurement of CO by conductivity.
1.2 This test method has the advantage of a very high sensitivity detector that allows very low detection levels on relatively
small volumes of sample. Also, use of two measurement channels allows determination of CO in the sample independently of
organic carbon. Isolation of the conductivity detector from the sample by the CO selective membrane results in a very stable
calibration, with minimal interferences.
1.3 This test method was used successfully with reagent water spiked with various organic materials. It is the user’s
responsibility to ensure the validity of this test method for waters of untested matrices.
1.4 In addition to laboratory analyses, this test method may be adapted to on line monitoring. See Test Method D5997.
1.5 The values stated in SI units are to be regarded as standard. No other units of measurement are included in this standard.
1.6 This standard does not purport to address all of the safety concerns, if any, associated with its use. It is the responsibility
of the user of this standard to establish appropriate safety and health practices and determine the applicability of regulatory
limitations prior to use.
2. Referenced Documents
2.1 ASTM Standards:
D1129 Terminology Relating to Water
D1192 Guide for Equipment for Sampling Water and Steam in Closed Conduits (Withdrawn 2003)
D1193 Specification for Reagent Water
D2777 Practice for Determination of Precision and Bias of Applicable Test Methods of Committee D19 on Water
D3370 Practices for Sampling Water from Closed Conduits
D4210 Practice for Intralaboratory Quality Control Procedures and a Discussion on Reporting Low-Level Data (Withdrawn
2002)
This test method is under the jurisdiction of ASTM Committee D19 on Water and is the direct responsibility of Subcommittee D19.03 on Sampling Water and
Water-Formed Deposits, Analysis of Water for Power Generation and Process Use, On-Line Water Analysis, and Surveillance of Water.
Current edition approved Oct. 1, 2009May 1, 2015. Published November 2009August 2015. Originally approved in 1998. Last previous edition approved in 20042009
as D6317 – 98 (2004).(2009). DOI: 10.1520/D6317-98R09.10.1520/D6317-15.
For referenced ASTM standards, visit the ASTM website, www.astm.org, or contact ASTM Customer Service at service@astm.org. For Annual Book of ASTM Standards
volume information, refer to the standard’s Document Summary page on the ASTM website.
The last approved version of this historical standard is referenced on www.astm.org.
Copyright © ASTM International, 100 Barr Harbor Drive, PO Box C700, West Conshohocken, PA 19428-2959. United States
D6317 − 15
D5997 Test Method for On-Line Monitoring of Total Carbon, Inorganic Carbon in Water by Ultraviolet, Persulfate Oxidation,
and Membrane Conductivity Detection
D4519 Test Method for On-Line Determination of Anions and Carbon Dioxide in High Purity Water by Cation Exchange and
Degassed Cation Conductivity
3. Terminology
3.1 Definitions—For definitions of terms used in this test method, refer to Terminology D1129.
3.2 Definitions of Terms Specific to This Standard:
3.2.1 inorganic carbon (IC)—(IC), n—carbon in the form of carbon dioxide, carbonate ion, or bicarbonate ion.
3.2.2 refractory material—material, n—that which cannot be oxidized completely under the test method conditions.
3.2.3 total carbon (TC)—(TC), n—the sum of IC and TOC.
3.2.4 total organic carbon (TOC)—(TOC), n—carbon in the form of organic compounds.
4. Summary of Test Method
4.1 Carbon can occur in water as inorganic and organic compounds. This test method can be used to make independent
measurements of IC and TC and can also determine TOC as the difference of TC and IC. If IC is high relative to TOC it is desirable
to use a vacuum degassing unit to reduce the IC concentration as part of the measurement. Alternatively, the IC can be removed
by acidifying and sparging the sample prior to injection into the instrument. The basic steps of the procedure are as follows:
(1) Removal of IC, if desired, by vacuum degassing;
(2) Conversion of remaining inorganic carbon to CO by action of acid in both channels and oxidation of total carbon to CO
2 2
by action of ultraviolet (UV) radiation in the TC channel. (Acid-persulfate can be added but is usually not required at TOC levels
below 1 ppm).
(3) Detection of CO that is swept out of the U.V.UV reactor and delay coil by the liquid stream and passed through membranes
that allow the specific passage of CO to high purity water where change in conductivity is measured and;
(4) Conversion of the conductivity detector signal to a display of carbon concentration in parts per million (ppm=mg/L) (ppm
= mg/L) or parts per billion (ppb=μg/L). (ppb = μg/L). The IC channel reading is subtracted from the TC channel to give a TOC
reading. A diagram of suitable apparatus is given in Fig. 1. References 1-5 provide additional information on the method.
5. Significance and Use
5.1 This test method is used for determination of the carbon content of water from a variety of natural, domestic, and industrial
sources. In its most common form, this test method is used to measure organic carbon as a means of monitoring organic impurities
in high purity process water used in industries such as nuclear power, pharmaceutical, and electronics.
6. Interferences and Limitations
6.1 The oxidation of dissolved carbon to CO is brought about at relatively low temperatures by the chemical action of reactive
species produced by UV-irradiated persulfate ions and water. Not all suspended or refractory material may be oxidized under these
conditions; analysts should take steps to determine what recovery is being obtained. This may be done by several methods: by
rerunning the sample under more vigorous reaction conditions or by spiking samples with known refractories and determining
recovery.
6.2 Chloride ion above 250 mg/L tends to interfere with oxidative reaction mechanisms in this test method. Follow
manufacturer’s instructions for dealing with this problem. Other interferences have been investigated and found to be minimal
under most conditions. Refer to the reference (2) for more information.
6.3 Note that error will be introduced when the method of difference is used to derive a relatively small level from two large
levels. In this case the vacuum degassing unit on the instrument should be used to reduce the concentration of IC prior to
measurement. Alternatively, the sample can be acidified and sparged prior to introduction into the instrument.
6.4 Use of the vacuum degassing unit or sparging the sample may cause loss of volatile organic compounds, thus yielding a
value lower than the true TOC level. At low TOC levels, the degassing unit may introduce a measurable TOC and IC background.
The user should characterize the background and performance of the degassing module for their application. Table 1 provides
typical IC removal performance and background levels of the vacuum degassing unit.
6.5 Contamination of the sample with both CO and organic carbon is a severe problem as lower levels of analyte are attempted.
Throughout this method, the analyst must be vigilant for all potential sources of contamination and must monitor blanks and adjust
operations to prevent contamination.
The boldface numbers in parentheses refer to the list of references found at the end of this test method.
D6317 − 15
FIG. 1 Schematic Diagram of TOC Analyzer System
TABLE 1 Blank Contribution and IC. Removal Efficiency of
Vacuum Degassing Unit.
A A
Unit μg/L TOC μg/L IC IC level with 25 000
background background
No. μg/L input
1 3.2 8.2 55
2 3.2 22 61
3 2.4 8.0 105
4 4.2 13 89
5 2.8 13 30
6 3.0 8.0 70
7 4.8 8.9 67
8 4.7 8.3 63
9 4.6 11 62
10 4.7 2.9 72
A
Values are the difference between before and after addition of the degasser to a
high purity (<5 μg/L) water stream.
D6317 − 15
6.6 The membrane conductivity detection technique may experience positive interference in the presence of low molecular
weight, reduced, inorganic acid species such as H S or HNO . Such interferences can be eliminated by oxidation or removal of
2 2
the gas.
7. Apparatus
7.1 Apparatus for Carbon Determination—A typical instrument consists of reagent and sample introduction mechanism,
reaction vessel, detector, control system, and a display. Fig. 1 shows a diagram of such an arrangement.
7.1.1 Sampling Needle—A double chambered needle capable of piercing the sample bottle septum and pulling sample from the
bottom of the bottle is used. The second chamber vents the top of the bottle to prevent vacuum build up as the sample is withdrawn.
Typically this needle is mounted on an autosampler to provide unattended analysis of several samples.
7.1.2 I.C.IC Removal—Vacuum degassing requires the manufacturer’s module which includes a vacuum pump and a hollow
fiber membrane assembly. Use of this vacuum degasser will remove essentially all IC as part of the analysis. The membrane
module consists of a tube and shell arrangement of microporous polypropylene hollow fibers. Sample flows along the inside of
the fibers, while air is passed on the shell side-counterflow to the sample flow. The shell side pressure is reduced by means of a
vacuum pump on the air outlet. The sample is acidified before introduction into the degasser to facilitate CO transport through
the hollow fibers. Sparging requires an inert vessel with provision for sparging the acidified sample with 50 to 100 mL/min of
carbon free gas. This procedure will remove essentially all IC in 2 to 10 min, depending on design.
7.1.3 Reactor—The sample flow is split after the addition of reagents. Half of the flow passes to the delay coil while the other
half passes into the oxidation reactor. The effluent from both streams passes over individual membranes that allow CO to pas
through the membrane into prepurified water for detection.
7.1.4 Membrane—The membrane is a CO selective fluoropolymer which is hydrophobic and non-porous. Refer to the
bibliography for additional details.
7.1.5 Detector—The CO that has passed through the membrane into the purified water is measured by conductivity sensors.
The temperature of the conductivity cell is also automatically monitored so the readings can be corrected for changes in
temperature.
7.1.6 Data Display—The conductivity detector output is related to stored calibration data and then displayed as parts per
million, (ppm = mg of carbon per litre) or parts per billion, (ppb = μg of carbon per L).litre). Values are given for TC, IC, and TOC
by difference.
8. Reagents and Materials
8.1 Purity of Reagents—Reagent grade chemicals shall be used in all tests. Unless otherwise indicated, it is intended that all
reagents conform to the specifications of the Committee on Analytical Reagents of the American Chemical Society, where such
specifications are available. Other grades may be used, provided it is first ascertained that the reagent is of sufficient purity to permit
its use without lessening the accuracy of the determination.
8.2 Purity of Water—Unless otherwise indicated, references to water shall be understood to mean reagent water conforming to
Type I or Type II in Specification D1193. The indicated specification does not actually specify inorganic carbon or organic carbon
levels. These levels can affect the results of this test method, especially at progressively lower levels of the carbon content in the
samples to be measured. Where inorganic carbon in reagent water is significant, CO -free water may be prepared from reagent
water by acidifying to pH 2, then sparging with fritted-glass sparger using CO -free gas (time will depend on volume and gas flow
rate, and should be determined by test). The carbon contribution of the reagent water should be determined and its effect allowed
for in preparation of standards and other solutions. CO -free water should be protected from atmospheric contamination. Glass
containers are required for storage of water and standard solutions. Continuous U.V.UV treatment of water with recycling through
appropriate mixed bed ion exchange resins may be necessary to maintain an adequately low TOC reagent water.
8.3 Persulfate Reagent (15 % w/v)—Prepare ammonium persulfate solution to a concentration of 15 % w/v by dissolving 15 g
of ammonium peroxydisulfate in water and diluting to 100 mL. Verify that it contains less than 2000 μg/L organic carbon
contamination. Certification of reagent assay should be available. Reagents in prepackaged containers from the instrument
manufacturer have been found to be acceptable.
8.4 Acid Reagent (6M)—(6 M)—Prepare acid solution to a concentration of 6M and verify that it contains less than 600 μg/L
organic carbon contamination. Since halogens are potential interferences, use only sulfuric or phosphoric acid for reagents. Sulfuric
acid is prepared by diluting 336 mL of 95 % reagent (sp gr 1.84) to 1 L with reagent water. Phosphoric acid is prepared by diluting
Instruments manufactured and marketed by Sievers Instruments, Inc., 6185 Arapahoe Ave., Suite H1, Boulder, CO 80303 have been found satisfactory. If you are aware
of alternative suppliers, please provide this information to ASTM International Headquarters. Your comments will receive careful consideration at a meeting of the responsible
technical committee, which you may attend.
Reagent Chemicals, American Chemical Society Specifications.Specifications, American Chemical Society, Washington, DC. For suggestions on the testing of reagents
not listed by the American Chemical Society, see Analar Standards for Laboratory Chemicals, BDH Ltd., Poole, Dorset, U.K., and the United States Pharmacopeia and
National Formulary, U.S. Pharmaceutical Convention, Inc. (USPC), Rockville, MD.
D6317 − 15
410 mL of 85 % reagent (sp gr 1.69) to 1 L with water. Certification of reagent assay should be available. Reagents in prepackaged
containers from the instrument manufacturer have been found to be acceptable.
8.5 Organic Carbon, Standard Solution (1000 mg/L)—Choose a water-soluble, stable reagent grade compound, such as benzoic
acid or anhydrous potassium hydrogen phthalate (KHC H O ). Calculate the weight of compound required to make 1 L of organic
8 4 4
carbon standard solution; for example, KHC H O = 0.471 g of carbon per g, so one L of 1 g/L of standard requires 1/0.471, or
8 4 4
2.12, grams of KHP. Dissolve the required amount of st
...








Questions, Comments and Discussion
Ask us and Technical Secretary will try to provide an answer. You can facilitate discussion about the standard in here.
Loading comments...