ASTM D5904-02(2024)
(Test Method)Standard Test Method for Total Carbon, Inorganic Carbon, and Organic Carbon in Water by Ultraviolet, Persulfate Oxidation, and Membrane Conductivity Detection
Standard Test Method for Total Carbon, Inorganic Carbon, and Organic Carbon in Water by Ultraviolet, Persulfate Oxidation, and Membrane Conductivity Detection
SIGNIFICANCE AND USE
5.1 This test method is used for determination of the carbon content of water from a variety of natural, domestic, and industrial sources. In its most common form, this test method is used to measure organic carbon as a means of monitoring organic pollutants in high purity and drinking water. These measurements are also used in monitoring waste treatment processes.
5.2 The relationship of TOC to other water quality parameters such as chemical oxygen demand (COD) and total oxygen demand (TOD) is described in the literature (6).
SCOPE
1.1 This test method covers the determination of total carbon (TC), inorganic carbon (IC), and total organic carbon (TOC) in water in the range from 0.5 mg/L to 30 mg/L of carbon. Higher levels may be determined by sample dilution. The test method utilizes ultraviolet-persulfate oxidation of organic carbon, coupled with a CO2 selective membrane to recover the CO2 into deionized water. The change in conductivity of the deionized water is measured and related to carbon concentration in the oxidized sample. Inorganic carbon is determined in a similar manner without the requirement for oxidation. In both cases, the sample is acidified to facilitate CO2 recovery through the membrane. The relationship between the conductivity measurement and carbon concentration is described by a set of chemometric equations for the chemical equilibrium of CO2, HCO3−, H+, and the relationship between the ionic concentrations and the conductivity. The chemometric model includes the temperature dependence of the equilibrium constants and the specific conductances.
1.2 This test method has the advantage of a very high sensitivity detector that allows very low detection levels on relatively small volumes of sample. Also, use of two measurement channels allows determination of CO2 in the sample independently of organic carbon. Isolation of the conductivity detector from the sample by the CO2 selective membrane results in a very stable calibration, with minimal interferences.
1.3 This test method was used successfully with reagent water spiked with sodium bicarbonate and various organic materials. It is the user's responsibility to ensure the validity of this test method for waters of untested matrices.
1.4 This test method is applicable only to carbonaceous matter in the sample that can be introduced into the reaction zone. The injector opening size generally limits the maximum size of particles that can be introduced.
1.5 In addition to laboratory analyses, this test method may be applied to on line monitoring.
1.6 The values stated in SI units are to be regarded as standard. No other units of measurement are included in this standard.
1.7 This standard does not purport to address all of the safety concerns, if any, associated with its use. It is the responsibility of the user of this standard to establish appropriate safety, health, and environmental practices and determine the applicability of regulatory limitations prior to use.
1.8 This international standard was developed in accordance with internationally recognized principles on standardization established in the Decision on Principles for the Development of International Standards, Guides and Recommendations issued by the World Trade Organization Technical Barriers to Trade (TBT) Committee.
General Information
- Status
- Published
- Publication Date
- 31-Mar-2024
- Technical Committee
- D19 - Water
- Drafting Committee
- D19.06 - Methods for Analysis for Organic Substances in Water
Relations
- Effective Date
- 01-Apr-2024
- Referred By
ASTM D6908-06(2017) - Standard Practice for Integrity Testing of Water Filtration Membrane Systems - Effective Date
- 01-Apr-2024
- Effective Date
- 01-Apr-2024
- Effective Date
- 01-Apr-2024
Overview
ASTM D5904-02(2024) is a standard test method developed by ASTM International for determining total carbon (TC), inorganic carbon (IC), and total organic carbon (TOC) in water samples. It is applicable to water from diverse sources, including natural, domestic, and industrial environments. This method employs ultraviolet-persulfate oxidation and a CO₂-selective membrane, with measurement conducted through membrane conductivity detection. The technique is particularly valued for its high sensitivity, stability, and suitability for both laboratory analysis and online water monitoring.
Key Topics
- Measurement Range: Suitable for detecting carbon concentrations in water from 0.5 mg/L to 30 mg/L, with higher levels measurable after appropriate dilution.
- Test Principle: Organic carbon is oxidized using UV light and persulfate. The resulting CO₂ passes through a gas-permeable membrane and is measured indirectly by detecting changes in the conductivity of high-purity water.
- Separate Channels: The system uses two channels-one for total carbon measurement (TC) and one for inorganic carbon (IC). TOC is calculated as the difference between TC and IC.
- Sample Preparation: Samples must be acidified to enhance CO₂ release. For accurate measurements, especially in complex matrices, the test method recommends degassing or sparging to reduce IC levels.
- Interferences & Limitations: High chloride concentrations (>250 mg/L) and suspended or refractory materials may interfere. The particle size of samples must also be compatible with the injection system.
- Quality Assurance: Calibration verification, use of reagent blanks, and duplicate analysis are necessary to ensure precision and bias are within accepted limits.
Applications
- Water Quality Monitoring: TOC measurements are crucial for assessing the presence of organic pollutants in high-purity, drinking, and wastewater. This makes the method valuable for water utilities, regulatory compliance, and industrial process monitoring.
- Waste Treatment Evaluation: The standard is commonly used to monitor the effectiveness of wastewater treatment by quantifying reductions in organic carbon.
- Industrial Water Management: Industries such as semiconductor manufacturing, pharmaceuticals, and power generation utilize TOC/IC/TC analyses to maintain water purity and ensure product quality.
- Environmental Assessments: The method provides data for understanding carbon cycling and pollution levels in natural waters, supporting environmental protection and remediation efforts.
- Online Monitoring: Its capability for continuous, online measurement allows for real-time process control and immediate detection of contamination events.
Related Standards
- ASTM D1129 – Terminology Related to Water
- ASTM D1193 – Specification for Reagent Water
- ASTM D2777 – Practice for Determination of Precision and Bias of Applicable Test Methods of Committee D19 on Water
- ASTM D3370 – Practices for Sampling Water from Flowing Process Streams
- ASTM D5810 – Guide for Spiking into Aqueous Samples
- ASTM D5847 – Practice for Writing Quality Control Specifications for Water Analysis
Practical Value
This ASTM D5904-02(2024) standard provides a reliable, sensitive, and adaptable method for carbon analysis in water. Its high sensitivity and robust interference control support accurate monitoring of trace-level carbon, essential for regulatory compliance, public health protection, and process optimization. Laboratories and facilities seeking high confidence in their water quality data will benefit from implementing this standardized methodology for TOC, TC, and IC detection in diverse water matrices.
Buy Documents
ASTM D5904-02(2024) - Standard Test Method for Total Carbon, Inorganic Carbon, and Organic Carbon in Water by Ultraviolet, Persulfate Oxidation, and Membrane Conductivity Detection
Get Certified
Connect with accredited certification bodies for this standard

NSF International
Global independent organization facilitating standards development and certification.
CIS Institut d.o.o.
Personal Protective Equipment (PPE) certification body. Notified Body NB-2890 for EU Regulation 2016/425 PPE.

Kiwa BDA Testing
Building and construction product certification.
Sponsored listings
Frequently Asked Questions
ASTM D5904-02(2024) is a standard published by ASTM International. Its full title is "Standard Test Method for Total Carbon, Inorganic Carbon, and Organic Carbon in Water by Ultraviolet, Persulfate Oxidation, and Membrane Conductivity Detection". This standard covers: SIGNIFICANCE AND USE 5.1 This test method is used for determination of the carbon content of water from a variety of natural, domestic, and industrial sources. In its most common form, this test method is used to measure organic carbon as a means of monitoring organic pollutants in high purity and drinking water. These measurements are also used in monitoring waste treatment processes. 5.2 The relationship of TOC to other water quality parameters such as chemical oxygen demand (COD) and total oxygen demand (TOD) is described in the literature (6). SCOPE 1.1 This test method covers the determination of total carbon (TC), inorganic carbon (IC), and total organic carbon (TOC) in water in the range from 0.5 mg/L to 30 mg/L of carbon. Higher levels may be determined by sample dilution. The test method utilizes ultraviolet-persulfate oxidation of organic carbon, coupled with a CO2 selective membrane to recover the CO2 into deionized water. The change in conductivity of the deionized water is measured and related to carbon concentration in the oxidized sample. Inorganic carbon is determined in a similar manner without the requirement for oxidation. In both cases, the sample is acidified to facilitate CO2 recovery through the membrane. The relationship between the conductivity measurement and carbon concentration is described by a set of chemometric equations for the chemical equilibrium of CO2, HCO3−, H+, and the relationship between the ionic concentrations and the conductivity. The chemometric model includes the temperature dependence of the equilibrium constants and the specific conductances. 1.2 This test method has the advantage of a very high sensitivity detector that allows very low detection levels on relatively small volumes of sample. Also, use of two measurement channels allows determination of CO2 in the sample independently of organic carbon. Isolation of the conductivity detector from the sample by the CO2 selective membrane results in a very stable calibration, with minimal interferences. 1.3 This test method was used successfully with reagent water spiked with sodium bicarbonate and various organic materials. It is the user's responsibility to ensure the validity of this test method for waters of untested matrices. 1.4 This test method is applicable only to carbonaceous matter in the sample that can be introduced into the reaction zone. The injector opening size generally limits the maximum size of particles that can be introduced. 1.5 In addition to laboratory analyses, this test method may be applied to on line monitoring. 1.6 The values stated in SI units are to be regarded as standard. No other units of measurement are included in this standard. 1.7 This standard does not purport to address all of the safety concerns, if any, associated with its use. It is the responsibility of the user of this standard to establish appropriate safety, health, and environmental practices and determine the applicability of regulatory limitations prior to use. 1.8 This international standard was developed in accordance with internationally recognized principles on standardization established in the Decision on Principles for the Development of International Standards, Guides and Recommendations issued by the World Trade Organization Technical Barriers to Trade (TBT) Committee.
SIGNIFICANCE AND USE 5.1 This test method is used for determination of the carbon content of water from a variety of natural, domestic, and industrial sources. In its most common form, this test method is used to measure organic carbon as a means of monitoring organic pollutants in high purity and drinking water. These measurements are also used in monitoring waste treatment processes. 5.2 The relationship of TOC to other water quality parameters such as chemical oxygen demand (COD) and total oxygen demand (TOD) is described in the literature (6). SCOPE 1.1 This test method covers the determination of total carbon (TC), inorganic carbon (IC), and total organic carbon (TOC) in water in the range from 0.5 mg/L to 30 mg/L of carbon. Higher levels may be determined by sample dilution. The test method utilizes ultraviolet-persulfate oxidation of organic carbon, coupled with a CO2 selective membrane to recover the CO2 into deionized water. The change in conductivity of the deionized water is measured and related to carbon concentration in the oxidized sample. Inorganic carbon is determined in a similar manner without the requirement for oxidation. In both cases, the sample is acidified to facilitate CO2 recovery through the membrane. The relationship between the conductivity measurement and carbon concentration is described by a set of chemometric equations for the chemical equilibrium of CO2, HCO3−, H+, and the relationship between the ionic concentrations and the conductivity. The chemometric model includes the temperature dependence of the equilibrium constants and the specific conductances. 1.2 This test method has the advantage of a very high sensitivity detector that allows very low detection levels on relatively small volumes of sample. Also, use of two measurement channels allows determination of CO2 in the sample independently of organic carbon. Isolation of the conductivity detector from the sample by the CO2 selective membrane results in a very stable calibration, with minimal interferences. 1.3 This test method was used successfully with reagent water spiked with sodium bicarbonate and various organic materials. It is the user's responsibility to ensure the validity of this test method for waters of untested matrices. 1.4 This test method is applicable only to carbonaceous matter in the sample that can be introduced into the reaction zone. The injector opening size generally limits the maximum size of particles that can be introduced. 1.5 In addition to laboratory analyses, this test method may be applied to on line monitoring. 1.6 The values stated in SI units are to be regarded as standard. No other units of measurement are included in this standard. 1.7 This standard does not purport to address all of the safety concerns, if any, associated with its use. It is the responsibility of the user of this standard to establish appropriate safety, health, and environmental practices and determine the applicability of regulatory limitations prior to use. 1.8 This international standard was developed in accordance with internationally recognized principles on standardization established in the Decision on Principles for the Development of International Standards, Guides and Recommendations issued by the World Trade Organization Technical Barriers to Trade (TBT) Committee.
ASTM D5904-02(2024) is classified under the following ICS (International Classification for Standards) categories: 13.060.50 - Examination of water for chemical substances. The ICS classification helps identify the subject area and facilitates finding related standards.
ASTM D5904-02(2024) has the following relationships with other standards: It is inter standard links to ASTM D5904-02(2017), ASTM D6908-06(2017), ASTM E2656-16, ASTM D5173-15(2023). Understanding these relationships helps ensure you are using the most current and applicable version of the standard.
ASTM D5904-02(2024) is available in PDF format for immediate download after purchase. The document can be added to your cart and obtained through the secure checkout process. Digital delivery ensures instant access to the complete standard document.
Standards Content (Sample)
This international standard was developed in accordance with internationally recognized principles on standardization established in the Decision on Principles for the
Development of International Standards, Guides and Recommendations issued by the World Trade Organization Technical Barriers to Trade (TBT) Committee.
Designation: D5904 − 02 (Reapproved 2024)
Standard Test Method for
Total Carbon, Inorganic Carbon, and Organic Carbon in
Water by Ultraviolet, Persulfate Oxidation, and Membrane
Conductivity Detection
This standard is issued under the fixed designation D5904; the number immediately following the designation indicates the year of
original adoption or, in the case of revision, the year of last revision. A number in parentheses indicates the year of last reapproval. A
superscript epsilon (´) indicates an editorial change since the last revision or reapproval.
1. Scope 1.5 In addition to laboratory analyses, this test method may
be applied to on line monitoring.
1.1 This test method covers the determination of total
carbon (TC), inorganic carbon (IC), and total organic carbon 1.6 The values stated in SI units are to be regarded as
(TOC) in water in the range from 0.5 mg ⁄L to 30 mg ⁄L of standard. No other units of measurement are included in this
carbon. Higher levels may be determined by sample dilution. standard.
The test method utilizes ultraviolet-persulfate oxidation of
1.7 This standard does not purport to address all of the
organic carbon, coupled with a CO selective membrane to
safety concerns, if any, associated with its use. It is the
recover the CO into deionized water. The change in conduc-
2 responsibility of the user of this standard to establish appro-
tivity of the deionized water is measured and related to carbon
priate safety, health, and environmental practices and deter-
concentration in the oxidized sample. Inorganic carbon is
mine the applicability of regulatory limitations prior to use.
determined in a similar manner without the requirement for
1.8 This international standard was developed in accor-
oxidation. In both cases, the sample is acidified to facilitate
dance with internationally recognized principles on standard-
CO recovery through the membrane. The relationship between
ization established in the Decision on Principles for the
the conductivity measurement and carbon concentration is
Development of International Standards, Guides and Recom-
described by a set of chemometric equations for the chemical
mendations issued by the World Trade Organization Technical
− +
equilibrium of CO , HCO , H , and the relationship between
2 3
Barriers to Trade (TBT) Committee.
the ionic concentrations and the conductivity. The chemometric
model includes the temperature dependence of the equilibrium
2. Referenced Documents
constants and the specific conductances.
2.1 ASTM Standards:
1.2 This test method has the advantage of a very high
D1129 Terminology Relating to Water
sensitivity detector that allows very low detection levels on
D1192 Guide for Equipment for Sampling Water and Steam
relatively small volumes of sample. Also, use of two measure-
in Closed Conduits (Withdrawn 2003)
ment channels allows determination of CO in the sample
2 D1193 Specification for Reagent Water
independently of organic carbon. Isolation of the conductivity
D2777 Practice for Determination of Precision and Bias of
detector from the sample by the CO selective membrane
2 Applicable Test Methods of Committee D19 on Water
results in a very stable calibration, with minimal interferences.
D3370 Practices for Sampling Water from Flowing Process
Streams
1.3 This test method was used successfully with reagent
D5810 Guide for Spiking into Aqueous Samples
water spiked with sodium bicarbonate and various organic
D5847 Practice for Writing Quality Control Specifications
materials. It is the user’s responsibility to ensure the validity of
for Standard Test Methods for Water Analysis
this test method for waters of untested matrices.
1.4 This test method is applicable only to carbonaceous
3. Terminology
matter in the sample that can be introduced into the reaction
3.1 Definitions:
zone. The injector opening size generally limits the maximum
size of particles that can be introduced.
1 2
This test method is under the jurisdiction of ASTM Committee D19 on Water For referenced ASTM standards, visit the ASTM website, www.astm.org, or
and is the direct responsibility of Subcommittee D19.06 on Methods for Analysis for contact ASTM Customer Service at service@astm.org. For Annual Book of ASTM
Organic Substances in Water. Standards volume information, refer to the standard’s Document Summary page on
Current edition approved April 1, 2024. Published April 2024. Originally the ASTM website.
approved in 1996. Last previous edition approved in 2017 as D5904 – 02 (2017). The last approved version of this historical standard is referenced on
DOI: 10.1520/D5904-02R24. www.astm.org.
Copyright © ASTM International, 100 Barr Harbor Drive, PO Box C700, West Conshohocken, PA 19428-2959. United States
D5904 − 02 (2024)
3.1.1 For definitions of terms used in this standard, refer to independent measurements of IC and TC and can also deter-
Terminology D1129. mine TOC as the difference of TC and IC. If IC is high relative
to TOC it is desirable to use a vacuum degassing unit to reduce
3.2 Definitions of Terms Specific to This Standard:
the IC concentration as part of the measurement. Alternatively,
3.2.1 inorganic carbon (IC), n—carbon in the form of
the IC can be removed by acidifying and sparging the sample
carbon dioxide, carbonate ion, or bicarbonate ion.
prior to injection into the instrument.
3.2.2 potassium hydrogen phthalate (KHP), n—KHC H O .
8 4 4
4.2 The basic steps of this test method are:
3.2.3 refractory material, n—that which cannot be oxidized
4.2.1 Removal of IC, if desired, by vacuum degassing;
completely under the test method conditions.
4.2.2 Conversion of remaining inorganic carbon to CO by
3.2.4 total carbon (TC), n—the sum of IC and TOC.
action of acid in both channels and oxidation of total carbon to
CO by action of acid-persulfate, aided by ultraviolet (UV)
3.2.5 total organic carbon (TOC), n—carbon in the form of
radiation in the TC channel;
organic compounds.
4.2.3 Detection of CO that is swept out of the reactors by
4. Summary of Test Method
the liquid stream over membranes that allow the specific
4.1 Fundamentals—Carbon can occur in water as inorganic passage of CO to high purity water where change in conduc-
and organic compounds. This test method can be used to make tivity is measured; and
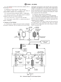
FIG. 1 Schematic Diagram of TOC Analyzer System
D5904 − 02 (2024)
TABLE 1 Blank Contribution and Inorganic Carbon (IC) Removal
6.3 Note that error will be introduced when the method of
Efficiency of Vacuum Degassing Unit
difference is used to derive a relatively small level from two
A A
Unit Number μg/L TOC μg/L IC IC Level with
large levels. For example, a ground water high in IC and low
Background Background
25 000 μg ⁄L Input
in TOC will give a poorer TOC value as (TC-IC) than by direct
1 3.2 8.2 55
measurement. In this case the vacuum degassing unit on the
2 3.2 22 61
3 2.4 8.0 105 instrument should be used to reduce the concentration of IC
4 4.2 13 89
prior to measurement. Alternatively, the sample can be acidi-
5 2.8 13 30
fied and sparged prior to introduction into the instrument. Use
6 3.0 8.0 70
of the vacuum degassing unit or sparging the sample may cause
7 4.8 8.9 67
8 4.7 8.3 63
loss of volatile organic compounds, thus yielding a value lower
9 4.6 11 62
than the true TOC level.
10 4.7 2.9 72
A
Values are the difference between before and after addition of the degasser to a 6.4 Use of the vacuum degassing unit or sparging the
high purity (<5 μg/L) water stream.
sample may cause loss of volatile organic compounds, thus
yielding a value lower than the true TOC level. At low TOC
levels, the degassing unit may introduce a measurable TOC and
IC background. The user should characterize the background
and performance of the degassing module for their application.
4.2.4 Conversion of the conductivity detector signal to a
A removal efficiency of 97 % of the inlet IC is considered
display of carbon concentration in parts per million
satisfactory. Table 1 provides typical IC removal performance
(ppm = mg ⁄L) or parts per billion (ppb = μg ⁄L). The IC chan-
and background levels of the vacuum degassing unit.
nel reading is subtracted from the TC channel to give a TOC
reading. A diagram of suitable apparatus is given in Fig. 1.
7. Apparatus
References (1-5) provide additional information on this test
7.1 Homogenizing Apparatus—A household blender is gen-
method.
erally satisfactory for homogenizing immiscible phases in
water.
5. Significance and Use
7.2 Apparatus for Carbon Determination—A typical instru-
5.1 This test method is used for determination of the carbon
ment consists of reagent and sample introduction mechanism,
content of water from a variety of natural, domestic, and
reaction vessel, detector, control system, and a display. Fig.
industrial sources. In its most common form, this test method
1 shows a diagram of such an arrangement.
is used to measure organic carbon as a means of monitoring
7.2.1 Vacuum degassing requires the manufacturer’s mod-
organic pollutants in high purity and drinking water. These
ule that includes a vacuum pump and a hollow fiber mem-
measurements are also used in monitoring waste treatment
brane assembly. Use of this vacuum degasser will remove
processes.
essentially all IC as part of the analysis. The membrane module
5.2 The relationship of TOC to other water quality param-
consists of a tube and shell arrangement of microporous
eters such as chemical oxygen demand (COD) and total oxygen
polypropylene hollow fibers. Sample flows along the inside of
demand (TOD) is described in the literature (6).
the fibers, while air is passed on the shell side-counterflow to
the sample flow. The shell side pressure is reduced by means of
6. Interferences and Limitations
a vacuum pump on the air outlet. The sample is acidified before
6.1 The oxidation of dissolved carbon to CO is brought
2 introduction into the degasser to facilitate CO transport
about at relatively low temperatures by the chemical action of
through the hollow fibers. Sparging requires an inert vessel
reactive species produced by UV-irradiated persulfate ions. Not
with a capacity of at least double the sample size with
all suspended or refractory material may be oxidized under
provision for sparging with 50 mL ⁄min to 100 mL ⁄min of
these conditions; analysts should take steps to determine what
carbon free gas. This procedure will remove essentially all IC
recovery is being obtained. This may be done by several
in 2 min to 10 min, depending on design.
methods: by rerunning the sample under more vigorous reac-
7.2.2 Reaction—The sample flow is split after the addition
tion conditions; by analyzing the sample by an alternative
of reagents. Half of the flow passes to the delay coil while the
method known to result in full recovery; or by spiking samples
other half passes into the oxidation reactor. The effluent from
with known refractories and determining recovery.
both streams passes over individual membranes that allow CO
to pass through the membrane into prepurified water for
6.2 Chloride ion above 250 mg/L tends to interfere with
detection.
oxidative reaction mechanisms in this test method. Follow
7.2.3 Membrane—The membrane is a CO selective fluo-
manufacturer’s instructions for dealing with this problem. 2
ropolymer that is hydrophobic and non-porous. Refer to the
Other interferences have been investigated and found to be
bibliography for additional details.
minimal under most conditions. Refer to the references for
7.2.4 Detector—The CO that has passed through the mem-
more information. 2
brane into the purified water is measured by conductivity
4 5
The boldface numbers given in parentheses refer to a list of references at the Instruments manufactured and marketed by Sievers Instruments, Inc., 2500
end of this standard. Central Ave., Suite H1, Boulder, CO 80301, have been found satisfactory.
D5904 − 02 (2024)
sensors. The temperature of the conductivity cell is also 8.5 Organic Carbon, Standard Solution (2000 mg/L)—
automatically monitored so the readings can be corrected for Choose a water-soluble, stable reagent grade compound, such
changes in temperature. as benzoic acid or anhydrous potassium hydrogen phthalate
7.2.5 Presentation of Results—The conductivity detector (KHC H O ). Calculate the weight of compound required to
8 4 4
output is related to stored calibration data and then displayed as make 1 L of organic carbon standard solution; for example,
parts per million, (ppm = milligrams of carbon per litre) or KHC H O = 0.471 g of carbon per gram, so 1 L of 2 g/L of
8 4 4
parts per billion, (ppb = micrograms of carbon per litre). Values standard requires 2/0.471, or 4.25, grams of KHP. Dissolve the
are given for TC, IC, and TOC by difference. required amount of standard in some CO -free water in a 1 L
volumetric flask, add 1 mL of sulfuric acid, and dilute to
8. Reagents and Materials
volume. Dilutions of this stock solution containing 20 mg/L are
8.1 Purity of Reagents—Reagent grade chemicals shall be
to be used to calibrate and test performance of the carbon
used in all tests. Unless otherwise indicated, it is intended that
analyzer.
all reagents conform to the specifications of the Committee on
9. Sampling and Sample Preservation
Analytical Reagents of the American Chemical Society, where
such specifications are available. Other grades may be used, 9.1 Collect the sample in accordance with Guide D1192 and
provided it is first ascertained that the reagent is of sufficient
Practices D3370.
purity to permit its use without lessening the accuracy of the
9.2 To preserve samples for this analysis, store samples in
determination.
glass at 4 °C. To aid preservation, acidify the samples to a pH
8.2 Purity of Water—Unless otherwise indicated, references
of 2. It should be noted that acidification will enhance loss of
to water shall be understood to mean reagent water conforming inorganic carbon. If the purgeable organic fraction is important,
to Type I or Type II in Specification D1193. The indicated
fill the sample bottles to overflowing with a minimum of
specification does not actually specify inorganic carbon or turbulence and cap them using a fluoropolymer-lined cap,
organic carbon levels. These levels can affect the results of this
without headspace.
test method, especially at progressively lower levels of the
9.3 For monitoring of waters containing solids or immis-
carbon content in the samples to be measured. Where inorganic
cible liquids that are to be injected into the reaction zone, use
carbon in reagent water is significant, CO -free water may be
a mechanical homogenizer or ultrasonic disintegrator. Filtering
prepared from reagent water by acidifying to pH 2, then
or screening may be necessary after homogenization to reject
sparging with fritted-glass sparger using CO -free gas (time
particle sizes that are too large for the sample inlet tube or
will depend on volume and gas flow rate, and should be
autosampler needle. Volatile organics may be lost.
determined by test). The carbon contribution of the reagent
9.4 For water samples where carbon concentrations are
water should be determined and its effect all
...




Questions, Comments and Discussion
Ask us and Technical Secretary will try to provide an answer. You can facilitate discussion about the standard in here.
Loading comments...