ISO 4183:1989
(Main)Belt drives — Classical and narrow V-belts — Grooved pulleys (system based on datum width)
Belt drives — Classical and narrow V-belts — Grooved pulleys (system based on datum width)
Transmissions par courroies — Courroies trapézoïdales classiques et étroites — Poulies à gorges (système basé sur la largeur de référence)
General Information
- Status
- Withdrawn
- Publication Date
- 08-Nov-1989
- Withdrawal Date
- 08-Nov-1989
- Technical Committee
- ISO/TC 41/SC 1 - Friction
- Drafting Committee
- ISO/TC 41/SC 1 - Friction
- Current Stage
- 9599 - Withdrawal of International Standard
- Start Date
- 22-Jun-1995
- Completion Date
- 12-Feb-2026
Relations
- Effective Date
- 12-May-2008
- Effective Date
- 15-Apr-2008
- Effective Date
- 15-Apr-2008
ISO 4183:1989 - Belt drives -- Classical and narrow V-belts -- Grooved pulleys (system based on datum width)
ISO 4183:1989 - Belt drives — Classical and narrow V-belts — Grooved pulleys (system based on datum width) Released:11/9/1989
Frequently Asked Questions
ISO 4183:1989 is a standard published by the International Organization for Standardization (ISO). Its full title is "Belt drives — Classical and narrow V-belts — Grooved pulleys (system based on datum width)". This standard covers: Belt drives — Classical and narrow V-belts — Grooved pulleys (system based on datum width)
Belt drives — Classical and narrow V-belts — Grooved pulleys (system based on datum width)
ISO 4183:1989 is classified under the following ICS (International Classification for Standards) categories: 21.220.10 - Belt drives and their components. The ICS classification helps identify the subject area and facilitates finding related standards.
ISO 4183:1989 has the following relationships with other standards: It is inter standard links to SIST ISO 4183:1997, ISO 4183:1980, ISO 4183:1995. Understanding these relationships helps ensure you are using the most current and applicable version of the standard.
ISO 4183:1989 is available in PDF format for immediate download after purchase. The document can be added to your cart and obtained through the secure checkout process. Digital delivery ensures instant access to the complete standard document.
Standards Content (Sample)
INTER NATIONAL IS0
STANDARD 4183
Second edition
1989-11-15
Belt drives - Classical and narrow V-belts -
Grooved pulleys (system based on datum width)
Transmissions par courroies - Courroies trapézoïdales classiques et étroites -
Poulies à gorges (système basé sur la largeur de référence)
Reference number
IS0 4183 : 1989 (E)
IS0 4183 : 1989 (E)
Foreword
IS0 (the International Organization for Standardization) is a worldwide federation of
national standards bodies (IS0 member bodies). The work of preparing International
Standards is normally carried out through IS0 technical committees. Each member
body interested in a subject for which a technical committee has been established has
the right to be represented on that committee. International organizations, govern-
mental and non-governmental, in liaison with ISO, also take part in the work. IS0
collaborates closely with the International Electrotechnical Commission (IEC) on all
matters of electrotechnical standardization.
Draft International Standards adopted by the technical committees are circulated to
the member bodies for approval before their acceptance as International Standards by
the IS0 Council. They are approved in accordance with IS0 procedures requiring at
least 75 % approval by the member bodies voting.
International Standard IS0 4183 was prepared by Technical Committee ISO/TC 41,
Pulleys and belts (including veebeltsi.
This second edition cancels and replaces the first edition (IS0 4183 : 19801, of which it
constitutes a technical revision.
O IS0 1989
All rights reserved. No part of this publication may be reproduced or utilized in any form or by any
means, electronic or mechanical, including photocopying and microfilm, without permission in
writing from the publisher.
International Organization for Standardization
Case postale 56 0 CH-I21 1 Genève 20 0 Switzerland
Printed in Switzerland
~ ~~
INTERNATIONAL STANDARD
IS0 4183 : 1989 (E)
Belt drives - Classical and narrow V-belts - Grooved
pulleys (system based on datum width)
1 Scope IS0 255 : -I), Groovedpulleys for V-belts - Description in the
system based on datum width - Geometrical inspection of
grooves.
This International Standard specifies the principal dimensions
of grooved pulleys for classical V-belts (sections Y, Z, A, B, C,
IS0 1081 : 1980, Terms and definitions relating to drives using
D and E) and narrow V-belts (sections SPZ, SPA, SPB and
V-belts and grooved pulleys.
SPC) specified in the terminology system based on datum
@width.
IS0 1101 : 1983, Technical drawings - Geometrical toleranc-
ing - Tolerancing of form, orientation, location and run-out -
It is important that narrow belts are not used with pulleys
Generalities, definitions, symbols, indications on drawings.
uniquely designed for classical belts.
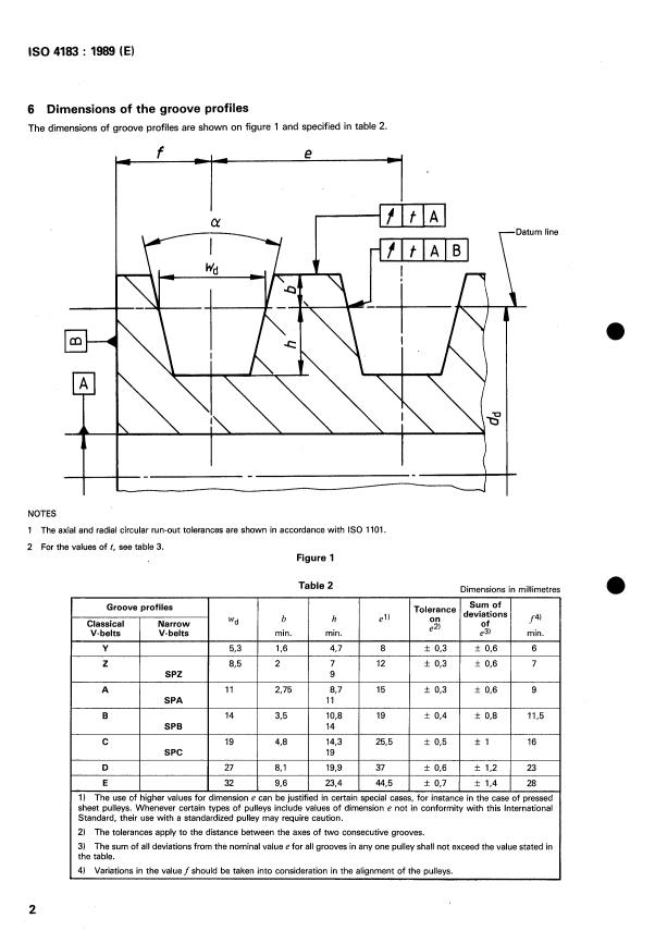
4 Datum widths of profiles
2 Preliminary notes
The datum widths, wd, of the profiles are specified in table 1
2.1 The datum width is regarded as the basic dimension of
standardization for the groove and for the corresponding
classical and narrow V-belts considered as a whole.
Table 1
Groove profiles
2.2 Knowledge of the datum line position and of the datum
width is essential in defining the groove profile, the datum
diameter of the pulley and the location of the belt in the pulley 5,3
groove. 8,s
3 Normative references
The following standards contain provisions which, through
reference in this text, constitute provisions of this International
Standard. At the time of publication, the editions indicated
were valid. All standards are subject to revision, and parties to
5 Groove angles
agreements based on this International Standard are encour-
aged to investigate the possibility of applying the most recent
The groove angle a (see figure 1) shall be one of the following
editions of the standards listed below. Members of IEC and IS0
angles :
maintain registers of currently valid International Standards.
3Z0, 34'' 36', 38'
IS0 3: 1973, Preferred numbers - Series of preferred
numbers. The tolerance on the groove angle shall be f 0,5O.
The relationship of groove angle, (Y, to datum diameter, dd, is
IS0 254: 1981, Quality, finish and balance of transmission
given in table 4.
pule ys.
To be published. (Revision of IS0 255 : 1981.)
1)
IS0 4183 : 1989 (E)
6 D
...
IS0
NORME
I N TE R NAT I O NA LE 41 83
Deuxième édition
1989-1 1-1 5
Transmissions par courroies - Courroies
trapézoïdales classiques et étroites - Poulies à
gorges (système basé sur la largeur de
référence)
Belt drives - Classical and narrow V-belts - Grooved pulleys (system based on
datum width)
Numéro de référence
IS0 4183 : 1989 (F)
IS0 4183 : 1989 (FI
Avant-propos
L‘ISO (Organisation internationale de normalisation) est une fédération mondiale
d’organismes nationaux de normalisation (comités membres de I’ISO). L‘élaboration
des Normes internationales est en général confiée aux comités techniques de I’ISO.
Chaque comité membre intéressé par une étude a le droit de faire partie du comité
technique créé à cet effet. Les organisations internationales, gouvernementales et non
gouvernementales, en liaison avec I’ISO participent également aux travaux. L’ISO col-
labore étroitement avec la Commission électrotechnique internationale (CEI) en ce qui
concerne la normalisation électrotechnique.
Les projets de Normes internationales adoptés par les comités techniques sont soumis
aux comités membres pour approbation, avant leur acceptation comme Normes inter-
nationales par le Conseil de WO. Les Normes internationales sont approuvées confor-
mément aux procédures de I‘ISO qui requièrent l’approbation de 75 % au moins des
comités membres votants.
La Norme internationale IS0 4183 a été élaborée par le comité technique ISO/TC 41,
Poulies et courroies (y compris les courroies trapézoïdales).
Cette deuxième édition annule et remplace la première édition (IS0 4183 : 19801, dont
elle constitue une révision technique.
O IS0 1989
Droits de reproduction réservés. Aucune partie de cette publication ne peut être reproduite ni
utilisée sous quelque forme que ce soit et par aucun procédé, électronique ou mécanique,
y compris la photocopie et les microfilms, sans l‘accord écrit de l‘éditeur.
Organisation internationale de normalisation
Case postale 56 CH-121 1 Genève 20 0 Suisse
Imprimé en Suisse
ii
NORME INTERNATIONALE
IS0 4183 : 1989 (F)
Transmissions par courroies - Courroies trapézoïdales
classiques et étroites - Poulies à gorges (système basé
sur la largeur de référence)
1 Domaine d'application IS0 255 : --I), Poulies à gorges pour courroies trapézoïdales
- Description dans le système basé sur la largeur de référence
La présente Norme internationale prescrit les principales carac- - Contrôle géométrique des gorges.
téristiques dimensionnelles des gorges des poulies à gorges
pour courroies trapézoïdales classiques (sections Y, Z, A, B, C, IS0 1081 : 1980, Transmissions par courroies trapézoïdales et
D et E) et courroies étroites (sections SPZ, SPA, SPB et SPC), poulies à gorges - Terminologie.
*définies dans le cadre du système basé sur la largeur de réfé-
rence. IS0 1101 : 1983, Dessins techniques - Tolérancement géomé-
trique - Tolérancement de forme, orientation, position et bat-
Il est important que les courroies étroites ne soient pas utilisées tement - Généralités, définitions, symboles, indications sur les
avec des poulies destinées aux seules courroies classiques. dessins.
2 Remarques préliminaires
4 Largeurs de référence des profils
Les largeurs de référence, wd, des profils sont données dans le
2.1 La largeur de référence est prise comme base de la nor-
tableau 1.
malisation de la gorge de la poulie et des courroies trapézoïda-
les classiques et étroites correspondantes, envisagées comme
un ensemble.
Tableau 1
2.2 La connaissance de l'emplacement de la ligne de réfé-
Profils de gorge
Wd
rence et de la dimension de la largeur de référence a une impor-
Courroies trapézoïdales ___
tance essentielle pour définir le profil de cette gorge, le diamè-
ciassiaues I étroites mm
tre de référence de la poulie et la position de la courroie dans la
gorge de la poulie.
SPA
SPB
3 Références normatives
SPC 19
Les normes suivantes contiennent des dispositions qui, par
suite de la référence qui en est faite, constituent des disposi-
tions valables pour la présente Norme internationale. Au
moment de la publication de cette norme, les éditions indiquées
étaient en vigueur. Toute norme est sujette à révision et les par-
5 Angles de gorge
ties prenantes des accords fondés sur cette Norme internatio-
nale sont invitées à rechercher la possibilité d'appliquer les édi-
L'angle de gorge, CY, (voir la figure 1) doit avoir l'une des valeurs
tions les plus récentes des normes indiquées ci-après. Les
suivantes :
membres de la CE1 et de I'ISO possèdent le registre des Normes
internationales en vigueur à un moment donné.
32O, Mo, 36O, 38O
IS0 3: 1973, Nombres normaux - Séries de nombres nor-
La tolérance de l'angle de gorge doit être f 0,5O.
maux.
La relation entre l'angle de gorge, CY, et le diamètre de réfé-
IS0 254 : 1981, Qualité, état de surface e
...








Questions, Comments and Discussion
Ask us and Technical Secretary will try to provide an answer. You can facilitate discussion about the standard in here.
Loading comments...