ISO 9270:1992
(Main)7/24 tapers for tool shanks for automatic changing — Tapers for spindle noses
7/24 tapers for tool shanks for automatic changing — Tapers for spindle noses
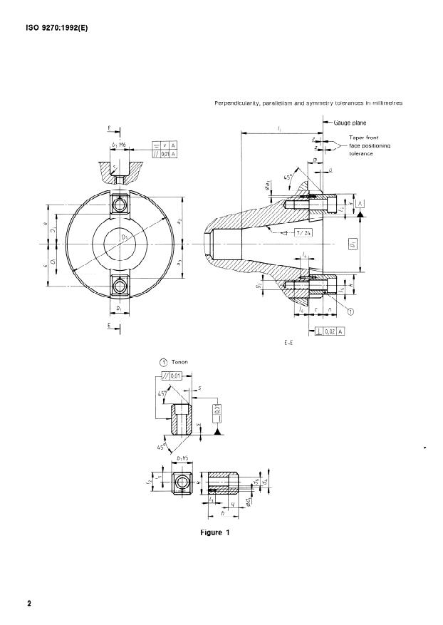
Specifies the dimensions and tolerances. Conicity tolerances shall conform with the cone angle tolerance grade AT4 specified in ISO 1947.
Cônes d'emmanchement d'outils à conicité 7/24 pour changement automatique — Cônes pour nez de broches
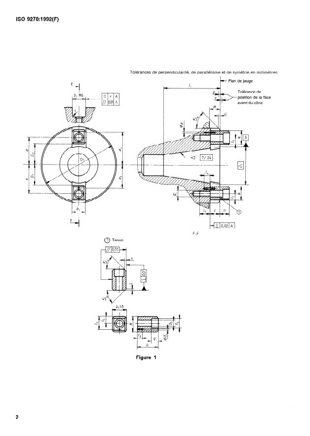
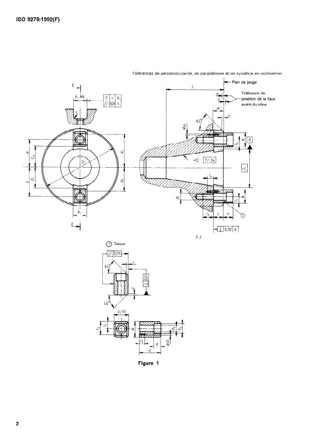
La présente Norme internationale prescrit les dimensions et les tolérances des tenons et des cônes de nez de broches à conicité 7/24 de machines-outils à changement automatique d'outils, destinés à être utilisés avec des queues d'outils correspondantes définies dans l'ISO 7388-1 et l'ISO 7388-3.
General Information
- Status
- Withdrawn
- Publication Date
- 23-Nov-1992
- Withdrawal Date
- 23-Nov-1992
- Technical Committee
- ISO/TC 29 - Small tools
- Drafting Committee
- ISO/TC 29 - Small tools
- Parallel Committee
- ISO/TC 39 - Machine tools
- Current Stage
- 9599 - Withdrawal of International Standard
- Start Date
- 02-Aug-2010
- Completion Date
- 14-Feb-2026
Relations
- Effective Date
- 15-Apr-2008
- Effective Date
- 15-Apr-2008
Buy Documents
ISO 9270:1992 - 7/24 tapers for tool shanks for automatic changing -- Tapers for spindle noses
ISO 9270:1992 - Cônes d'emmanchement d'outils a conicité 7/24 pour changement automatique -- Cônes pour nez de broches
ISO 9270:1992 - Cônes d'emmanchement d'outils a conicité 7/24 pour changement automatique -- Cônes pour nez de broches
Get Certified
Connect with accredited certification bodies for this standard
National Aerospace and Defense Contractors Accreditation Program (NADCAP)
Global cooperative program for special process quality in aerospace.
CARES (UK Certification Authority for Reinforcing Steels)
UK certification for reinforcing steels and construction.
DVS-ZERT GmbH
German welding certification society.
Sponsored listings
Frequently Asked Questions
ISO 9270:1992 is a standard published by the International Organization for Standardization (ISO). Its full title is "7/24 tapers for tool shanks for automatic changing — Tapers for spindle noses". This standard covers: Specifies the dimensions and tolerances. Conicity tolerances shall conform with the cone angle tolerance grade AT4 specified in ISO 1947.
Specifies the dimensions and tolerances. Conicity tolerances shall conform with the cone angle tolerance grade AT4 specified in ISO 1947.
ISO 9270:1992 is classified under the following ICS (International Classification for Standards) categories: 25.060.20 - Dividing and tool-workpiece holding devices. The ICS classification helps identify the subject area and facilitates finding related standards.
ISO 9270:1992 has the following relationships with other standards: It is inter standard links to ISO 9270-2:2010, ISO 9270-1:2010. Understanding these relationships helps ensure you are using the most current and applicable version of the standard.
ISO 9270:1992 is available in PDF format for immediate download after purchase. The document can be added to your cart and obtained through the secure checkout process. Digital delivery ensures instant access to the complete standard document.
Standards Content (Sample)
INTERNATIONAL
STANDARD
First edition
1992-I 2-01
----. I_-.------ ---------_ ----
7/24 tapers for tool shanks for automatic
changing - Tapers for spindle noses
C&ES d’en~manchement d’outils ZJ conicif 7/24 pour changement
automa fique - Cdnes pour nez de broches
Reference number
IS0 9270: 1992(E)
IS0 92703 992(E)
Foreword
IS0 (the International Organization for Standardization) is a worldwide
federation of national standards bodies (IS0 member bodies). The work
of preparing International Standards is normally carried out through IS0
technical committees. Each member body interested in a subject for
which a technical committee has been established has the right to be
represented on that committee. International organizations, govern-
mental and non-governmental, in liaison with ISO, also take part in the
work. IS0 collaborates closely with the international Electrotechnical
Commission (IEC) on all matters of eIectrotechnicaI standardization.
Draft International Standards adopted by the technical committees are
circulated to the member bodies for voting. Publication as an inter-
national Standard requires approval by at least 75 % of the member
bodies casting a vote.
International Standard IS0 9270 was prepared by Technical Committee
ISO/TC 39, Machine tools.
Annex A of this Mernational Standard is for information only.
0 IS0 1992
All rights reserved. No part of this publication may be reproduced or utilized in any form
or by any means, electronic or mechanical, including photocopying and microfilm, without
permission in writing from the publisher.
lization for Stand ation
lnternationa I Orga ardiz
Case Postal e 36 l CH-1211 Genkve 20 * Switzerland
Printed in Switzerland
ii
IS0 9270:1992(E)
INTERNATIONAL STANDARD
7/24 tapers for tool shanks for automatic changing - Tapers
for spindle noses
IS0 1947:1973, System of cone tolerances for couical
1 scope
workpieces from C = I:3 to I:500 and lengths from
6 to 630 mm.
This International Standard specifies the dimensions
and tolerances of tenons and 7/24 tapers for
IS0 4762:1989, Hexagon socket head cap screws --
machine-tool spindle noses for automatic changing,
Product grade A.
intended for use with the corresponding tool shanks
specified in IS0 7388-l and IS0 7388-3.
IS0 7388-l :I 983, Tool shanks with 7/24 taper for au-
tomatic tool changers - Part I: Shanks Nos. 40, 45
and 50 - Dimensions.
IS0 7388-3: -I), Pool shanks with 7/24 taper for auto-
matic tool changers - Part 3: Retention knobs for
2 Normative references
shank No. 30 - Dimensions, conicity tolerances and
mechanical characteristics.
The following standards contain provisions which,
through reference in this text, constitute provisions
IS0 9524:1992? Machine fools - Front faces of
of this International Standard. At the time of publi-
spindle holders for machining centres - Functional
cation, the editions indicated were valid. All stan-
dimensions.
dards are subject to revision, and parties to
agreements based on this Internat
...
NORME
INTERNATIONALE
Première édition
1992-12-01
Cônes d’emmanchement d’outils à tonicité 7/24
pour changement automatique - Cônes pour
nez de broches
7124 tapers for tool shanks for automatic changing - Tapers for spindle
noses
Numéro de référence
ISO 9270: 1992(F)
Avant-propos
L’ISO (Organisation internationale de normalisation) est une fédération
mondiale d’organismes nationaux de normalisation (comités membres
de I’ISO). L’élaboration des Normes internationales est en général
confiée aux comités techniques de I’ISO. Chaque comité membre inté-
ressé par une étude a le droit de faire partie du comité technique créé
à cet effet. Les organisations internationales, gouvernementales et non
gouvernementales, en liaison avec I’ISO participent également aux tra-
vaux. L’ISO collabore étroitement avec la Commission électrotechnique
internationale (CEI) en ce qui concerne la normalisation électrotech-
nique.
Les projets de Normes internationales adoptés par les comités techni-
ques sont soumis aux comités membres pour vote. Leur publication
comme Normes internationales requiert l’approbation de 75 F!I! au rnoins
des r;omités membres votants.
La Norme internationale ISO 9270 a été élaborée par le comité techni-
que ISO/TC 39, Machines-outils.
L’a nnexe A de la présente Norme internationale est donnée uniquernent
à ti tre d’inform ation.
0 iso 1992
Droits de reproduction réservés. Aucune partie de cette publication ne peut être repro-
duite ni utilisée sous quelque forme que ce soit et par aucun procédé, électronique ou
mécanique, y compris la photocopie et les microfilms, sans l’accord écrit de l’éditeur.
Organisation internationale de normalisation
Case Postale 56 l CH-1211 Genéve 20 l Suisse
Imprimé en Suisse
ii
NORME INTERNATIONALE ISO 9270:1992(F)
Cônes d’emmanchement d’outils à tonicité 7/24 pour
changement automatique - Cônes pour nez de broches
ISO 1947:1973, Système de tolérarices de tonicité
1 Domaine d’application
pour pièces coniques de tonicité C = L-3 à 1:500 et
de longueur 6 à 630 mm.
La présente Norme internationale prescrit les di-
mensions et les tolérances des tenons et des cônes
ISO 4762:1989, Vis à tête cylindrique à six pans creux
de nez de broches à tonicité 7/24 de machines-
- Grade A.
outils à changement automatique d’outils, destinés
à être utilisés avec des queues d’outils correspon-
ISO 7388-1:1983, Queues d’outils à tonicité 7124 pour
dantes définies dans I’ISO 7388-l et I’ISO 7388-3.
changement automatique d’outils - Partie 1: Cônes
nos. 40, 45 et 50 - Dimensions.
ISO 7388-3:-J), Queues d’outils à conicilé 7/24 pour
2 Références normatives
changement automatique d’outils - Partie 3: Cône
no, 30 et embouts de tirage correspondants - Di-
Les normes suivantes contiennent des dispositions
mensions, tolérances de tonicité et caractéristiques
qui, par suite de la référence qui en est faite,
mécaniques.
constituent des dispositions valables pour la pré--
sente Norme internationale. Au moment de la pu-
ISO 9524:1992? Machines-outils - Faces avant de
blication, les éditions indiquées étaient en vigu
...
NORME
INTERNATIONALE
Première édition
1992-12-01
Cônes d’emmanchement d’outils à tonicité 7/24
pour changement automatique - Cônes pour
nez de broches
7124 tapers for tool shanks for automatic changing - Tapers for spindle
noses
Numéro de référence
ISO 9270: 1992(F)
Avant-propos
L’ISO (Organisation internationale de normalisation) est une fédération
mondiale d’organismes nationaux de normalisation (comités membres
de I’ISO). L’élaboration des Normes internationales est en général
confiée aux comités techniques de I’ISO. Chaque comité membre inté-
ressé par une étude a le droit de faire partie du comité technique créé
à cet effet. Les organisations internationales, gouvernementales et non
gouvernementales, en liaison avec I’ISO participent également aux tra-
vaux. L’ISO collabore étroitement avec la Commission électrotechnique
internationale (CEI) en ce qui concerne la normalisation électrotech-
nique.
Les projets de Normes internationales adoptés par les comités techni-
ques sont soumis aux comités membres pour vote. Leur publication
comme Normes internationales requiert l’approbation de 75 F!I! au rnoins
des r;omités membres votants.
La Norme internationale ISO 9270 a été élaborée par le comité techni-
que ISO/TC 39, Machines-outils.
L’a nnexe A de la présente Norme internationale est donnée uniquernent
à ti tre d’inform ation.
0 iso 1992
Droits de reproduction réservés. Aucune partie de cette publication ne peut être repro-
duite ni utilisée sous quelque forme que ce soit et par aucun procédé, électronique ou
mécanique, y compris la photocopie et les microfilms, sans l’accord écrit de l’éditeur.
Organisation internationale de normalisation
Case Postale 56 l CH-1211 Genéve 20 l Suisse
Imprimé en Suisse
ii
NORME INTERNATIONALE ISO 9270:1992(F)
Cônes d’emmanchement d’outils à tonicité 7/24 pour
changement automatique - Cônes pour nez de broches
ISO 1947:1973, Système de tolérarices de tonicité
1 Domaine d’application
pour pièces coniques de tonicité C = L-3 à 1:500 et
de longueur 6 à 630 mm.
La présente Norme internationale prescrit les di-
mensions et les tolérances des tenons et des cônes
ISO 4762:1989, Vis à tête cylindrique à six pans creux
de nez de broches à tonicité 7/24 de machines-
- Grade A.
outils à changement automatique d’outils, destinés
à être utilisés avec des queues d’outils correspon-
ISO 7388-1:1983, Queues d’outils à tonicité 7124 pour
dantes définies dans I’ISO 7388-l et I’ISO 7388-3.
changement automatique d’outils - Partie 1: Cônes
nos. 40, 45 et 50 - Dimensions.
ISO 7388-3:-J), Queues d’outils à conicilé 7/24 pour
2 Références normatives
changement automatique d’outils - Partie 3: Cône
no, 30 et embouts de tirage correspondants - Di-
Les normes suivantes contiennent des dispositions
mensions, tolérances de tonicité et caractéristiques
qui, par suite de la référence qui en est faite,
mécaniques.
constituent des dispositions valables pour la pré--
sente Norme internationale. Au moment de la pu-
ISO 9524:1992? Machines-outils - Faces avant de
blication, les éditions indiquées étaient en vigu
...












Questions, Comments and Discussion
Ask us and Technical Secretary will try to provide an answer. You can facilitate discussion about the standard in here.
Loading comments...