ISO 7841:1988
(Main)Automatic steam traps — Determination of steam loss — Test methods
Automatic steam traps — Determination of steam loss — Test methods
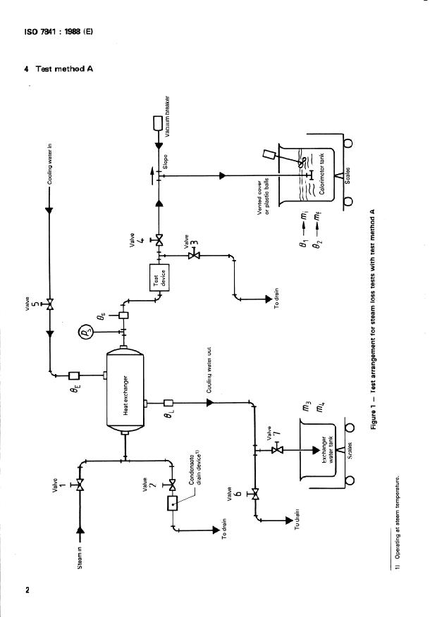
Specifies two test methods for steam traps. The object of these tests is to determine the amount of live steam, if any, that is lost through the steam trap. There is no measurement of the total heat energy lost by the trap. Such total heat loss would include radiation and convection components which can be established separately. Figure 1 shows the test arrangement for test method A, and figure 2 shows the test arrangement for test method B.
Purgeurs automatiques de vapeur d'eau — Détermination de la perte de vapeur — Méthodes d'essai
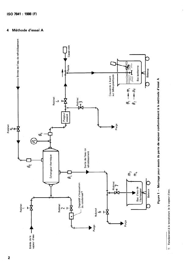
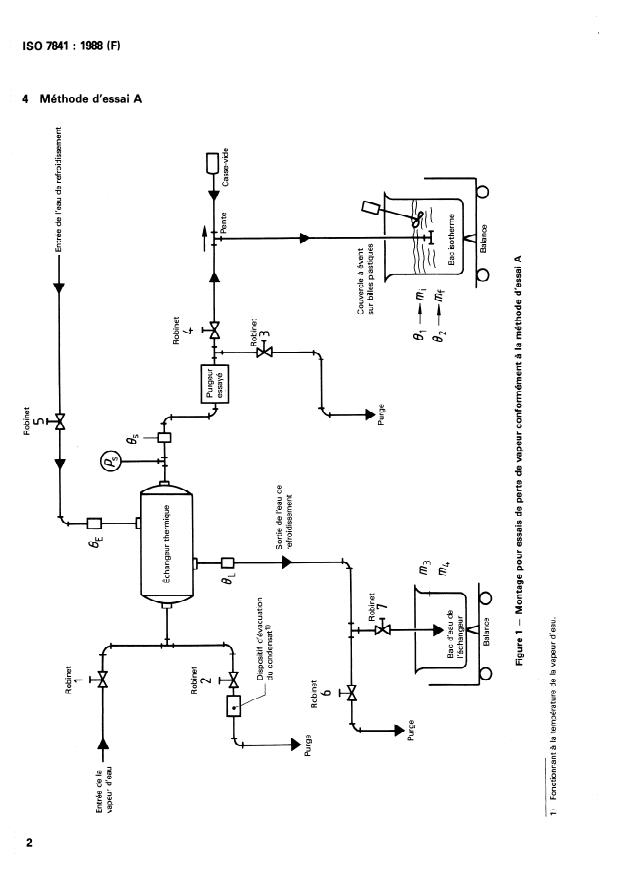
La présente Norme internationale spécifie deux méthodes d'essai permettant de déterminer la perte de vapeur des purgeurs automatiques de vapeur d'eau conformes à l'ISO 6552. Le but de ces essais est de définir la quantité de vapeur vive éventuellement perdue par le purgeur. Il s'agit donc d'essais relatifs à la capacité de refermeture des purgeurs après fonctionnement. Il ne s'agit pas d'une mesure de la perte totale d'énergie thermique par le purgeur. Cette perte totale inclurait des phénomènes de rayonnement et de convection qu'on pourrait déterminer séparément.
General Information
- Status
- Withdrawn
- Publication Date
- 30-Nov-1988
- Technical Committee
- ISO/TC 153 - Valves
- Drafting Committee
- ISO/TC 153 - Valves
- Current Stage
- 9599 - Withdrawal of International Standard
- Start Date
- 23-Jun-2023
- Completion Date
- 12-Feb-2026
Relations
- Consolidated By
ISO 8381:2000 - Milk-based infant foods — Determination of fat content — Gravimetric method (Reference method) - Effective Date
- 06-Jun-2022
- Effective Date
- 06-Jun-2022
ISO 7841:1988 - Automatic steam traps -- Determination of steam loss -- Test methods
ISO 7841:1988 - Purgeurs automatiques de vapeur d'eau -- Détermination de la perte de vapeur -- Méthodes d'essai
ISO 7841:1988 - Purgeurs automatiques de vapeur d'eau -- Détermination de la perte de vapeur -- Méthodes d'essai
Get Certified
Connect with accredited certification bodies for this standard
Institut za varilstvo d.o.o. (Welding Institute)
Slovenia's leading welding institute since 1952. ISO 3834, EN 1090, pressure equipment certification, NDT personnel, welder qualification. Only IIW Au
Sponsored listings
Frequently Asked Questions
ISO 7841:1988 is a standard published by the International Organization for Standardization (ISO). Its full title is "Automatic steam traps — Determination of steam loss — Test methods". This standard covers: Specifies two test methods for steam traps. The object of these tests is to determine the amount of live steam, if any, that is lost through the steam trap. There is no measurement of the total heat energy lost by the trap. Such total heat loss would include radiation and convection components which can be established separately. Figure 1 shows the test arrangement for test method A, and figure 2 shows the test arrangement for test method B.
Specifies two test methods for steam traps. The object of these tests is to determine the amount of live steam, if any, that is lost through the steam trap. There is no measurement of the total heat energy lost by the trap. Such total heat loss would include radiation and convection components which can be established separately. Figure 1 shows the test arrangement for test method A, and figure 2 shows the test arrangement for test method B.
ISO 7841:1988 is classified under the following ICS (International Classification for Standards) categories: 23.060.01 - Valves in general. The ICS classification helps identify the subject area and facilitates finding related standards.
ISO 7841:1988 has the following relationships with other standards: It is inter standard links to ISO 8381:2000, ISO 5117:2023. Understanding these relationships helps ensure you are using the most current and applicable version of the standard.
ISO 7841:1988 is available in PDF format for immediate download after purchase. The document can be added to your cart and obtained through the secure checkout process. Digital delivery ensures instant access to the complete standard document.
Standards Content (Sample)
ISO
INTERNATIONAL STANDARD
First edition
1988-12-01
INTERNATIONAL ORGANIZATION FOR STANDARDIZATION
ORGANISATION INTERNATIONALE DE NORMALISATION
MEXAYHAPOJJHAR OPTAHM3A~Mfl fl0 CTAH~APTM3A~MM
Automatic steam traps - Determination of steam
loss - Test methods
Purgeurs automatigues de vapeur d’eau - Dbermina tion de Ia perte de vapeur - M&hodes
d’essai
Reference number
ISO 7841: 1988 (E)
ISO7841 :1988 (EI
Foreword
ISO (the International Organization for Standardization) is a worldwide federation of
national Standards bodies (ISO member bodies). The work of preparing International
Standards is normally carried out through ISO technical committees. Esch member
body interested in a subject for which a technical committee has been established has
the right to be represented on that committee. International organizations, govern-
mental and non-governmental, in liaison with ISO, also take part in the work. ISO
collaborates closely with the International Electrotechnical Commission (IEC) on all
matters of electrotechnical standardization.
Draft International Standards adopted by the technical committees are circulated to
the member bodies for approval before their acceptance as International Standards by
the ISO Council. They are approved in accordance with ISO procedures requiring at
least 75 % approval by the member bodies voting.
International Standard ISO 7841 was prepared by Technical Committee ISO/TC 153,
Valves.
Users should note that all International Standards undergo revision from time to time
and that any reference made herein to any other International Standard implies its
Jatest edition, unless otherwise stated.
l
0 International Organkation for Standardkation, 1988
Printed in Switzerland
INTERNATIONAL STANDARD ISO 7841 : 1988 (EI
Automatic steam traps - Determination of steam
Test methods
loss -
1 Scope and field of application 3 Test arrangements
This International Standard specifies two test methods to The Pest arrangements for steam loss determination are shown
determine the steam loss of automatic steam traps to ISO 6552. in figures 1 and 2. The minimum water capacity of the
calorimeter tank (sec figure 1) shall be 0,02 m3. lt is most im-
The Object of these tests is to determine the amount of live portant that the condensate drainage device be fully capable of
steam, if any, that is lost through the steam trap. They are, maintaining a dry line to the heat exchanger. The test device
therefore, tests to evaluate the ability of the traps to shut shall be located sufficiently below the heat exchanger to pre-
against steam during successive operations. vent condensate backing up into the heat exchanger, should
the test device only operate infrequently.
There is no measurement of the total heat energy lost by the
All piping and equipment (including the heat exchanger) shall
trap. Such total heat loss would include radiation and convec-
be insulated to a value of
tion components which tan be established separately.
rn2. OC 9 h
R > 0,75 x 10-3
J
2 References
to reduce thermal losses to a minimum.
ISO 651, Solid-stem calorimeter thermometers.
The instruments used for the measurements shall comply with
ISO 652, Enclosed-scale calorimeter thermometers.
International Standards, if such Standards exist, e.g.
ISO 653, Long solid-stem thermometers for precision use.
- ISO 651, ISO 652, ISO 653 for temperature
measurements;
ISO 4185, Measurement of liquid flow in closed conduits -
Weighing me thod.
- ISO 4185 for flow measurements.
ISO 6552, Automatic steam traps - Definition of technical
The condensate removal device shall not be modified in any
terms.
way from its commercial form.
Valve
Cooling watet- in
Valve
Steam in
D
S
. .
ap
. I
n u l
Heat exchanger
. .
Valve
Valve
T
Vacuum breaker
Condensate
1)
drain device
Cooling water out
To drain
Valve
Vented cover
or plastic ball:
Valve
To drain
i
L
To drain
e
---rn-
1 I
m
e
mf
2-
Calorimeter tank
m4
Exchanger
water tank
*$z!d-J
Test arrangement for steam. loss tests with test method A
Figure 1 -
1) Operating at steam temperature.
4.1.2.2 During warm-up, weigh and record the mass of the
The test may be carried out at a pressure corresponding to the
maximum working pressure of the trap, the test pressure not empty calorimeter tank m,, and record the steam pressure ps
and steam temperature 8,.
exceeding 32 bar’) with saturated steam (238 OC).
Load testing shall be carried out at 1 % of the maximum
4.1.2.3 Open valves 5 and 6 to allow a flow of cooling water
capacity of the trap at the corresponding test pressure with a
through the heat exchanger, to create the desired condensate
minimum of 5 kg/h.
load on the test device. After the System has come to
equilibrium, this load tan be determined by closing valve 6 and
4.1 Procedure
opening valve 7, to permit a known amount of water to be col-
lected in a given time.
4.1 .l No-load condition
Record the temperature of water entering and leaving the heat
Start with all valves closed and tanks empty.
exchanger, & and eL, the initial and final mass of exchanger
water plus tank, m3 and m4, and the time At, in seconds, of run
4.1.1.1 Open valves 1, 2 and 3 to permit the drain and test
on the Data Sheet in 4.3. The approximate condensate load, in
devices to operate at test pressure ps.
kilograms per hour, on the trap may then be calculated using
the formula
4.1.1.2 During warm-up, weigh and record the mass of the
empty calorimeter tank m,, and record the steam pressure ps (8 L -eE) (m4 -m$ x 3600
Load =
and steam temperature 8,.
At . hfgs
4.1.1.3 Fill the calorimeter tank with sufficient water (about
where hfgs is the specif ic enthalpy of the evaporation at steam
half-full) to result in a test run of practical duration. The initial
inlet conditions, in joules per kilogram.
water temperature 8, should be at least 8 OC below ambient
temperature 0,. Record the water temperature 8, and mass of
4.1.2.4 If the load on the trap as determined in 4.1.2.3 is as
water plus tank ml.
desired, proceed to 4.1.2.5. If it is not as desired, adjust valve 5
accordingly and repeat the procedure in 4.1.2.3 until the
4.1 .1.4 When thermal equilibrium is reached, simultaneously
desired load is obtained.
and rapidly close valve 3, open valve 4, and Start the timing in-
terval. The use of a three-way valve is recommended to
4.1.2.5 Fill the calorimeter tank with sufficient water (about
facilitate rapid closing and opening.
half-full) to result in a test run of practical duration. The initial
water temperature 8, should be at least 8 OC below ambient
4.1.1.5 Stir the water in the tank as necessary to ensure a
temperature 8,. Record the water temperature 8, and mass of
uniform water temperature.
water plus tank ml.
4.1.1.6 When the temperature of the water in the tank is as
4.1.2.6 When thermal equilibrium is reached, simultaneously
many degrees above ambient as the initial temperature was
and rapidly close valve 3, and open valve 4, and Start the timing
below, rapidly close valve 4 and open valve 3 simultaneously,
interval. The use of a three-way valve is recommended to
record the elapsed time, the final water temperature e2 and the
facilitate rapid closing and opening.
mass of water plus tank m2.
4.1.1.7 Before the measurement, trial runs should be carried 4.1.2.7 Stir the water in the calorimeter tank as necessary to
out to ensure that the test conditions have stabilized and that ensu re a uniform water temperature.
the pressure, temperature, initial amount of water in the
calorimeter tank and load conditions are those required. When
4.1.2.8 When the temperature of the water in the calorimeter
testing condensate removal devices, an error calculation is
tank is as many degrees above ambient as the initial
made from three consecutive tests to determine the accuracy
temperature was below, rapidly close valve 4 and open valve 3
of the test result. The error calculation is based on the
simultaneously, record the elapsed time, the final water
instrumentation used and described in this International
temperature 02 and the mass of water plus tank m2.
Standard; or the average result from three consecutive tests
shall agree within 10 % or 500 g/h, whichever is the greater.
4.1.2.9 Before the measurement, trial runs should be carried
If this cannot be obtained, check the System for integrity and
out to ensure that the test conditions have stabilized and that
increase the calorimeter tank capacity.
the pressure, temperature, initial amount of water in the
calorimeter tank and load conditions are those required. When
testing condensate removal devices, an error calculation is
4.1.2 Load condition
made from three consecutive tests to determine the accuracy
of the test result. The error calculation is based on the
Start with all valves closed and both tanks empty.
instrumentation used and described in this International
4.1.2.1 Open valves 1, 2 and 3 to permit the drain and test Standard; or the average result from three consecutive tests
devices to operate at test pressure ps. shall agree within 10 % or 500 g/h, whichever is the greater.
1) 1 bar = 105Pa
ISO 7841 : 1988 (El
is the final mass of water condensate in the
If this cannot be obtained, check the System for integrity and
mf
orimeter, in kilograms;
increase the calorimeter tank capacity. cal
mass of calorimeter water, at the Start, in
is the plus
ml
4.2 Expression of results
kilog ra ms;
4.2.1 Correction of measured variables
is the calorimeter plus water, at the finish, in
m2
kilog ra ms;
The values of observed variables shall be corrected in accord-
ante with instrument calibrations and, if necessary, converted
is the mass of calorimeter tank, in kilograms;
mt
to the proper units required for calculations.
is the initial specific enthalpy of
hfl
calorimeter, i n joules per kilogram;
4.2.2 Use of formula Symbols
hf2 is the final specific enthalpy of the condensate
The Symbols used in this International Standard are the ones
water i n the calorimeter, in joules per kilogram;
normally associated with engineering practice in this field. In a
few cases, the same Symbol has different meanings in different
hf, is the specific enthalpy of the liquid at steam inlet con-
Parts of this International Standard according to its application.
ditions, in joules per kilogram;
In Order to avoid confusion, each formula has been provided
with its own list of definitions of Symbols and units.
hfgs is the specific enthalpy of the evaporation at steam in-
let conditions, in joules per kilogram;
4.2.3 Computation formula
is the specific heat of the cal orimeter ma teria 1, in
cP
-h, (mf-m$+c,m, (0241)
per kil ogram kelvin;
X-
qrns =
At
hfgs
is the initial water temperature in the calori tank,
in degrees Celsius;
ms is the steam loss, in kilograms per hour; O2 is the water temperature in the calorimeter tank, in
degrees Celsius;
mi is the initial mass of in the calorimeter, in
is the time interval, in seconds.
kilograms; At
ISO 7841 : 1988 (EI
4.3 Data sheet
Test Method A
General information
.........................
1 Test No. . 2 Testdate : . 3 Location :
..............................
4 Manufacturer’s name : . 5 Serial No. :
6 Typeofdevice: . 7 Size: .
8 Calorimetermaterial : .
9 Massofemptycalorimeter,m,= .
Averaged and corrected test data
kg
10 Mass of calorimeter plus water, Start, ml = .
kg
11 Mass of calorimeter plus water, finish, m2 = .
Mass added to calorimeter, Am = . kg
ltem 11 - ltem 10
Timeinterval,At= . . . . . . . . . . . . . . . . . . . . . . . . . . . . . . . . . . . . . . . . . . . . . . . . . . . . . . . . . . . . . . . . . . . . . . . . . . . . . . . . . . . . . . . . . . . s
OC
14 Ambient temperature, 8, = .
OC
15 Steam temperature at trap inlet, 8, = .
OC
Initial water temperature in calorimeter tank, 8, = .
OC
17 Final temperature of water and condensate in calorimeter tank, 82 = .
bar
18 Barometricpressure,p, = .
bar
Steam pressure at trap inlet, ps = .
Thermodynamic properties
20 Referenceusedforspecificheatdata:.
Reference used for steam/water data : . . . . . . . . . . . . . . . . . . . . . . . . . . . . . . . . . . . . . . . . . . . . . . . . . . . . . . . . . . . . . . . . . . . . . . . . . . . . .
J/(kgmK)
22 Specific heat of calorimeter material, cp = . . . . . . . . . . . . . . . . . . . . . . . . . . . . . . . . . . . . . . . . . . . . . . . . . . . . . . . . . . . . . . . . .
(from ltem 20 for ltem 8 at average of Items 16 and 17)
J/kg
23 Initial specific enthalpy of water in calorimeter, hfl = . . . . . . . . . . . . . . . . . . . . . . . . . . . . . . . . . . . . . . . . . . . . . . . . . . . . . . . . . . .
(from ltem 21 at Item 16)
J/kg
24 Final specific enthalpy of water in calorimeter, hf2 = . . . . . . . . . . . . . . . . . . . . . . . . . . . . . . . . . . . . . . . . .
...
l
ISO
NORME INTERNATIONALE
Première édition
1988-12-01
INTERNATIONAL ORGANIZATION FOR STANDARDIZATION
ORGANISATION INTERNATIONALE DE NORMALISATION
MEXflYHAPOAHAfl OPrAHM3A~Mfl n0 CTAHflAPTM3A~MM
Purgeurs automatiques de vapeur d’eau -
Détermination de la perte de vapeur -
m-w I II
Méthodes d’essai
Determination of steam loss - Test methods
Automatic steam traps -
Numéro de référence
ISO 7841 : 1988 (F)
.
ISO 7841 : 1988 (FI
Avant-propos
L’ISO (Organisation internationale de normalisation) est une fédération mondiale
d’organismes nationaux de normalisation (comités membres de I’ISO). L’élaboration
des Normes internationales est en général confiée aux comités techniques de I’ISO.
Chaque comité membre intéressé par une étude a le droit de faire partie du comité
technique créé à cet effet. Les organisations internationales, gouvernementales et non
gouvernementales, en liaison avec I’ISO participent également aux travaux. L’ISO col-
labore étroitement avec la Commission électrotechnique internationale (CEI) en ce qui
concerne la normalisation électrotechnique.
Les projets de Normes internationales adoptés par les comités techniques sont soumis
aux comités membres pour approbation, avant leur acceptation comme Normes inter-
nationales par le Conseil de I’ISO. Les Normes internationales sont approuvées confor-
mément aux procédures de I’ISO qui requièrent l’approbation de 75 % au moins des
comités membres votants.
La Norme internationale ISO 7841 a été élaborée par le comité technique ISO/TC 153,
Robinetterie.
L’attention des utilisateurs est attirée sur le fait que toutes les Normes internationales
sont de temps en temps soumises à révision et que toute référence faite à une autre
Norme internationale dans le présent document implique qu’il s’agit, sauf indication
contraire, de la dernière édition.
0 Organisation internationale de normalisation, 1988
Imprimé en Suisse
IS07841 : 1988 (FI
NORME INTERNATIONALE
Purgeurs automatiques de vapeur d’eau -
Détermination de la perte de vapeur -
Méthodes d’essai
1 Objet et domaine d’application 3 Installations d’essai
La présente Norme internationale spécifie deux méthodes Les installations d’essai permettant de déterminer la perte de
d’essai permettant de déterminer la perte de vapeur des pur- vapeur d’eau sont représentées aux figures 1 et 2. Le bac iso-
geurs automatiques de vapeur d’eau conformes à I’ISO 6552.
therme (voir figure 1) doit avoir une capacité minimale en eau
de 0,02 ms. II est des plus importants que le dispositif d’évacua-
tion des condensats puisse maintenir séche la conduite menant
Le but de ces essais est de définir la quantité de vapeur vive
à l’échangeur de chaleur. Le dispositif essayé doit être situé
éventuellement perdue par le purgeur. II s’agit donc d’essais
suffisamment en dessous de l’échangeur thermique pour
relatifs à la capacité de refermeture des purgeurs après fonc-
empêcher que le condensat ne remonte dans l’échangeur si le
tionnement.
purgeur ne fonctionne pas fréquemment.
II ne s’agit pas d’une mesure de la perte totale d’énergie thermi-
que par le purgeur. Cette perte totale inclurait des phénoménes
Toutes les tuyauteries et tous les matériels (y compris I’échan-
de rayonnement et de convection qu’on pourrait déterminer
geur thermique) doivent être isolés à une valeur de
séparément.
m2 9 OCa h
R > 0,75 x 10-3
J
2 Références pour réduire les pertes de chaleur au minimum.
Les instruments utilisés pour les mesurages doivent être con-
ISO 651, Thermomètres sur tige pour calorimètres.
formes aux Normes internationales, s’il en existe, et notam-
ment :
ISO 652, Thermomètres pour calorimètres à échelle protégée.
- ISO 651, ISO 652, ISO 653, pour les mesurages de tem-
ISO 653, Thermomètres de précision, sur tige, type long.
pérature;
ISO 4185, Mesure de débit des liquides dans les conduites fer-
- ISO 4185 pour les nresurages de débit.
m6es - M&hode par pesée.
Le dispositif d’évacuation des condensats ne doit subir aucune
ISO 6552, Purgeurs automatiques de vapeur d’eau - Dhfinition
modification de la forme sous laquelle il est vendu dans le com-
des termes techniques.
merce.
ISO 7841 : 1988 (FI
4 Méthode d’essai A
c,
.-
Y
IsO 7841 : 1988 (FI
4.1.2 Essai en charge
L’essai peut être réalisé a une pression correspondant à la pres-
sion maximale de service du purgeur, la pression d’essai n’excé-
Commencer avec les robinets et également les
dant pas 32 bar’) avec de la vapeur d’eau saturée (238 OC).
bacs vides.
maxi-
L’essai en charge doit être réalisé à 1 % de la capacité
4.1.2.1 Ouvrir les robinets 1, 2 et 3 pour permettre la mise en
un minimum de 5 kg/h.
male du purgeur avec
marche du systéme de purge et du dispositif essayé à une pres-
sion d’essai ps.
4.1 Mode opératoire
4.1.2.2 Pendant la mise en température, peser le bac iso-
4.1.1 Essai à vide
therme, noter sa masse, m,, et enregistrer la pression de la
vapeurp, ainsi que la température de la vapeur 0,.
Commencer l’essai avec les robinets fermés et les bacs vides.
‘4.1.2.3 Ouvrir les robinets 5 et 6 pour permettre un écoule-
ment d’eau froide dans l’échangeur de chaleur et créer la
4.1.1 .l Ouvrir les robinets 1, 2 et 3 pour permettre la mise en
charge désirée de condensat sur le dispositif essayé. Une fois le
marche du système de purge et du dispositif essayé à une pres-
système arrivé à l’équilibre, déterminer la charge en freinant le
sion d’essai ps.
robinet 6 et en ouvrant le robinet 7 pour permettre de recueillir
une quantité connue d’eau dans un temps donné.
4.1.1.2 Pendant la mise en température, peser le bac iso-
Enregistrer la température de l’eau entrant dans l’échangeur
therme, noter sa masse, m,, et enregistrer la pression de la
thermique et en ressortant & et &, la masse conjuguée de l’eau
vapeur ps ainsi que la température de la vapeur 0,.
et du bac de l’échangeur, au début et à la fin, m3 et m4, ainsi
que la durée du cycle At, en secondes, sur une feuille de don-
nées présentée en 4.3. Calculer la charge approximative de con-
4.1 .1.3 Remplir le bac isotherme à peu près à moitié avec de
densat, en kilogrammes par heures, pesant sur le purgeur à
l’eau dont la température 8, est inférieure d’au moins 8 OC à la
l’aide de la formule
température ambiante 8,. Noter la température de l’eau 61 et la
masse conjuguée de l’eau et du bac ml.
(8 L -eE) (m4 -mg) x 3600
Charge =
At l hfgs
4.1.1.4 Une fois l’équilibre thermique atteint, fermer rapide-
ment le robinet 3 et ouvrir simultanément le robinet 4. Com-
est I’entha Ipie massique de l’évaporation dans les con-
Où hfgs
mencer à chronométrer à partir de l’ouverture du robinet 4. II
ditions d’entrée de la vapeur d’eau, en joules par * kilogramme.
est recommandé d’utiliser un robinet à 3 voies pour faciliter des
ouvertures et fermetures rapides.
4.1.2.4 Si la charge du purgeur déterminée en 4.1.2.3 corres-
pond à la valeur désirée, passer à 4.1.2.5 ci-après. Sinon, régler
5 Agiter l’eau dans
4.1.1 le bac autant qu’il est nécessaire
en conséquence le robinet 5 et reprendre la procédure 4.1.2.3
pour y obtenir une tempéra tu1 .e uniforme.
jusqu’à obtenir la charge désirée.
4.1.2.5 Remplir le bac isotherme à peu près à moitié avec de
Lorsque l’eau dans le bac atteint la même différence
4.1.1.6
l’eau dont la température 8, est inférieure d’au moins 8 OC à la
de température par rapport à la température ambiante, mais
température ambiante 8,. Noter la température de l’eau 8, et la
cette fois-ci vers le haut, fermer rapidement le robinet 4 et
masse conjuguée de l’eau et du bac ml.
ouvrir en même temps le robinet 3; noter le temps écoulé, la
température finale de l’eau 192 et la masse conjuguée de l’eau et
du bac m2.
4.1.2.6 Une fois l’équilibre thermique atteint, fermer rapide-
ment le robinet 3 et ouvrir le robinet 4. Commencer à chrono-
métrer au moment de l’ouverture du robinet 4. II est recom-
4.1.1.7 Avant d’effectuer le mesurage, faire quelques essais
mandé d’utiliser un robinet à 3 voies pour faciliter des ouvertu-
pour rien, pour vérifier que les conditions sont stabilisées et que
res et fermetures rapides.
les conditions requises de pression, température et charge sont
atteintes. Lorsqu’on essaie les systèmes d’évacuation des con-
4.1.2.7 n
Agiter l’eau autant que de le bac pour y
densats, il convient de calculer l’erreur commise sur trois essais
obtenir U ne température uniforme.
consécutifs afin de déterminer la précision des résultats. Le cal-
cul de l’erreur se fonde sur l’appareillage utilisé et décrit dans la
présente Norme internationale. Les résultats des trois essais
4.1.2.8 Lorsque l’eau dans le bac atteint la même différence
consécutifs doivent correspondre à 10 % ou à 500 g/h près,
de température par rapport à la température ambiante, mais
selon la valeur la plus élevée.
cette fois-ci vers le haut, fermer rapidement le robinet 4 ‘et
ouvrir en même temps le robinet 3; noter le temps écoulé, la
température finale de l’eau S2 et la masse conjuguée de l’eau et
Si l’on n’obtient pas ce résultat, on vérifiera l’intégrité du
systéme et on augmentera la capacité du bac isotherme. du bac m2.
1 bar = 105 Pa
1)
ISO7841:1988 (FI
où
4.1.2.9 Avant d’effectuer le mesurage, faire quelques essais
pour rien, pour vérifier que les conditions sont stabilisées et les
est la perte de vapeur d’eau, en kilogrammes
4 Par
conditions requises de pression, température et charge sont
hi&e;
atteintes. Lorsqu’on essaie les systémes d’évacuation des con-
densats, il convient de calculer l’erreur commise sur trois essais
mi est la masse initiale d’eau dans le bac isotherme, en
consécutifs afin de déterminer la précision des résultats. Le cal-
kilogrammes;
cul de l’erreur se fonde sur l’appareillage utilisé et décrit dans la
présente Norme internationale . Les résultats des trois essais
mf est la masse finale d’eau et de condensat dans le bac
consécutifs doivent correspondre à 10 % ou 500 g/h près,
isotherme, en kilogrammes;
selon la valeur la plus élevée.
est la masse conjuguée du bac et de l’eau, au début,
ml
en kilogrammes;
Si l’on n’obtient pas ce résultat, on vérifiera l’intégrité du
système et on augmentera la contenance du bac isotherme.
m2 est la masse conjuguée du bac et de l’eau, à la fin, en
kilogrammes;
Expression des résultats
42 .
est la masse du bac isotherme, en kilogrammes;
4.2.1 Correction des variables mesurées
est I’enthalpie massique initiale de l’eau dans le bac, en
hfl
joules par kilogramme;
Les valeurs des variables mesurées doivent être corrigées en
hf2 est I’enthalpie massique finale de l’eau et du condensat
fonction de l’étalonnage de l’instrument et converties, si néces-
dans le bac, en joules par kilogramme;
saire, dans les unités requises pour les calculs.
I’enthalpie massique du
hf, est liquide dans les conditions
4.2.2 Utilisation des symboles des formules
d’entrée de la vapeur d’eau, en j oules par kilogrammes;
hfgs est I’enthalpie massique de l’évaporation dans les
Les symboles utilisés dans la présente Norme internationale
conditions d’entrée de la vapeur d’eau, en joules par kilo-
sont les symboles normalement associés aux pratiques mécani-
gramme;
ques dans ce domaine. Dans quelques cas, un même symbole
possède des sens différents selon son application dans les
cp est la capacité thermique massique à pression cons-
diverses parties de la présente Norme internationale. Pour évi-
tante du matériau d u bac, en joules par kilogramme
kelvin;
ter toute confusion, chaque formule a donc été assortie de sa
propre liste de définitions de symboles et d’unités.
8, est la température initiale de
l’eau dans le bac, en
degrés Celsius;
4.2.3 Formule de calcul
e2 est la température finale de l’eau dans le bac, en degrés
Celsius;
-hf, (mf-m$+c,m, K$-&)
X-
4ms =
est l’intervalle de temps, en secondes.
At At
hfgs
60 7841 : 1988 (FI
4.3 Feuille de données
Méthode d’essai A
Données générales
3 Lieu :. .
1 Essai no . 2 Date de l’essai : .
5 Numéro de série : .
4 Nom du fabricant : .
7 Dimensions: .
6 Typed’appareil: .
8 Matériaudu bacisotherme : .
9 Masse du bac isotherme vide, m, = .
Valeurs moyennes et résultats d’essai corrigés
. . . . . . . . . . . . . . . . . . . . . . . . . . . . . . . . . . . . . . . . . . . . . . . . . . . . . . . . . . . . . kg
10 Masse conjuguée du bac et de l’eau, au début, ml =
kg
11 MasseconjuguéedubacetdeI’eau,àlafin,m2 = . . . . . . . . . . . . . . . . . . . . . . . . . . . . . . . . . . . . . . . . . . . . . . . . . . . . . . . . . . . . . . .
point 11 - point 10
............................................................................. kg
12 Masseajoutéedanslebac,Am =
s
Intervalledetemps,At = .
OC
14 Températureambiante,& = .
OC
15 Température de la vapeur d’eau à l’entrée du purgeur, 8, = .
OC
16 Température initiale de l’eau, 0, = .
OC
17 Température finale de l’eau et du condensat, e2 = .
bar
18 Pressionbarométrique,p, = .
bar
19 Pression de vapeur d’eau à l’entrée du purgeur, ps = .
Propriétés thermodynamiques
20 Référence des valeurs de capacité thermique massique : . . . . . . . . . . . . . . . . . . . . . . . . . . . . . . . . . . . . . . . . . . . . . . . . . . . . . . . . . . . . . . .
21 Référence des caractéristiques de I’eau/de la vapeur d’eau : . . . . . . . . . . . . . . . . . . . . . . . . . . . . . . . . . . . . . . . . . . . . . . . . . . . . . . . . . . .
J/( kgmK)
22 Capacité thermique massique à pression constante du matériau du bac isotherme, cp = . . . . . . . . . . . . . . . . . . . . . . . . . .
(à partir du point 20 en fonction du point 8 à la moyenne des points 16 et 17)
J/kg
23 Enthalpie massique initiale de l’eau dans le bac isotherme, hfl = . . . . . . . . . . . . . . . . . . . . . . . . . . . . . . . . . . . . . . . . . . . . . . . . . .
(à partir du point 21 et du point 16)
J/kg
24 Enthalpie massique finale de l’eau dans le bac isotherme, hf2 = . . . . . . . . . . . . . . . . . . . . . . . . . . . . . . . . . . . . . . . . . . . . . . . . . . .
(à partir du point 21 et du point 17)
25 Enthalpie massique du liquide saturé à la température d’entrée dans le purgeur, hfs = . . . . . . . . . . . . . . . . . . . . . . . . . . . . . . . . J/kg
(a partir du point 21 et du point 15)
26 Enthalpie massique de l’évaporation à la température d’entrée dans le purgeur, hfgs
...
l
ISO
NORME INTERNATIONALE
Première édition
1988-12-01
INTERNATIONAL ORGANIZATION FOR STANDARDIZATION
ORGANISATION INTERNATIONALE DE NORMALISATION
MEXflYHAPOAHAfl OPrAHM3A~Mfl n0 CTAHflAPTM3A~MM
Purgeurs automatiques de vapeur d’eau -
Détermination de la perte de vapeur -
m-w I II
Méthodes d’essai
Determination of steam loss - Test methods
Automatic steam traps -
Numéro de référence
ISO 7841 : 1988 (F)
.
ISO 7841 : 1988 (FI
Avant-propos
L’ISO (Organisation internationale de normalisation) est une fédération mondiale
d’organismes nationaux de normalisation (comités membres de I’ISO). L’élaboration
des Normes internationales est en général confiée aux comités techniques de I’ISO.
Chaque comité membre intéressé par une étude a le droit de faire partie du comité
technique créé à cet effet. Les organisations internationales, gouvernementales et non
gouvernementales, en liaison avec I’ISO participent également aux travaux. L’ISO col-
labore étroitement avec la Commission électrotechnique internationale (CEI) en ce qui
concerne la normalisation électrotechnique.
Les projets de Normes internationales adoptés par les comités techniques sont soumis
aux comités membres pour approbation, avant leur acceptation comme Normes inter-
nationales par le Conseil de I’ISO. Les Normes internationales sont approuvées confor-
mément aux procédures de I’ISO qui requièrent l’approbation de 75 % au moins des
comités membres votants.
La Norme internationale ISO 7841 a été élaborée par le comité technique ISO/TC 153,
Robinetterie.
L’attention des utilisateurs est attirée sur le fait que toutes les Normes internationales
sont de temps en temps soumises à révision et que toute référence faite à une autre
Norme internationale dans le présent document implique qu’il s’agit, sauf indication
contraire, de la dernière édition.
0 Organisation internationale de normalisation, 1988
Imprimé en Suisse
IS07841 : 1988 (FI
NORME INTERNATIONALE
Purgeurs automatiques de vapeur d’eau -
Détermination de la perte de vapeur -
Méthodes d’essai
1 Objet et domaine d’application 3 Installations d’essai
La présente Norme internationale spécifie deux méthodes Les installations d’essai permettant de déterminer la perte de
d’essai permettant de déterminer la perte de vapeur des pur- vapeur d’eau sont représentées aux figures 1 et 2. Le bac iso-
geurs automatiques de vapeur d’eau conformes à I’ISO 6552.
therme (voir figure 1) doit avoir une capacité minimale en eau
de 0,02 ms. II est des plus importants que le dispositif d’évacua-
tion des condensats puisse maintenir séche la conduite menant
Le but de ces essais est de définir la quantité de vapeur vive
à l’échangeur de chaleur. Le dispositif essayé doit être situé
éventuellement perdue par le purgeur. II s’agit donc d’essais
suffisamment en dessous de l’échangeur thermique pour
relatifs à la capacité de refermeture des purgeurs après fonc-
empêcher que le condensat ne remonte dans l’échangeur si le
tionnement.
purgeur ne fonctionne pas fréquemment.
II ne s’agit pas d’une mesure de la perte totale d’énergie thermi-
que par le purgeur. Cette perte totale inclurait des phénoménes
Toutes les tuyauteries et tous les matériels (y compris I’échan-
de rayonnement et de convection qu’on pourrait déterminer
geur thermique) doivent être isolés à une valeur de
séparément.
m2 9 OCa h
R > 0,75 x 10-3
J
2 Références pour réduire les pertes de chaleur au minimum.
Les instruments utilisés pour les mesurages doivent être con-
ISO 651, Thermomètres sur tige pour calorimètres.
formes aux Normes internationales, s’il en existe, et notam-
ment :
ISO 652, Thermomètres pour calorimètres à échelle protégée.
- ISO 651, ISO 652, ISO 653, pour les mesurages de tem-
ISO 653, Thermomètres de précision, sur tige, type long.
pérature;
ISO 4185, Mesure de débit des liquides dans les conduites fer-
- ISO 4185 pour les nresurages de débit.
m6es - M&hode par pesée.
Le dispositif d’évacuation des condensats ne doit subir aucune
ISO 6552, Purgeurs automatiques de vapeur d’eau - Dhfinition
modification de la forme sous laquelle il est vendu dans le com-
des termes techniques.
merce.
ISO 7841 : 1988 (FI
4 Méthode d’essai A
c,
.-
Y
IsO 7841 : 1988 (FI
4.1.2 Essai en charge
L’essai peut être réalisé a une pression correspondant à la pres-
sion maximale de service du purgeur, la pression d’essai n’excé-
Commencer avec les robinets et également les
dant pas 32 bar’) avec de la vapeur d’eau saturée (238 OC).
bacs vides.
maxi-
L’essai en charge doit être réalisé à 1 % de la capacité
4.1.2.1 Ouvrir les robinets 1, 2 et 3 pour permettre la mise en
un minimum de 5 kg/h.
male du purgeur avec
marche du systéme de purge et du dispositif essayé à une pres-
sion d’essai ps.
4.1 Mode opératoire
4.1.2.2 Pendant la mise en température, peser le bac iso-
4.1.1 Essai à vide
therme, noter sa masse, m,, et enregistrer la pression de la
vapeurp, ainsi que la température de la vapeur 0,.
Commencer l’essai avec les robinets fermés et les bacs vides.
‘4.1.2.3 Ouvrir les robinets 5 et 6 pour permettre un écoule-
ment d’eau froide dans l’échangeur de chaleur et créer la
4.1.1 .l Ouvrir les robinets 1, 2 et 3 pour permettre la mise en
charge désirée de condensat sur le dispositif essayé. Une fois le
marche du système de purge et du dispositif essayé à une pres-
système arrivé à l’équilibre, déterminer la charge en freinant le
sion d’essai ps.
robinet 6 et en ouvrant le robinet 7 pour permettre de recueillir
une quantité connue d’eau dans un temps donné.
4.1.1.2 Pendant la mise en température, peser le bac iso-
Enregistrer la température de l’eau entrant dans l’échangeur
therme, noter sa masse, m,, et enregistrer la pression de la
thermique et en ressortant & et &, la masse conjuguée de l’eau
vapeur ps ainsi que la température de la vapeur 0,.
et du bac de l’échangeur, au début et à la fin, m3 et m4, ainsi
que la durée du cycle At, en secondes, sur une feuille de don-
nées présentée en 4.3. Calculer la charge approximative de con-
4.1 .1.3 Remplir le bac isotherme à peu près à moitié avec de
densat, en kilogrammes par heures, pesant sur le purgeur à
l’eau dont la température 8, est inférieure d’au moins 8 OC à la
l’aide de la formule
température ambiante 8,. Noter la température de l’eau 61 et la
masse conjuguée de l’eau et du bac ml.
(8 L -eE) (m4 -mg) x 3600
Charge =
At l hfgs
4.1.1.4 Une fois l’équilibre thermique atteint, fermer rapide-
ment le robinet 3 et ouvrir simultanément le robinet 4. Com-
est I’entha Ipie massique de l’évaporation dans les con-
Où hfgs
mencer à chronométrer à partir de l’ouverture du robinet 4. II
ditions d’entrée de la vapeur d’eau, en joules par * kilogramme.
est recommandé d’utiliser un robinet à 3 voies pour faciliter des
ouvertures et fermetures rapides.
4.1.2.4 Si la charge du purgeur déterminée en 4.1.2.3 corres-
pond à la valeur désirée, passer à 4.1.2.5 ci-après. Sinon, régler
5 Agiter l’eau dans
4.1.1 le bac autant qu’il est nécessaire
en conséquence le robinet 5 et reprendre la procédure 4.1.2.3
pour y obtenir une tempéra tu1 .e uniforme.
jusqu’à obtenir la charge désirée.
4.1.2.5 Remplir le bac isotherme à peu près à moitié avec de
Lorsque l’eau dans le bac atteint la même différence
4.1.1.6
l’eau dont la température 8, est inférieure d’au moins 8 OC à la
de température par rapport à la température ambiante, mais
température ambiante 8,. Noter la température de l’eau 8, et la
cette fois-ci vers le haut, fermer rapidement le robinet 4 et
masse conjuguée de l’eau et du bac ml.
ouvrir en même temps le robinet 3; noter le temps écoulé, la
température finale de l’eau 192 et la masse conjuguée de l’eau et
du bac m2.
4.1.2.6 Une fois l’équilibre thermique atteint, fermer rapide-
ment le robinet 3 et ouvrir le robinet 4. Commencer à chrono-
métrer au moment de l’ouverture du robinet 4. II est recom-
4.1.1.7 Avant d’effectuer le mesurage, faire quelques essais
mandé d’utiliser un robinet à 3 voies pour faciliter des ouvertu-
pour rien, pour vérifier que les conditions sont stabilisées et que
res et fermetures rapides.
les conditions requises de pression, température et charge sont
atteintes. Lorsqu’on essaie les systèmes d’évacuation des con-
4.1.2.7 n
Agiter l’eau autant que de le bac pour y
densats, il convient de calculer l’erreur commise sur trois essais
obtenir U ne température uniforme.
consécutifs afin de déterminer la précision des résultats. Le cal-
cul de l’erreur se fonde sur l’appareillage utilisé et décrit dans la
présente Norme internationale. Les résultats des trois essais
4.1.2.8 Lorsque l’eau dans le bac atteint la même différence
consécutifs doivent correspondre à 10 % ou à 500 g/h près,
de température par rapport à la température ambiante, mais
selon la valeur la plus élevée.
cette fois-ci vers le haut, fermer rapidement le robinet 4 ‘et
ouvrir en même temps le robinet 3; noter le temps écoulé, la
température finale de l’eau S2 et la masse conjuguée de l’eau et
Si l’on n’obtient pas ce résultat, on vérifiera l’intégrité du
systéme et on augmentera la capacité du bac isotherme. du bac m2.
1 bar = 105 Pa
1)
ISO7841:1988 (FI
où
4.1.2.9 Avant d’effectuer le mesurage, faire quelques essais
pour rien, pour vérifier que les conditions sont stabilisées et les
est la perte de vapeur d’eau, en kilogrammes
4 Par
conditions requises de pression, température et charge sont
hi&e;
atteintes. Lorsqu’on essaie les systémes d’évacuation des con-
densats, il convient de calculer l’erreur commise sur trois essais
mi est la masse initiale d’eau dans le bac isotherme, en
consécutifs afin de déterminer la précision des résultats. Le cal-
kilogrammes;
cul de l’erreur se fonde sur l’appareillage utilisé et décrit dans la
présente Norme internationale . Les résultats des trois essais
mf est la masse finale d’eau et de condensat dans le bac
consécutifs doivent correspondre à 10 % ou 500 g/h près,
isotherme, en kilogrammes;
selon la valeur la plus élevée.
est la masse conjuguée du bac et de l’eau, au début,
ml
en kilogrammes;
Si l’on n’obtient pas ce résultat, on vérifiera l’intégrité du
système et on augmentera la contenance du bac isotherme.
m2 est la masse conjuguée du bac et de l’eau, à la fin, en
kilogrammes;
Expression des résultats
42 .
est la masse du bac isotherme, en kilogrammes;
4.2.1 Correction des variables mesurées
est I’enthalpie massique initiale de l’eau dans le bac, en
hfl
joules par kilogramme;
Les valeurs des variables mesurées doivent être corrigées en
hf2 est I’enthalpie massique finale de l’eau et du condensat
fonction de l’étalonnage de l’instrument et converties, si néces-
dans le bac, en joules par kilogramme;
saire, dans les unités requises pour les calculs.
I’enthalpie massique du
hf, est liquide dans les conditions
4.2.2 Utilisation des symboles des formules
d’entrée de la vapeur d’eau, en j oules par kilogrammes;
hfgs est I’enthalpie massique de l’évaporation dans les
Les symboles utilisés dans la présente Norme internationale
conditions d’entrée de la vapeur d’eau, en joules par kilo-
sont les symboles normalement associés aux pratiques mécani-
gramme;
ques dans ce domaine. Dans quelques cas, un même symbole
possède des sens différents selon son application dans les
cp est la capacité thermique massique à pression cons-
diverses parties de la présente Norme internationale. Pour évi-
tante du matériau d u bac, en joules par kilogramme
kelvin;
ter toute confusion, chaque formule a donc été assortie de sa
propre liste de définitions de symboles et d’unités.
8, est la température initiale de
l’eau dans le bac, en
degrés Celsius;
4.2.3 Formule de calcul
e2 est la température finale de l’eau dans le bac, en degrés
Celsius;
-hf, (mf-m$+c,m, K$-&)
X-
4ms =
est l’intervalle de temps, en secondes.
At At
hfgs
60 7841 : 1988 (FI
4.3 Feuille de données
Méthode d’essai A
Données générales
3 Lieu :. .
1 Essai no . 2 Date de l’essai : .
5 Numéro de série : .
4 Nom du fabricant : .
7 Dimensions: .
6 Typed’appareil: .
8 Matériaudu bacisotherme : .
9 Masse du bac isotherme vide, m, = .
Valeurs moyennes et résultats d’essai corrigés
. . . . . . . . . . . . . . . . . . . . . . . . . . . . . . . . . . . . . . . . . . . . . . . . . . . . . . . . . . . . . kg
10 Masse conjuguée du bac et de l’eau, au début, ml =
kg
11 MasseconjuguéedubacetdeI’eau,àlafin,m2 = . . . . . . . . . . . . . . . . . . . . . . . . . . . . . . . . . . . . . . . . . . . . . . . . . . . . . . . . . . . . . . .
point 11 - point 10
............................................................................. kg
12 Masseajoutéedanslebac,Am =
s
Intervalledetemps,At = .
OC
14 Températureambiante,& = .
OC
15 Température de la vapeur d’eau à l’entrée du purgeur, 8, = .
OC
16 Température initiale de l’eau, 0, = .
OC
17 Température finale de l’eau et du condensat, e2 = .
bar
18 Pressionbarométrique,p, = .
bar
19 Pression de vapeur d’eau à l’entrée du purgeur, ps = .
Propriétés thermodynamiques
20 Référence des valeurs de capacité thermique massique : . . . . . . . . . . . . . . . . . . . . . . . . . . . . . . . . . . . . . . . . . . . . . . . . . . . . . . . . . . . . . . .
21 Référence des caractéristiques de I’eau/de la vapeur d’eau : . . . . . . . . . . . . . . . . . . . . . . . . . . . . . . . . . . . . . . . . . . . . . . . . . . . . . . . . . . .
J/( kgmK)
22 Capacité thermique massique à pression constante du matériau du bac isotherme, cp = . . . . . . . . . . . . . . . . . . . . . . . . . .
(à partir du point 20 en fonction du point 8 à la moyenne des points 16 et 17)
J/kg
23 Enthalpie massique initiale de l’eau dans le bac isotherme, hfl = . . . . . . . . . . . . . . . . . . . . . . . . . . . . . . . . . . . . . . . . . . . . . . . . . .
(à partir du point 21 et du point 16)
J/kg
24 Enthalpie massique finale de l’eau dans le bac isotherme, hf2 = . . . . . . . . . . . . . . . . . . . . . . . . . . . . . . . . . . . . . . . . . . . . . . . . . . .
(à partir du point 21 et du point 17)
25 Enthalpie massique du liquide saturé à la température d’entrée dans le purgeur, hfs = . . . . . . . . . . . . . . . . . . . . . . . . . . . . . . . . J/kg
(a partir du point 21 et du point 15)
26 Enthalpie massique de l’évaporation à la température d’entrée dans le purgeur, hfgs
...












Questions, Comments and Discussion
Ask us and Technical Secretary will try to provide an answer. You can facilitate discussion about the standard in here.
Loading comments...