ISO 7842:1988
(Main)Automatic steam traps — Determination of discharge capacity — Test methods
Automatic steam traps — Determination of discharge capacity — Test methods
Purgeurs automatiques de vapeur d'eau — Détermination du débit — Méthodes d'essai
La présente Norme internationale spécifie deux méthodes d'essai permettant de déterminer le débit des purgeurs automatiques de vapeur d'eau conformes à l'ISO 6552.
General Information
- Status
- Withdrawn
- Publication Date
- 30-Nov-1988
- Technical Committee
- ISO/TC 153 - Valves
- Drafting Committee
- ISO/TC 153 - Valves
- Current Stage
- 9599 - Withdrawal of International Standard
- Start Date
- 23-Jun-2023
- Completion Date
- 12-Feb-2026
Relations
- Effective Date
- 06-Jun-2022
- Effective Date
- 06-Jun-2022
ISO 7842:1988 - Automatic steam traps -- Determination of discharge capacity -- Test methods
ISO 7842:1988 - Purgeurs automatiques de vapeur d'eau -- Détermination du débit -- Méthodes d'essai
ISO 7842:1988 - Purgeurs automatiques de vapeur d'eau -- Détermination du débit -- Méthodes d'essai
Get Certified
Connect with accredited certification bodies for this standard
Institut za varilstvo d.o.o. (Welding Institute)
Slovenia's leading welding institute since 1952. ISO 3834, EN 1090, pressure equipment certification, NDT personnel, welder qualification. Only IIW Au
Sponsored listings
Frequently Asked Questions
ISO 7842:1988 is a standard published by the International Organization for Standardization (ISO). Its full title is "Automatic steam traps — Determination of discharge capacity — Test methods". This standard covers: La présente Norme internationale spécifie deux méthodes d'essai permettant de déterminer le débit des purgeurs automatiques de vapeur d'eau conformes à l'ISO 6552.
La présente Norme internationale spécifie deux méthodes d'essai permettant de déterminer le débit des purgeurs automatiques de vapeur d'eau conformes à l'ISO 6552.
ISO 7842:1988 is classified under the following ICS (International Classification for Standards) categories: 23.060.01 - Valves in general. The ICS classification helps identify the subject area and facilitates finding related standards.
ISO 7842:1988 has the following relationships with other standards: It is inter standard links to ISO 14673-2:2001, ISO 5117:2023. Understanding these relationships helps ensure you are using the most current and applicable version of the standard.
ISO 7842:1988 is available in PDF format for immediate download after purchase. The document can be added to your cart and obtained through the secure checkout process. Digital delivery ensures instant access to the complete standard document.
Standards Content (Sample)
ISO
INTERNATIONAL STANDARD
First edition
1988-12-01
INTERNATIONAL OiGANIZATION FOR STANDARDKATION
ORGANISATION INTERNATIONALE DE NORMALISATION
MEXAYHAPOjJHAFl OPf-AHM3AuMR l-l0 CTAHJJAPTM3A~MM
Automatic steam traps - Determination of discharge
capacity - Test methods
Purgeurs automatiques de vapeur d’eau - Ddtermination du ddbit - M&hodes d’essai
Reference number
ISO 7842: 1988 (E)
ISO 7842 : 1988 (EI
Foreword
ISO (the International Organization for Standardization) is a worldwide federation of
national Standards bodies (ISO member bodies). The work of preparing International
Standards is normally carried out through ISO technical committees. Esch member
body interested in a subject for which a technical committee has been established has
the right to be represented on that committee. International organizations, govern-
mental and non-governmental, in liaison with ISO, also take part in the work. ISO
collaborates closely with the International Electrotechnical Commission (IEC) on all
matters of electrotechnical standardization.
Draft International Standards adopted by the technical committees are circulated to
the member bodies for approval before their acceptance as International Standards by
the ISO Council. They are approved in accordance with ISO procedures requiring at
least 75 % approval by the member bodies voting.
International Standard ISO 7842 was prepared by Technical Committee ISO/TC 153,
Valves.
Users should note that all International Standards undergo revision from time to time
and that any reference made herein to any other International Standard implies its
latest edition, unless otherwise stated.
@ International Organkation for Standardkation, 1988
Printed in Switzerland
ISO 7842 : 1988 (E)
INTERNATIONAL STANDARD
Determination of discharge
Automatic steam traps -
capacity - Test methods
1 Scope and field of application ISO 6552, Automatic steam traps - Definition of technical
terms.
This International Standard specifies two test methods to
determine the discharge capacity of automatic steam traps to
3 Test arrangements
ISO 6552.
The test arrangements for condensate capacity determination
are shown in figures 1 and 2.
2 References
All piping and equipment shall be insulated to a value of
ISO 651, Solid-Stern calorimeter thermometers.
m2m°Ch
I S 0 652, Enclosed-scale calorime ter thermome ters.
R > 0,75 x 10-3-
J
ISO 653, Long solid-stern thermometers for precision use.
to reduce thermal losses to a minimuni.
ISO 654, Short solid-stern thermometers for precision use.
The instruments used for the measurements shall comply with
ISO 4185, Measurement of liquid flow in closed conduits - International Standards, if such Standards exist, e.g.
Weighing method.
- ISO 651, ISO 652, ISO 653 and ISO 654 for temperature
measurements;
I S 0 5167, Measuremen t of fluid flow b y means of orifke pla tes,
nozzles and Ven turi tubes inserted in circular Cross-section con-
- ISO 4185, ISO 5167 and ISO 5168 for flow measure-
duits running full. ments.
ISO 5168, Measurement of fluid flow - Estimation of uncer- The condensate removal device shall not be modified in any
tainty of a flow-rate measurement.
way from its commercial form.
Arrangement A
Water
SUPPlY I
(
Steam vent
lLh+zq7 / ?’
u r
I
I
I
.
I
Steam water
c$-f~~
I
c Flash tank
accumulator
Valve 1
r indica:; :*,.,’
Calorimeter
--
--
-- bore ball valve
--
--e
Flow meter
P
qm2
Q
,
I -6 r-7 r r--
tT x r 0
Test device
-Ldo-lH-
Steam supply
11 -*lz*
t
4 (Note21
e (Note 3)
/ / - - .-
~~ Water-coo lled
/- /
Valve 3 /-
CO ndenser
f
Drain
/’
-
m c
--
-
NOTES
--
m2
C
1 The diameter of the pipework from the accumulator to the condensate removal device shall be the same as, or greater than, the diameter of the
pipework to the inlet connection on the device.
Scale
&
2 The distance L 1 shall not exceed IO internal pipe diameters.
3 The distance L2 shall be not less than 10 or more than 20 internal pipe diameters.
Arrangement B
4 The distance 2 shall be measured vertically from the centre of the inlet connection of the condensate removal device.
Figure 1 - Test arrangement for test method A
[so 7842 : lS8 EI
c) the maximum temperature differential (Ae) shall not
4.1 Procedure
exceed 3 OC during the test;
NOTE - Test method A is applicable only to continuous discharge
individual trap inle
d) no t pressure (~3) Observation shall
measurement.
more than 1 % of the average of all observations;
VW bY
Start with all valves closed.
e) the calculated vent steam flow-rate (qm6) shall not ex-
ceed a maximum value equal to an exit velocity of 0,31 m/s
4.1.1 Warm up the System by gradually opening valves 1, 2, in the tank.
3, 4 and 5.
4.1.6 Repeat the operations specified in 4.1 .l to 4.1.5 as
4.1.2 Adjust valves 1, 2 and 3 with valve 4 wide open and
necessary to produce three sets of observations which result in
valve 5 closed to bring the System into equilibrium. Equilibrium three calculated capacity ratings, none of which varies from the
is defined as a steady water level in the accumulator with the average by more than 10 %.
vent valve 3 partially open and a differente of 3 OC or less
showing on the temperature differential indicator.
4.2 Flow calculations
4.1.3 Observe and record the following data as appropriate
qmf = (qml +4m3 -qm4) + 4m8
depending on the method of condensate determination :
steam supply pressure, in barsl);
- Pl=
lrn
c2 -rncl)
= accumulator steam pressure, in bars;
- P2
x 3600
qrnf= At
= trap inlet pressure, in bars;
- P3
= trap outlet pressure, in bars;
- P4
qmf is the discharge flow, in kilograms per hour;
= steam supply temperature, in degrees Celsius;
- 01
is the water flow, in kilograms per hour;
qml
- e2= water supply temperature, in degrees Celsius;
qm3 is the steam flow to heat water
SUPPlY (4ml)l ifl
- A8= temperature differential (subcooling) between
kilograms per hour;
steam in the accumulator and fluid entering the trap, in
degrees Celsius;
(h
3 --hl)
qm3 = 4ml X
- x=
steam supply quality, in per cent;
(h
2 -h3)
- z=
accumulator water level, in metres;
qm4 is the flash steam flow in the
accumulator, in
kilograms per hour;
- At = time interval, in hours, minutes or seconds;
= water supply flow-rate, in kilograms per hour;
- 4ml
(h
3 -h5)
qm4 = (4ml +9m3) x
steam supply flow-rate, in kilograms per hour; (h
- 4m2 = 4 -hg)
-
= mass of condensate and tank at Start, in
mc1
It 02
kilograms; - x 0,31 x 3 600
qm4 , max = -x
Vl
-
= mass of condensate and tank at end, in
mc2
kilograms. is the accumulator storage rate, in kilograms per hour;
qm8
lt is emphasized that figure 1 Shows two alternative test ar- (2 , -22) 3600
?x 02 x X-
qm8= 4
rangements for condensate measurement and that the choice is
At
V2
left to the test laboratory.
mcl and m,2 are as given in 4.1.3;
4.1.4 Record the data specified in 4.1.3 at 5 min intervals for a
water, in kilojoules
is the specific enthalpy of the supply
hl
minimum total of five sets of observations.
kilogram ;
Per
steam, in kilo-
h2 is the specif ic enthalpy of the
SUPPlY
4.1.5 During the test period observations as appropriate shall
joules kilogram
Per
not exceed the following limits :
h3 is the specific enthalpy of saturated at the
=JPPlY
a) the differente between the maximum and minimum
pressu re, in kilojoules per kilogram;
tank level shall not exceed 50 mm;
specific enthalpy of saturated steam in the ac-
b) the maximum value of the tank level shall not exceed h4 is the
450 mm at any time during the test; cumulator, in kilojoules per kilogram;
1) 1 bar = 105 Pa
ISO 7842 : 1988 (El
h5 is the specific enthalpy of satura in the ac- is the time interval, in seconds;
cumulator, in kilojoules per kilogram;
D is the inside diameter of the accumulator, in metres;
vl is the specific volume of saturated steam in the
accumulator, in cubic metres per kilogram;
Zl
is the initial accumulator tank level, in metres;
v2 is the specific volume of saturated in the
accumulator, in cubic metres kilogram;
is the final accumulator tank level, in metres.
Per
ISO 7842 : 1988 EI
4.3 Data sheet
Test Method A
General information
Test No. : . 2 Date of test : . 3 Calculation by : .
Manufacturer’sname : .
SerialNo. : . 6 Size: .
Descriptionandtypeofdevice: .
............................................................................ m
Inside diameter of accumulator, D :
Averaged and corrected test data
................................................................................. bar
9 Steamsupplypressure,p,=
Accumulatorsteampressure,p2= . bar
Trapinletpressure,p3= . bar
12 Trapoutletpressure,p4= . bar
................................................................................. OC
13 Steam supply temperature, 8,
Water supply temperature, e2 . OC
Subcooledtemperature,A0 = . OC
%
16 Steamsupplyquality,X= .
Changeinaccumulatorlevel,Zl -Z2= . m
18 Water supply flow-rate, qml = . kglh
.............................................................................. kg/h
19 Steam supply flow-rate, qm2 =
........................................................................................... s
20 Elapsedtime,At=
Thermodynamic properties
.............................................................................
21 Reference used for steam/water data :
..................................................................... kJ/kg
22 Specific enthalpy of water supply, hl =
..................................................................... kJ/kg
23 Specific enthalpy of steam supply, h2 =
Specific enthalpy of saturated liquid at steam supply pressure, h3 = . kJ/kg
............................................
...
ISO
NORME INTERNATIONALE 7842
Première édition
1988-12-01 -
-5 INTERNATIONAL ORGANIZATION FOR STANDARDIZATION
ORGANISATION INTERNATIONALE DE NORMALISATION
I
MEXflYHAPOAHAfl OPI-AHM3A~MR Il0 CTAHfiAPTl43AuMM
Purgeurs automatiques de vapeur d’eau -
Détermination du débit - Méthodes d’essai
Determination of discharge capacity - Test methods
Automa tic s team traps -
Numéro de référence
ISO 7842 : 1988 (F)
ISO 7842 : 1988 (FI
Avant-propos
LIS0 (Organisation internationale de normalisation) est une fbdération mondiale
d’organismes nationaux de normalisation (comit& membres de I’ISO). L’élaboration
des Normes internationales est en général confiée aux comités techniques de I’ISO.
Chaque comité membre intkessé par une étude a le droit de faire partie du comitk
technique cr& à cet effet. Les organisations internationales, gouvernementales et non
gouvernementales, en liaison avec I’ISO participent également aux travaux. L’ISO col-
labore étroitement avec la Commission électrotechnique internationale (CEI) en ce qui
concerne la normalisation électrotechnique.
Les projets de Normes internationales adoptés par les comités techniques sont soumis
aux comit6s membres pour approbation, avant leur acceptation comme Normes inter-
nationales par le Conseil de I’ISO. Les Normes internationales sont approuvées confor-
mément aux procédures de I’ISO qui requiérent l’approbation de 75 % au moins des
comit6s membres votants.
La Norme internationale ISO 7842 a été élaborée par le comit6 technique ISO/TC 153,
Robinetterie.
L’attention des utilisateurs est attirée sur le fait que toutes les Normes internationales
sont de temps en temps soumises à révision et que toute reférence faite à une autre
Norme internationale dans le présent document implique qu’il s’agit, sauf indication
contraire, de la derniére édition.
@ Organisation internationale de normalisation, 1988
Imprimé en Suisse
SO 7842 : 1988 (FI
NORME INTERNATIONALE
Purgeurs automatiques de vapeur d’eau -
Détermination du débit - Méthodes d’essai
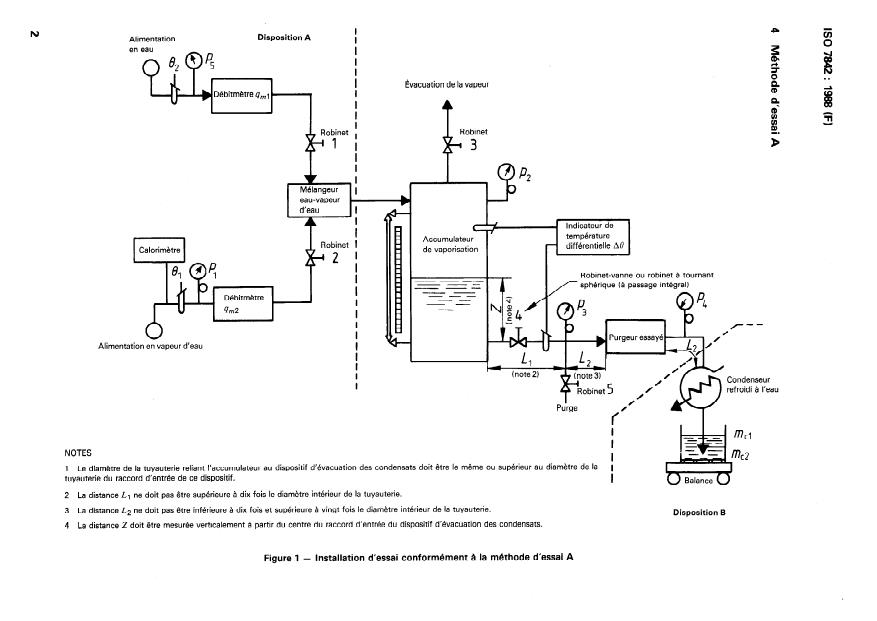
3 Installations d’essai
1 Objet et domaine d’application
La présente Norme internationale spécifie deux méthodes
Les installations d’essai permettant de déterminer le débit sont
d’essai permettant de déterminer le débit des purgeurs automa-
représentées aux figures 1 et 2.
tiques de vapeur d’eau conformes à I’ISO 6552.
Toutes les tuyauteries et tous les matériels doivent être isolés à
une valeur de
2 Références
rnz=OCh
ISO 651, Thermomètres sur tige pour calorimètres.
R > 0,75 x 10-3-
J
ISO 652, Thermomètres pour calorimetres à echefle protégée.
pour réduire les pertes de chaleur au minimum.
ISO 653, Thermomètres de précision, sur tige, type long.
ISO 654, Thermometres de précision, sur tige, type court.
Les instruments utilisés pour les mesurages doivent être
conformes aux Normes internationales, s’il en existe, et notam-
ISO 4185, Mesure de debit des liquides dans les conduites fer-
ment :
mées - Methode par pesée.
-
ISO 651, ISO 652, ISO 653 et 654, pour les mesurages
ISO 5167, Mesure de débit des fluides au moyen de diaphrag-
de température;
mes, tuyeres et tubes de Venturiinsérés dans des conduites en
charge de section circulaire.
-
ISO 4185, ISO 5167 et ISO 5168 pour les mesurages de
débit.
ISO 5168, Mesure de débit des fluides - Calcul de l’erreur
limite sur une mesure de débit.
Le dispositif d’évacuation des condensats ne doit subir aucune
modification de la forme sous laquelle il est vendu dans le com-
ISO 6552, Purgeurs automatiques de vapeur d’eau - Definition
merce.
des termes techniques.
Disposition A
Alimentation
en
Évacuation de la vapeur
Robinet
température
Accumulateur
différentielle AO
Calorimètre de vaporisation
I
Robinet-vanne ou robinet à tournant
--
--
sphérique (à passage intégral)
-m
--
I --F- /-
---
Débitmétre
--
1 P
- P
I
II -
I
c
Purgeur essayé
Alimentation en vapeur d’eau
12 ’
I
K-
(note 2)
Condenseur
0 refroidi à l’eau
Pürge 0
AP?
f
I
m
-
Cl
--
-
I
NOTES
mc
I
1 Le diamètre de la tuyauterie reliant l’accumulateur au dispositif d’évacuation des condensats doit être le même ou supérieur au diamètre de la
l
tuyauterie du raccord d’entrée de ce dispositif.
I
Balance
&
2 La distance L1 ne doit pas être supérieure à dix fois le diamètre intérieur de la tuyauterie.
3 La distance ~52 ne doit pas être inférieure à dix fois et supérieure à vingt fois le diamètre intérieur de la tuyauterie.
Disposition B
4 La distance 2 doit être mesurée verticalement à partir du centre du raccord d’entrée du dispositif d’évacuation des condensats.
Figure 1 - Installation d’essai conformément à la méthode d’essai A
ISO 7842 : 1988 (FI
4.1 Mode opératoire 4.1.5 1 Durant la période d’essai les observa ne doi-
vent pas excéder les limi tes suivantes :
NOTE - La méthode d’essai A est applicable seulement à un mesu-
la différence entre niveaux ma
a) et minimal du réser-
rage de débit continu.
voir ne doit pas dépasser 50 mm;
Commencer l’essai avec les robinets fermés.
b) la hauteur maximale du niveau dans le réservoir ne doit
à aucun moment de l’essai dépasser 450 mm.
4.1.1 Mettre le circuit
en température en ouvrant progressive-
c) la différence maximale de température (AO) ne doit pas
ment les robinets 1, 2, 4 et 5.
3,
dépasser 3 OC pendant l’essai;
d) aucun relevé individuel de pression d’entrée dans le
4.1.2 Régler les robinets 1, 2 et 3, le robinet 4 étant en posi-
purgeur (~131 ne doit s’écarter de plus de 1 % de la moyenne
tion d’ouverture totale et le robinet 5 en position de fermeture
de toutes les observations;
totale pour amener le circuit à l’équilibre. Par équilibre, on
e) la vapeur d’eau purgée calculée (qm6) ne doit pas excé-
entend un niveau d’eau constant dans l’accumulateur, robinet
der une valeur maximale égale à une vitesse de sortie de
de purge 3 partiellement ouvert avec une différence de 3 OC ou
0,31 m/s dans le réservoir.
moins enregistrée sur l’indicateur de température différentielle.
4.1.6 Répéter les opérations 4.1.1 à 4.1.5 de manière à obtenir
4.1.3 Observer et noter les données suiva Intes leur perti-
trois séries d’observations donnant trois débits nominaux cal-
nence
par rapport à Ea méthode d’essai :
culés dont aucun ne s’écarte de la moyenne de plus de 10 %.
pression effective d’alimentation en vapeur d’eau,
- PI=
en bars’);
4.2 Formules de calcul
pression effective de la vapeur d’eau dans I’accu-
- P2=
qmt = (qml +qm3 -qm4) + qm8
mulateur, en bars;
= pression d’entrée dans le purgeur, en bars;
P3
-
= pression de sortie du purgeur, en bars;
P4
hl -Cl)
c2
x3600
qmf = At
= température
d’al imentation en vapeu r d’eau, en
- 01
degrés Celsius;
où
- 02 = température d’alimentation en eau, en degrés
Celsius; le débit-masse du purgeur, en kilogrammes
qmf est
Par
heure;
- A8 = différence de température (refroidissement inter-
est le débit-masse d’eau, en kilogrammes par heure;
médiaire) entre la vapeur d’eau dans l’accumulateur et le
qml
fluide entrant dans le purgeur, en degrés Celsius;
qm3 est le débit-masse de vapeur d’eau rapporté
a 4mlf en
kilogrammes par heure;
- X = qualité de l’alimentation en vapeur d’eau, en pour
cent;
(h
3 -hl)
-
z= niveau d’eau dans l’accumulateur, en mètres; qm3 = 4ml X
(h
2 -h3)
- At = intervalle de temps, en heures, minutes ou
qm4 est la vapeur d’eau vaporisée dans l’accu mulateur, en
secondes;
kilogrammes par heure;
= débit-masse d’alimentation en eau, en kilogram-
- qml
mes par heure;
(h
3 -h5)
qm4 = (4ml +4m3) x
(h
= débit-masse d’alimentation en 4 -h5)
vapeur d’eau, en
- 4m2
kilogrammes par heure;
7c 02
-
qm4, max = x - x 0,31 x 3 600
= masse du condensat
et du réservoir au début de 4
mC1
"1
l’essai, en kilogrammes;
-
qms est le débit-masse de stockage de l’accumulateur, en
= masse du condensat et du réservoir à la fin de
%2
l’essai, en kilogrammes. kilogrammes par heure;
(2, -22) 3600
X-
II est à noter que la figure 1 représente deux variantes d’installa-
qm8=4XD2X
ht
"2
tion de mesurage du condensat et que le choix de la variante est
laissé au laboratoire d’essai.
mcl et mc2 sont telles que données en 4.1.3;
4.1.4 Enregistrer les données
de 4.1.3 à intervalles de 5 min est I’enthalpie massiq
ue de l’eau d’alimentation, en
hl
sur un minimum de cinq séries d’observations au total.
kil ojoules par kilogramme;
1) 1 bar = 105
ISO 7842 : 1988 (FI
v2 est le volume massique de l’eau saturée dans I’accumu-
est I’enthalpie massique de la vapeur d’eau, en kilojou-
h2
par kilogramme; lateur, en mètres cubes par kilogramme;
les
h3 est I’enthal pie massique de l’eau saturée à la pression A t est l’intervalle de temps, en secondes;
d’alimentation, en kilojoules kilogramme;
Par
D est le diamètre intérieur de l’accumulateur, en mètres;
h4 est I’enthalpie massique de la vapeur d’eau saturée à la
pression d’alimentation, en kilojoules par kilogr .amme; 2, est le niveau initial dans l’accumulateur, en mètres;
I’enthalpie massique de l’eau sa turée dans I’accu- Z2 est le niveau final, en mètres.
h5 est
mulateu r, en kilojoules par kilogramme;
v1 est le volume massique de la vapeur d’eau saturée
par kilogramme;
l’accumulateur, en mètres cubes
60 7842 : 1988 (FI
4.3 Feuille de données
Mbthode d’essai A
Données gbnbrales
.......
Essai no . 2 Date de l’essai : . 3 Calculs effectués par
Nomdufabricant: .
.................................................. 6 Dimensions: ............................
Numérodesérie:
..................................................................................
Description et type du dispositif :
...................................................................... m
Diamétre intérieur de l’accumulateur, D =
Valeurs moyennes et résultats d’essai corrigés
Pression d’alimentation en vapeur d’eau, p1 = . bar
.............................................................
Pression de vapeur d’eau dans l’accumulateur, p2 = bar
........................................................................ bar
11 Pression d’entrée dans le purgeur,p3 =
........................................................................... bar
12 Pressiondesortiedupurgeur,p4=
Température d’alimentation en vapeur d’eau, 19, . OC
14 Température d’alimentation en eau, O2 . OC
............................................................. OC
15 Température de refroidissement intermédiaire, A6 =
........................................................................ %
16 Qualité de l’alimentation en vapeur, X =
.............................................................. m
17 Changement de niveau de l’accumulateur 2, - Z2 =
Debit d’alimentation en eau, q,, = . kg/h
................................................................... kg/h
19 Débit d’alimentation en vapeur d’eau, qm2 =
Inten/alledetemps,At= . s
Propriétés thermodynamiques
...........................................................................
21 Donnéesderef&encevapeurd’eau/eau :
.............................................................
kJ/kg
22 Enthalpie massique de l’alimentation en eau, hl =
..................................................... kJ/kg
23 Enthalpie massique de l’alimentation en vapeur d’eau, h2 =
............................. kJ/kg
Enthalpie massique du liquide saturé à la pression d’alimentation en vapeur d’eau, h3 =
................................... kJ/kg
25 Enthalpie massique de la vapeur saturée à la pression dans l’accumulateur, h4 =
.......................
...
ISO
NORME INTERNATIONALE 7842
Première édition
1988-12-01 -
-5 INTERNATIONAL ORGANIZATION FOR STANDARDIZATION
ORGANISATION INTERNATIONALE DE NORMALISATION
I
MEXflYHAPOAHAfl OPI-AHM3A~MR Il0 CTAHfiAPTl43AuMM
Purgeurs automatiques de vapeur d’eau -
Détermination du débit - Méthodes d’essai
Determination of discharge capacity - Test methods
Automa tic s team traps -
Numéro de référence
ISO 7842 : 1988 (F)
ISO 7842 : 1988 (FI
Avant-propos
LIS0 (Organisation internationale de normalisation) est une fbdération mondiale
d’organismes nationaux de normalisation (comit& membres de I’ISO). L’élaboration
des Normes internationales est en général confiée aux comités techniques de I’ISO.
Chaque comité membre intkessé par une étude a le droit de faire partie du comitk
technique cr& à cet effet. Les organisations internationales, gouvernementales et non
gouvernementales, en liaison avec I’ISO participent également aux travaux. L’ISO col-
labore étroitement avec la Commission électrotechnique internationale (CEI) en ce qui
concerne la normalisation électrotechnique.
Les projets de Normes internationales adoptés par les comités techniques sont soumis
aux comit6s membres pour approbation, avant leur acceptation comme Normes inter-
nationales par le Conseil de I’ISO. Les Normes internationales sont approuvées confor-
mément aux procédures de I’ISO qui requiérent l’approbation de 75 % au moins des
comit6s membres votants.
La Norme internationale ISO 7842 a été élaborée par le comit6 technique ISO/TC 153,
Robinetterie.
L’attention des utilisateurs est attirée sur le fait que toutes les Normes internationales
sont de temps en temps soumises à révision et que toute reférence faite à une autre
Norme internationale dans le présent document implique qu’il s’agit, sauf indication
contraire, de la derniére édition.
@ Organisation internationale de normalisation, 1988
Imprimé en Suisse
SO 7842 : 1988 (FI
NORME INTERNATIONALE
Purgeurs automatiques de vapeur d’eau -
Détermination du débit - Méthodes d’essai
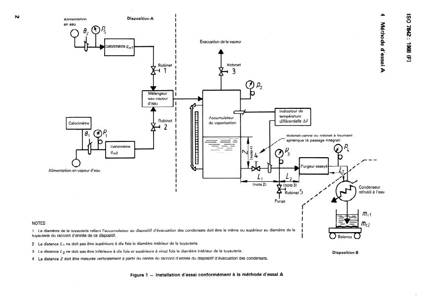
3 Installations d’essai
1 Objet et domaine d’application
La présente Norme internationale spécifie deux méthodes
Les installations d’essai permettant de déterminer le débit sont
d’essai permettant de déterminer le débit des purgeurs automa-
représentées aux figures 1 et 2.
tiques de vapeur d’eau conformes à I’ISO 6552.
Toutes les tuyauteries et tous les matériels doivent être isolés à
une valeur de
2 Références
rnz=OCh
ISO 651, Thermomètres sur tige pour calorimètres.
R > 0,75 x 10-3-
J
ISO 652, Thermomètres pour calorimetres à echefle protégée.
pour réduire les pertes de chaleur au minimum.
ISO 653, Thermomètres de précision, sur tige, type long.
ISO 654, Thermometres de précision, sur tige, type court.
Les instruments utilisés pour les mesurages doivent être
conformes aux Normes internationales, s’il en existe, et notam-
ISO 4185, Mesure de debit des liquides dans les conduites fer-
ment :
mées - Methode par pesée.
-
ISO 651, ISO 652, ISO 653 et 654, pour les mesurages
ISO 5167, Mesure de débit des fluides au moyen de diaphrag-
de température;
mes, tuyeres et tubes de Venturiinsérés dans des conduites en
charge de section circulaire.
-
ISO 4185, ISO 5167 et ISO 5168 pour les mesurages de
débit.
ISO 5168, Mesure de débit des fluides - Calcul de l’erreur
limite sur une mesure de débit.
Le dispositif d’évacuation des condensats ne doit subir aucune
modification de la forme sous laquelle il est vendu dans le com-
ISO 6552, Purgeurs automatiques de vapeur d’eau - Definition
merce.
des termes techniques.
Disposition A
Alimentation
en
Évacuation de la vapeur
Robinet
température
Accumulateur
différentielle AO
Calorimètre de vaporisation
I
Robinet-vanne ou robinet à tournant
--
--
sphérique (à passage intégral)
-m
--
I --F- /-
---
Débitmétre
--
1 P
- P
I
II -
I
c
Purgeur essayé
Alimentation en vapeur d’eau
12 ’
I
K-
(note 2)
Condenseur
0 refroidi à l’eau
Pürge 0
AP?
f
I
m
-
Cl
--
-
I
NOTES
mc
I
1 Le diamètre de la tuyauterie reliant l’accumulateur au dispositif d’évacuation des condensats doit être le même ou supérieur au diamètre de la
l
tuyauterie du raccord d’entrée de ce dispositif.
I
Balance
&
2 La distance L1 ne doit pas être supérieure à dix fois le diamètre intérieur de la tuyauterie.
3 La distance ~52 ne doit pas être inférieure à dix fois et supérieure à vingt fois le diamètre intérieur de la tuyauterie.
Disposition B
4 La distance 2 doit être mesurée verticalement à partir du centre du raccord d’entrée du dispositif d’évacuation des condensats.
Figure 1 - Installation d’essai conformément à la méthode d’essai A
ISO 7842 : 1988 (FI
4.1 Mode opératoire 4.1.5 1 Durant la période d’essai les observa ne doi-
vent pas excéder les limi tes suivantes :
NOTE - La méthode d’essai A est applicable seulement à un mesu-
la différence entre niveaux ma
a) et minimal du réser-
rage de débit continu.
voir ne doit pas dépasser 50 mm;
Commencer l’essai avec les robinets fermés.
b) la hauteur maximale du niveau dans le réservoir ne doit
à aucun moment de l’essai dépasser 450 mm.
4.1.1 Mettre le circuit
en température en ouvrant progressive-
c) la différence maximale de température (AO) ne doit pas
ment les robinets 1, 2, 4 et 5.
3,
dépasser 3 OC pendant l’essai;
d) aucun relevé individuel de pression d’entrée dans le
4.1.2 Régler les robinets 1, 2 et 3, le robinet 4 étant en posi-
purgeur (~131 ne doit s’écarter de plus de 1 % de la moyenne
tion d’ouverture totale et le robinet 5 en position de fermeture
de toutes les observations;
totale pour amener le circuit à l’équilibre. Par équilibre, on
e) la vapeur d’eau purgée calculée (qm6) ne doit pas excé-
entend un niveau d’eau constant dans l’accumulateur, robinet
der une valeur maximale égale à une vitesse de sortie de
de purge 3 partiellement ouvert avec une différence de 3 OC ou
0,31 m/s dans le réservoir.
moins enregistrée sur l’indicateur de température différentielle.
4.1.6 Répéter les opérations 4.1.1 à 4.1.5 de manière à obtenir
4.1.3 Observer et noter les données suiva Intes leur perti-
trois séries d’observations donnant trois débits nominaux cal-
nence
par rapport à Ea méthode d’essai :
culés dont aucun ne s’écarte de la moyenne de plus de 10 %.
pression effective d’alimentation en vapeur d’eau,
- PI=
en bars’);
4.2 Formules de calcul
pression effective de la vapeur d’eau dans I’accu-
- P2=
qmt = (qml +qm3 -qm4) + qm8
mulateur, en bars;
= pression d’entrée dans le purgeur, en bars;
P3
-
= pression de sortie du purgeur, en bars;
P4
hl -Cl)
c2
x3600
qmf = At
= température
d’al imentation en vapeu r d’eau, en
- 01
degrés Celsius;
où
- 02 = température d’alimentation en eau, en degrés
Celsius; le débit-masse du purgeur, en kilogrammes
qmf est
Par
heure;
- A8 = différence de température (refroidissement inter-
est le débit-masse d’eau, en kilogrammes par heure;
médiaire) entre la vapeur d’eau dans l’accumulateur et le
qml
fluide entrant dans le purgeur, en degrés Celsius;
qm3 est le débit-masse de vapeur d’eau rapporté
a 4mlf en
kilogrammes par heure;
- X = qualité de l’alimentation en vapeur d’eau, en pour
cent;
(h
3 -hl)
-
z= niveau d’eau dans l’accumulateur, en mètres; qm3 = 4ml X
(h
2 -h3)
- At = intervalle de temps, en heures, minutes ou
qm4 est la vapeur d’eau vaporisée dans l’accu mulateur, en
secondes;
kilogrammes par heure;
= débit-masse d’alimentation en eau, en kilogram-
- qml
mes par heure;
(h
3 -h5)
qm4 = (4ml +4m3) x
(h
= débit-masse d’alimentation en 4 -h5)
vapeur d’eau, en
- 4m2
kilogrammes par heure;
7c 02
-
qm4, max = x - x 0,31 x 3 600
= masse du condensat
et du réservoir au début de 4
mC1
"1
l’essai, en kilogrammes;
-
qms est le débit-masse de stockage de l’accumulateur, en
= masse du condensat et du réservoir à la fin de
%2
l’essai, en kilogrammes. kilogrammes par heure;
(2, -22) 3600
X-
II est à noter que la figure 1 représente deux variantes d’installa-
qm8=4XD2X
ht
"2
tion de mesurage du condensat et que le choix de la variante est
laissé au laboratoire d’essai.
mcl et mc2 sont telles que données en 4.1.3;
4.1.4 Enregistrer les données
de 4.1.3 à intervalles de 5 min est I’enthalpie massiq
ue de l’eau d’alimentation, en
hl
sur un minimum de cinq séries d’observations au total.
kil ojoules par kilogramme;
1) 1 bar = 105
ISO 7842 : 1988 (FI
v2 est le volume massique de l’eau saturée dans I’accumu-
est I’enthalpie massique de la vapeur d’eau, en kilojou-
h2
par kilogramme; lateur, en mètres cubes par kilogramme;
les
h3 est I’enthal pie massique de l’eau saturée à la pression A t est l’intervalle de temps, en secondes;
d’alimentation, en kilojoules kilogramme;
Par
D est le diamètre intérieur de l’accumulateur, en mètres;
h4 est I’enthalpie massique de la vapeur d’eau saturée à la
pression d’alimentation, en kilojoules par kilogr .amme; 2, est le niveau initial dans l’accumulateur, en mètres;
I’enthalpie massique de l’eau sa turée dans I’accu- Z2 est le niveau final, en mètres.
h5 est
mulateu r, en kilojoules par kilogramme;
v1 est le volume massique de la vapeur d’eau saturée
par kilogramme;
l’accumulateur, en mètres cubes
60 7842 : 1988 (FI
4.3 Feuille de données
Mbthode d’essai A
Données gbnbrales
.......
Essai no . 2 Date de l’essai : . 3 Calculs effectués par
Nomdufabricant: .
.................................................. 6 Dimensions: ............................
Numérodesérie:
..................................................................................
Description et type du dispositif :
...................................................................... m
Diamétre intérieur de l’accumulateur, D =
Valeurs moyennes et résultats d’essai corrigés
Pression d’alimentation en vapeur d’eau, p1 = . bar
.............................................................
Pression de vapeur d’eau dans l’accumulateur, p2 = bar
........................................................................ bar
11 Pression d’entrée dans le purgeur,p3 =
........................................................................... bar
12 Pressiondesortiedupurgeur,p4=
Température d’alimentation en vapeur d’eau, 19, . OC
14 Température d’alimentation en eau, O2 . OC
............................................................. OC
15 Température de refroidissement intermédiaire, A6 =
........................................................................ %
16 Qualité de l’alimentation en vapeur, X =
.............................................................. m
17 Changement de niveau de l’accumulateur 2, - Z2 =
Debit d’alimentation en eau, q,, = . kg/h
................................................................... kg/h
19 Débit d’alimentation en vapeur d’eau, qm2 =
Inten/alledetemps,At= . s
Propriétés thermodynamiques
...........................................................................
21 Donnéesderef&encevapeurd’eau/eau :
.............................................................
kJ/kg
22 Enthalpie massique de l’alimentation en eau, hl =
..................................................... kJ/kg
23 Enthalpie massique de l’alimentation en vapeur d’eau, h2 =
............................. kJ/kg
Enthalpie massique du liquide saturé à la pression d’alimentation en vapeur d’eau, h3 =
................................... kJ/kg
25 Enthalpie massique de la vapeur saturée à la pression dans l’accumulateur, h4 =
.......................
...












Questions, Comments and Discussion
Ask us and Technical Secretary will try to provide an answer. You can facilitate discussion about the standard in here.
Loading comments...