ISO 491:1988
(Main)Cinematography — 35 mm motion-picture film and magnetic film — Cutting and perforating dimensions
Cinematography — 35 mm motion-picture film and magnetic film — Cutting and perforating dimensions
Cinématographie — Film cinématographique et magnétique de 35 mm — Dimensions de coupe et de perforation
General Information
- Status
- Withdrawn
- Publication Date
- 26-Oct-1988
- Withdrawal Date
- 26-Oct-1988
- Technical Committee
- ISO/TC 36 - Cinematography
- Drafting Committee
- ISO/TC 36 - Cinematography
- Current Stage
- 9599 - Withdrawal of International Standard
- Start Date
- 23-Mar-1995
- Completion Date
- 14-Feb-2026
Relations
- Effective Date
- 15-Apr-2008
- Effective Date
- 15-Apr-2008
Buy Documents
ISO 491:1988 - Cinematography -- 35 mm motion-picture film and magnetic film -- Cutting and perforating dimensions
ISO 491:1988 - Cinematography — 35 mm motion-picture film and magnetic film — Cutting and perforating dimensions Released:10/27/1988
Frequently Asked Questions
ISO 491:1988 is a standard published by the International Organization for Standardization (ISO). Its full title is "Cinematography — 35 mm motion-picture film and magnetic film — Cutting and perforating dimensions". This standard covers: Cinematography — 35 mm motion-picture film and magnetic film — Cutting and perforating dimensions
Cinematography — 35 mm motion-picture film and magnetic film — Cutting and perforating dimensions
ISO 491:1988 is classified under the following ICS (International Classification for Standards) categories: 37.060.20 - Motion picture films. Cartridges. The ICS classification helps identify the subject area and facilitates finding related standards.
ISO 491:1988 has the following relationships with other standards: It is inter standard links to ISO 491:1995, ISO 491:1983. Understanding these relationships helps ensure you are using the most current and applicable version of the standard.
ISO 491:1988 is available in PDF format for immediate download after purchase. The document can be added to your cart and obtained through the secure checkout process. Digital delivery ensures instant access to the complete standard document.
Standards Content (Sample)
IS0
INTERNATIONAL STANDARD
Fourth edition
1988-1 1-01
INTERNATIONAL ORGANIZATION FOR STANDARDIZATION
ORGANISATION INTERNATIONALE DE NORMALISATION
MEXAYHAPOAHAR OPTAHMBAUMR il0 CTAHAAPTM3AiJMM
Cinematography - 35 mm motion-picture film and
magnetic film - Cutting and perforating dimensions
Cinématographie - Film cinématographique et magnétique de 35 rnrn - Dimensions de
coupe et de perforation
Reference number
IS0 491 : 1988 (E)
IS0 491 : 1988 (E)
Foreword
IS0 (the International Organization for Standardization) is a worldwide federation of
national standards bodies (IS0 member bodies). The work of preparing International
IS0 technical committees. Each member
Standards is normally carried out through
body interested in a subject for which a technical committee has been established has
the right to be represented on that committee. International organizations, govern-
mental and non-governmental, in liaison with ISO, also take part in the work. IS0
collaborates closely with the international Electrotechnical Commission (IEC) on all
matters of electrotechnical standardization.
Draft International Standards adopted by the technical committees are circulated to
the member bodies for approval before their acceptance as International Standards by
the IS0 Council. They are approved in accordance with IS0 procedures requiring at
least 75 % approval by the member bodies voting.
International Standard IS0 491 was prepared by Technical Committee ISO/TC 36,
Cinematograph y.
This fourth edition cancels and replaces the third edition (IS0 491 : 19831, of which it
constitutes a minor revision, the annex having been replaced.
Users should note that all International Standards undergo revision from time to time
and that any reference made herein to any other International Standard implies its
latest edition, unless otherwise stated.
@ International Organization for Standardization, 1988 0
Printed in Switzerland
IS0491 : 1988 (E)
INTERNATIONAL STANDARD
Cinematography - 35 mm motion-picture film and
magnetic film - Cutting and perforating dimensions
1 Scope and field of application 3 Dimensions
3.1 Measurements at the time of manufacture shall be made
This International Standard specifies the cutting and per-
at a temperature of 23 k 2 OC as stated in IS0 554. A manu-
forating dimensions for 35 mm unexposed motion-picture film
facturer may indicate other nominal temperatures under which
and 35 mm magnetic film, and the types of perforations used.
dimensions apply.
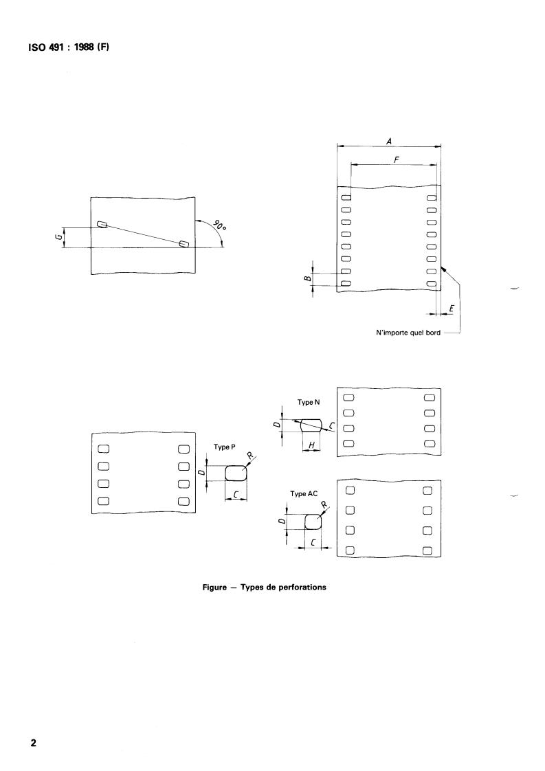
3.2 The dimensions shall be as shown in the figure and given
in tables 1 and 2. They apply to unexposed motion-picture and
2 References
magnetic films which conform to IS0 543. These specifications
apply at the time of cutting and perforating.
L
IS0 543, Cinematography - Motion-picture safety film -
Definition, testing and marking.
3.3 With regard to 35 mm magnetic films, the dimensions
which apply are those specified in tables 1 and 2 under the
IS0 554, Standard atmospheres for conditioning and/or testing designation "Type P" with a perforation pitch B and the length
- Specifications. 100 consecutive intervals L.
of any
IS0 491 : 1988 (E)
d ci
O O
O O
O O
O O
O O
D O
D
/
Either edge
O O
O
O
O
O
O
O
Type AC
O O
O
a tlo
Figure - Types of perforations
-'
IS0 491 : 1988 (E)
Table 1 - Dimensions in millimetres
Dimension Type AC
A 34,975 f 0,025 34,975 f 0,025 34,975 f 0,025
B 4.75 f 0.01 4,75 f 0.01 4,75 I 0,Ol
B'
4.74 f 0,Ol 4,74 k 0.01
2,800 + 0,005
C
1,98 f 0.01
2,800 2:;
- 0,015
1,850 + 0,015
D 1,98 f 0.01
- 0,005
E f 0,05
2.01 2,Ol f 0,05 2.18 f 0,05
F 28,17 f 0,05 28.17 f 0.05 f 0.05
28,63
G 0,025 max. 0,025 max. 0,025 max.
-
H 2.08 nominal
0,500 + 0,025
-
R 0,330 f 0,025
- 0,075
L 475.0 f 0.4 475,O f 0,4 475,O f 0.4
L' 474,O f 0
...
IS0
NORME INTERNATIONALE
Quatrième édition
1988-1 1-01
INTERNATIONAL ORGANIZATION FOR STANDARDIZATION
ORGANISATION INTERNATIONALE DE NORMALISATION
MEXAYHAPOaHAR OPrAHM3AuMR no CTAHaAPTM3AuMM
Cinématographie - Film cinématographique et
magnétique de 35 mm - Dimensions de coupe et de
perforation
Cinematography - 35 mm motion-picture film and magnetic film - Cutting and perforating
dimensions
Numéro de référence
IS0 491 : 1988 (F)
IS0 491 : 1988 (FI
Avant-propos
L’ISO (Organisation internationale de normalisation) est une fédération mondiale
d’organismes nationaux de normalisation (comités membres de I’ISO). L’élaboration
des Normes internationales est en général confiée aux comités techniques de I‘ISO.
Chaque comité membre intéressé par une étude a le droit de faire partie du comité
technique créé à cet effet. Les organisations internationales, gouvernementales et non
gouvernementales, en liaison avec I’ISO participent également aux travaux. L‘ISO col-
labore étroitement avec la Commission électrotechnique internationale (CE11 en ce qui
concerne la normalisation électrotechnique.
Les projets de Normes internationales adoptés par les comités techniques sont soumis
aux comités membres pour approbation, avant leur acceptation comme Normes inter-
nationales par le Conseil de I’ISO. Les Normes internationales sont approuvées confor-
mément aux procédures de I‘ISO qui requièrent l‘approbation de 75 % au moins des
comités membres votants.
La Norme internationale IS0 491 a été élaborée par le comité technique ISO/TC 36,
Cinéma tograp hie.
Cette quatrième édition annule et remplace la troisième édition (IS0 491 : 19831, dont
elle constitue une révision mineure, l’annexe ayant été changée.
L’attention des utilisateurs est attirée sur le fait que toutes les Normes internationales
sont de temps en temps soumises à révision et que toute référence faite à une autre
Norme internationale dans le présent document implique qu’il s‘agit, sauf indication
contraire, de la dernière édition.
0 Organisation internationale de normalisation, 1988 O
Imprimé en Suisse
NORME INTERNATIONALE IS0 491 : 1988 (F)
Cinématographie - Film cinématographique et
magnétique de 35 mm - Dimensions de coupe et de
perforation
1 Objet et domaine d'application 3 Dimensions
3.1 Les mesurages effectués au moment de la fabrication
La présente Norme internationale spécifie les dimensions de
doivent se faire à 23 f 2 "C conformément à I'ISO 554. Le
coupe et de perforation du film cinématographique et magnéti-
fabricant peut indiquer d'autres températures nominales pour le
que non exposé de 35 mm, ainsi que les types de perforations
mesurage des dimensions.
utilisées.
3.2 Les dimensions doivent être telles qu'indiquées dans la
figure et données dans les tableaux 1 et 2. Elles s'appliquent
aux films cinématographiques et magnétiques non exposés
conformes à I'ISO 543. Ces spécifications sont applicables au
2 Références
moment de la coupe et de la perforation.
L
IS0 543, Cinématographie - Film cinématographique de sécu-
3.3 En ce qui concerne les films magnétiques de 35 mm, les
rité - Définition, essais et marquage.
dimensions applicables sont celles spécifiées dans les
tableaux 1 et 2 sous la désignation «Type P», avec un pas de
perforation B et une longueur L pour tout groupe de
IS0 554, Atmosphères normales de conditionnement et/ou
d'essai - Spécifications. 100 intervalles consécutifs.
IS0 491 : 1988 (FI
A
c I
a O O
O O
O O
O O
O O
O O
O
-
E
c
N'importe quel bord
O O
a
O O
O O
O O
O O
O O
O O
Type AC
O O
O
O
O O
O O
Figure - Types de perforations
IS0 491 : 1988 (FI
Tableau 1 - Dimensions en millimètres
Dimension Type AC
Type P Type N
~
A
34,975 f 0,025 34,975 f 0,025 34,975 I 0,025
B 4,75 f 0,Ol
4,75 f 0,Ol 4.75 f 0.01
B' 4,74 f 0.01
4.74 f 0.01
+ 0005
C
2.800 1.98 f 0.01
2,800 - 0:015
+ 0,015
D 1.98 f 0.01
1'850 - 0,005
E 2,01 f 0,05
2,01 f 0,05 2.18 f 0.05
F 28,17 f 0.05 28,17 f 0.05
28.63 f 0.05
C 0,025 max. 0,025 max. 0,025 max.
H
2,08 nominal
+ O025
R
0,330 f 0,025
o'500 - 0:075
L
475,O f 0.4 475.0 f 0.4 475.0 I 0.4
-
L'
474.0 f 0.4 474.0
...








Questions, Comments and Discussion
Ask us and Technical Secretary will try to provide an answer. You can facilitate discussion about the standard in here.
Loading comments...